Например TDA7294

Форум РадиоКот • Просмотр темы - Моргало светодиодное
Форум РадиоКот
Здесь можно немножко помяукать :)

Текущее время: Вс мар 22, 2026 14:33:57

Часовой пояс: UTC + 3 часа


ПРЯМО СЕЙЧАС:



Начать новую тему Ответить на тему  [ Сообщений: 65 ]    , 2, ,  
Автор Сообщение
 Заголовок сообщения: Re: Моргало светодиодное
СообщениеДобавлено: Пт апр 09, 2010 05:59:02 
Первый раз сказал Мяу!
Аватар пользователя

Зарегистрирован: Вт мар 30, 2010 16:04:00
Сообщений: 22
Откуда: п.Новомихайловский, Туапсинский район, Краснодарский край.
Рейтинг сообщения: 0
ну да, оба nPn.

_________________
Я Чеширский кошак! А ты?
вот тест:
http://www.aeterna.ru/test.php?link=tes ... 00EI000002
пройди и узнай какой из тебя кошак!!!


Вернуться наверх
 
 Заголовок сообщения: Re: Моргало светодиодное
СообщениеДобавлено: Пт апр 09, 2010 06:10:52 
Модератор
Аватар пользователя

Карма: 162
Рейтинг сообщений: 2448
Зарегистрирован: Пн июл 07, 2008 10:46:09
Сообщений: 10739
Откуда: Россия
Рейтинг сообщения: 0
А по схеме "Моргало светодиодное" они должны быть разной проводимости.

_________________
Если хотите, чтобы жизнь улыбалась вам, подарите ей своё хорошее настроение


Вернуться наверх
 
 Заголовок сообщения: Re: Моргало светодиодное
СообщениеДобавлено: Пт апр 09, 2010 06:17:10 
Друг Кота

Карма: 27
Рейтинг сообщений: 206
Зарегистрирован: Чт ноя 26, 2009 11:16:50
Сообщений: 6015
Откуда: Москва
Рейтинг сообщения: 0
На транзисторах одинаковой проводимости прекрасно можно собрать схему с мигающим светодиодом - симметричный мультивибратор.

Он описан в обучалке Радиокота
http://www.radiokot.ru/start/analog/practice/04/

Лично мне светодиод (или динамик, если это пищалка) нравится подключать отдельным третьим ключевым транзистором.


Вернуться наверх
 
 Заголовок сообщения: Re: Моргало светодиодное
СообщениеДобавлено: Пт апр 09, 2010 06:29:03 
Модератор
Аватар пользователя

Карма: 162
Рейтинг сообщений: 2448
Зарегистрирован: Пн июл 07, 2008 10:46:09
Сообщений: 10739
Откуда: Россия
Рейтинг сообщения: 0
SmarTrunk писал(а):
На транзисторах одинаковой проводимости прекрасно можно собрать схему с мигающим светодиодом - симметричный мультивибратор. Даже странно, если этой схемы нет в обучалке Радиокота.

Почему же нет? Есть http://radiokot.ru/start/analog/practice/04/
Но тема эта по другой статье, а именно про Моргало светодиодное

_________________
Если хотите, чтобы жизнь улыбалась вам, подарите ей своё хорошее настроение


Вернуться наверх
 
Эиком - электронные компоненты и радиодетали
 Заголовок сообщения: Re: Моргало светодиодное
СообщениеДобавлено: Сб апр 10, 2010 06:32:48 
Первый раз сказал Мяу!
Аватар пользователя

Зарегистрирован: Вт мар 30, 2010 16:04:00
Сообщений: 22
Откуда: п.Новомихайловский, Туапсинский район, Краснодарский край.
Рейтинг сообщения: 0
спасибо, все понял. просто когда искал цоколевку своих транзисторов наткнулся на сообщение, что КТ361 и КТ315-абсолютно одно и то же.

_________________
Я Чеширский кошак! А ты?
вот тест:
http://www.aeterna.ru/test.php?link=tes ... 00EI000002
пройди и узнай какой из тебя кошак!!!


Вернуться наверх
 
 Заголовок сообщения: Re: Моргало светодиодное
СообщениеДобавлено: Сб апр 10, 2010 07:02:48 
Модератор
Аватар пользователя

Карма: 162
Рейтинг сообщений: 2448
Зарегистрирован: Пн июл 07, 2008 10:46:09
Сообщений: 10739
Откуда: Россия
Рейтинг сообщения: 0
Почти...кроме проводимости :))

_________________
Если хотите, чтобы жизнь улыбалась вам, подарите ей своё хорошее настроение


Вернуться наверх
 
 Заголовок сообщения: Re: Моргало светодиодное
СообщениеДобавлено: Вс янв 09, 2011 04:03:03 
Родился

Зарегистрирован: Чт сен 16, 2010 23:14:35
Сообщений: 17
Рейтинг сообщения: 0
все компоненты собрал,кроме кт361, не найти, чем заменить можно?


Вернуться наверх
 
 Заголовок сообщения: Re: Моргало светодиодное
СообщениеДобавлено: Вс янв 09, 2011 10:31:16 
Модератор
Аватар пользователя

Карма: 162
Рейтинг сообщений: 2448
Зарегистрирован: Пн июл 07, 2008 10:46:09
Сообщений: 10739
Откуда: Россия
Рейтинг сообщения: 0
КТ3107 или практически любым маломощным кремниевым p-n-p транзистором

_________________
Если хотите, чтобы жизнь улыбалась вам, подарите ей своё хорошее настроение


Вернуться наверх
 
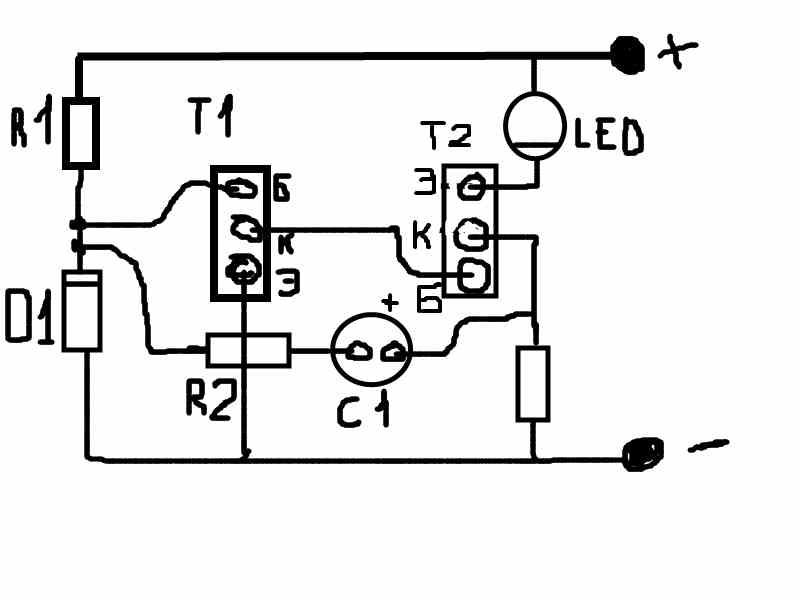
 Заголовок сообщения: Моргало светодиодное - разбор и перерасчет
СообщениеДобавлено: Ср янв 25, 2012 17:38:19 
Встал на лапы
Аватар пользователя

Зарегистрирован: Сб янв 21, 2012 14:42:08
Сообщений: 92
Откуда: Украина, Днепропетровск
Рейтинг сообщения: 0
Схема

Добрый день Нужно собрать схему, для питания от 5 Вольт. Источник питания - обычная зарядка от Nokia, подключенная в розетку. Мы так делали усилитель.

Подскажите как пересчитать номиналы элементов(формулы,примеры, а я буду считать), и какой светодиод лучше взять для опыта :shock: Спасибо.





Тема дубль, да еще не в том разделе.
Сюда перенес.

aen


Вернуться наверх
 
 Заголовок сообщения: Re: Моргало светодиодное - разбор и перерасчет
СообщениеДобавлено: Пн янв 30, 2012 08:58:48 
Открыл глаза
Аватар пользователя

Карма: 1
Рейтинг сообщений: 2
Зарегистрирован: Пт окт 01, 2010 08:52:47
Сообщений: 62
Рейтинг сообщения: 0
Я думаю никто не мешает Вам собрать на элементах для 6В(в табличке), и посмотреть что получится. В этом же должен быть какой-то интерес :)

_________________
Тяжел наш меч, да не дрогнет рука.

Изображение


Вернуться наверх
 
 Заголовок сообщения: Re: Моргало светодиодное
СообщениеДобавлено: Пн янв 30, 2012 14:28:10 
Встал на лапы
Аватар пользователя

Зарегистрирован: Сб янв 21, 2012 14:42:08
Сообщений: 92
Откуда: Украина, Днепропетровск
Рейтинг сообщения: 0
Советских транзисторов и диода не удалось найти, какие аналоги из зарубежных можно использовать? :shock:


Вернуться наверх
 
 Заголовок сообщения: Re: Моргало светодиодное
СообщениеДобавлено: Пн янв 30, 2012 16:27:28 
Открыл глаза
Аватар пользователя

Карма: 1
Рейтинг сообщений: 2
Зарегистрирован: Пт окт 01, 2010 08:52:47
Сообщений: 62
Рейтинг сообщения: 0
Лысый писал(а):
Советских транзисторов и диода не удалось найти, какие аналоги из зарубежных можно использовать? :shock:

Кт315 - BC547
Кт361 - BC557

КД509 аналог вроде 1N4148, но я не стал искать и поставил 1N4007.

_________________
Тяжел наш меч, да не дрогнет рука.

Изображение


Вернуться наверх
 
 Заголовок сообщения: Re: Моргало светодиодное
СообщениеДобавлено: Пн янв 30, 2012 16:44:26 
Встал на лапы
Аватар пользователя

Зарегистрирован: Сб янв 21, 2012 14:42:08
Сообщений: 92
Откуда: Украина, Днепропетровск
Рейтинг сообщения: 0
fsb, а не подскажите к этой схеме зарубежные транзисторы? Спасибо.


Вернуться наверх
 
 Заголовок сообщения: Re: Моргало светодиодное
СообщениеДобавлено: Пн янв 30, 2012 22:41:52 
Открыл глаза
Аватар пользователя

Карма: 1
Рейтинг сообщений: 2
Зарегистрирован: Пт окт 01, 2010 08:52:47
Сообщений: 62
Рейтинг сообщения: 0
Лысый писал(а):
fsb, а не подскажите к этой схеме зарубежные транзисторы? Спасибо.


VT1 возьмите такой же BC547, а VT2 - написано любой мощный, попробуйте взять MJE2955T.

_________________
Тяжел наш меч, да не дрогнет рука.

Изображение


Вернуться наверх
 
 Заголовок сообщения: Re: Моргало светодиодное
СообщениеДобавлено: Вт янв 31, 2012 00:34:22 
Встал на лапы
Аватар пользователя

Зарегистрирован: Сб янв 21, 2012 14:42:08
Сообщений: 92
Откуда: Украина, Днепропетровск
Рейтинг сообщения: 0
fsb, спасибо

Транзисторы буду использовать : VT1 - BC547,2SC945, VT2 - 2SA1015

Пойдет? :shock:


Вернуться наверх
 
 Заголовок сообщения: Re: Моргало светодиодное
СообщениеДобавлено: Вт янв 31, 2012 22:23:42 
Встал на лапы
Аватар пользователя

Зарегистрирован: Сб янв 21, 2012 14:42:08
Сообщений: 92
Откуда: Украина, Днепропетровск
Рейтинг сообщения: 0
:? а можете еще показать как выглядит схема ПП, а то у меня беда случилась - вечером модем накрылся, а я через телефон - файл не прикреплю,для того что бы спросить - так или не так :shock: Спасибо


Вернуться наверх
 
 Заголовок сообщения: Re: Моргало светодиодное
СообщениеДобавлено: Ср фев 01, 2012 09:24:45 
Открыл глаза
Аватар пользователя

Карма: 1
Рейтинг сообщений: 2
Зарегистрирован: Пт окт 01, 2010 08:52:47
Сообщений: 62
Рейтинг сообщения: 0
Лысый писал(а):
fsb, спасибо
Транзисторы буду использовать : VT1 - BC547,2SC945, VT2 - 2SA1015
Пойдет? :shock:


Да, должно подойти.

Лысый писал(а):
:? а можете еще показать как выглядит схема ПП, а то у меня беда случилась - вечером модем накрылся, а я через телефон - файл не прикреплю,для того что бы спросить - так или не так :shock: Спасибо


Печатная плата в смысле? я накидал за 3 минуты, но для советских транзисторов. Если у зарубежных другая цоклевка тразисторов(я подписал), то нужно будет переделать.


Вложения:
chem.jpg [26.28 KiB]
Скачиваний: 523

_________________
Тяжел наш меч, да не дрогнет рука.

Изображение
Вернуться наверх
 
 Заголовок сообщения: Re: Моргало светодиодное
СообщениеДобавлено: Ср фев 01, 2012 12:18:04 
Встал на лапы
Аватар пользователя

Зарегистрирован: Сб янв 21, 2012 14:42:08
Сообщений: 92
Откуда: Украина, Днепропетровск
Рейтинг сообщения: 0
Спасибо, я понял :)) если что думаю сам переделаю :)) А можете ткнуть пальцем на то,как делать чертежи печатной платы(дорожек)? Допустим есть принципиальная схема - нужно дорожки сделать - как? что-то в этом роде :))


Вернуться наверх
 
 Заголовок сообщения: Re: Моргало светодиодное
СообщениеДобавлено: Ср фев 01, 2012 12:54:06 
Открыл глаза
Аватар пользователя

Карма: 1
Рейтинг сообщений: 2
Зарегистрирован: Пт окт 01, 2010 08:52:47
Сообщений: 62
Рейтинг сообщения: 0
Качайте программку
http://depositfiles.com/files/i6ex16l26

И вот здесь очень хорошо расписано как в ней чертить:
http://easyelectronics.ru/sprint-layout ... dstvo.html

_________________
Тяжел наш меч, да не дрогнет рука.

Изображение


Вернуться наверх
 
 Заголовок сообщения: Re: Моргало светодиодное
СообщениеДобавлено: Ср фев 01, 2012 13:04:11 
Открыл глаза
Аватар пользователя

Карма: 1
Рейтинг сообщений: 2
Зарегистрирован: Пт окт 01, 2010 08:52:47
Сообщений: 62
Рейтинг сообщения: 0
А я понял, Вам нужен принцип построения. Ну я обычно рисую основные элементы(микросхемы, тразисторы, разъёмы), если их несколько, то соединяю сначала между собой, а потом уже весь обвес в виде резисторов конденсаторов и т.п. дорисовываю "как получится", стараясь не пересекать дорожки(в таком случае ставится перемычка, мостик через дорожку).

А программку всё равно освойте.

_________________
Тяжел наш меч, да не дрогнет рука.

Изображение


Вернуться наверх
 
Показать сообщения за:  Сортировать по:  Вернуться наверх
Начать новую тему Ответить на тему  [ Сообщений: 65 ]    , 2, ,  

Часовой пояс: UTC + 3 часа


Вы не можете начинать темы
Вы не можете отвечать на сообщения
Вы не можете редактировать свои сообщения
Вы не можете удалять свои сообщения
Вы не можете добавлять вложения

Найти:
Перейти:  


Powered by phpBB © 2000, 2002, 2005, 2007 phpBB Group
Русская поддержка phpBB
Extended by Karma MOD © 2007—2012 m157y
Extended by Topic Tags MOD © 2012 m157y