Например TDA7294

Форум РадиоКот • Просмотр темы - Программируемый на неделю комнатный термостат.
Форум РадиоКот
Здесь можно немножко помяукать :)

Текущее время: Вс мар 01, 2026 01:08:14

Часовой пояс: UTC + 3 часа


ПРЯМО СЕЙЧАС:



Начать новую тему Ответить на тему  [ Сообщений: 510 ]    , 2, , , ...  
Автор Сообщение
 Заголовок сообщения:
СообщениеДобавлено: Вт дек 29, 2009 23:41:50 
Опытный кот
Аватар пользователя

Карма: 3
Рейтинг сообщений: 3
Зарегистрирован: Вс апр 13, 2008 15:09:58
Сообщений: 871
Откуда: Приднестровье
Рейтинг сообщения: 0
Игорь Владимирович можно вопрос не совсем в тему: Вы программу для этого термостата сами писали? Если да, то не могли бы подсказать как вы смотрите на разработку собственной управляющей платы котла на замену штатной? Дело в том, что много котлов умирают по причине выхода из строя платы с микроконтроллером/памятью, и приходится покупать отдельно платы, цена которых составляет до половины стоимости котла, но их ещё и очень не легко достать. Тут на форуме человек выкладывал пробный вариант для подобных котлов, но как-то тема замялась и автор пропал, так и не прояснив всё до конца. Было бы замечательно, если бы была плата - замена заводской, и ещё и с ЖКИ индикатором. можете прошивочку платной сделать. Я думаю, что это дело будет пользоваться большим спросом.

_________________
Ковчег сделал обычный человек, а "Титаник" - учёные...


Вернуться наверх
 
 Заголовок сообщения:
СообщениеДобавлено: Ср дек 30, 2009 22:46:43 
Открыл глаза
Аватар пользователя

Карма: 3
Рейтинг сообщений: 0
Зарегистрирован: Сб дек 12, 2009 00:49:45
Сообщений: 76
Откуда: Украина, г. Житомир
Рейтинг сообщения: 0
Цитата:
Игорь Владимирович можно вопрос не совсем в тему: Вы программу для этого термостата сами писали? Если да, то не могли бы подсказать как вы смотрите на разработку собственной управляющей платы котла на замену штатной? Дело в том, что много котлов умирают по причине выхода из строя платы с микроконтроллером/памятью, и приходится покупать отдельно платы, цена которых составляет до половины стоимости котла, но их ещё и очень не легко достать. Тут на форуме человек выкладывал пробный вариант для подобных котлов, но как-то тема замялась и автор пропал, так и не прояснив всё до конца. Было бы замечательно, если бы была плата - замена заводской, и ещё и с ЖКИ индикатором. можете прошивочку платной сделать. Я думаю, что это дело будет пользоваться большим спросом.


Программу для этого устройства писал лично я.

А теперь насчет платы управления котлом:
Сделать такую плату конечно можно, но полностью универсальной ее сделать невозможно. Если только механическую часть котла сделать также самостоятельно.
Дело в том, что все котлы вроде как и одинаковые, да не совсем. Некоторые регулируют по температурам подачи и обратки, не имея отдельных датчиков температуры на горячую воду, а некоторые наоборот, смотрят только по температуре на выходе горячей воды и подающей магистрали. У некоторых газовый клапан модулируемый (кроме открытия и закрытия регулирует давление на выходных форсунках с помощью изменения напряжения на модул. катушке в диапазоне 0...24В).
Котел может быть с открытой и закрытой камерой сгорания. И в конце концов все датчики имеют собственные характеристики.

Довольно сложным является узел контроля наличия пламени (у всех современных котлов поголовно это электрод ионизации, а контроль наличия пламени основан на явлении прохождения микротоков через пламя при подаче напряжения порядка 100В), хотя в принципе можно содрать с какой-то серийной платы.

И вообще котел - это вещь довольно опасная, а его надо оставлять включеным при отсутствии кого-либо дома, и в случае какого-то сбоя в управляющей плате из-за какой-то ошибки в программе, которая не была выявлена на этапе отладки, можно лишиться всего своего имущества из-за пожара, а это уже печально :cry:
Да и автора наверное вспомнят незлым тихим словом...

Такого сбоя, правда, в фирменных платах управления, который привел к пожару ну или там к самовольному включению горелки, я на своей практике еще не встречал. И это не удивительно, так как в нее заложено програмно и схемно больше функций безопасности, чем самих функций для отопления и горячего водоснабжения (самодиагностика, дублирование защит например по перегреву, когда в случае выхода из строя датчика температуры его характеристика смещается. Дойдя до аварийной температуры термостатичный элемент разомкнет цепь питания котла либо сообщит таким образом о неисправности основной плате).

И вообще есть еще такие конторы как: котлонадзор, охрана труда, газконтора. Эти организации вряд ли будут за установку такой несертифицированой по безопасности платы в вашем котле. Ну это если конечно кто-то из них об этом узнает.

В общем разработкой такой платы я заниматься скорей всего не буду.

P.S.
Я, к стати, занимаюсь ремонтом плат для котлов, поэтому можете обращаться, если смогу - то помогу.


Вернуться наверх
 
 Заголовок сообщения:
СообщениеДобавлено: Ср дек 30, 2009 23:08:56 
Вымогатель припоя
Аватар пользователя

Карма: 1
Рейтинг сообщений: 44
Зарегистрирован: Пн окт 06, 2008 19:47:07
Сообщений: 596
Откуда: Донбасс. г. Луганск
Рейтинг сообщения: 0
Меня интересует это дело.
Котел работает пока нормально
herman MIKRA 2
датчик давления воды в системе правда выделывался через 2 года.
Промыл уксусом как посоветовали и помогло.
А вот за платку боюсь тоже бывают и глюки в сети(и отсекатель не поможет), дофига всетаки стоит новая , да и неисправности бывают плевые как почитал на спецфорумах, но вот схемки некто негде так и не дал :(, может у вас есть, или посоветуете где просветится по этой модели
вот тут обсуждали подобное, но автор исчез :(
http://radiokot.ru/forum/viewtopic.php?p=164463#164463


Вернуться наверх
 
 Заголовок сообщения:
СообщениеДобавлено: Ср дек 30, 2009 23:29:06 
Открыл глаза
Аватар пользователя

Карма: 3
Рейтинг сообщений: 0
Зарегистрирован: Сб дек 12, 2009 00:49:45
Сообщений: 76
Откуда: Украина, г. Житомир
Рейтинг сообщения: 0
По herman MIKRA 2 к сожалению ничего не имею :(
Мне тоже часто приходиться работать без какой-либо схемы. Тогда рисую узел, где скорей всего находиться поломка, думаю, меряю, устраняю.


Вернуться наверх
 
Эиком - электронные компоненты и радиодетали
 Заголовок сообщения:
СообщениеДобавлено: Ср дек 30, 2009 23:40:08 
Вымогатель припоя
Аватар пользователя

Карма: 1
Рейтинг сообщений: 44
Зарегистрирован: Пн окт 06, 2008 19:47:07
Сообщений: 596
Откуда: Донбасс. г. Луганск
Рейтинг сообщения: 0
Это да, как и в любой буржуйской технике...
Но там контроллер и если навернется то ни какими измерениями не победить :)
Вот поэтому люди и пытаются найти альтернативу, ну и конечнож чтоб прошивку писал не просто обычный програмер, а человек который хорошо разбирается в алгоритме работы котла.


Вернуться наверх
 
 Заголовок сообщения:
СообщениеДобавлено: Ср дек 30, 2009 23:49:59 
Вымогатель припоя
Аватар пользователя

Карма: 1
Рейтинг сообщений: 44
Зарегистрирован: Пн окт 06, 2008 19:47:07
Сообщений: 596
Откуда: Донбасс. г. Луганск
Рейтинг сообщения: 0
Не в тему конечно , сразу извиняюсь....
Наши сервисы работают по принципу - пришел, увидел, обманул :)))
приходит ко мне мастер (котел был еще на гарантии). У меня тогда датчик давления воды выделывался. Ковырнул его иголочкой (причем моей :))) ) , содрал бабки за вызов и пошел довольным.....Датчик новый наверное себе списал....
После этого я его на гарантию не ставил, я и сам могу открутить и иголкой ковырнуть. Да и не только это....


Вернуться наверх
 
 Заголовок сообщения:
СообщениеДобавлено: Ср дек 30, 2009 23:55:25 
Открыл глаза
Аватар пользователя

Карма: 3
Рейтинг сообщений: 0
Зарегистрирован: Сб дек 12, 2009 00:49:45
Сообщений: 76
Откуда: Украина, г. Житомир
Рейтинг сообщения: 0
На своей практике ниразу не видел, чтобы вылетел контроллер в плате. А написание программы самостоятьльно, не зная всех особенностей, которые заложил туда производители, - чревато...

Ну да ладно, писать конечно можно, я собственно не против, конечно же на условиях "если что сгорело, я не виноват", но это куча времени и т.д., и то, не понятно, к какому котлу надо будет эту плату прикрутить. Надо как-то конкретнее.

И чаще всего причину надо искать где-то в другом узле, а лепить свой контроллер - крайность. Как вариант можно договориться с наладочной службой на приобретение у них лично аналогичной вашей сгоревшей платы по чисто символической цене, открутить оттуда МК и поставить на место сгоревшего.

У меня на практике встречались платы, в которые била молния по линии питания. Дорожки выгорали, емкости на 600В разрывались, а МК работает.


Вернуться наверх
 
 Заголовок сообщения:
СообщениеДобавлено: Ср дек 30, 2009 23:57:52 
Открыл глаза
Аватар пользователя

Карма: 3
Рейтинг сообщений: 0
Зарегистрирован: Сб дек 12, 2009 00:49:45
Сообщений: 76
Откуда: Украина, г. Житомир
Рейтинг сообщения: 0
Цитата:
Не в тему конечно , сразу извиняюсь....
Наши сервисы работают по принципу - пришел, увидел, обманул
приходит ко мне мастер (котел был еще на гарантии). У меня тогда датчик давления воды выделывался. Ковырнул его иголочкой (причем моей ) , содрал бабки за вызов и пошел довольным.....Датчик новый наверное себе списал....
После этого я его на гарантию не ставил, я и сам могу открутить и иголкой ковырнуть. Да и не только это....


И не такое бывает...


Вернуться наверх
 
 Заголовок сообщения:
СообщениеДобавлено: Чт дек 31, 2009 00:08:35 
Вымогатель припоя
Аватар пользователя

Карма: 1
Рейтинг сообщений: 44
Зарегистрирован: Пн окт 06, 2008 19:47:07
Сообщений: 596
Откуда: Донбасс. г. Луганск
Рейтинг сообщения: 0
Сейчас непонятно что такое доступная цена, или по дешовке, сервисы охренели и это факт.
Мне предлогали продлить мою гарантию всего лиш за 400гр :) , с условием что там нечего не поломано. Тоесть чувак прийдет просто поглядит и ему 400гр. А если ему будет воще делать нечего то он еще найдет пару неисправностей которые конечнож нужно будет починить до постановки на гарантию :)))
Датчик который у меня глючил - водяной пресостат XP600 , стоит с рук в сервисе 300гр :))) (конечно я его не купил это не самая главная деталь и не кому кроме меня не навредит :wink: )


Вернуться наверх
 
 Заголовок сообщения:
СообщениеДобавлено: Чт дек 31, 2009 01:07:25 
Опытный кот
Аватар пользователя

Карма: 3
Рейтинг сообщений: 3
Зарегистрирован: Вс апр 13, 2008 15:09:58
Сообщений: 871
Откуда: Приднестровье
Рейтинг сообщения: 0
Ув. Игорь Владимирович, большое спасибо что откликаетесь.
Теперь по делу: На счёт купи - продай - это действует в достаточно больших городах. Конторы по ремонту современных газовых котлов редко встречаются. У меня, например, в республике такого сервиса нет, есть магазины торгующие деталями для некоторых типов котлов, но деталей очень мало, и мало что можно привезти на заказ. А если и привезти, то стоит - :o (менял на своём аристоне суппорт трёх входового крана - цена 60$ и ждал неделю; Крышка крана с сальником - 15$)
А сейчас случай расскажу, после которого, я ни одного мастера не подпускаю к своему котлу: есть старые типы котлов Mora, там управление самое простое - одной ручкой регулятора и переключатель "Зима-лето". Все защиты завязаны на соединённых последовательно предохранительных термостатах, которые, в случае чего, размыкают цепь питания котла. Плата была собрана на МК семейства PIC, который управлял слабенькими тиристорами без всякой развязки. Питание платы - безтрансформаторный выпрямитель. модлятор управлялся постоянным напряжением 220в. Насос также управлялся через симистор (всё в корпусе ТО-92). В один прекрасный момент в котле сгорели предохранители. Люди вызывают мастера из горгаза. Приезжает это мастер, чтоб его.... и думая, что заменив предохранитель сорвёт хороши куш. Вставляет новый предохранитель, естественно большего номинала (чтобы больше не сгорал); ну и тут грянула яркая вспышка, повалил дым. Мастер, испугавшись, сказал что у котла нет заземления, собрал манатки и быстро смылся, не взяв ни какой платы даже на проезд.
Тогда меня попросили посмотреть этот котёл, и, когда я людям объяснил что да как, они очень долго матюкались. Я сказал что плату придётся выкинуть, т.к. МК сгорел, а вместе с ним и программа. Дело было к зиме и поиски платы затянулись на 2 месяца. Пришлось специально ехать и искать в Кишинёве конторы которые продавали платы.
А в котле изначально сгорел выпрямитель на модуляторе. Так что вот такие у нас мастера обитают...
Что касается универсальности: На счёт алгоритмов измерения температуры - это вы правы, но может ка-то попробовать сделать 2 варианта, или один, но с перемычками.
Последние модели, что я видел, почти все идут с управлением модулятора на 24в.
С закрытой/открытой камерой сгорания тоже можно выкрутиться: в закрытой камере стоит преостат который замыкается при включении вентилятора. В открытой - на оборот - в случае аварии, термостат размыкается => нужно поставить перемычку, которая программно инвертировала бы сигналы датчиков, а выход на управление вентиляторам сделать используемым по надобности.
Есть ещё загвоздка в датчиках протока ХВС - у одних - просто вкл/выкл, у других - таходатчик.
иногда устанавливают преостаты на систему отопления. На плате их тоже можно заменить перемычкой.
Ну и завязать ещё некоторые защиты. В обев как-то так. Я в программировании не смыслю, по этому не могу судить на сколько всё сложно это реализовать в программе, но думаю, что возможно.
С Новым Годом!!!!

_________________
Ковчег сделал обычный человек, а "Титаник" - учёные...


Вернуться наверх
 
 Заголовок сообщения:
СообщениеДобавлено: Сб янв 02, 2010 08:24:03 
Родился
Аватар пользователя

Зарегистрирован: Сб янв 02, 2010 08:18:26
Сообщений: 17
Откуда: Симферополь, Крым
Рейтинг сообщения: 0
Здравствуйте. Собрал сие устройство, а на дисплее 1W ERROR! Подскажите, пожалуйста, что означает эта ошибка? Заранее благодарю :)


Вернуться наверх
 
 Заголовок сообщения:
СообщениеДобавлено: Сб янв 02, 2010 08:44:22 
Ошибка на линии 1-wire - наверно неправильно датчик читается.

Дайте линк на статью.


Вернуться наверх
   
 
 Заголовок сообщения:
СообщениеДобавлено: Сб янв 02, 2010 08:57:30 
Родился
Аватар пользователя

Зарегистрирован: Сб янв 02, 2010 08:18:26
Сообщений: 17
Откуда: Симферополь, Крым
Рейтинг сообщения: 0
http://radiokot.ru/circuit/digital/home/53/


Вернуться наверх
 
 Заголовок сообщения:
СообщениеДобавлено: Вс янв 03, 2010 10:48:34 
Открыл глаза
Аватар пользователя

Карма: 3
Рейтинг сообщений: 0
Зарегистрирован: Сб дек 12, 2009 00:49:45
Сообщений: 76
Откуда: Украина, г. Житомир
Рейтинг сообщения: 0
Цитата:
Здравствуйте. Собрал сие устройство, а на дисплее 1W ERROR! Подскажите, пожалуйста, что означает эта ошибка? Заранее благодарю


Это действительно ошибка датчика температуры. Проверьте соединение провода, наличие на нем питания, полярность и наличие подтягивающего резистора. Не исключено, что и датчик отработал свое при неправильном подключении.

К стати, я не выложил прошивку фуз битов. Исправляюсь...


Вложения:
Комментарий к файлу: CV AVR fuze bits
1.PNG [32.08 KiB]
Скачиваний: 2481
Вернуться наверх
 
 Заголовок сообщения:
СообщениеДобавлено: Вс янв 03, 2010 21:08:57 
Родился
Аватар пользователя

Зарегистрирован: Сб янв 02, 2010 08:18:26
Сообщений: 17
Откуда: Симферополь, Крым
Рейтинг сообщения: 0
Ну вот , теперь всё заработало! Датчик оказался исправным, прошивка фуз помогла. Спасибо!!! :))


Вернуться наверх
 
 Заголовок сообщения:
СообщениеДобавлено: Вс янв 03, 2010 23:47:52 
Опытный кот
Аватар пользователя

Карма: 3
Рейтинг сообщений: 3
Зарегистрирован: Вс апр 13, 2008 15:09:58
Сообщений: 871
Откуда: Приднестровье
Рейтинг сообщения: 0
Печаткой не поделитесь, или тоже делали на монтажке?

_________________
Ковчег сделал обычный человек, а "Титаник" - учёные...


Вернуться наверх
 
 Заголовок сообщения:
СообщениеДобавлено: Пн янв 04, 2010 00:00:55 
Родился
Аватар пользователя

Зарегистрирован: Сб янв 02, 2010 08:18:26
Сообщений: 17
Откуда: Симферополь, Крым
Рейтинг сообщения: 0
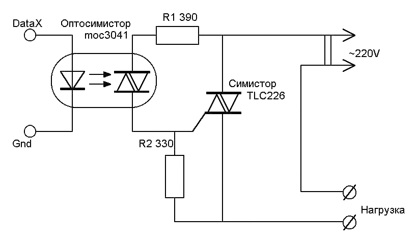
Это первая моя схема, собранная на микроконтроллере. Опыта прошивания и программирования нет. Прошивал МК друг. Я это устройство хочу применить для управление камином. Хотел реализовать подключение через оптосимистор и симистор (схему подключения прикрепляю к сообщению). Но выход с МК идёт импульсом. Можно ли изменить прошивку, чтобы при нагреве на выходе МК было постоянное напряжение, а когда температура в комнате достигала установленного значения, напряжение на выходе МК исчезало. Заранее благодарю.


Вложения:
Комментарий к файлу: Подключение нагрузки через симистор.
02.gif [15.12 KiB]
Скачиваний: 1805
Вернуться наверх
 
 Заголовок сообщения:
СообщениеДобавлено: Пн янв 04, 2010 00:07:05 
Родился
Аватар пользователя

Зарегистрирован: Сб янв 02, 2010 08:18:26
Сообщений: 17
Откуда: Симферополь, Крым
Рейтинг сообщения: 0
Димон писал(а):
Печаткой не поделитесь, или тоже делали на монтажке?

Делал на печатке, но там отсутствует реле и ключи - транзисторы, так как изначально задумывал коммутацию на симисторе делать. Ну и нет многих подписей )))


Вложения:
Комментарий к файлу: Печатка
.lay [63.87 KiB]
Скачиваний: 1421
Вернуться наверх
 
 Заголовок сообщения:
СообщениеДобавлено: Пн янв 04, 2010 00:59:56 
Опытный кот
Аватар пользователя

Карма: 3
Рейтинг сообщений: 3
Зарегистрирован: Вс апр 13, 2008 15:09:58
Сообщений: 871
Откуда: Приднестровье
Рейтинг сообщения: 0
Спасибо большое. Самое главное - это основа. А там, если что, то подправлю под себя

_________________
Ковчег сделал обычный человек, а "Титаник" - учёные...


Вернуться наверх
 
 Заголовок сообщения:
СообщениеДобавлено: Пн янв 04, 2010 16:19:24 
Открыл глаза
Аватар пользователя

Карма: 3
Рейтинг сообщений: 0
Зарегистрирован: Сб дек 12, 2009 00:49:45
Сообщений: 76
Откуда: Украина, г. Житомир
Рейтинг сообщения: 0
Цитата:
Можно ли изменить прошивку, чтобы при нагреве на выходе МК было постоянное напряжение, а когда температура в комнате достигала установленного значения, напряжение на выходе МК исчезало. Заранее благодарю.


Конечно можно. Я согласен, что при монтировании на стену и питании от стационарного источника, использовать импульсное реле, как в моей изначальной схеме, не нужно. Просто другого 5-вольтового реле у меня не нашлось, а бежать и покупать в магазин ну очень не хотелося.

Я как то займусь на днях этим вопросом. Сигнал выведу на какой-нибудь вывод, а распоряжаться им будете уже сами. Либо подключайте обыкновенное реле через транзисторную развязку в разрыв вашего источника, либо ставьте какой-нибудь оптосимистор типа MOC XXXX в паре с силовым симистором типа BTA XX по стандартной схеме включения.

Ждите, хотя можете и попробовать править исходник самостоятельно, там вроде все неплохо закомментировано... :))


Вернуться наверх
 
Показать сообщения за:  Сортировать по:  Вернуться наверх
Начать новую тему Ответить на тему  [ Сообщений: 510 ]    , 2, , , ...  

Часовой пояс: UTC + 3 часа


Вы не можете начинать темы
Вы не можете отвечать на сообщения
Вы не можете редактировать свои сообщения
Вы не можете удалять свои сообщения
Вы не можете добавлять вложения

Найти:
Перейти:  


Powered by phpBB © 2000, 2002, 2005, 2007 phpBB Group
Русская поддержка phpBB
Extended by Karma MOD © 2007—2012 m157y
Extended by Topic Tags MOD © 2012 m157y