Например TDA7294

Форум РадиоКот • Просмотр темы - Контроллер USB-DMX uDMX
Форум РадиоКот
Здесь можно немножко помяукать :)

Текущее время: Пт янв 09, 2026 19:09:36

Часовой пояс: UTC + 3 часа


ПРЯМО СЕЙЧАС:



Начать новую тему Ответить на тему  [ Сообщений: 41 ]    , 2,  
Автор Сообщение
Не в сети
 Заголовок сообщения: Re: Контроллер USB-DMX uDMX
СообщениеДобавлено: Пт ноя 21, 2014 22:03:05 
Родился

Зарегистрирован: Пт фев 22, 2013 15:02:27
Сообщений: 7
Рейтинг сообщения: 0
Привет :solder: ! Пришли 2 led фонаря из Китая с DMX. Есть на чём проверить. При дальнейшем тестирование в Freestyler обнаружил что выводы DMX 2-3 нужно поменять местами. Также есть одна ошибочка резистор 1,5К нужно подключить перед сопротивлением 68 Ом. Устройство стало стабильней определятся при уменьшение кондёров на кварце по 15пФ. Светодиоды лучше посадить на +3.3V так наглядней работа. Вот доработанная плата.


Вложения:
uDMX512 tqfp32.rar [14.21 KiB]
Скачиваний: 633
Вернуться наверх
 
Не в сети
 Заголовок сообщения: Re: Контроллер USB-DMX uDMX
СообщениеДобавлено: Сб ноя 22, 2014 23:37:08 
Родился

Зарегистрирован: Ср ноя 05, 2014 10:05:55
Сообщений: 4
Рейтинг сообщения: 0
LAVLEX
Можешь в своей плате подписать номиналы элементов где какой?
Я свою ещё не запустил допрошивался так, что теперь надо параллельный программатор))


Вернуться наверх
 
Не в сети
 Заголовок сообщения: Re: Контроллер USB-DMX uDMX
СообщениеДобавлено: Вс ноя 23, 2014 14:01:56 
Родился

Зарегистрирован: Пт фев 22, 2013 15:02:27
Сообщений: 7
Рейтинг сообщения: 0
Вот плата с номиналами.


Вложения:
uDMX512 tqfp32 детали.rar [18.33 KiB]
Скачиваний: 625
Вернуться наверх
 
Не в сети
 Заголовок сообщения: Re: Контроллер USB-DMX uDMX
СообщениеДобавлено: Вт дек 02, 2014 11:35:28 
Родился

Зарегистрирован: Ср ноя 05, 2014 10:05:55
Сообщений: 4
Рейтинг сообщения: 0
LAVLEX Спасибо!
У тебя один резистор не подписаный под кондёром 10mF с право от кварца. Какой номинал?
А LD33 это ID1117?


Вернуться наверх
 
Эиком - электронные компоненты и радиодетали
Не в сети
 Заголовок сообщения: Re: Контроллер USB-DMX uDMX
СообщениеДобавлено: Чт дек 04, 2014 13:56:54 
Родился

Зарегистрирован: Пт фев 22, 2013 15:02:27
Сообщений: 7
Рейтинг сообщения: 0
Это не резистор, а конденсатор 0,1mF будет не лишним. Да 1117 стабилизатор на 3.3V.


Вернуться наверх
 
Не в сети
 Заголовок сообщения: Re: Контроллер USB-DMX uDMX
СообщениеДобавлено: Пн дек 08, 2014 01:07:05 
Открыл глаза
Аватар пользователя

Карма: 10
Рейтинг сообщений: 24
Зарегистрирован: Вт июн 16, 2009 20:41:21
Сообщений: 78
Откуда: Kyiv
Рейтинг сообщения: 0
Мяу! Вопрос: а исходники софта uDMX у кого-нибудь есть? Или в общих чертах алгоритм работы? Как софт, например, тот же Фристайлер, эту железяку идентифицирует?

Разбирать атмеловскую прошивку влом, не такой я знаток ихнего ассемблера. А контроллер дороговат, как и PIC с юсбейником. Хочу вместо него дешёвенький STM подкинуть.


Вернуться наверх
 
Не в сети
 Заголовок сообщения: Re: Контроллер USB-DMX uDMX
СообщениеДобавлено: Пн дек 08, 2014 15:39:13 
Родился

Зарегистрирован: Ср ноя 05, 2014 10:05:55
Сообщений: 4
Рейтинг сообщения: 0
Тут есть кое что

http://www.microchip.su/showthread.php?t=16810

http://www.anyma.ch/research/udmx/

http://bvf.ru/forum/showthread.php?t=978354


Вернуться наверх
 
Не в сети
 Заголовок сообщения: Re: Контроллер USB-DMX uDMX
СообщениеДобавлено: Ср дек 10, 2014 00:12:49 
Открыл глаза
Аватар пользователя

Карма: 10
Рейтинг сообщений: 24
Зарегистрирован: Вт июн 16, 2009 20:41:21
Сообщений: 78
Откуда: Kyiv
Рейтинг сообщения: 0
Спасибо!

Т.е. насколько я понял, USB здесь применяется только в качестве переходника USB - UART? А прога нанюхивает созданный драйвером виртуальный СОМ-порт?


Вернуться наверх
 
Не в сети
 Заголовок сообщения: Re: Контроллер USB-DMX uDMX
СообщениеДобавлено: Вт янв 19, 2016 22:19:46 
Встал на лапы
Аватар пользователя

Карма: 7
Рейтинг сообщений: 2
Зарегистрирован: Пт фев 22, 2013 15:25:00
Сообщений: 95
Откуда: Украина, Кировоград
Рейтинг сообщения: 0
Насколько я понял то девайс работает не как транслятор уарта. Там нечто другое. Посмотри как работает usbasp программатор. Принцип то же самый, только драйвер другое имя дает девайсу. (Зачем городить целый мк для уарта?) Вся прелесть девайса в том что устройство подает сигнал в не зависимости от компа. Комп только отправляет данные на девайс об изменении значения определенного канала.

_________________
Пишу не я. Пишет мой Кот.


Вернуться наверх
 
Не в сети
 Заголовок сообщения: Re: Контроллер USB-DMX uDMX
СообщениеДобавлено: Сб фев 20, 2016 19:45:31 
Родился

Карма: 1
Рейтинг сообщений: 3
Зарегистрирован: Пт янв 15, 2016 17:01:12
Сообщений: 9
Рейтинг сообщения: 0
LAVLEX писал(а):
Вот плата с номиналами.

а схему можно увидеть?
заранее спасибо!


Вернуться наверх
 
Не в сети
 Заголовок сообщения: Re: Контроллер USB-DMX uDMX
СообщениеДобавлено: Сб апр 29, 2017 07:32:10 
Родился

Зарегистрирован: Сб апр 29, 2017 07:17:07
Сообщений: 1
Рейтинг сообщения: 0
Здавствуйте собрал плату, определяется как неизвестное устройство. Спаял програматор громова и скачал программу ponyprog2000, и тут процесс весь встал. объясните пожалуйста пошагово как прошить контроллер. заранее спасибо


Вернуться наверх
 
Не в сети
 Заголовок сообщения: Установился драйвер uDMX
СообщениеДобавлено: Вс ноя 22, 2020 13:52:59 
Открыл глаза

Зарегистрирован: Вт май 05, 2009 00:40:32
Сообщений: 44
Откуда: Êàëóãà
Рейтинг сообщения: 0
Хочу поделиться радостью. Возможно, кому-то поможет.
В свое время у меня на Win XP был установлен Freestyler 3.2.8. Управлял я сканерами (сделал сам), генератором тумана, светодиодными приборами типа веника.
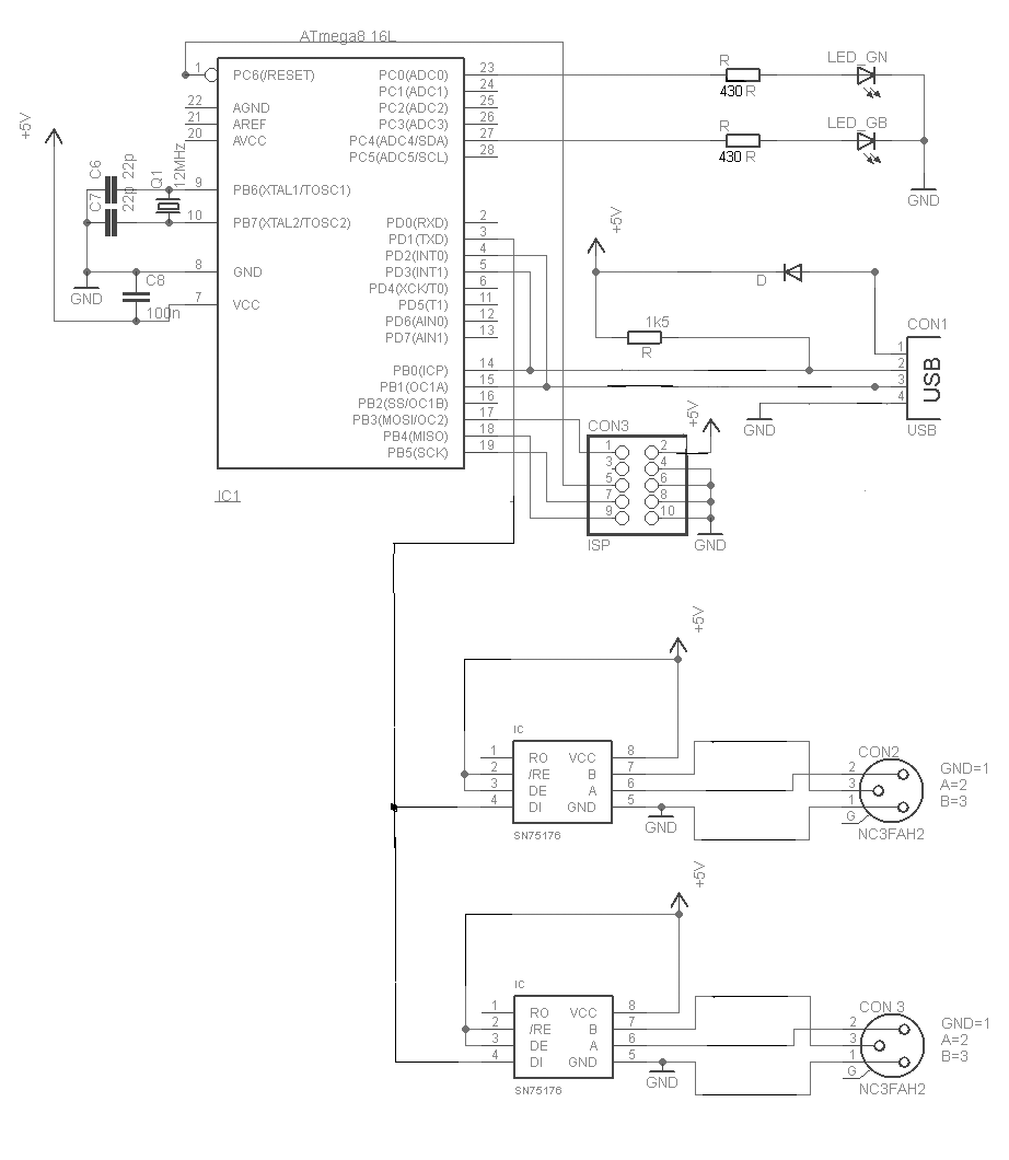
Для связи usb-dmx собрал пару приборов. Один на FT232, другой на AtMega8 (uDMX) по схеме:
Изображение

Были установлены драйверы для одного и другого устройства и все работало без проблем. Устройство uDMX собрал и пользовал чаще, т.к. у него 2 вызода и было удобнее подключать приборы.
Freestyler был установлен на стационарном компе и на нетбуке. Проблемы на стационарном компе возникли, когда переустановил системы (когда установил win 7 64-битную, по-моему). Когда поставил Win10, тоже Freestyler не работал, как я не пытался всунуть ему дрова, копировать uDMX в папку Windows/system32 и т.д. С драйвером FT232 было то-же самое.
На нетбуке с системой Win XP все работало до тех пор, пока по каким-то причинам не понадобилось переустановить систему, да еще подключил интернет.
Собрал информацию, что на Win7, Win10 запустить мое устройство нереально и стал мучить нетбук с win xp. Но стирание, новая установка драйвера uDMX никак не помогала. Длилось это периодически года 2. Решил взяться снова за эту проблему. Наткнулся на сайт https://www.illutzmination.de/udmxdriver.html?&L=2. По-моему в в-контакте.
Там выложены 3 драйвера для Windows. Скачал первый драйвер, про который написано, что с ним работает 90% программ. Называется драйвер uDMX_Driver_libUSBK.
Распаковал архив. Попытался по старинке скопировать udmx.dll в Windows/system32, не помогло. Запустил файл InstallDriver.exe, произошла установка. Запустил Freestyler, все заработало.
Не знаю, будет ли полезен мой опыт, у кого win7, 10. Но у кого есть старый ноутбук, это выход из положения.


Вложения:
pcdimx.PNG [62.99 KiB]
Скачиваний: 227
Вернуться наверх
 
Не в сети
 Заголовок сообщения: Re: Контроллер USB-DMX uDMX
СообщениеДобавлено: Вс ноя 22, 2020 14:27:46 
Друг Кота

Карма: 14
Рейтинг сообщений: 372
Зарегистрирован: Вс фев 15, 2009 01:04:58
Сообщений: 5066
Откуда: Kaluga
Рейтинг сообщения: 0
Еще-б автор исходники выложил-бы было-бы совсем хорошо - бы.


Вернуться наверх
 
Не в сети
 Заголовок сообщения: Re: Контроллер USB-DMX uDMX
СообщениеДобавлено: Вс ноя 22, 2020 16:22:40 
Открыл глаза

Зарегистрирован: Вт май 05, 2009 00:40:32
Сообщений: 44
Откуда: Êàëóãà
Рейтинг сообщения: 2
Какие исходники?
Вот схема, плата, прошивка


Вложения:
uDMX 1.2.7z [245.7 KiB]
Скачиваний: 246
Ошибка в схеме.txt [168 байт]
Скачиваний: 207
uDMX lay4.lay [36.64 KiB]
Скачиваний: 237
pcdimx.PNG [62.99 KiB]
Скачиваний: 248
Вернуться наверх
 
Не в сети
 Заголовок сообщения: Re: Контроллер USB-DMX uDMX
СообщениеДобавлено: Вс ноя 22, 2020 22:53:29 
Друг Кота

Карма: 14
Рейтинг сообщений: 372
Зарегистрирован: Вс фев 15, 2009 01:04:58
Сообщений: 5066
Откуда: Kaluga
Рейтинг сообщения: 0
Спасибо - поглядел - все та-же мерзкопакостная Lib_usb библиотека, а так надеялся на что-то новое полезное.

А что за версия MAXmsp ?


Вернуться наверх
 
Не в сети
 Заголовок сообщения: Re: Контроллер USB-DMX uDMX
СообщениеДобавлено: Пн ноя 23, 2020 01:07:21 
Встал на лапы
Аватар пользователя

Карма: 7
Рейтинг сообщений: 2
Зарегистрирован: Пт фев 22, 2013 15:25:00
Сообщений: 95
Откуда: Украина, Кировоград
Рейтинг сообщения: 0
По опыту, и насколько помню на 7-ку и выше драйвер устанавливается, но нужно отключать проверку подлинности драйвера, гугл в помощь. И драйвер всегда устанавливал через диспетчер устройств. Все заводилось на 7-ке и 8-ке x64, десятку тогда еще не пробовал. И кстати, эта мерзопакастная библиотека используется в драйвере программатора USBasp, можно попробовать установить под него драйвер а потом под uDMX.

_________________
Пишу не я. Пишет мой Кот.


Вернуться наверх
 
Не в сети
 Заголовок сообщения: Re: Контроллер USB-DMX uDMX
СообщениеДобавлено: Вт ноя 24, 2020 10:55:27 
Открыл глаза

Зарегистрирован: Вт май 05, 2009 00:40:32
Сообщений: 44
Откуда: Êàëóãà
Рейтинг сообщения: 0
Wladimir_TS,
я не понял Вашего ответа. Не понравилось устройство, не делайте. Мерзопакостная библиотека или нет, но она работает.
Я не профессионал по свету, и делаю это для себя, для дома. Таких людей здесь много, мое сообщение для них.
Если у кого-то есть другой рецепт решения проблемы, поделитесь. Я много раз пытался отключить проверку цифровой подписи драйвера, ничего не получалось.
Спасибо acsoftlab, что отослал к гуглу. А то я не знал о его существовании. Не нужно отсылать куда-то. Если Вы знаете, как решить проблему, напишите конкретно.


Вернуться наверх
 
Не в сети
 Заголовок сообщения: Re: Контроллер USB-DMX uDMX
СообщениеДобавлено: Вт ноя 24, 2020 12:35:54 
Встал на лапы
Аватар пользователя

Карма: 7
Рейтинг сообщений: 2
Зарегистрирован: Пт фев 22, 2013 15:25:00
Сообщений: 95
Откуда: Украина, Кировоград
Рейтинг сообщения: 0
Почему все так болезненно реагируют когда их посылают гуглить? Ну не писать же мне тут как отключать отключить проверку цифровой подписи. Попробуйте на 7-ке установить драйвер через эту программку https://zadig.akeo.ie/, после установки в любом случае нужно будет копировать файлик udmx.dll в Windows/system32. А контроллер на FT232 просто обязан работать на 7-ке и выше, так как по факту это конвертер usb->uart->rs485 драйвера для него вот тут https://www.ftdichip.com/Drivers/VCP.htm

_________________
Пишу не я. Пишет мой Кот.


Вернуться наверх
 
Не в сети
 Заголовок сообщения: Re: Контроллер USB-DMX uDMX
СообщениеДобавлено: Вт ноя 24, 2020 22:53:48 
Друг Кота

Карма: 14
Рейтинг сообщений: 372
Зарегистрирован: Вс фев 15, 2009 01:04:58
Сообщений: 5066
Откуда: Kaluga
Рейтинг сообщения: 0
Wladimir_TS,
я не понял Вашего ответа.


Это мысля в слух. Надеялся на использование чего-то другого. (Собираю реализации USB).

Не понравилось устройство, не делайте. Мерзопакостная библиотека или нет, но она работает.


Это да - но крови попила. Под nixами. А схема ваша полезная. Гальванику прикрутить и вообще отлично. Есть правда минусы, актуальные если в цепочке околомаксимальное количество устройств. Но это редко актуально.

Я не профессионал по свету, и делаю это для себя, для дома. Таких людей здесь много, мое сообщение для них.
Если у кого-то есть другой рецепт решения проблемы, поделитесь. Я много раз пытался отключить проверку цифровой подписи драйвера, ничего не получалось.


Я пытался что-б без дров. Не сдюжил.


Вернуться наверх
 
Не в сети
 Заголовок сообщения: Re: Контроллер USB-DMX uDMX
СообщениеДобавлено: Ср ноя 25, 2020 13:17:24 
Открыл глаза

Зарегистрирован: Вт май 05, 2009 00:40:32
Сообщений: 44
Откуда: Êàëóãà
Рейтинг сообщения: 0
acsoftlab,
здесь люди общаются, чтобы конкретно помочь друг другу. Я и сам выкладывал много раз и фото корпусов и схему сканера с чертежами и прошивки и многое другое. Если Вы хотите помочь кому-то (и потом, чтобы Вам помогли), конкретно напишите как сделать. И почему бы Вам не написать подробно как отключить проверку цифровой подписи. Повторюсь, что я пытался это сделать несколько раз (все по гуглу), но FT232 не заработала. Такое впечатление, что Вы просто зашли сюда от скуки, покритиковать и показать какой Вы продвинутый на фоне таких как я. Не отвечайте на мое сообщение, это никому не интересно.

Добавлено after 1 hour 38 minutes 3 seconds:
Wladimir_TS, разве можно запустить подобное устройство без драйвера? Даже на ft232 нужен драйвер. Кстати, его я так и не запустил.
Да, если количество приборов большое, околомаксимальное, тогда нужно купить что-то посерьезнее. Но для дома, даже для небольшой дискотеки в кафе/ресторане это устройство вполне подойдет.
Кстати, после установки драйвера, о котором писал выше, обнаружил неприятность. В freestyler поменялись местами управление color/gobo, т.е. кручу ползунок color, а крутится диск gobo. И наоборот. Придется откорректировать фикстуру сканеров.


Вернуться наверх
 
Показать сообщения за:  Сортировать по:  Вернуться наверх
Начать новую тему Ответить на тему  [ Сообщений: 41 ]    , 2,  

Часовой пояс: UTC + 3 часа


Кто сейчас на форуме

Сейчас этот форум просматривают: нет зарегистрированных пользователей и гости: 35


Вы не можете начинать темы
Вы не можете отвечать на сообщения
Вы не можете редактировать свои сообщения
Вы не можете удалять свои сообщения
Вы не можете добавлять вложения

Найти:
Перейти:  


Powered by phpBB © 2000, 2002, 2005, 2007 phpBB Group
Русская поддержка phpBB
Extended by Karma MOD © 2007—2012 m157y
Extended by Topic Tags MOD © 2012 m157y