Например TDA7294

Форум РадиоКот • Просмотр темы - Сто ватт на коленке (КН).
Форум РадиоКот
Здесь можно немножко помяукать :)

Текущее время: Вт ноя 11, 2025 22:48:43

Часовой пояс: UTC + 3 часа


ПРЯМО СЕЙЧАС:



Начать новую тему Ответить на тему  [ Сообщений: 1088 ]     ... , , , 8, , , ...  
Автор Сообщение
Не в сети
 Заголовок сообщения:
СообщениеДобавлено: Чт апр 05, 2007 11:51:45 
Админ
Аватар пользователя

Карма: 109
Рейтинг сообщений: 458
Зарегистрирован: Вт авг 23, 2005 15:23:25
Сообщений: 10815
Откуда: Москва
Рейтинг сообщения: 0
Медали: 1
Получил миской по аватаре (1)
Тут вся штука в высоком напряжении питания и как следствие - необходимо брать транзисторы, у которых напряжение коллектор-эмиттер достаточно высокое. Так что лучше взять с буковкой Ж или А, Б.
Насчет К я сам что-то погорячился.

Насчет несжигаемости 825/827 - не в курсе. А вообще, сжечь можно все :)

_________________
А вот футболки кому? Кружки, значки!
Мысли Пачкают Мозги


Вернуться наверх
 
Не в сети
 Заголовок сообщения:
СообщениеДобавлено: Чт апр 05, 2007 13:11:00 
Родился
Аватар пользователя

Зарегистрирован: Пн мар 19, 2007 19:37:03
Сообщений: 18
Рейтинг сообщения: 0
Т.е. я куплю ВС558 для диффкаскада и TIP41, а выходники
оставлю наши. Они надежнее. :))


Вернуться наверх
 
Не в сети
 Заголовок сообщения:
СообщениеДобавлено: Пт апр 06, 2007 14:00:07 
Открыл глаза
Аватар пользователя

Зарегистрирован: Пт апр 06, 2007 11:15:06
Сообщений: 60
Откуда: г Новосибирск
Рейтинг сообщения: 0
Если гудит динамик то надо
1) Поставить на Эммитеры выходных транзисторов вместо 0.39ом 100 ом и на выход лампочку 36вольт или 42вольта и измерять напряжения ... ничего не сгорит ...
Лично я таким усилителям делаю ООС по току, а не по Напряжению ...
играет чище ... но не громче ..:)

_________________
Люблю Музыку слушать


Вернуться наверх
 
Не в сети
 Заголовок сообщения:
СообщениеДобавлено: Пт апр 06, 2007 23:03:52 
Родился
Аватар пользователя

Зарегистрирован: Пн мар 19, 2007 19:37:03
Сообщений: 18
Рейтинг сообщения: 0
Ну никак не заствавить этот усилитель работать. Хоть схема ИТУН,
предложенная Скатом, хоть оригинал. Мы имеем 40 вольт на выходе
без тока, на диодах также 40 вольт. Ничего не греется. Наверное,
надо взять транзисторы, как у Макса, или купить 4 ТДА 7293, или терпеть
дальше... :(


Вернуться наверх
 
Эиком - электронные компоненты и радиодетали
Не в сети
 Заголовок сообщения:
СообщениеДобавлено: Пн апр 09, 2007 09:50:22 
Открыл глаза
Аватар пользователя

Зарегистрирован: Пт апр 06, 2007 11:15:06
Сообщений: 60
Откуда: г Новосибирск
Рейтинг сообщения: 0
Денис ... получается что ты пока не умеешь проверятьтранзисторы ...
наверно сейчас это главное ... прибор у тебя есть ... измеряй сопротивление транзистора на пределе 100-200 ом ... Если при измерении в прямом и обратном направлении одинаково и мало -ЗНАЧИТ что то не так и этот транзистор :( ...

Если бесконечность между Б и Э ... Б и К туда сюда ... тоже скорее всего обрыв ...

Так вот причина твоей неисправности в vt3 !!! kt827 -max kt825 - min

А то вбухаешь ещё в Микросхему бабки ... и не доведёшь до конца ...
лучше посиди над проверкой ... а парадоксы ... дело решаемое ... разберётся тот, кто ЭТО ДЕЛАЕТ , а не сидит ... ну если деньги лишние купи хороший паяльник с защитным напылением ... регулятором мощности или напряжения ... что бы паяльник не перегревался ... и дорожки от платы не отлетали ... аккуратность в пайке очень важна ...

А с новой микросхемой особо ничего не изменится ...

_________________
Люблю Музыку слушать


Вернуться наверх
 
Не в сети
 Заголовок сообщения:
СообщениеДобавлено: Пн апр 09, 2007 13:54:17 
Админ
Аватар пользователя

Карма: 109
Рейтинг сообщений: 458
Зарегистрирован: Вт авг 23, 2005 15:23:25
Сообщений: 10815
Откуда: Москва
Рейтинг сообщения: 0
Медали: 1
Получил миской по аватаре (1)
Кстати, как я писал выше, я пожег в одном экземпляре выходные транзисторы. Съездил намедни в магазин и купил 825 и 827. Попробую. О результатах отпишусь.

_________________
А вот футболки кому? Кружки, значки!
Мысли Пачкают Мозги


Вернуться наверх
 
Не в сети
 Заголовок сообщения:
СообщениеДобавлено: Пн апр 09, 2007 15:32:15 
Открыл глаза
Аватар пользователя

Зарегистрирован: Пт апр 06, 2007 11:15:06
Сообщений: 60
Откуда: г Новосибирск
Рейтинг сообщения: 0
Max
Это действительно крепкие транзисторы ... кт825 и 827... есть ещё кт864 865 у меня от них трансформатор подпрыгивал ... но они остались целы ...

Ну вот наконец я прочитал все страницы на эту тему !!!!
Ну чтож попробую написать методику настройки ...:) Мяу

1) Очень желательно иметь цифровой прибор типа DT830 890 ... что бы примерно прозванивать целы ли переходы ...
2) На выходные эммитеры транзисторов первый раз надо поставить 100 ! ом а не 0.39,потому что так они останутся целые в любом случае ...
3) Диоды лучше прикрепить на радиатор , это понизит ток покоя при
его прогреве и транзисторов ... на большой громкости ...
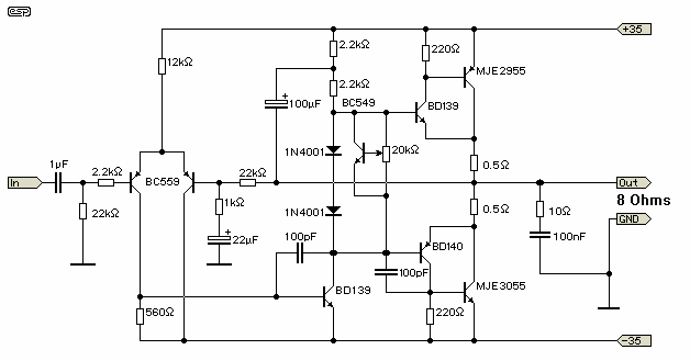
4) В этом усилке САМОЕ ГЛАВНОЕ диффкаскад и важен подбор транзисторов vt1 vt2 !!! по h21э (параметр усиления по току) -+20%
5) Обязательно на vt3 между базой и коллектором поставить ёмкость 150 -200пф от самовозбуда ...

Это в классической схеме просто несимметричный балансный усилитель ... он реализован в страшном количестве усилителей промышленного производства и применяется в мощных микросхемах ...

_________________
Люблю Музыку слушать


Вернуться наверх
 
Не в сети
 Заголовок сообщения:
СообщениеДобавлено: Пн апр 09, 2007 17:40:54 
Админ
Аватар пользователя

Карма: 109
Рейтинг сообщений: 458
Зарегистрирован: Вт авг 23, 2005 15:23:25
Сообщений: 10815
Откуда: Москва
Рейтинг сообщения: 0
Медали: 1
Получил миской по аватаре (1)
Если в первый раз включать усилитель через токоограничительные резисторы по питанию, о чем уже не раз говорилось, то и не понадобится никакие резисторы заменять.

_________________
А вот футболки кому? Кружки, значки!
Мысли Пачкают Мозги


Вернуться наверх
 
Не в сети
 Заголовок сообщения:
СообщениеДобавлено: Пн апр 09, 2007 17:48:06 
Открыл глаза
Аватар пользователя

Зарегистрирован: Пт апр 06, 2007 11:15:06
Сообщений: 60
Откуда: г Новосибирск
Рейтинг сообщения: 0
Max
Тогда замеры по постоянному току будут ошибочны ...а так только выходные ограничивают ток ... а остальные режимы будт измерятся с реальным питанием без просадки ...

_________________
Люблю Музыку слушать


Вернуться наверх
 
Не в сети
 Заголовок сообщения:
СообщениеДобавлено: Ср апр 11, 2007 12:17:07 
Прорезались зубы
Аватар пользователя

Зарегистрирован: Ср ноя 29, 2006 15:43:34
Сообщений: 218
Откуда: Киев (троещина)
Рейтинг сообщения: 0
Хи хи хи ха ха ха
Странный этот усилитель я спалил 20 транзисторов последние 2 раза когда настраивал все работало только недолго)
вот схема которая до сих-пор работает


Вложения:
p03-fig1a.gif [5.33 KiB]
Скачиваний: 1964

_________________
Нет? Нет? А вот и Дааааа)
Вернуться наверх
 
Не в сети
 Заголовок сообщения:
СообщениеДобавлено: Ср апр 11, 2007 12:22:57 
Прорезались зубы
Аватар пользователя

Зарегистрирован: Ср ноя 29, 2006 15:43:34
Сообщений: 218
Откуда: Киев (троещина)
Рейтинг сообщения: 0
Она у меня работает при напруге +/-43 вольта и токе покоя 78мА
Выходная моща 60Вт на нагрузке 8Ом
О кстати на 2-х КТ825 и КТ827 можно собрать неплохой усилок для саба


Вложения:
subamp00.pdf [46.04 KiB]
Скачиваний: 1160

_________________
Нет? Нет? А вот и Дааааа)
Вернуться наверх
 
Не в сети
 Заголовок сообщения:
СообщениеДобавлено: Ср апр 11, 2007 12:26:19 
Прорезались зубы
Аватар пользователя

Зарегистрирован: Ср ноя 29, 2006 15:43:34
Сообщений: 218
Откуда: Киев (троещина)
Рейтинг сообщения: 0
Фото


Вложения:
subamp00_03.jpg [83.19 KiB]
Скачиваний: 1463

_________________
Нет? Нет? А вот и Дааааа)
Вернуться наверх
 
Не в сети
 Заголовок сообщения:
СообщениеДобавлено: Ср апр 11, 2007 14:25:32 
Админ
Аватар пользователя

Карма: 109
Рейтинг сообщений: 458
Зарегистрирован: Вт авг 23, 2005 15:23:25
Сообщений: 10815
Откуда: Москва
Рейтинг сообщения: 0
Медали: 1
Получил миской по аватаре (1)
Ну, вообще говоря - это не тот усилитель, о котором шла речь, так что это немного не в тему. :)
А я собрал два таких усилителя и не спалил ни одного транзистора, что, конечно, тоже странно :)

_________________
А вот футболки кому? Кружки, значки!
Мысли Пачкают Мозги


Вернуться наверх
 
Не в сети
 Заголовок сообщения:
СообщениеДобавлено: Чт апр 12, 2007 13:30:28 
Родился
Аватар пользователя

Зарегистрирован: Пн мар 19, 2007 19:37:03
Сообщений: 18
Рейтинг сообщения: 0
Max вы поставили кт 825/827 в этот усилок? Каковы результаты?


Вернуться наверх
 
Не в сети
 Заголовок сообщения:
СообщениеДобавлено: Вс апр 15, 2007 15:25:11 
Админ
Аватар пользователя

Карма: 109
Рейтинг сообщений: 458
Зарегистрирован: Вт авг 23, 2005 15:23:25
Сообщений: 10815
Откуда: Москва
Рейтинг сообщения: 0
Медали: 1
Получил миской по аватаре (1)
Воткнул вышеуказанные транзисторы.
Все работает точно так же, как и со 147/142. Правда, 825-й греется чуть сильнее, чем 827 и напряжение на базах отличается на 0,1В, в сторону 825-го, но это скорее всего, связано с разбросом параметров самих транзисторов.
Так что - все нормально.
Кстати, хочу отметить еще одну вещь - не стоит включать этот усилитель без подключенного источника сигнала - может возникнуть сильное самовозбуждение.

_________________
А вот футболки кому? Кружки, значки!
Мысли Пачкают Мозги


Вернуться наверх
 
Не в сети
 Заголовок сообщения:
СообщениеДобавлено: Ср апр 18, 2007 20:04:45 
Родился
Аватар пользователя

Зарегистрирован: Пн мар 19, 2007 19:37:03
Сообщений: 18
Рейтинг сообщения: 0
Max а какие у вас другие транзисторы какие стоят? Диоды вы не ставили на кт825 827? У меня постоянка без тока на выходе с любыми
транзисторами.


Вернуться наверх
 
Не в сети
 Заголовок сообщения:
СообщениеДобавлено: Ср апр 18, 2007 20:09:14 
Админ
Аватар пользователя

Карма: 109
Рейтинг сообщений: 458
Зарегистрирован: Вт авг 23, 2005 15:23:25
Сообщений: 10815
Откуда: Москва
Рейтинг сообщения: 0
Медали: 1
Получил миской по аватаре (1)
Те, которые на схеме нарисованы :) Ну почти :)
В диффкаскаде стоят BC557B... Вы думаете - с этим может быть связано? Хм, ну теоретически - может быть...
А предвыход такой же - TIP41C.

_________________
А вот футболки кому? Кружки, значки!
Мысли Пачкают Мозги


Вернуться наверх
 
Не в сети
 Заголовок сообщения:
СообщениеДобавлено: Ср апр 18, 2007 21:40:09 
Родился
Аватар пользователя

Зарегистрирован: Пн мар 19, 2007 19:37:03
Сообщений: 18
Рейтинг сообщения: 0
Может, т.к. если предвыход не TIP, то схема не работает. :)


Вернуться наверх
 
Не в сети
 Заголовок сообщения:
СообщениеДобавлено: Ср апр 18, 2007 21:46:27 
Админ
Аватар пользователя

Карма: 109
Рейтинг сообщений: 458
Зарегистрирован: Вт авг 23, 2005 15:23:25
Сообщений: 10815
Откуда: Москва
Рейтинг сообщения: 0
Медали: 1
Получил миской по аватаре (1)
Ну не знаю - я предвыход не пробовал менять... Ну могу и предвыход поменять не 819 :)
Не принципиально все это, думается мне...

_________________
А вот футболки кому? Кружки, значки!
Мысли Пачкают Мозги


Вернуться наверх
 
Не в сети
 Заголовок сообщения:
СообщениеДобавлено: Ср апр 18, 2007 22:04:39 
Родился
Аватар пользователя

Зарегистрирован: Пн мар 19, 2007 19:37:03
Сообщений: 18
Рейтинг сообщения: 0
TIP не совсем обычные транзисторы. Попробуйте поставить КТ815Г.
У вас будет постоянка без тока на выходе. :o
А BC556 можно в диффкаскад ставить? Я ставил в пред TIP31C,
сразу вылетает предохранитель.


Вернуться наверх
 
Показать сообщения за:  Сортировать по:  Вернуться наверх
Начать новую тему Ответить на тему  [ Сообщений: 1088 ]     ... , , , 8, , , ...  

Часовой пояс: UTC + 3 часа


Кто сейчас на форуме

Сейчас этот форум просматривают: нет зарегистрированных пользователей и гости: 32


Вы не можете начинать темы
Вы не можете отвечать на сообщения
Вы не можете редактировать свои сообщения
Вы не можете удалять свои сообщения
Вы не можете добавлять вложения

Найти:
Перейти:  


Powered by phpBB © 2000, 2002, 2005, 2007 phpBB Group
Русская поддержка phpBB
Extended by Karma MOD © 2007—2012 m157y
Extended by Topic Tags MOD © 2012 m157y