Например TDA7294

Форум РадиоКот • Просмотр темы - Электронная нагрузка
Форум РадиоКот
Здесь можно немножко помяукать :)

Текущее время: Вс ноя 30, 2025 22:42:19

Часовой пояс: UTC + 3 часа


ПРЯМО СЕЙЧАС:



Начать новую тему Ответить на тему  [ Сообщений: 144 ]     ... , , , 7,  
Автор Сообщение
Не в сети
 Заголовок сообщения: Re: Электронная нагрузка
СообщениеДобавлено: Вт окт 18, 2016 15:48:58 
Электрический кот
Аватар пользователя

Карма: 11
Рейтинг сообщений: 39
Зарегистрирован: Вс фев 13, 2011 23:54:25
Сообщений: 1000
Рейтинг сообщения: 0
Как и обещал. Собрал ; http://vprl.ru/publ/istochniki_pitanija ... /11-1-0-74 нагрузку! Отличная штука!!! Испытан не один блок питания этой нагрузкой. Советую эту схему. :))


Вложения:
3.jpg [163.69 KiB]
Скачиваний: 1684
2.jpg [183.9 KiB]
Скачиваний: 1209
1.jpg [159.08 KiB]
Скачиваний: 1495
Вернуться наверх
 
Не в сети
 Заголовок сообщения: Re: Электронная нагрузка
СообщениеДобавлено: Ср ноя 09, 2016 20:05:37 
Встал на лапы
Аватар пользователя

Зарегистрирован: Пт мар 11, 2016 03:05:49
Сообщений: 98
Откуда: Челябинск
Рейтинг сообщения: 0
Тоже захотелось собрать простенькую электронную нагрузку. Есть горстка IRF3205, как правильно по вложенной ниже схеме прицепить в параллель парочку - другую, нужно-ли резисторы на затворы и если да то какой номинал. В интернете схемы подобного умощнения не нашел, советуют биполярник совдеповский но уменя его нет( Надобно Ампер 10 всего.


Вложения:
image009.jpg [30.11 KiB]
Скачиваний: 1138

_________________
Ишавасьям идам сарвам
Вернуться наверх
 
Не в сети
 Заголовок сообщения: Re: Электронная нагрузка
СообщениеДобавлено: Вс фев 19, 2017 09:54:44 
Встал на лапы

Карма: 1
Рейтинг сообщений: 9
Зарегистрирован: Ср июн 29, 2011 16:10:21
Сообщений: 129
Рейтинг сообщения: 0
Demo65 писал(а):
Как и обещал. Собрал ; http://vprl.ru/publ/istochniki_pitanija ... /11-1-0-74 нагрузку! Отличная штука!!! Испытан не один блок питания этой нагрузкой. Советую эту схему. :))


Молодчина! :)) Но где же набрать столько не маленьких и не дешёвых радиаторов?
Это у Вас супер нагреватель получился, и отбиваться им хорошо при случае!
В нагрузке на 494 мы имеем нормальный радиатор и соответственно вес и размер, просто нужно довести схему до ума.


Вернуться наверх
 
Не в сети
 Заголовок сообщения: Re: Электронная нагрузка
СообщениеДобавлено: Вс фев 19, 2017 10:03:42 
Электрический кот
Аватар пользователя

Карма: 11
Рейтинг сообщений: 39
Зарегистрирован: Вс фев 13, 2011 23:54:25
Сообщений: 1000
Рейтинг сообщения: 0
Цитата:
Молодчина! :)) Но где же набрать столько не маленьких и не дешёвых радиаторов?
Это у Вас супер нагреватель получился, и отбиваться им хорошо при случае!
В нагрузке на 494 мы имеем нормальный радиатор и соответственно вес и размер, просто нужно довести схему до ума.

Если ты фото видел этой нагрузки, то наверное заметил, что стоит один радиатор с обдувом двумя кулерами. И для особо грамотных скажу, что греется нагрузка очень мало. И сначала сам собери такую и потом только зубами клацай. умач.


Вернуться наверх
 
Эиком - электронные компоненты и радиодетали
Не в сети
 Заголовок сообщения: Re: Электронная нагрузка
СообщениеДобавлено: Ср мар 15, 2017 15:50:08 
Открыл глаза

Карма: -3
Рейтинг сообщений: -5
Зарегистрирован: Вт мар 07, 2017 01:12:48
Сообщений: 40
Рейтинг сообщения: 0
Собираю эту нагрузку и возникли вопросы, 0,5Ом резистор нагрузочный должен быть точно 0,5 или +/- чутка? есть нихром 0,75мм отмерил/замерил/посчитал и получилось что 45см в 3 проволоки как раз 0,5Ом выходит но может оказаться не совсем и точно


Вернуться наверх
 
Не в сети
 Заголовок сообщения: Re: Электронная нагрузка
СообщениеДобавлено: Ср мар 15, 2017 16:36:04 
Электрический кот
Аватар пользователя

Карма: 11
Рейтинг сообщений: 39
Зарегистрирован: Вс фев 13, 2011 23:54:25
Сообщений: 1000
Рейтинг сообщения: 0
А где там нашел нагрузочный резистор на 0.5 Ом? Там вроде 0.01Ом.


Вернуться наверх
 
Не в сети
 Заголовок сообщения: Re: Электронная нагрузка
СообщениеДобавлено: Ср мар 15, 2017 17:20:46 
Открыл глаза

Карма: -3
Рейтинг сообщений: -5
Зарегистрирован: Вт мар 07, 2017 01:12:48
Сообщений: 40
Рейтинг сообщения: 0
Demo65 писал(а):
А где там нашел нагрузочный резистор на 0.5 Ом? Там вроде 0.01Ом.

вот здесь
Вложение:
схема нагрузки.jpg [62.71 KiB]
Скачиваний: 1257


Вернуться наверх
 
Не в сети
 Заголовок сообщения: Re: Электронная нагрузка
СообщениеДобавлено: Ср мар 15, 2017 18:30:17 
Электрический кот
Аватар пользователя

Карма: 11
Рейтинг сообщений: 39
Зарегистрирован: Вс фев 13, 2011 23:54:25
Сообщений: 1000
Рейтинг сообщения: 0
А , вы про эту схему. Так там не критично, я ставил приблизительные параметры 0.01 Ом делал из нихрома 3мм. а 0.5 Ом с какого то старого прибора выдирал. Да и ещё, конденсаторы С7 и С9 лучше набрать из Low ESR меньших емкостей, другие иначе долго не проживут, рванут.
Если надо, я фотки выложу этой платы. Разобрал я эту нагрузку. Не понравилась.


Вложения:
нагрузка 3.jpg [103.84 KiB]
Скачиваний: 1241
нагрузка2.jpg [69.09 KiB]
Скачиваний: 1194
Вернуться наверх
 
Не в сети
 Заголовок сообщения: Re: Электронная нагрузка
СообщениеДобавлено: Ср мар 15, 2017 20:38:51 
Электрический кот

Карма: 28
Рейтинг сообщений: 432
Зарегистрирован: Пн окт 07, 2013 10:03:09
Сообщений: 1095
Откуда: Адлер
Рейтинг сообщения: 0
rezistor_diodov писал(а):
Вложение:
схема нагрузки.jpg

хреновая схемка..импульсное регулирование там ни к селу, ни к городу...


Вернуться наверх
 
Не в сети
 Заголовок сообщения: Re: Электронная нагрузка
СообщениеДобавлено: Ср мар 15, 2017 21:18:03 
Открыл глаза

Карма: -3
Рейтинг сообщений: -5
Зарегистрирован: Вт мар 07, 2017 01:12:48
Сообщений: 40
Рейтинг сообщения: 0
Demo65 писал(а):
А , вы про эту схему. Так там не критично, я ставил приблизительные параметры 0.01 Ом делал из нихрома 3мм. а 0.5 Ом с какого то старого прибора выдирал. Да и ещё, конденсаторы С7 и С9 лучше набрать из Low ESR меньших емкостей, другие иначе долго не проживут, рванут.
Если надо, я фотки выложу этой платы. Разобрал я эту нагрузку. Не понравилась.

спасибо большое, понял


Вернуться наверх
 
Не в сети
 Заголовок сообщения: Re: Электронная нагрузка
СообщениеДобавлено: Ср мар 15, 2017 21:34:34 
Открыл глаза

Карма: 1
Рейтинг сообщений: 1
Зарегистрирован: Вс мар 29, 2015 15:10:19
Сообщений: 48
Откуда: Украина, г. Ровно
Рейтинг сообщения: 0
что именно не понравилось в нагрузке


Вернуться наверх
 
Не в сети
 Заголовок сообщения: Re: Электронная нагрузка
СообщениеДобавлено: Ср мар 15, 2017 23:20:42 
Электрический кот

Карма: 28
Рейтинг сообщений: 432
Зарегистрирован: Пн окт 07, 2013 10:03:09
Сообщений: 1095
Откуда: Адлер
Рейтинг сообщения: 0
емкости на входе нагрузки затруднят диагностику проверяемого бп с мёртвыми емкостями на выходе и свалят в защиту/икающий режим маломощный бп. пульсации потребления на средних токах вскипятят установленные емкости, наведут мощную токовую помеху(в тч и проверяемому бп). с увеличением тока нагрузки к максимуму( на низковольтном источнике) пульсации напряжения у проверяемого бп...уменьшатся. те осциллографом смотреть проверяемый бп под такой нагрузкой бессмысленно.
так же, из-за пульсаций, вы точно не узнаете потребляемый ток.
при большом еср применяемых конденсаторов в таком приборе+соотношении частот бп-нагрузка близкой к 2 можно отправить в разнос вполне исправный прямоходовой бп на "средней" нагрузке.
если нужен прибор на постоянную работу- соберите линейный источник тока, если нужно отслеживать реакцию ос на рост и сброс тока - сделайте источнику тока модуляцию опоры сигналом необходимой формы, уровня, частоты.


Вернуться наверх
 
Не в сети
 Заголовок сообщения: Re: Электронная нагрузка
СообщениеДобавлено: Ср мар 15, 2017 23:41:45 
Открыл глаза

Карма: 1
Рейтинг сообщений: 1
Зарегистрирован: Вс мар 29, 2015 15:10:19
Сообщений: 48
Откуда: Украина, г. Ровно
Рейтинг сообщения: 0
Спасибо за инфу, уже хотел собирать данную нагрузку импульсники тестить. Теперь вижу, что нет смысла


Вернуться наверх
 
Не в сети
 Заголовок сообщения: Re: Электронная нагрузка
СообщениеДобавлено: Чт май 04, 2017 07:56:41 
Родился

Зарегистрирован: Пн сен 29, 2014 22:37:17
Сообщений: 1
Рейтинг сообщения: 0
Доброго дня.
Подскажите, а сложно ли будет сделать электронную нагрузку, управляемую программно (PWM или командно) на мощность порядка 500-1000 Вт? Напряжение до 35В токи соответственно хотя бы до 30А


Вернуться наверх
 
Не в сети
 Заголовок сообщения: Re: Электронная нагрузка
СообщениеДобавлено: Пн май 15, 2017 21:36:04 
Открыл глаза

Карма: -3
Рейтинг сообщений: -5
Зарегистрирован: Вт мар 07, 2017 01:12:48
Сообщений: 40
Рейтинг сообщения: -3
Спасибо за инфу, уже хотел собирать данную нагрузку импульсники тестить. Теперь вижу, что нет смысла

и почему же нет смысла? я собрал работает на отлично а вы и дальше слушайте болтунов


Вернуться наверх
 
Не в сети
 Заголовок сообщения: Re: Электронная нагрузка
СообщениеДобавлено: Вс июн 25, 2017 23:08:39 
Открыл глаза

Карма: -3
Рейтинг сообщений: -5
Зарегистрирован: Вт мар 07, 2017 01:12:48
Сообщений: 40
Рейтинг сообщения: 0
готовое рабочее устройство
Изображение


Вернуться наверх
 
Не в сети
 Заголовок сообщения: Re: Электронная нагрузка
СообщениеДобавлено: Пт мар 09, 2018 07:31:33 
Сверлит текстолит когтями
Аватар пользователя

Зарегистрирован: Пт авг 05, 2016 04:47:49
Сообщений: 1123
Рейтинг сообщения: 0
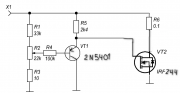
подскажите верно ли перестроил схему под свои детали
из этой схемы

Изображение

в эту

Изображение


Вернуться наверх
 
Не в сети
 Заголовок сообщения: Re: Электронная нагрузка
СообщениеДобавлено: Пт мар 09, 2018 23:56:12 
Родился

Зарегистрирован: Вс фев 20, 2011 22:38:48
Сообщений: 4
Рейтинг сообщения: 0
можно в эту схему вместо двух irfz44 поставить четыре irf3205 для увеличения мощности электронной нагрузки, драйвер ir2101 справиться?


Вернуться наверх
 
Не в сети
 Заголовок сообщения: Re: Электронная нагрузка
СообщениеДобавлено: Сб мар 10, 2018 00:12:50 
Встал на лапы

Карма: 1
Рейтинг сообщений: 9
Зарегистрирован: Ср июн 29, 2011 16:10:21
Сообщений: 129
Рейтинг сообщения: 0
Цитата:
Молодчина! :)) Но где же набрать столько не маленьких и не дешёвых радиаторов?
Это у Вас супер нагреватель получился, и отбиваться им хорошо при случае!
В нагрузке на 494 мы имеем нормальный радиатор и соответственно вес и размер, просто нужно довести схему до ума.

Если ты фото видел этой нагрузки, то наверное заметил, что стоит один радиатор с обдувом двумя кулерами. И для особо грамотных скажу, что греется нагрузка очень мало. И сначала сам собери такую и потом только зубами клацай. умач.


Да, что Вы. Я не особо грамотный, я так, погулять вышел.
С радиатором сантиметров 18 на 8 и двумя вентиляторами конечно греется нагрузка очень мало, кто бы сомневался.
Да и шумит тоже, наверное, мало.
И такую собирал. и на 494 собирал - и без таких пропеллеров и радиаторов.
Моя нагрузка работает с напряжением до 100 вольт и током до 40 ампер - радиатор с пачку сигарет и без вентилятора.


Вернуться наверх
 
Не в сети
 Заголовок сообщения: Re: Электронная нагрузка
СообщениеДобавлено: Сб июн 30, 2018 11:15:39 
Держит паяльник хвостом

Карма: 18
Рейтинг сообщений: 143
Зарегистрирован: Пт май 05, 2017 16:24:10
Сообщений: 947
Откуда: Красноярск
Рейтинг сообщения: 0
Стала нужна максимально простая нагрузка, проверять комповые БП, на уровне включил - померил минуту напряжения и пульсации по 3-5-12 вольт... - выключил. Пока временно на коленке собрал из подручного на лампочках и резисторах в корпусе БП, с вентилятором. Работает, но куча соплей.
Собираюсь сделать НЕэлектронную нагрузку, просто три линии на нихроме. Попробовал в нагрузку по 12 вольтам метр проволоки 1.2 ом, померил нагрев - при 10А температура выше 200 градусов, так пайка и пластмасса поплывут. Теперь думаю - как слепить три нагрузки 12в - на 120 вт, 5 - 50-60 вт, 3.3в - 30-40 вт, то есть все силовые линии по 10 ампер примерно. В офисных компах нагрузка не выше.

Интересует чисто КОНСТРУКТИВНО, физически - кто как собрал аналогичное чудище, как что расположил, соединял, крепил... и проч.
Если можно - фото.

Из подручного - может на трубку налепить раствор цемента с песком - будет что-то типа корпуса для намотки и крепления, коль нет керамики под рукой...


Вернуться наверх
 
Показать сообщения за:  Сортировать по:  Вернуться наверх
Начать новую тему Ответить на тему  [ Сообщений: 144 ]     ... , , , 7,  

Часовой пояс: UTC + 3 часа


Кто сейчас на форуме

Сейчас этот форум просматривают: нет зарегистрированных пользователей и гости: 25


Вы не можете начинать темы
Вы не можете отвечать на сообщения
Вы не можете редактировать свои сообщения
Вы не можете удалять свои сообщения
Вы не можете добавлять вложения

Найти:
Перейти:  


Powered by phpBB © 2000, 2002, 2005, 2007 phpBB Group
Русская поддержка phpBB
Extended by Karma MOD © 2007—2012 m157y
Extended by Topic Tags MOD © 2012 m157y