Например TDA7294

Форум РадиоКот • Просмотр темы - USB программатор PIC микроконтроллеров
Форум РадиоКот
Здесь можно немножко помяукать :)

Текущее время: Чт мар 05, 2026 05:28:45

Часовой пояс: UTC + 3 часа


ПРЯМО СЕЙЧАС:



Начать новую тему Ответить на тему  [ Сообщений: 1476 ]     ... , , , 54, , , ...  
Автор Сообщение
 Заголовок сообщения: Re: USB программатор PIC микроконтроллеров
СообщениеДобавлено: Ср дек 21, 2011 22:40:39 
Родился

Зарегистрирован: Ср дек 21, 2011 21:13:20
Сообщений: 2
Рейтинг сообщения: 0
собрал программатор GPT _USB , pic18f2550 программировал с арт 2003  всё нормально читается. Но в GPT _USB не хочет дрова иногда даже не вижу в диспетчера устройств, как будто что-то кз но проверил много раз. Деталь по схеме. Сухопаев нетую Что делать????


Вернуться наверх
 
 Заголовок сообщения: Re: USB программатор PIC микроконтроллеров
СообщениеДобавлено: Чт дек 22, 2011 20:08:48 
Родился

Зарегистрирован: Чт ноя 17, 2011 09:31:17
Сообщений: 6
Откуда: омская область
Рейтинг сообщения: 0
Спасибо Altair! о4ень хороший материал... в принципе мне бы хватило одной из этих схем до самого хвоста.... Но деньги затра4енны на детали и устройство собранно на пе4атной плате, даж модный корпус уже приспосабливаю, жалко будет все бросить когда истина уже где то рядом. Если бы знал то озна4ает эта ошибка я бы был о4ень с4астлив.


Вернуться наверх
 
 Заголовок сообщения: Re: USB программатор PIC микроконтроллеров
СообщениеДобавлено: Чт дек 22, 2011 20:59:29 
Родился

Зарегистрирован: Чт ноя 17, 2011 09:31:17
Сообщений: 6
Откуда: омская область
Рейтинг сообщения: 0
hanter1987 писал(а):
собрал программатор GPT _USB , pic18f2550 программировал с арт 2003  всё нормально читается. Но в GPT _USB не хочет дрова иногда даже не вижу в диспетчера устройств, как будто что-то кз но проверил много раз. Деталь по схеме. Сухопаев нетую Что делать????

проверяй все внимательно не прошитая микруха никак не определяетя, при подклю4ении прошитой микросхемы загорается один светодиод, после установки драйверов загорается второй светодиод, первый гаснет. при последуюших подклю4ениях загорается первый не на долго, потом второй. если в другой порт подклю4ить снова придется драйвер ставить (по крайней мере так у меня на буке). завтра буду на работе смогу сделать замеры какие надо будет...


Вернуться наверх
 
 Заголовок сообщения: Re: USB программатор PIC микроконтроллеров
СообщениеДобавлено: Пт дек 23, 2011 01:15:50 
Родился

Зарегистрирован: Ср дек 21, 2011 21:13:20
Сообщений: 2
Рейтинг сообщения: 0
В суботу смагу программировать, фабричново программатора. Посмотрим !
В арт 2003 читаю с pic18F2550 проверяю не находит никакие проблемы.


Вернуться наверх
 
Эиком - электронные компоненты и радиодетали
 Заголовок сообщения: Re: USB программатор PIC микроконтроллеров
СообщениеДобавлено: Пт дек 23, 2011 19:40:06 
Родился

Зарегистрирован: Чт ноя 17, 2011 09:31:17
Сообщений: 6
Откуда: омская область
Рейтинг сообщения: 0
Эдраствуйте уважаемые коты!!! Доделал я свой программатор. При4ина неработоспособности устройства банальна замыкание дорожек SCL и SDA предположительно (хотя протравливал основательно), острый нож, двадцать минут рабо4его времени и прогер ожил. Я о4ень доволен, проверял на епромках, пиков не нашел в хозястве!!!


Вернуться наверх
 
 Заголовок сообщения: Re: USB программатор PIC микроконтроллеров
СообщениеДобавлено: Вс дек 25, 2011 19:30:17 
Родился
Аватар пользователя

Зарегистрирован: Вс дек 25, 2011 18:57:49
Сообщений: 1
Откуда: Украина, Ровно
Рейтинг сообщения: 0
Доброго уважаемые Коты!!!
Огромное спасибо автору: Анастасия Попкова aka Настя. :beer:
Заработало с первого разу, делал как в описании от начало ,и до конца но ...
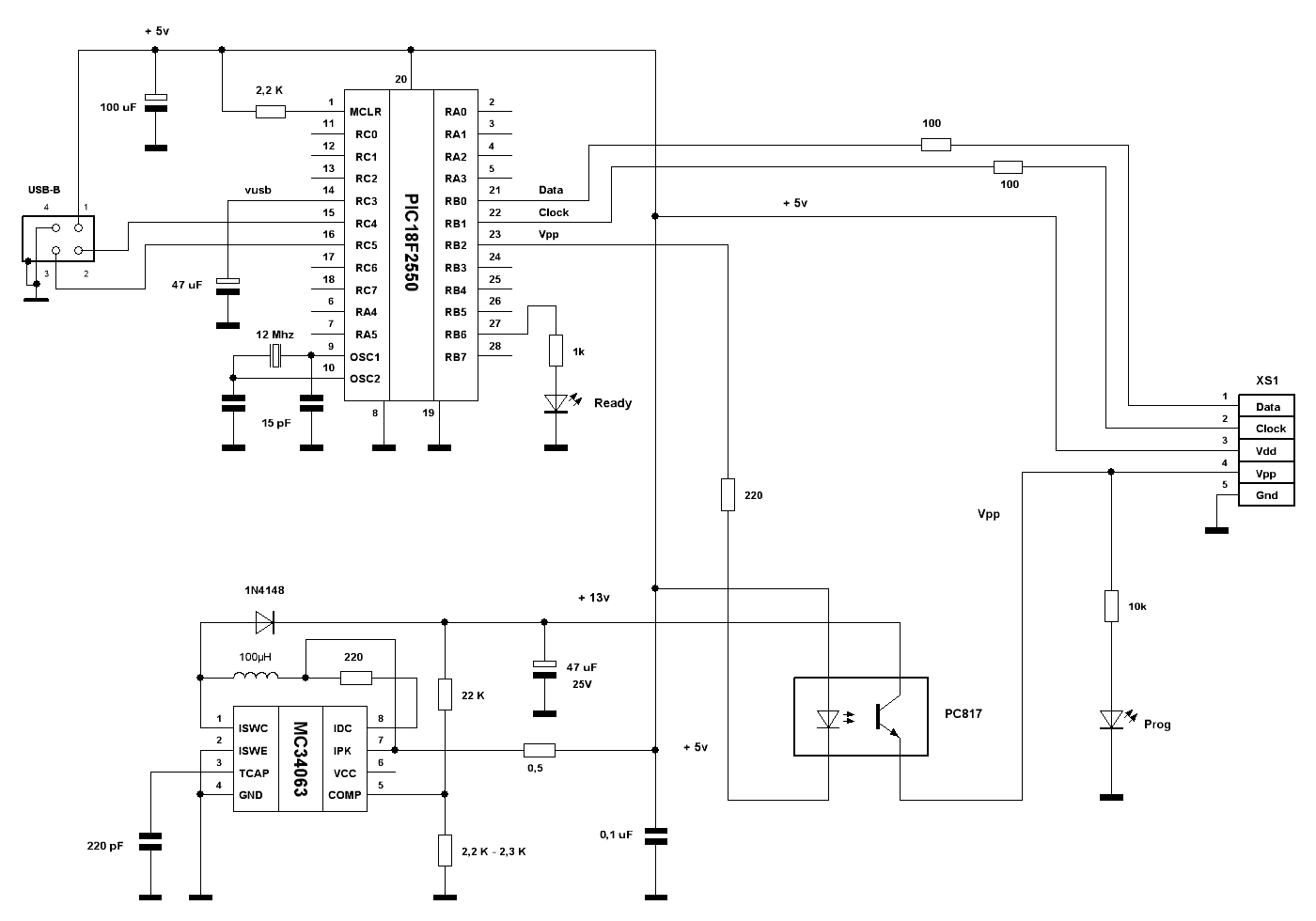
Несколько изменил ,и плату ,и схему с учетом прочитанного на форуме вот что получилось:

Изображение

Изображение

Изображение

Изображение

еще рас спасибо ! :idea:
USB-GTP программатор PIC микроконтроллеров.rar

_________________
на войне как на войне !?


Вернуться наверх
 
 Заголовок сообщения: Re: USB программатор PIC микроконтроллеров
СообщениеДобавлено: Вт янв 17, 2012 14:10:10 
Родился

Зарегистрирован: Вс апр 03, 2011 21:20:42
Сообщений: 10
Откуда: Симферополь
Рейтинг сообщения: 0
Вопрос автору. Будет ли работать схема с преобразователем с прошивкой из Вашей статьи?


Вложения:
pic_sch.gif [26.51 KiB]
Скачиваний: 714
Вернуться наверх
 
 Заголовок сообщения: Re: USB программатор PIC микроконтроллеров
СообщениеДобавлено: Пт фев 10, 2012 13:26:20 
Сверлит текстолит когтями
Аватар пользователя

Карма: 1
Рейтинг сообщений: 16
Зарегистрирован: Пт дек 23, 2011 21:50:58
Сообщений: 1139
Откуда: 123
Рейтинг сообщения: 0
Кто нибудь собирал этот http://tomeko.net/pickit2.php?lang=en ???Чёта я там прошивки не вижу ! Просто нужна рабочая схема и печатка пикит2 полной! не урезанной версии в ДИП корпусе . У кого есть ??? . И ещё нужна схема USB Программатора для еепром 24схх . ! Везде облазил но кроме этой не нащёл http://www.kovlev.ru/tools.html . Но контроллера такого нет . Есть ещё у кого нибудь варианты USB схем ??? Собрал GTP USB Lite PIC программатор . Но это такой Кал :))) . С моим компом не работает . Глюки страшные . Заранее всем благодарен!!


Вложения:
PICkit2_spl.rar [13.54 KiB]
Скачиваний: 308
Вернуться наверх
 
 Заголовок сообщения: Re: USB программатор PIC микроконтроллеров
СообщениеДобавлено: Сб фев 11, 2012 14:23:25 
Первый раз сказал Мяу!
Аватар пользователя

Зарегистрирован: Пт фев 05, 2010 20:47:51
Сообщений: 38
Рейтинг сообщения: 0
меня программатор Extra-PIC ... программа PICPgm Programmer
Изображение
..определяет 18F2550 ну при прошивке выдает ошибку, с задержками пробывал тоже самое
Изображение

, но 16F866 и другие прошивает на ура ....что это может быть??
кристаллу хана
log ...
Код:
Autodetecting PIC ...
Calibrating delay: 50us delay took 56us (loop counter=703)
Detected PIC18F2550, device ID 0x1247!
Warning: Configuration bits not found in HEX file!
Configuration bits found in HEX file (config memory length = 7 bytes)!
JDM Programmer connected and initialized!
Detected PIC18F2550, device ID 0x1247!
Erasing Device ...
Erasing finished!
Programming started ...
Verify Error: Code Mem 0x000004: PIC=0x00F0 Buf=0x0012
Verify Error: Code Mem 0x000005: PIC=0x0012 Buf=0x0000
Verify Error: Code Mem 0x000006: PIC=0x0000 Buf=0x00FF
Verify Error: Code Mem 0x000007: PIC=0x0000 Buf=0x00FF
Verify Error: Code Mem 0x000008: PIC=0x0000 Buf=0x00B4
Verify Error: Code Mem 0x000009: PIC=0x0000 Buf=0x00EF
Verify Error: Code Mem 0x00000A: PIC=0x0000 Buf=0x002C
Verify Error: Code Mem 0x00000B: PIC=0x0000 Buf=0x00F0
Verify Error: Code Mem 0x00000C: PIC=0x0000 Buf=0x0012
Verify Error: Code Mem 0x00000E: PIC=0x0000 Buf=0x00FF
Verify Error: Too much errors in Code Mem, giving up!
Verify Error: Cfg Mem 0x000002: PIC=0x000E Buf=0x003F
Verify Error: Cfg Mem 0x000003: PIC=0x000E Buf=0x001E
Verify Error: Cfg Mem 0x000005: PIC=0x0006 Buf=0x0081
Verify Error: Cfg Mem 0x000006: PIC=0x0004 Buf=0x0085
Verify Error: Cfg Mem 0x000008: PIC=0x000E Buf=0x000F
Verify Error: Cfg Mem 0x000009: PIC=0x0000 Buf=0x00C0
Verify Error: Cfg Mem 0x00000A: PIC=0x000E Buf=0x000F
Verify Error: Cfg Mem 0x00000B: PIC=0x0000 Buf=0x00E0
Verify Error: Cfg Mem 0x00000C: PIC=0x000E Buf=0x000F
Verify Error: Cfg Mem 0x00000D: PIC=0x0000 Buf=0x0040
Programming finished with verify errors!
Operation took  24.0 seconds!


Вложения:
error.JPG [6.86 KiB]
Скачиваний: 5296
PICPgm Programmer.JPG [40.12 KiB]
Скачиваний: 5424

_________________
http://roma4ka.at.ua/
Вернуться наверх
 
 Заголовок сообщения: Re: USB программатор PIC микроконтроллеров
СообщениеДобавлено: Сб фев 11, 2012 17:40:07 
Сверлит текстолит когтями
Аватар пользователя

Карма: 1
Рейтинг сообщений: 16
Зарегистрирован: Пт дек 23, 2011 21:50:58
Сообщений: 1139
Откуда: 123
Рейтинг сообщения: 0
Я Экстро пиком прошил без проблем 2550 .Прошивай прогой WinPic800 3.64 . ФОТО программатора см.


Вложения:
Extra-PIC.rar [722.38 KiB]
Скачиваний: 534
P1010010.rar [359.92 KiB]
Скачиваний: 424
Вернуться наверх
 
 Заголовок сообщения: Re: USB программатор PIC микроконтроллеров
СообщениеДобавлено: Ср фев 22, 2012 00:24:39 
Родился

Зарегистрирован: Чт авг 19, 2010 20:05:52
Сообщений: 3
Рейтинг сообщения: 0
Добрый День ! Столкнулся с проблемой , которую не в силах понять , надеюсь , вы мне поможете :). Сделал программатор brenner8 , установил на комп дрова для него . загорелись светодиоды - для проверки решил прошить пик16ф84а . Потом для проверки скачал из него-же этот хекс - сравнил оригинал с той что в мк .кнопка Compare PIC with HEX-File ошибок не показало , пик нормально распознаётся , а вот кнопка Blank Check показало 900 с чем то ошибок . Как можно исправить ошибку( чтобы прошивалась вся программа) ? На пик16ф630 различия были даже в коде .


Вложения:
проверка программатора на пик16ф84а.rar [4.48 KiB]
Скачиваний: 249
Вернуться наверх
 
 Заголовок сообщения: Re: USB программатор PIC микроконтроллеров
СообщениеДобавлено: Ср фев 22, 2012 05:26:51 
Кнопка Blank Check - для проверки "чистоты" контроллера, если я не ошибаюсь. Естественно будут ошибки - он ведь у Вас прошит.


Вернуться наверх
   
 
 Заголовок сообщения: Re: USB программатор PIC микроконтроллеров
СообщениеДобавлено: Ср фев 22, 2012 16:54:37 
Родился

Зарегистрирован: Чт авг 19, 2010 20:05:52
Сообщений: 3
Рейтинг сообщения: 0
Ещё один баг нашёл : почему то пик16ф630 - у которого 14 ног , распознаётся brennerom только с 18 ногами (18 Pins / ICSP) , если сделать на 14 ( 8/14 Pins), то USB burn не может найти в библиотеке что-ли такой мк.


Вернуться наверх
 
 Заголовок сообщения: Re: USB программатор PIC микроконтроллеров
СообщениеДобавлено: Пт фев 24, 2012 16:20:44 
Родился

Зарегистрирован: Вс апр 03, 2011 21:20:42
Сообщений: 10
Откуда: Симферополь
Рейтинг сообщения: 0
Кто нибудь делал программатор из статьи, на SMD элементной базе?


Вернуться наверх
 
 Заголовок сообщения: Re: USB программатор PIC микроконтроллеров
СообщениеДобавлено: Вт мар 06, 2012 17:34:12 
Встал на лапы
Аватар пользователя

Зарегистрирован: Вт мар 10, 2009 17:06:05
Сообщений: 143
Рейтинг сообщения: 0
После длительного перерыва попробовал запустить его на windows 7 и прежние драйвера не подходят как найти выход ?

_________________
На реке ль, на озере Работал на бульдозере, Весь в комбинезоне и в пыли,- Вкалывал я до зари, Считал, что черви - козыри, Из грунта выколачивал рубли.


Вернуться наверх
 
 Заголовок сообщения: Re: USB программатор PIC микроконтроллеров
СообщениеДобавлено: Вт мар 06, 2012 21:44:44 
Открыл глаза

Зарегистрирован: Ср янв 11, 2012 22:15:20
Сообщений: 48
Рейтинг сообщения: 0
http://drp.su/ru/ здесь поищи там есть видео как


Вернуться наверх
 
 Заголовок сообщения: Re: USB программатор PIC микроконтроллеров
СообщениеДобавлено: Чт мар 08, 2012 16:25:59 
Встал на лапы
Аватар пользователя

Зарегистрирован: Вт мар 10, 2009 17:06:05
Сообщений: 143
Рейтинг сообщения: 0
На семерку можно поставить VMware а на нее xp и драйвера старые подходят. Только всеравно ошибка вылазиет типо связь с прибором недоступна, но это наверное криво собрал потому- что.

_________________
На реке ль, на озере Работал на бульдозере, Весь в комбинезоне и в пыли,- Вкалывал я до зари, Считал, что черви - козыри, Из грунта выколачивал рубли.


Вернуться наверх
 
 Заголовок сообщения: Re: USB программатор PIC микроконтроллеров
СообщениеДобавлено: Пн мар 12, 2012 21:28:13 
Родился

Зарегистрирован: Пн мар 12, 2012 14:40:02
Сообщений: 6
Рейтинг сообщения: 0
Вечер добрый!
Я пытаюсь собрать Brenner8p. Первый раз на руках был только PIC 2550 в корпусе SO. Залил на него прошивку b8_fw12.hex через ART2003 и WinPic800 3.64 со включенным битом LVP. Развёл плату, собрал. При подключении появляется сообщение, что устройство USB не распознаётся. На компьютерах с Win7 пишется, что устройство сообщило о неполадках и остановлено, код 43. Обновить драйвер не получается, пишет, что более подходящий драйвер не найден.
Купил ещё один 2550 в DIP, собрал часть на макетной плате. Все компоненты взял новые. Заливал прошивку и бутлоадер через ART2003, появляется та же ошибка. Пробовал заливать прошивку и бутлоадер через Light JDM. Прошивается успешно без LVP, но результат тот же.
В чём может быть причина?
Заранее спасибо за помощь :-)

PS. При включении индикаторы загораются как положено, насколько я понимаю. Если залит бутлоадер - постоянно горят, если прошивка - загораются и гаснут друг за другом.


Вложения:
Light JDM.jpg [42.7 KiB]
Скачиваний: 968
ART2003.gif [25.68 KiB]
Скачиваний: 889
Вернуться наверх
 
 Заголовок сообщения: Re: USB программатор PIC микроконтроллеров
СообщениеДобавлено: Ср мар 14, 2012 00:34:45 
Родился

Зарегистрирован: Вс апр 03, 2011 21:20:42
Сообщений: 10
Откуда: Симферополь
Рейтинг сообщения: 0
На счёт JDM не скажу, а ART2003 проверь напряжения на 20 (5В) и 1 (12В) выводах МК в процессе программирования.
Если сильно отличаются, то либо MK дохлый либо с LPT портом непорядок (например не соответствует спецификации и тогда пробовать на др. компе; настройки BIOS посмотреть). Это при условии правильного монтажа и нормальной прошивки.


Вернуться наверх
 
 Заголовок сообщения: Re: USB программатор PIC микроконтроллеров
СообщениеДобавлено: Ср мар 14, 2012 05:12:49 
Не геморойтесь вы с этими обрезками типа ART!
Соберите лучше EXTRAPIC. Он того стоит.


Вернуться наверх
   
 
Показать сообщения за:  Сортировать по:  Вернуться наверх
Начать новую тему Ответить на тему  [ Сообщений: 1476 ]     ... , , , 54, , , ...  

Часовой пояс: UTC + 3 часа


Вы не можете начинать темы
Вы не можете отвечать на сообщения
Вы не можете редактировать свои сообщения
Вы не можете удалять свои сообщения
Вы не можете добавлять вложения

Найти:
Перейти:  


Powered by phpBB © 2000, 2002, 2005, 2007 phpBB Group
Русская поддержка phpBB
Extended by Karma MOD © 2007—2012 m157y
Extended by Topic Tags MOD © 2012 m157y