Например TDA7294

Форум РадиоКот • Просмотр темы - Цифровая паяльная станция (от михи-псков)
Форум РадиоКот
Здесь можно немножко помяукать :)

Текущее время: Вс ноя 02, 2025 00:28:44

Часовой пояс: UTC + 3 часа


ПРЯМО СЕЙЧАС:



Начать новую тему Ответить на тему  [ Сообщений: 10601 ]     ... , , , 529, ,  
Автор Сообщение
Не в сети
 Заголовок сообщения: Re: Цифровая паяльная станция (от михи-псков)
СообщениеДобавлено: Сб окт 14, 2023 21:41:55 
Родился

Зарегистрирован: Сб окт 14, 2023 21:14:39
Сообщений: 2
Рейтинг сообщения: 0
Здравствуйте, помогите пожалуйста. Мне нужна прошивка для паяльника но чтобы паяльник ни когда не засыпал и не отключался, а регулировка шла от 50 градусов и желательно до 240 градусов. Я эту схему хочу смонтировать в электрическую духовку для сушки филамента и отжига готовых деталей в 3D печати.


Вернуться наверх
 
Не в сети
 Заголовок сообщения: Re: Цифровая паяльная станция (от михи-псков)
СообщениеДобавлено: Сб окт 21, 2023 07:52:29 
Потрогал лапой паяльник

Зарегистрирован: Сб май 03, 2014 20:01:51
Сообщений: 361
Откуда: Ижевск
Рейтинг сообщения: 0
Здравствуйте, помогите пожалуйста. Мне нужна прошивка для паяльника но чтобы паяльник ни когда не засыпал и не отключался, а регулировка шла от 50 градусов и желательно до 240 градусов. Я эту схему хочу смонтировать в электрическую духовку для сушки филамента и отжига готовых деталей в 3D печати.

купи китайскую плату регулятора температуры за 100р

_________________
Электроника -очень точная наука, бубен необходимо держать в левой руке!!!


Вернуться наверх
 
Не в сети
 Заголовок сообщения: Re: Цифровая паяльная станция (от михи-псков)
СообщениеДобавлено: Сб окт 21, 2023 17:34:27 
Друг Кота
Аватар пользователя

Карма: 196
Рейтинг сообщений: 8568
Зарегистрирован: Пн ноя 30, 2009 03:00:01
Сообщений: 42832
Откуда: Нерезиновая
Рейтинг сообщения: 0
не каждую плату можно купить.. Вот эти- (имхо) подойдут:
https://aliexpress.ru/item/1005004398579692.html
https://aliexpress.ru/item/32991261128.html
Сергей 77777 писал(а):
Мне нужна прошивка для паяльника но чтобы паяльник ни когда не засыпал и не отключался,

Вряд ли вам кто-то будет прошивку переделывать. А что, более простои (аналоговый) регулятор вас не устроит?
Типа такого:
СпойлерИзображение

http://radiolabs.ru/content/public/upload/fig4_1_o.jpg
http://radiolabs.ru/index.php?controlle ... d_post=889


Вернуться наверх
 
Не в сети
 Заголовок сообщения: Re: Цифровая паяльная станция (от михи-псков)
СообщениеДобавлено: Чт окт 26, 2023 18:43:14 
Родился

Зарегистрирован: Чт окт 26, 2023 18:03:41
Сообщений: 8
Рейтинг сообщения: 0
Доброго времени суток всем! Подскажите пожалуйста, имеется проблема со станцией lukey 852d+. Решил недавно поработать на ней, месяца полтора не использовалась, стояла в шкафу, включаю её и сразу фен заработал при отжатой кнопке включения фена, текущую температуру показывает 210 градусов (чего конечно же не долдно быть). Соединение с термопарой проверил, резисторы соответствуют номинальным значениям. Грешу на операционный усилитель op07c. Подскажите какой из них заказывать op07cd или op07cdr? В чём вообще разница между ними? Приложил фото ОП.


Вложения:
Изображение.jpg [89.67 KiB]
Скачиваний: 178
Вернуться наверх
 
Эиком - электронные компоненты и радиодетали
Не в сети
 Заголовок сообщения: Re: Цифровая паяльная станция (от михи-псков)
СообщениеДобавлено: Чт окт 26, 2023 21:48:22 
Друг Кота
Аватар пользователя

Карма: 196
Рейтинг сообщений: 8568
Зарегистрирован: Пн ноя 30, 2009 03:00:01
Сообщений: 42832
Откуда: Нерезиновая
Рейтинг сообщения: 0
SeekerOfTheLight писал(а):
Подскажите какой из них заказывать op07cd или op07cdr? В чём вообще разница между ними?
OP07СD упакован в пластиковые палки по 75 штук в упаковке, а OP07CDR упакован в ленту 2500 штук в ленте
https://static.chipdip.ru/lib/236/DOC012236340.pdf
Таблица на 13 странице, PACKAGING INFORMATION:
:dont_know:


Вернуться наверх
 
Не в сети
 Заголовок сообщения: Re: Цифровая паяльная станция (от михи-псков)
СообщениеДобавлено: Пт окт 27, 2023 04:04:34 
Родился

Зарегистрирован: Чт окт 26, 2023 18:03:41
Сообщений: 8
Рейтинг сообщения: 0
АлександрЛ, благодарю вас, голову себе сломал на этой маркировке. В даташите видел, что упаковка отличается, но даже и не подумал, что она на название повлияет :D


Вернуться наверх
 
Не в сети
 Заголовок сообщения: Re: Цифровая паяльная станция (от михи-псков)
СообщениеДобавлено: Пт ноя 10, 2023 19:41:51 
Встал на лапы
Аватар пользователя

Карма: 3
Рейтинг сообщений: 3
Зарегистрирован: Вс мар 18, 2012 23:42:28
Сообщений: 90
Откуда: Novosib
Рейтинг сообщения: 0
Всем здравствуйте. Подскажите- напомните. Собирал лет 8-10 назад, не помню уже. Чет найти не могу. Вроде про это где то было... В канале фена стоит оптосимистор MOC... Так вот он без зеро-кросс, если с кроссом ставить будет лучше? Или наиборот хуже? Подскажите кто в курсе.


Вернуться наверх
 
Не в сети
 Заголовок сообщения: Re: Цифровая паяльная станция (от михи-псков)
СообщениеДобавлено: Пт ноя 10, 2023 20:29:55 
Потрогал лапой паяльник
Аватар пользователя

Карма: 12
Рейтинг сообщений: 72
Зарегистрирован: Пт ноя 20, 2015 18:49:43
Сообщений: 348
Рейтинг сообщения: 0
Посмотрел старые лай платы, стоит MOC3063 с zero. Паялку отдал, до сих пор работает в сервисе :)


Вернуться наверх
 
Не в сети
 Заголовок сообщения: Re: Цифровая паяльная станция (от михи-псков)
СообщениеДобавлено: Пт ноя 10, 2023 20:50:56 
Встал на лапы
Аватар пользователя

Карма: 3
Рейтинг сообщений: 3
Зарегистрирован: Вс мар 18, 2012 23:42:28
Сообщений: 90
Откуда: Novosib
Рейтинг сообщения: 0
Ну да, у меня в фене тоже стоит с зеро-кроссом 3043 и с диодом срезающим полуволну... Схем то много, в некоторых с кроссом, а в других без...
Да я поставил на духовку такой контроллер, что то работает не очень. Нагрев мне кажется затянут и свет мигает немного. Без диода конечно симистор- драйвер...
Вроде тогда были толки про то что частота шима не сходится с переходом через ноль и получаются как бы пропуски открытия симистора. Может я и не то вспомнил. Вот и спросил.


Вернуться наверх
 
Не в сети
 Заголовок сообщения: Re: Цифровая паяльная станция (от михи-псков)
СообщениеДобавлено: Пн ноя 13, 2023 09:23:46 
Потрогал лапой паяльник
Аватар пользователя

Карма: 12
Рейтинг сообщений: 72
Зарегистрирован: Пт ноя 20, 2015 18:49:43
Сообщений: 348
Рейтинг сообщения: 0
Да, нагрев затянут тк полуволна. Даже помню ставил на фен с большим сопротивлением нагрев спирали и температура не могла выйти на максимум возможного.

Насколько я помню:
С зеро меньше моргал свет.
Прошивку делал Volly, но у него не было фена. Поэтому сделал как смог.
И была еще его прошивка для лукей 852D без среза полуволны.


Вернуться наверх
 
Не в сети
 Заголовок сообщения: Re: Цифровая паяльная станция (от михи-псков)
СообщениеДобавлено: Чт ноя 16, 2023 18:49:00 
Встал на лапы
Аватар пользователя

Карма: 3
Рейтинг сообщений: 3
Зарегистрирован: Вс мар 18, 2012 23:42:28
Сообщений: 90
Откуда: Novosib
Рейтинг сообщения: 0
В общем поставил без детектора нуля- нагрев стал быстрее. Помехи в сеть идут так же как и с зеро-кроссом. Прошивку может и попробую поменять, но не точно. Вроде была как реле на симисторе прошивка- без шима... Найду если в куче прошивок...


Вернуться наверх
 
Не в сети
 Заголовок сообщения: Re: Цифровая паяльная станция (от михи-псков)
СообщениеДобавлено: Пт дек 22, 2023 19:32:58 
Друг Кота
Аватар пользователя

Карма: 55
Рейтинг сообщений: 1637
Зарегистрирован: Чт июн 09, 2011 17:17:47
Сообщений: 5725
Рейтинг сообщения: 0
Фен, прошивка Lukey_rework_b5_fen, минимальная устанавливаемая температура 200 градусов. Вопрос, есть ли прошивки с меньшей минимальной температурой?

Схема, на всякий.

Изображение


Вернуться наверх
 
Не в сети
 Заголовок сообщения: Re: Цифровая паяльная станция (от михи-псков)
СообщениеДобавлено: Вс дек 24, 2023 13:02:34 
Потрогал лапой паяльник

Карма: 6
Рейтинг сообщений: 56
Зарегистрирован: Вт апр 21, 2009 18:56:53
Сообщений: 388
Откуда: замкадье
Рейтинг сообщения: 4
Если склероз не подводит, у меня зашита эта, минимально 50 гр


Вложения:
FW-Volly-225-Lukey_rework_b5.rar [8.69 KiB]
Скачиваний: 125
Вернуться наверх
 
Не в сети
 Заголовок сообщения: Re: Цифровая паяльная станция (от михи-псков)
СообщениеДобавлено: Вс дек 24, 2023 22:12:41 
Друг Кота
Аватар пользователя

Карма: 55
Рейтинг сообщений: 1637
Зарегистрирован: Чт июн 09, 2011 17:17:47
Сообщений: 5725
Рейтинг сообщения: 0
Спасибо. В прошивке Lukey_rework_b5_fen тоже 50 градусов минимум. Оказалось, что кнопка минус окислилась и если установить кнопкой Mem 200 градусов, то ниже не мог из за этого. Вообще плюс/минусом как то не пользовался и мне хватало кнопки Mem. Может кнопка минус вообще изначально не работала, пролил из шприца все кнопки WD40 и все заработало.

PS. Почитал FAQ, как я понял, во всех прошивках мин 50 градусов.
...
Минимальная температура термофена 50 градусов.
Максимальная температура термофена 480 градусов
...


Вернуться наверх
 
Не в сети
 Заголовок сообщения: Re: Цифровая паяльная станция (от михи-псков)
СообщениеДобавлено: Ср янв 10, 2024 08:56:26 
Друг Кота
Аватар пользователя

Карма: 55
Рейтинг сообщений: 1637
Зарегистрирован: Чт июн 09, 2011 17:17:47
Сообщений: 5725
Рейтинг сообщения: 0
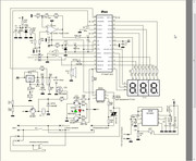
Хотел спросить, схема паяльника, прошивка SI_Mikha_VP_v1.4. Работает ли в этой прошивке выход из режима Stand-by по пину PB2 (замыкание на массу)?
Подключено по этой схеме, пробую замыкать PB2 на массу, из режима Stand-by не выходит.
Судя по описанию, должно все работать, но не работает..
Цитата:
Длинным нажатием на М1 переходим в режим установки времени таймера (t) (для перехода в
ждущий режим Stb и затем в OFF). Кнопками Т+ и Т- устанавливаем время (0 – таймер выключен).
Коротким нажатием М1 включаем/выключаем возможность сброса таймера при активности паяльника,-
индицируется точкой в первом разряде
Пробовал дождаться Stand-by с точкой и без в правом (первом) разряде, не "просыпается"

Изображение

Кто пользуется данной прошивкой, отпишитесь, может подключено не так?


Вернуться наверх
 
Не в сети
 Заголовок сообщения: Re: Цифровая паяльная станция (от михи-псков)
СообщениеДобавлено: Ср янв 10, 2024 11:55:08 
Встал на лапы

Карма: 1
Рейтинг сообщений: 19
Зарегистрирован: Чт сен 10, 2015 07:46:20
Сообщений: 130
Откуда: Приднестровье
Рейтинг сообщения: 4
Здравствуйте,Ruzik в этой прошивке отслеживается отбор мощности паяльника и если паяльником не пользоваться он будет уходить в сон,а из сна можно выйти только нажав кнопку.


Вернуться наверх
 
Не в сети
 Заголовок сообщения: Re: Цифровая паяльная станция (от михи-псков)
СообщениеДобавлено: Ср янв 10, 2024 13:03:16 
Друг Кота
Аватар пользователя

Карма: 55
Рейтинг сообщений: 1637
Зарегистрирован: Чт июн 09, 2011 17:17:47
Сообщений: 5725
Рейтинг сообщения: 0
petrf
Спасибо, странно почему автор этого не сделал (выход из сна по пину PB2). И спросить его нет возможности, год как нет на форуме.


Вернуться наверх
 
Не в сети
 Заголовок сообщения: Re: Цифровая паяльная станция (от михи-псков)
СообщениеДобавлено: Ср янв 10, 2024 13:22:24 
Встал на лапы

Карма: 1
Рейтинг сообщений: 19
Зарегистрирован: Чт сен 10, 2015 07:46:20
Сообщений: 130
Откуда: Приднестровье
Рейтинг сообщения: 0
Это было реализовано в прошивки Volly.


Вернуться наверх
 
Не в сети
 Заголовок сообщения: Re: Цифровая паяльная станция (от михи-псков)
СообщениеДобавлено: Ср янв 10, 2024 13:35:51 
Друг Кота
Аватар пользователя

Карма: 55
Рейтинг сообщений: 1637
Зарегистрирован: Чт июн 09, 2011 17:17:47
Сообщений: 5725
Рейтинг сообщения: 0
Последняя прошивка от Volly для паяльника, можешь подсказать название?


Вернуться наверх
 
Не в сети
 Заголовок сообщения: Re: Цифровая паяльная станция (от михи-псков)
СообщениеДобавлено: Ср янв 10, 2024 14:33:39 
Потрогал лапой паяльник
Аватар пользователя

Карма: 12
Рейтинг сообщений: 72
Зарегистрирован: Пт ноя 20, 2015 18:49:43
Сообщений: 348
Рейтинг сообщения: 4
В этой 100% есть.

Добавлено after 9 minutes 46 seconds:
Старое видео и настройки.


Вложения:
От Volly1.doc [14 KiB]
Скачиваний: 128
Подключение датчика наличия паяльника на подставке.doc [11 KiB]
Скачиваний: 104
FW-Volly-195-Firmw.3.9b.CC&CA Fix.rar [11.62 KiB]
Скачиваний: 146
Вернуться наверх
 
Показать сообщения за:  Сортировать по:  Вернуться наверх
Начать новую тему Ответить на тему  [ Сообщений: 10601 ]     ... , , , 529, ,  

Часовой пояс: UTC + 3 часа


Кто сейчас на форуме

Сейчас этот форум просматривают: SP634 и гости: 31


Вы не можете начинать темы
Вы не можете отвечать на сообщения
Вы не можете редактировать свои сообщения
Вы не можете удалять свои сообщения
Вы не можете добавлять вложения

Найти:
Перейти:  


Powered by phpBB © 2000, 2002, 2005, 2007 phpBB Group
Русская поддержка phpBB
Extended by Karma MOD © 2007—2012 m157y
Extended by Topic Tags MOD © 2012 m157y