Например TDA7294

Форум РадиоКот • Просмотр темы - Цифровая паяльная станция (от михи-псков)
Форум РадиоКот
Здесь можно немножко помяукать :)

Текущее время: Вс окт 19, 2025 07:39:37

Часовой пояс: UTC + 3 часа


ПРЯМО СЕЙЧАС:



Начать новую тему Ответить на тему  [ Сообщений: 10601 ]     ... , , , 525, , , ...  
Автор Сообщение
Не в сети
 Заголовок сообщения: Re: Цифровая паяльная станция (от михи-псков)
СообщениеДобавлено: Вс дек 27, 2020 21:17:32 
Поставщик валерьянки для Кота
Аватар пользователя

Карма: 24
Рейтинг сообщений: 596
Зарегистрирован: Сб окт 10, 2009 10:34:07
Сообщений: 2168
Откуда: Україна, Хорол
Рейтинг сообщения: 0
Я что-то не пойму - musor сменил никнейм на veliant?

может бот какой
Зарегистрирован: Сб дек 19, 2020 16:17:59
пишет сразу в 2 темы, сам не понимает, что собрал

_________________
Мои паяльные станции: первая, вторая, фен.


Вернуться наверх
 
Не в сети
 Заголовок сообщения: Re: Цифровая паяльная станция (от михи-псков)
СообщениеДобавлено: Вс дек 27, 2020 21:27:24 
Друг Кота
Аватар пользователя

Карма: 18
Рейтинг сообщений: 1121
Зарегистрирован: Пт ноя 27, 2009 18:12:27
Сообщений: 4625
Откуда: Черкассы, UA
Рейтинг сообщения: 0
Я незнаю кто такой musor

Ну так найди его сообщения и сравни со своими - много отличий найдешь?

я нашол схему в инете немного доработал исправил ошибки монтажа собрал

"Имя, сестра, имя..." (С)
В данном случае - схема. Знаешь, как это выглядит? "Я собрал паяльную станцию по своей схеме на своей печатке, вам их не покажу, но вы все равно скажите мне, почему она не работает." Здесь, насколько я знаю, экстрасенсов нету.

_________________
Изображение

В мире нет вредных веществ, в мире есть вредные количества © Д.И.Менделеев
Когда на форуме переходят на "Вы", в реальной жизни уже давно бьют морду © автор неизвестен.


Вернуться наверх
 
Не в сети
 Заголовок сообщения: Re: Цифровая паяльная станция (от михи-псков)
СообщениеДобавлено: Вс дек 27, 2020 22:05:00 
Открыл глаза

Зарегистрирован: Сб дек 19, 2020 17:17:59
Сообщений: 60
Рейтинг сообщения: 0
Может и схема работает я не спорю но я пока не могу разобрать почиму я не могу стабилизировать температура скачит в больших приделах. Я прочитал много информация по поводу настройки и сборки но пока не как я не спорю у когось все получается все и сразу.
Но у меня все не так.


Вернуться наверх
 
Не в сети
 Заголовок сообщения: Re: Цифровая паяльная станция (от михи-псков)
СообщениеДобавлено: Вс янв 03, 2021 12:59:43 
Родился

Зарегистрирован: Вт дек 03, 2013 18:32:24
Сообщений: 19
Рейтинг сообщения: 0
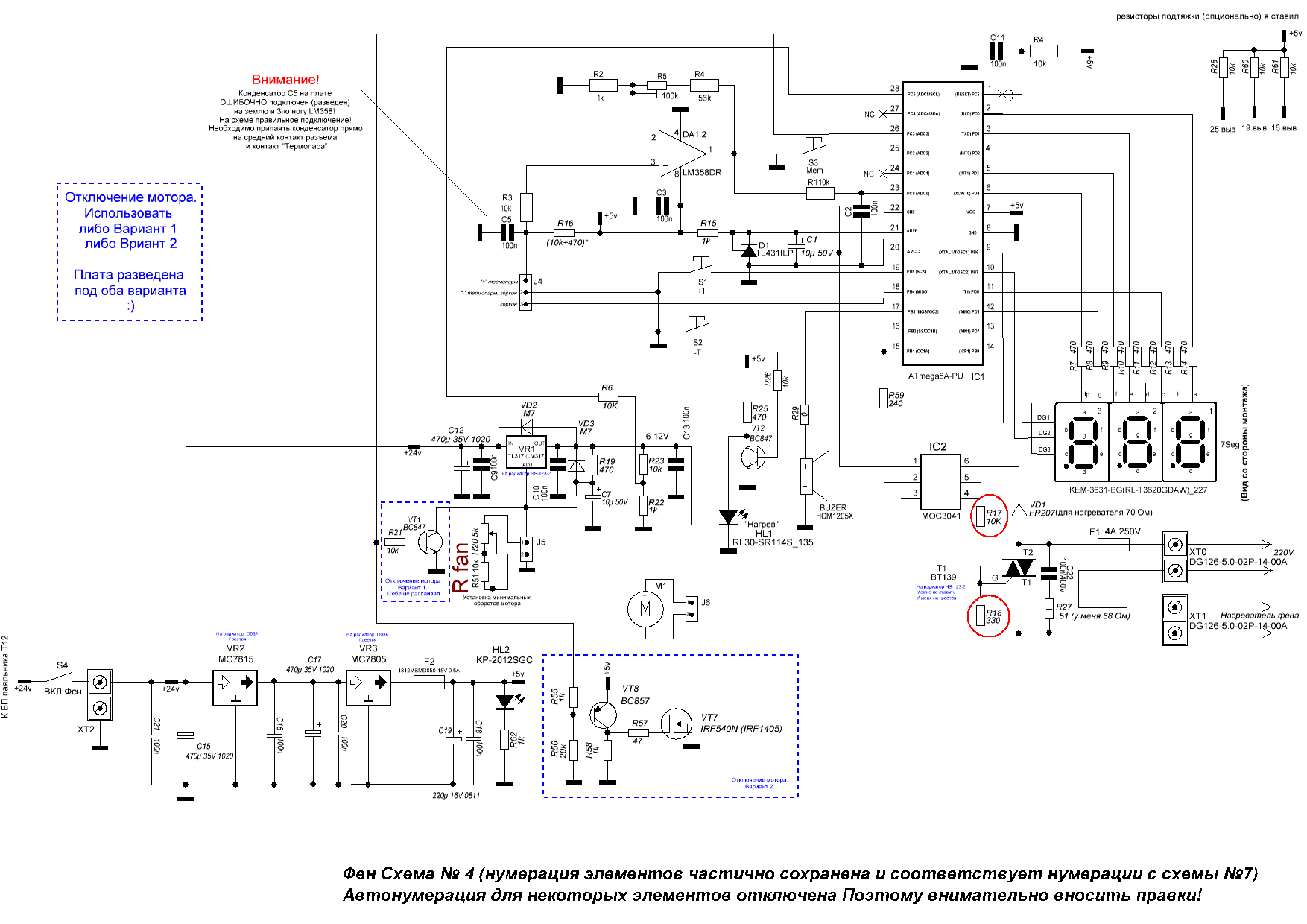
люди добрые помогите найти прошивку под эту схему
третий день копаюсь , перепробовал кучу прошивок то не греет то кракозяблы кажет , в FAQ половина ссылок мертвая .


Вложения:
Fan_Miha№4_mod_RWN_v07.GIF [79.82 KiB]
Скачиваний: 604
Вернуться наверх
 
Эиком - электронные компоненты и радиодетали
Не в сети
 Заголовок сообщения: Re: Цифровая паяльная станция (от михи-псков)
СообщениеДобавлено: Вс янв 03, 2021 13:26:02 
Встал на лапы

Карма: 1
Рейтинг сообщений: 19
Зарегистрирован: Чт сен 10, 2015 07:46:20
Сообщений: 130
Откуда: Приднестровье
Рейтинг сообщения: 0
Здравствуйте,REI посмотрите стр.505.


Вернуться наверх
 
Не в сети
 Заголовок сообщения: Re: Цифровая паяльная станция (от михи-псков)
СообщениеДобавлено: Вс янв 03, 2021 19:53:55 
Родился

Зарегистрирован: Вт дек 03, 2013 18:32:24
Сообщений: 19
Рейтинг сообщения: 0
спасибо с прошивкой разобрался вроде все работает . но не могу заставить мерить температуру хоть как то вразумительно , начинает показывать близкое к реальной если подтяжку термопары на +5в ставить ом 30-40 ток подстроечник греется
обвязку оу крутил сам оу менял толку нету .
подскажите куда копать и что смотреть


Вернуться наверх
 
Не в сети
 Заголовок сообщения: Re: Цифровая паяльная станция (от михи-псков)
СообщениеДобавлено: Вс янв 03, 2021 20:35:29 
Встал на лапы

Карма: 1
Рейтинг сообщений: 19
Зарегистрирован: Чт сен 10, 2015 07:46:20
Сообщений: 130
Откуда: Приднестровье
Рейтинг сообщения: 0
Выложите фаил печатной платы и фото,что спаяли.


Вернуться наверх
 
Не в сети
 Заголовок сообщения: Re: Цифровая паяльная станция (от михи-псков)
СообщениеДобавлено: Вс янв 03, 2021 21:19:20 
Родился

Зарегистрирован: Вт дек 03, 2013 18:32:24
Сообщений: 19
Рейтинг сообщения: 0
собрал настроил работает может кому пригодится выкладываю свой вариант бп на uc3843 + термофен
в архиве все что относится к моему проекту (схема, плата,расчеты, прошивка)
https://drive.google.com/file/d/1nRTxFS ... sp=sharing


Вернуться наверх
 
Не в сети
 Заголовок сообщения: Re: Цифровая паяльная станция (от михи-псков)
СообщениеДобавлено: Вт янв 05, 2021 23:03:36 
Родился

Зарегистрирован: Вт янв 05, 2021 22:38:06
Сообщений: 8
Рейтинг сообщения: 0
Привет. Подскажите й пожалуйста новичку. Захотел купить Lukey 702 из за того, что говорят он ремонтопригоден. В отличии от ноунеймов не затертый микроконтроллер . Но тут засада. Все говорилось о старых люкеях. Сейчас вышли новые на smd и процессоры незнаю какие ,есть атмеги8а, может другие. Подскажите они новые Люкеи 702 не залочены? можно ли их прошить? Знаю ,что с зелёными кнопками старые , синие новые. Есть какие то 2 коробки одна синияя на китайском одна новая жёлтая с русским текстом. У них внутренности одинаковые? Какой люкей предпочесть? Спасибо за ответ.


Вложения:
7697-31.jpg [35.13 KiB]
Скачиваний: 440
Вернуться наверх
 
Не в сети
 Заголовок сообщения: Re: Цифровая паяльная станция (от михи-псков)
СообщениеДобавлено: Ср янв 06, 2021 09:51:40 
Родился

Зарегистрирован: Вт дек 03, 2013 18:32:24
Сообщений: 19
Рейтинг сообщения: 0
на мой взгляд люкей 702 всем хороша , но паяльник убогий до безобразия промучившись купил отдельный на stm32 T12.


Вернуться наверх
 
Не в сети
 Заголовок сообщения: Re: Цифровая паяльная станция (от михи-псков)
СообщениеДобавлено: Чт янв 14, 2021 15:36:30 
Первый раз сказал Мяу!

Зарегистрирован: Ср янв 27, 2010 10:26:25
Сообщений: 21
Рейтинг сообщения: 1
Привет. Подскажите й пожалуйста новичку. ... Подскажите они новые Люкеи 702 не залочены? можно ли их прошить?


Залоченный контроллер считать не удастся , а перепрошить можно , предварительно сбросив . Если же его уже перешивали и установили фьюзы для работы с внешним генератором или кварцем , то и это поправимо .. Ну, а на крайняк - "Фьюз бит доктор в помощь" , или параллельный программатор , если залочили SPIEN . Все решаемо.


Вернуться наверх
 
Не в сети
 Заголовок сообщения: Re: Цифровая паяльная станция (от михи-псков)
СообщениеДобавлено: Пн янв 18, 2021 09:23:58 
Родился

Зарегистрирован: Вт янв 05, 2021 22:38:06
Сообщений: 8
Рейтинг сообщения: 0
vlakar, спасибо большое. Взял Lukey702, от Профи в жёлтой коробке и с русскими надписями инструкцией, пока не разбирал, гарантия лейбл. Там наверно смд и atmega8a ua?


Вернуться наверх
 
Не в сети
 Заголовок сообщения: Re: Цифровая паяльная станция (от михи-псков)
СообщениеДобавлено: Пн янв 18, 2021 10:03:30 
Собутыльник Кота
Аватар пользователя

Карма: 75
Рейтинг сообщений: 405
Зарегистрирован: Вс ноя 01, 2009 00:18:20
Сообщений: 2566
Откуда: St.Petersburg
Рейтинг сообщения: 2
И не разбирай!
Не мешай ей работать :)
Сломается, тогда и полезешь.
Не забывай только по окончании работ из розетки выдёргивать.


Вернуться наверх
 
Не в сети
 Заголовок сообщения: Re: Цифровая паяльная станция (от михи-псков)
СообщениеДобавлено: Пн янв 18, 2021 19:26:21 
Грызет канифоль
Аватар пользователя

Карма: 1
Рейтинг сообщений: 15
Зарегистрирован: Ср ноя 03, 2010 20:29:24
Сообщений: 252
Рейтинг сообщения: 1
Наконечник на паяльнике заменил на медный, паяльник стал просто класс, по мне так лучше не придумать.
CeleronN70 обязательно выдергивайте вилку из розетки после работы, сетевой выключатель отключает станцию от сети не полностью, например в моей остается под напряжением сети тиристор (в цепи нагревателя фена).


Вернуться наверх
 
Не в сети
 Заголовок сообщения: Re: Цифровая паяльная станция (от михи-псков)
СообщениеДобавлено: Ср янв 20, 2021 16:29:43 
Первый раз сказал Мяу!

Зарегистрирован: Ср янв 27, 2010 10:26:25
Сообщений: 21
Рейтинг сообщения: 0
В старых Lukey-ях , на плате были ATmega8 в корпусе DIP , и монтаж на дискретных элементах, а в новых - в корпусе TQFP-32 и SMD деталюхи.


Вернуться наверх
 
Не в сети
 Заголовок сообщения: Re: Цифровая паяльная станция (от михи-псков)
СообщениеДобавлено: Пт фев 05, 2021 06:34:46 
Родился

Зарегистрирован: Вт янв 05, 2021 22:38:06
Сообщений: 8
Рейтинг сообщения: 0
Станция новой ревизии там на смд все. Подскажите программатор с переходником для lukey 702 проц смд Atmega8a au1730 под прошивку на плате 6 штырьков контактов.


Вернуться наверх
 
Не в сети
 Заголовок сообщения: Re: Цифровая паяльная станция (от михи-псков)
СообщениеДобавлено: Пт фев 05, 2021 07:38:16 
Вымогатель припоя

Карма: 8
Рейтинг сообщений: 57
Зарегистрирован: Ср май 26, 2010 16:24:33
Сообщений: 512
Рейтинг сообщения: 1
Зачем переходники? Любой программатор AVR (USBASP, AVRISP mkII и т.д. их много) проводками коммутируешь и шьешь. Если шить Мегу8, то USBASP хватит за глаза.


Вернуться наверх
 
Не в сети
 Заголовок сообщения: Re: Цифровая паяльная станция (от михи-псков)
СообщениеДобавлено: Пт фев 05, 2021 14:26:43 
Родился

Зарегистрирован: Вт янв 05, 2021 22:38:06
Сообщений: 8
Рейтинг сообщения: 0
А пока не особо разбираюсь в них, можно ссылку на Али?


Вернуться наверх
 
Не в сети
 Заголовок сообщения: Re: Цифровая паяльная станция (от михи-псков)
СообщениеДобавлено: Пт фев 05, 2021 15:29:52 
Собутыльник Кота
Аватар пользователя

Карма: 6
Рейтинг сообщений: 234
Зарегистрирован: Сб окт 16, 2010 12:20:55
Сообщений: 2606
Откуда: Саратовская обл.
Рейтинг сообщения: 0
В старых Lukey-ях , на плате были ATmega8 в корпусе DIP , и монтаж на дискретных элементах, а в новых - в корпусе TQFP-32 и SMD деталюхи.

В моей стояли PIC16F883 заменил на ATmega8 в корпусе DIP и прошил прошивкой от Volly


Вложения:
Lukey_sir_b4_payalnik.rar [5.91 KiB]
Скачиваний: 361
Lukey_rework_b5_fen.rar [8.69 KiB]
Скачиваний: 356

_________________
Если кажется, что работу сделать легко, это непременно будет трудно.
Вернуться наверх
 
Не в сети
 Заголовок сообщения: Re: Цифровая паяльная станция (от михи-псков)
СообщениеДобавлено: Пт фев 05, 2021 16:12:50 
Вымогатель припоя

Карма: 8
Рейтинг сообщений: 57
Зарегистрирован: Ср май 26, 2010 16:24:33
Сообщений: 512
Рейтинг сообщения: 0
CeleronN70 писал(а):
можно ссылку на Али?
там не брал, делал сам


Вернуться наверх
 
Показать сообщения за:  Сортировать по:  Вернуться наверх
Начать новую тему Ответить на тему  [ Сообщений: 10601 ]     ... , , , 525, , , ...  

Часовой пояс: UTC + 3 часа


Кто сейчас на форуме

Сейчас этот форум просматривают: нет зарегистрированных пользователей и гости: 32


Вы не можете начинать темы
Вы не можете отвечать на сообщения
Вы не можете редактировать свои сообщения
Вы не можете удалять свои сообщения
Вы не можете добавлять вложения

Найти:
Перейти:  


Powered by phpBB © 2000, 2002, 2005, 2007 phpBB Group
Русская поддержка phpBB
Extended by Karma MOD © 2007—2012 m157y
Extended by Topic Tags MOD © 2012 m157y