Например TDA7294

Форум РадиоКот • Просмотр темы - Паяльная станция с энкодером.
Форум РадиоКот
Здесь можно немножко помяукать :)

Текущее время: Пн дек 15, 2025 21:38:21

Часовой пояс: UTC + 3 часа


ПРЯМО СЕЙЧАС:



Начать новую тему Ответить на тему  [ Сообщений: 3394 ]     ... , , , 6, , , ...  
Автор Сообщение
Не в сети
 Заголовок сообщения:
СообщениеДобавлено: Чт мар 04, 2010 17:51:09 
Открыл глаза
Аватар пользователя

Зарегистрирован: Сб окт 10, 2009 16:55:59
Сообщений: 42
Откуда: Беларусь г. Витебск
Рейтинг сообщения: 0
вот фото

правда я плату немного изменил. Транзистор не греется!


Вложения:
IMG0028A.jpg [62.25 KiB]
Скачиваний: 3635
IMG0030A.jpg [92.97 KiB]
Скачиваний: 3354
Вернуться наверх
 
Не в сети
 Заголовок сообщения:
СообщениеДобавлено: Чт мар 04, 2010 18:52:20 
Прорезались зубы

Карма: 4
Рейтинг сообщений: 7
Зарегистрирован: Вт фев 17, 2009 10:52:38
Сообщений: 245
Откуда: Kiev
Рейтинг сообщения: 0
Смотри, МК низачто не будет греть паяльник если установленая темпа ниже чем реальная. Как подтверждение - проверь или мультиметром или осцилографом напряжение на выходе ШИМа. Оно будет нулевое, как только реальная темпа превысит на 3 градуса установленую.
Сбрось ещё плату - я гляну разводку. Мож чё и найду.
Главное - отключи питание нагрева (вообще), оставь только питание схемы и меряй выход ШИМа. Совсем класно - если есть термопара. Тогда отключи паяльник, питание нагревателя, а подключи только термопару - тогда сможешь поигратся. Правда мне тогда нужно будет скинуть тебе прошивку без ограничения нижнего порога устанавливаемой темпы.


Вернуться наверх
 
Не в сети
 Заголовок сообщения:
СообщениеДобавлено: Чт мар 04, 2010 18:56:06 
Открыл глаза
Аватар пользователя

Зарегистрирован: Сб окт 10, 2009 16:55:59
Сообщений: 42
Откуда: Беларусь г. Витебск
Рейтинг сообщения: 0
вот плата


Вложения:
.lay [93.09 KiB]
Скачиваний: 1577
Вернуться наверх
 
Не в сети
 Заголовок сообщения:
СообщениеДобавлено: Чт мар 04, 2010 19:52:43 
Опытный кот
Аватар пользователя

Карма: 1
Рейтинг сообщений: 2
Зарегистрирован: Пт мар 06, 2009 18:22:23
Сообщений: 702
Рейтинг сообщения: 0


Последний раз редактировалось Volly Чт мар 04, 2010 22:36:31, всего редактировалось 1 раз.

Вернуться наверх
 
Эиком - электронные компоненты и радиодетали
Не в сети
 Заголовок сообщения:
СообщениеДобавлено: Чт мар 04, 2010 20:28:24 
Прорезались зубы

Карма: 4
Рейтинг сообщений: 7
Зарегистрирован: Вт фев 17, 2009 10:52:38
Сообщений: 245
Откуда: Kiev
Рейтинг сообщения: 0
А не будет ли проблем с общей землёй при такой разводке? Попробуй соединить землю после выпрямителей, а до них разорви.


Вернуться наверх
 
Не в сети
 Заголовок сообщения:
СообщениеДобавлено: Чт мар 04, 2010 22:35:50 
Опытный кот
Аватар пользователя

Карма: 1
Рейтинг сообщений: 2
Зарегистрирован: Пт мар 06, 2009 18:22:23
Сообщений: 702
Рейтинг сообщения: 0
Точно, землю объединять до мостов нельзя, только после.


Вернуться наверх
 
Не в сети
 Заголовок сообщения:
СообщениеДобавлено: Чт мар 04, 2010 22:46:14 
Открыл глаза
Аватар пользователя

Зарегистрирован: Сб окт 10, 2009 16:55:59
Сообщений: 42
Откуда: Беларусь г. Витебск
Рейтинг сообщения: 0
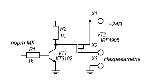
"Контакт S (крайний правый) полевика должен быть подключен непосредственно к земле питания нагревателя" вот это же из статьи!
а у тебя одно напряжение 24В т.е 24В ты питаешь паяльник и из них же делаешь 5В ?

а у меня трансформатор со средней точкой...

а что если паяльник подключить по такой схеме?


Вложения:
gf.JPG [18.61 KiB]
Скачиваний: 2421
Вернуться наверх
 
Не в сети
 Заголовок сообщения:
СообщениеДобавлено: Чт мар 04, 2010 22:55:14 
Прорезались зубы

Карма: 4
Рейтинг сообщений: 7
Зарегистрирован: Вт фев 17, 2009 10:52:38
Сообщений: 245
Откуда: Kiev
Рейтинг сообщения: 0
Всё правильно! А ты объединяешь переменки. Так нельзя. Проще перерезать одну дорожку и впаять перемычку. 5 сек работы.

Предложеная схема ничего не решит. Более того, как я говорил раньше, твой полевик лучше подходит - это серия, которая "по паспорту" может работать с уровнями 5 вольт.


Последний раз редактировалось Shuriko Чт мар 04, 2010 22:57:31, всего редактировалось 1 раз.

Вернуться наверх
 
Не в сети
 Заголовок сообщения:
СообщениеДобавлено: Чт мар 04, 2010 22:56:54 
Открыл глаза
Аватар пользователя

Зарегистрирован: Сб окт 10, 2009 16:55:59
Сообщений: 42
Откуда: Беларусь г. Витебск
Рейтинг сообщения: 0
т.е мне нужно разорвать соединение между входами выпрямителей, а землю выпрямителей соединить


Последний раз редактировалось SKIF05 Чт мар 04, 2010 22:58:58, всего редактировалось 1 раз.

Вернуться наверх
 
Не в сети
 Заголовок сообщения:
СообщениеДобавлено: Чт мар 04, 2010 22:58:16 
Прорезались зубы

Карма: 4
Рейтинг сообщений: 7
Зарегистрирован: Вт фев 17, 2009 10:52:38
Сообщений: 245
Откуда: Kiev
Рейтинг сообщения: 0
Не откладывай на завтра ... ну и так дальше по схеме :)

По поводу моего питания. У меня отдельно вход для каждого напряжения плюс на 5 В стоит стабилизатор. По идее, без подсветки можно и от одного напряжения питать. У меня 19 вольт. Но если использовать подсветку ЛСД - тогда нужен будет радиатор.

Так, там где красное - разрезать. Там где жёлтая стрелка и зелёная перемычка - соединить. Желательно именно там, как можно ближе к выпрямителю, который питает нагреватель. Кстати, конденсатор там можно выкинуть.


Вложения:
Комментарий к файлу: Что сделать!
correction.JPG [67.4 KiB]
Скачиваний: 2536
Вернуться наверх
 
Не в сети
 Заголовок сообщения:
СообщениеДобавлено: Пт мар 05, 2010 21:08:26 
Открыл глаза
Аватар пользователя

Зарегистрирован: Сб окт 10, 2009 16:55:59
Сообщений: 42
Откуда: Беларусь г. Витебск
Рейтинг сообщения: 0
ура!!!! )) заработало))) спасибо всем!!

жаль конечно что меню не на русском. а насчет калибровки нечего не придумал? в смысле по быстрее что бы была!


Вернуться наверх
 
Не в сети
 Заголовок сообщения:
СообщениеДобавлено: Пт мар 05, 2010 22:11:25 
Прорезались зубы

Карма: 4
Рейтинг сообщений: 7
Зарегистрирован: Вт фев 17, 2009 10:52:38
Сообщений: 245
Откуда: Kiev
Рейтинг сообщения: 0
Русский сделаю. А вот калибровку нельзя делать медленной. Как я и говорил - это для того, чтобы минимизировать влияние тепловой инерции. Следующая версия наверно будет ещё медленнее калибровать :)

Давай фотки и впечатления.


Вернуться наверх
 
Не в сети
 Заголовок сообщения:
СообщениеДобавлено: Пт мар 05, 2010 22:21:03 
Открыл глаза
Аватар пользователя

Зарегистрирован: Сб окт 10, 2009 16:55:59
Сообщений: 42
Откуда: Беларусь г. Витебск
Рейтинг сообщения: 0
после выходных выложу!!!


Вернуться наверх
 
Не в сети
 Заголовок сообщения:
СообщениеДобавлено: Пт мар 05, 2010 22:46:42 
Прорезались зубы

Карма: 4
Рейтинг сообщений: 7
Зарегистрирован: Вт фев 17, 2009 10:52:38
Сообщений: 245
Откуда: Kiev
Рейтинг сообщения: 0
Кстати, откалибруй станцию после того как сделал правильно питание, иначе, скорее всего там значения ШИМа неправильные, хотя и так работать будет.

П.С. У тебя индикатор русифицированый? Иначе если я сделаю русское меню, а он будет не русифицированый - будут кракозябры.

Итак, русское меню готово, кроме калибровки - её не трогал за ненадобностью.
Плюс исправлен один баг, связаный с бузером и спящим режимом. А также уменьшен нагрев в спящем режиме. У меня грелся где-то до 50-60 градусов, так что немного уменьшил.
Оказалось, что если из 19 вольт делать 5 даже при токе 25 мА - кренка без радиатора чуток греется. В принципе можно и так оставить, но стрёмно. А ещё и подсветку хочу. Буду искать радиатор.
Ещё одно. Выставить фьюз EESAVE очень полезно - ненужно после прошивки делать снова калибровку. Проверено.


Вложения:
Комментарий к файлу: Прошивка с русским меню
SS_russian_menu.rar [7.02 KiB]
Скачиваний: 1461
Вернуться наверх
 
Не в сети
 Заголовок сообщения:
СообщениеДобавлено: Сб мар 06, 2010 09:11:37 
Открыл глаза
Аватар пользователя

Зарегистрирован: Сб окт 10, 2009 16:55:59
Сообщений: 42
Откуда: Беларусь г. Витебск
Рейтинг сообщения: 0
да русифицированный


Вернуться наверх
 
Не в сети
 Заголовок сообщения:
СообщениеДобавлено: Сб мар 06, 2010 11:41:50 
Прорезались зубы

Карма: 4
Рейтинг сообщений: 7
Зарегистрирован: Вт фев 17, 2009 10:52:38
Сообщений: 245
Откуда: Kiev
Рейтинг сообщения: 0
Ну тогда заливай русскую прошивку. Я уже пользуюсь :)

У меня появилась, возможно, странная идея. Многим нравится станции с семисегментниками. Да и мне тоже. Только вот самое неудобное в них - это меню и, как следствие, настройки. Я вот подумал, а что если к ним добавить возможность настройки через ЮСБ порт (виртуальный СОМ). Тогда удобно через терминал можно настроить станцию. Что думаете?


Вернуться наверх
 
Не в сети
 Заголовок сообщения:
СообщениеДобавлено: Пн мар 08, 2010 14:31:25 
Вымогатель припоя
Аватар пользователя

Карма: 4
Рейтинг сообщений: 102
Зарегистрирован: Чт фев 19, 2009 23:41:27
Сообщений: 615
Откуда: Беларусь, Барановичи
Рейтинг сообщения: 0
Shuriko писал(а):
Ну тогда заливай русскую прошивку. Я уже пользуюсь :)

У меня появилась, возможно, странная идея. Многим нравится станции с семисегментниками. Да и мне тоже. Только вот самое неудобное в них - это меню и, как следствие, настройки. Я вот подумал, а что если к ним добавить возможность настройки через ЮСБ порт (виртуальный СОМ). Тогда удобно через терминал можно настроить станцию. Что думаете?

Хорошая идея для колибровки и создания своих профилей, и расширения функций паяльной станции за счёт управляющей программы на компьютере.

_________________
FAQ по паяльной станции "от михи-псков" и доработке Lykey 702/852D+,схемы,платы, прошивки


Вернуться наверх
 
Не в сети
 Заголовок сообщения:
СообщениеДобавлено: Пн мар 08, 2010 17:38:49 
Прорезались зубы

Карма: 4
Рейтинг сообщений: 7
Зарегистрирован: Вт фев 17, 2009 10:52:38
Сообщений: 245
Откуда: Kiev
Рейтинг сообщения: 0
Ок, я тогда буду двигаться в этом направлении, а вы пока скидывайте сюда мысли, что было бы полезно сделать в этой программе.


Вернуться наверх
 
Не в сети
 Заголовок сообщения:
СообщениеДобавлено: Вт мар 09, 2010 00:12:55 
Встал на лапы
Аватар пользователя

Зарегистрирован: Вт фев 26, 2008 17:00:20
Сообщений: 132
Рейтинг сообщения: 0
Идея чумовая! Только потом надо все засекретить от китайцев!

Вот моя мысль. Точнее просьба. С удовольствием спаял бы для себя.

1 вид устройства - маленькая прямоугольная коробочка, перед только гнездо для паяльника.
Тыл два гнезда а. гнездо 220 (от компьютерного БП) б, гнездо USB.

2 Питание контроллерной части непосредственно от USB. Паяльника от импульсного БП соответственно. (для уменьшения размера корпуса)

3 Включение станции происходит программно из софта установленного на компьютере.

4 Ну а с софтом в принципе все понятно. Отображение температуры в реальном времени, профили.

Ну и станция должна запоминать последние введенные в нее параметры.

Признаться чесно это бы была для меня самая крутейшая паяльная станция по сравнению что продается в магазинах.


Вернуться наверх
 
Не в сети
 Заголовок сообщения:
СообщениеДобавлено: Вт мар 09, 2010 10:10:25 
Встал на лапы
Аватар пользователя

Зарегистрирован: Вт фев 26, 2008 17:00:20
Сообщений: 132
Рейтинг сообщения: 0
Вот по теме может поможет.

http://www.cdgroup.org.ua/images/past-2.jpg
http://www.cdgroup.org.ua/news.html


Вернуться наверх
 
Показать сообщения за:  Сортировать по:  Вернуться наверх
Начать новую тему Ответить на тему  [ Сообщений: 3394 ]     ... , , , 6, , , ...  

Часовой пояс: UTC + 3 часа


Кто сейчас на форуме

Сейчас этот форум просматривают: нет зарегистрированных пользователей и гости: 38


Вы не можете начинать темы
Вы не можете отвечать на сообщения
Вы не можете редактировать свои сообщения
Вы не можете удалять свои сообщения
Вы не можете добавлять вложения

Найти:
Перейти:  


Powered by phpBB © 2000, 2002, 2005, 2007 phpBB Group
Русская поддержка phpBB
Extended by Karma MOD © 2007—2012 m157y
Extended by Topic Tags MOD © 2012 m157y