Например TDA7294

Форум РадиоКот • Просмотр темы - Блок управления точечной сваркой
Форум РадиоКот
Здесь можно немножко помяукать :)

Текущее время: Ср окт 15, 2025 19:49:49

Часовой пояс: UTC + 3 часа


ПРЯМО СЕЙЧАС:



Начать новую тему Ответить на тему  [ Сообщений: 217 ]  1, , , , ...  

Какая схемотехника по вашему самая лучшая для управления точечной сваркой
заводская 5%  5%  [ 5 ]
моя 8%  8%  [ 8 ]
твоя 3%  3%  [ 3 ]
ЧИМ 2%  2%  [ 2 ]
ШИМ 14%  14%  [ 14 ]
фазовая 4%  4%  [ 4 ]
где-то там в инете была 2%  2%  [ 2 ]
микропроцессорная 47%  47%  [ 46 ]
число-импульсная 4%  4%  [ 4 ]
кнопка с релюшкой 10%  10%  [ 10 ]
Всего голосов : 98
Автор Сообщение
Не в сети
 Заголовок сообщения: Блок управления точечной сваркой
СообщениеДобавлено: Вс сен 30, 2012 19:40:00 
Вымогатель припоя
Аватар пользователя

Карма: 18
Рейтинг сообщений: 142
Зарегистрирован: Ср авг 15, 2012 00:21:55
Сообщений: 500
Откуда: Беларусь
Рейтинг сообщения: 0
Тема по мотивам конкурсной работы.
http://radiokot.ru/circuit/digital/home/140/
Оговорюсь сразу чтобы было всё ясно. Я являюсь автором данной разработки поэтому все неясные вопросы задавать конкретно а не "вообще". Не понимаю почему работа была отмечена как "цифровая", это на совести администрации останется. Следующим этапом будет схема наконтроллере, а пока все неясные вопросы обговорим. Один товарищ сильно сокрушался что нету схемы в полный размер. Схему даю в ZIP папке. При распечатке вполне удобочитаемая.

Теперь отдельно для тех кто не "вкуривает" как работает схема. Управление кнопок элементарные тригеры. Их можно даже бвумя транзисторами заменитиь. Надеюсь профи не засмеются а начинающие не заикают :). Особенность схемы в том, что управление по мощности идёт по заполнению ФАЗЫ сигнала отбираемого от сети. Включение тиристора идёт с КОНЦА (тыла) фазы по сигналу. Есть мнение что можно число-импульсным способом управлять но мне это не нравится. Плавность можно достигнуть либо фазовым регулированиеем либо подобными. Надеюсь интересно будет и профи и новичкам. Если кто не понимает как работает та либо иная деталь - СПРАШИВАЙТЕ, ибо непоняток там много на первый взгляд. Даже простое управление на выходе тиристором считается нерабочим в разных САПРах. Никакой "протеус" вам не поможет смоделировать эту схему, поэтому просто спрашивайте. За спрос не бьют в нос ;).

Отдельно хотелось бы поговорить с профи по принципам управления. Пока проще варианта чем у меня не нашёл. И по карману не бьёт и проще уже некуда.

Отвечать буду когда смогу.
СпойлерИзображение


Вложения:
Комментарий к файлу: Схема 2700х3500
Схема точечной сврки.zip [270.54 KiB]
Скачиваний: 4811

_________________
Разум развивается для того, чтобы в конечном счёте превратиться в маразм./Народная мудурость/
Вернуться наверх
 
Не в сети
 Заголовок сообщения: Re: Блок управления точечной сваркой
СообщениеДобавлено: Вс сен 30, 2012 21:53:37 
Вымогатель припоя
Аватар пользователя

Карма: 18
Рейтинг сообщений: 142
Зарегистрирован: Ср авг 15, 2012 00:21:55
Сообщений: 500
Откуда: Беларусь
Рейтинг сообщения: 0
Ну вот, первая "ласточка" появилась в голосавании. Товарищь даёт гарантию на 100% что микропроцессорная система управления лучше. Попробуем рассмотреть работу такой системы. Допустим управление фазовое. В этом случае фаза делится на 100 отрезков. Промышленная частота (та что в розетке) 50Гц или 20мс по периоду. Полупериод тогда 10 мс. Если разделим 10 мс на 100 раз получим 0,1 мс, или 100 мкс. Если делать прерывания по счётчику каждые 100мкс что будет?.... Если сделать счётчик на внутренних (встроеных) счётчиках то уже лучше, но опять нужна синхронизация и прочее. Ну и сколько трудов надо чтобы настроить такой блок? К примеру при времени работы трансформатора надо 0,1 сек, то это всего 5 периодов либо 10 импульсов по выпрямленному питанию. Числоимпульсный метод тут никак не катит.

Смелее товарищи, смелее :).

_________________
Разум развивается для того, чтобы в конечном счёте превратиться в маразм./Народная мудурость/


Вернуться наверх
 
Не в сети
 Заголовок сообщения: Re: Блок управления точечной сваркой
СообщениеДобавлено: Пн окт 01, 2012 14:59:24 
Первый раз сказал Мяу!

Зарегистрирован: Вт сен 27, 2011 09:04:38
Сообщений: 37
Рейтинг сообщения: 0
Уважаемый bazarov! Тема эта очень класная давайте вместе продвигать эту тему.
Я уже делал разные апараты начиная с аналоговых да хорошо всё регулируется на глаз без индикации.
Ну хочется уже зделать хороший апаратик. Я в програмировании не силен , но думаю не перевелись ещё
богатыри на земле нашей.
Вот апарат PUK стоит бешеных денег купить его я не смогу, а вот построить думаю да.
Если ВЫ да Я.
Картинка во вложении и характеристики.


Вложения:
puk3.pdf [1009.44 KiB]
Скачиваний: 3053
Вернуться наверх
 
Не в сети
 Заголовок сообщения: Re: Блок управления точечной сваркой
СообщениеДобавлено: Пн окт 01, 2012 22:14:22 
Вымогатель припоя
Аватар пользователя

Карма: 18
Рейтинг сообщений: 142
Зарегистрирован: Ср авг 15, 2012 00:21:55
Сообщений: 500
Откуда: Беларусь
Рейтинг сообщения: 0
Цитата:
rozario
Уважаемый в кругу своих друзей bazarov!

:beer:
Цитата:
Я в програмировании не силен

Это вам так кажется :wink:
http://flowcode.info/
http://flowcode.info/index.php/forum/4- ... k_pitaniya
А вот новый форум. Можете заценить мои первые поделки на пикушках. Плата до сих пор рабочая валяется, там в БП просто неправильно резисторы по ОС поставил, а так всё рабочее :beer:
http://flowcode.info/forum/viewtopic.php?f=19&t=34
Уже штук 5 схем сварганил и понятия не имею чаво там напрограммировал, аккурат для такого лузера как я :)))
Цитата:
Вот апарат PUK стоит бешеных денег

Вот это название... ПУК :? . Значит надо сделать лучше. Однозначно!! У вас есть два выбора. Первый - вы сами создадите и отладите такой аппарат с нуля даже прошив контроллер сосвоей программой. Второй - у меня уже готовится более компактное решение на пикушке, только подождать малость. И третий вариант - будем обсуждать ваш аппарат по характеристикам и разберём всё до косточек. Очень надеюсь что к нам присоеденятся аппоненты и разговор будет конструктивен.

Предлагаю в отместку импортному аналогу PUK дать новое название аппарату - PSCHIC. Или другое по вашему вкусу :beer: .

Даю вам приблизительную схемку блока управления что сейчас в проекте находится. Если вам что-то не понравится то всегда можно подключить другой контроллер либо изменить схемотехнику. Я же делаю опять регулировку по мощности 5-100% с шагом 1% и время 0,05-2,5 сек. Плюс ручное и автоматическое управление. Синхронизация по включению также будет присутствовать. Естественно что будет сохраняться значение выставленное до отключения.

Жду встречных предложений.
Искренне ваш - базароу.
СпойлерИзображение


Вложения:
Комментарий к файлу: Экскиз - PSCHIC
123333.GIF [34.05 KiB]
Скачиваний: 20875

_________________
Разум развивается для того, чтобы в конечном счёте превратиться в маразм./Народная мудурость/
Вернуться наверх
 
Эиком - электронные компоненты и радиодетали
Не в сети
 Заголовок сообщения: Re: Блок управления точечной сваркой
СообщениеДобавлено: Чт окт 04, 2012 23:04:38 
Вымогатель припоя
Аватар пользователя

Карма: 18
Рейтинг сообщений: 142
Зарегистрирован: Ср авг 15, 2012 00:21:55
Сообщений: 500
Откуда: Беларусь
Рейтинг сообщения: 0
Розарио, когда закончится ваш обет молчания - откликнитесь. То скучно :? ...

_________________
Разум развивается для того, чтобы в конечном счёте превратиться в маразм./Народная мудурость/


Вернуться наверх
 
Не в сети
 Заголовок сообщения: Re: Блок управления точечной сваркой
СообщениеДобавлено: Пн окт 08, 2012 00:52:36 
Вымогатель припоя
Аватар пользователя

Карма: 18
Рейтинг сообщений: 142
Зарегистрирован: Ср авг 15, 2012 00:21:55
Сообщений: 500
Откуда: Беларусь
Рейтинг сообщения: 0
Розарио, я вас выловил не только здесь ;).
http://www.jportal.ru/forum/forum62/topic5735/
Вот одно из правильных решений.
http://www.jportal.ru/forum/forum62/top ... ?PAGEN_1=4
Оказывается аппарат не только сваривает но и варит. В принципе портативный сварочный аппарат с точечным в одном. Здесь уже разные типы управления должны быть.
http://www.lampert.info/errorpage.html
К примеру для точечной сварки цветных металлов требуется очень хитрый сигнал. Думаю не многи видели промыщленные блоки управления сварочным током на производстве, а платы там..... Настроек столько, сколько у меня волос в ноздрях нет :))) . Сигнал делится обычно на три зоны. В начале подаётся относительно высокое напряжение для сварки и появления контакта, затем идёт проварка металла, и только потом идёт спад тока для качественной пластификации. И, замечу, контактная сварка цветных металлов обычно ведётся постоянным током. Можно и переменным, вариантов множество. В домашних условиях весьма хорошо подойдёт фазовый метод управления чтобы получить универсальный аппарат. Для аппарата потребуется одна из следующих схемотехник:
- Контроллер с ЖКИ индикатором и фазовое управление,
- Настраиваемый счётчик по периодам сварки (ИД3) по времени, изменяя частоту задающего генератора изменяем время сварки и соответственно мощность,
- Элементарная схема с падающей характеристикой тока по времени сварки.
Выбирайте сами. Сложность схемотехники уменьшается согласно списку.

_________________
Разум развивается для того, чтобы в конечном счёте превратиться в маразм./Народная мудурость/


Вернуться наверх
 
Не в сети
 Заголовок сообщения: Re: Блок управления точечной сваркой
СообщениеДобавлено: Пт ноя 09, 2012 11:15:30 
Первый раз сказал Мяу!

Зарегистрирован: Вт сен 27, 2011 09:04:38
Сообщений: 37
Рейтинг сообщения: 0
Уважаемый bazarov!
Небыло времени совсем много работы.
Значит по поводу ПУК. У одного моево знакомого есть на работе PUK-3
Он ево купил за 75000 гривен. Почти 10000$
После разговора с ним он мне разрешил открыть крышку и рассмотреть, СРИСОВАТЬ, пофоткать внутрености.
Значит апарат не проваривает полностью шов, а стреляет точками. В карандаше стоит электрод 0,5мм.
При касании к сварному изделию электрод отскакивает. Наверно чтобы не залипнуть.
Я себе приобрёл год назад апарат TIG 200P вот это зверюга варил золото и серебро толщиной 4-5мм шов выходит монолитный. Вот мелкие вещи типа кольца, серьги сварить этим апаратом проблема.
Вот поэтому у меня возникла идея сотворить апарат два в одном.
Чтобы ВИГ / TIG монолитный шов был и точечный режым как в ПУК.
Для сварки мелких ювелирных изделий.
Защитные экраны я в Киеве нашол где купить и цена 300гривен можна прикрутить на любой микроскоп.
Вот картинку сварки прикрепляю.
И последнее моё творение (Реверс для галванических покрытий)


Вложения:
Новое изображение 4.gif [174.28 KiB]
Скачиваний: 3473
669042_w640_h640_tig200r_kopiya.rar [68.05 KiB]
Скачиваний: 1535
Вернуться наверх
 
Не в сети
 Заголовок сообщения: Re: Блок управления точечной сваркой
СообщениеДобавлено: Сб ноя 10, 2012 00:00:54 
Вымогатель припоя
Аватар пользователя

Карма: 18
Рейтинг сообщений: 142
Зарегистрирован: Ср авг 15, 2012 00:21:55
Сообщений: 500
Откуда: Беларусь
Рейтинг сообщения: 0
Здравствуйте Розарио.
Первый же вопрос в лоб, а про такой аппарат знаете?
http://www.multiplaz.ru/multiplaz4000
http://www.youtube.com/watch?v=H74yiup0dZ4
Для пайки вода+спитр. Короче водка :). Ну а на чём ещё должен работать русский апарат? Ладно, шутки в сторону.

Розарио, я не работаю с сварочным оборудованием, только проектирую товарищу под его пожелания и предложения, типа домашней работы. Я понятия не имею как им пользуются. Мне дают конкретную картину работы и делаю, с запасом естественно, по требованию. Работал только с промышленными установками. Поэтому практика шибко мала.

Теперь по ПУК. Не понимаю зачем там вообще сделали иглу с отскоком. При СССР была установка покрытия резцов победитом искровым методом, но тут зачем ума не приложу. В месте разрыва всегда будет образовываться дуга, и будет плавиться и брызгать металл. Обычно для контактной сварки нужно услилие и хороший контакт. Я просто не могу понять что этим аппаратом делают. Если пайка, тогда электрод от аргоновой сварки подойдёт. Сильными токами можно будет свободно плавить нужные участки. Для сварки меж собой вообще не иголка а медь должна быть вместо электрода. Так что для начала расскажите пожалуйста подробно какие работы выполняются аппаратом. К тому же и режимы разные будут. Универсальным может быть только семенной ключ для велосипедов в СССР :))) .

Про точечную сварку. Видел варианты когда стальной (гладкой) болванкой прижигают металл. Но чёрный металл не цветмет. Не знаю какой рабочий диапозон у золота с серебром по температуре пластификации, но алюминий вообще импульсным током паяютют. В месте сварки насквозь проскакивает мщная но короткая дуга. При этом с обоих сторон идёт большое давление чтобы расплавленый металл не разбрызгивался по сторонам. Алюминий - самая паскудная железяка для сварки, да и для пайки. Зона жидкой фазы у алюминия всего несколько десятков градусов. Как у золота не знаю. Если у золота несколько сот, то вообще проблем нет.

Жду конструктива :beer:

_________________
Разум развивается для того, чтобы в конечном счёте превратиться в маразм./Народная мудурость/


Вернуться наверх
 
Не в сети
 Заголовок сообщения: Re: Блок управления точечной сваркой
СообщениеДобавлено: Вс ноя 25, 2012 00:04:26 
Вымогатель припоя
Аватар пользователя

Карма: 18
Рейтинг сообщений: 142
Зарегистрирован: Ср авг 15, 2012 00:21:55
Сообщений: 500
Откуда: Беларусь
Рейтинг сообщения: 0
Посмотрел как работают таким апаратом. Самому понравилось :). Вот только кажется что хитрость в материале иглы.
http://www.youtube.com/watch?v=75uSQ2hXyOk
http://www.youtube.com/watch?v=0LkSQRTEl24
В детстве баловался зажигая стальные иголки искря батарейкой, горели как бенгальский огонь. Возможно высокая температура в месте контакта достигается выгоранием части иглы. Других причин не вижу. К тому же и расцепитель магнитный сие дело подтверждает. В общем я в замешательстве. Даже не знаю как им работают. Давайте характеристики и начнём уже поблочно схему лепить.

_________________
Разум развивается для того, чтобы в конечном счёте превратиться в маразм./Народная мудурость/


Вернуться наверх
 
Не в сети
 Заголовок сообщения: Re: Блок управления точечной сваркой
СообщениеДобавлено: Пн ноя 26, 2012 12:50:56 
Родился

Зарегистрирован: Пн окт 29, 2012 09:32:14
Сообщений: 8
Рейтинг сообщения: 0
bazarov
Согласен с Вами варит просто супер, судя по видео за секунду, определил по звуку могу ошибаться, подается газ к электроду, вот и шовчик получается аккуратненький и красивый.


Вернуться наверх
 
Не в сети
 Заголовок сообщения: Re: Блок управления точечной сваркой
СообщениеДобавлено: Пн ноя 26, 2012 13:17:08 
Родился

Зарегистрирован: Пн окт 29, 2012 09:32:14
Сообщений: 8
Рейтинг сообщения: 0
В общем газ аргон, наконечник вольфрам, а называется это чудо - микроимпульсный аргоно-дуговой сварочный аппарат


Вернуться наверх
 
Не в сети
 Заголовок сообщения: Re: Блок управления точечной сваркой
СообщениеДобавлено: Пн ноя 26, 2012 23:11:59 
Вымогатель припоя
Аватар пользователя

Карма: 18
Рейтинг сообщений: 142
Зарегистрирован: Ср авг 15, 2012 00:21:55
Сообщений: 500
Откуда: Беларусь
Рейтинг сообщения: 0
ati2, примите мои респекты :)!! Если так, то проблем вообще нет. Скоро доделаю печатку и налажу схему для точечной сварки. Потом немного изменим программу с развязкой и всё будет пучком ;). Осталось немного.

_________________
Разум развивается для того, чтобы в конечном счёте превратиться в маразм./Народная мудурость/


Вернуться наверх
 
Не в сети
 Заголовок сообщения: Re: Блок управления точечной сваркой
СообщениеДобавлено: Вс дек 09, 2012 21:15:51 
Вымогатель припоя
Аватар пользователя

Карма: 18
Рейтинг сообщений: 142
Зарегистрирован: Ср авг 15, 2012 00:21:55
Сообщений: 500
Откуда: Беларусь
Рейтинг сообщения: 0
К моему большому сожалению пришлось отказаться от светодиодных индикаторов. Разводка получилась сумашедшая и на маленькой плате ничего не умещается. Теперь попытаюсь на ЖКИ. Программа уже написана, опять плату надо разводить....


Вложения:
Комментарий к файлу: Нев.
123333.GIF [66.03 KiB]
Скачиваний: 2571

_________________
Разум развивается для того, чтобы в конечном счёте превратиться в маразм./Народная мудурость/
Вернуться наверх
 
Не в сети
 Заголовок сообщения: Re: Блок управления точечной сваркой
СообщениеДобавлено: Сб дек 15, 2012 23:20:13 
Вымогатель припоя
Аватар пользователя

Карма: 18
Рейтинг сообщений: 142
Зарегистрирован: Ср авг 15, 2012 00:21:55
Сообщений: 500
Откуда: Беларусь
Рейтинг сообщения: 0
Сразу к делу. Я конечно понимаю что времени много прошло, но что делать. Сам учусь контроллеры шить. Вот первая работа с ЖКИ. Пока запустил.... В общем схему модернизировал до основания. Все файлы выложу когда будет всё проверено в гаражных условиях а пока фото для интереса.

Розарио. В моей схеме время работы начинается с 0,05 сек с шагом 50 мс. Думаю вам для ювелирки нужно регулирование потоньше. Если учесть что одина полуволна занимает 10 мс то вполне возможно переделать регулировку на 0,01-2,5 сек. К тому же я думал о выходном напряжении. Можно конечно его менять вручную переключая выходное напряжение 2/2 В, но можно сделать и программно. Но при этом уже нужно два высоковольтных выпрямительных моста и два тиристора.


Вложения:
Комментарий к файлу: рис 2
CAM00006.jpg [235.08 KiB]
Скачиваний: 2695
Комментарий к файлу: рис 1
CAM00004.jpg [175.49 KiB]
Скачиваний: 2289

_________________
Разум развивается для того, чтобы в конечном счёте превратиться в маразм./Народная мудурость/
Вернуться наверх
 
Не в сети
 Заголовок сообщения: Re: Блок управления точечной сваркой
СообщениеДобавлено: Пн дек 17, 2012 20:27:48 
Первый раз сказал Мяу!

Зарегистрирован: Вт сен 27, 2011 09:04:38
Сообщений: 37
Рейтинг сообщения: 0
Молодец столько работы проделал, а я постоянно на работе прихожу домой и на боковую устал.
Ну красиво получается какая силовая часть будет.
Я делал одно устройство для гальваники и использовал силовые сварочные ключи может их стоитсюда подключить я их проверил работают отлично только вместо входной микрухи 74HC08 я ставил обычный буферный инвертор К561ЛН2
Ну иещё схемки управления на Atmege8 мож пригодится какая мысль новая появится по измерению напряжения и тока.
Напруга в устройстве должна регулироваться от 10вольт до 20в
Так и в ПУКЕ 3 длительность импульса , напряжение, ток , можна частоту зделать.


Вложения:
BP_sam.gif [27.51 KiB]
Скачиваний: 2961
DC-DC.gif [60.81 KiB]
Скачиваний: 2485
proc_sem.gif [105.83 KiB]
Скачиваний: 2041
HEXv103.rar [8.46 KiB]
Скачиваний: 1052
DC-AC.gif [31.55 KiB]
Скачиваний: 2017
Вернуться наверх
 
Не в сети
 Заголовок сообщения: Re: Блок управления точечной сваркой
СообщениеДобавлено: Пт дек 21, 2012 21:02:39 
Вымогатель припоя
Аватар пользователя

Карма: 18
Рейтинг сообщений: 142
Зарегистрирован: Ср авг 15, 2012 00:21:55
Сообщений: 500
Откуда: Беларусь
Рейтинг сообщения: 1
Нуу... Эта.... Как его... Розарио, то что на фото будет управлять трансформатором до 10кВт мощностью..... В качестве выходного ключа просто тиристор и мостик КРВС на 1000 В 50 А. Плата одна+ЖКИ индикатор. Просто сделал две платы и показал вид спереди и сзади.... Весь блок помещается в пачку от сигарет... Размер платы 7х5 см. Пустое место под МИТ-4 оставил. Как мог - так и сделал :? . Так что на картинке всё устройство кроме моста, тиристора и RC цепочки. Всё :? . Вот только к сожалению я пожадничал и взял за основу PIC16F628А и программа не вмещается. Уже раз десятый переписываю. Проблема уперлась в динамическую индикацию. Малейшие статические помехи дают наводку на шины управления и идёт сбой. Поэтому сейчас пытаюсь втиснуть программу + систему перерисовки экрана каждые 1,5 секунды чтобы в случае глюка при искрении всё вернулось в исходную. Скажу одно - китайцы падлюки. Они не удосужились на вход сдделать гистерезис по сигналу. К тому же вход у них статический. А я-то дурень не знал. Поэтому при измерении напряжения простым мультиметром всё заглючило. Уже неделю мучаюсь. Платы переделывать не охота поэтому попробую написать очередную программу. Когда надоест "повышать квалификацию" перейду на другой контроллер, более продвинутый. Просто понакупал пикушек с радости а теперь не знаю куда их девать - значит надо использовать.

По картинкам. Первый ИБП с обратной связью очень понравился :). У меня тоже сейчас напряг с трансформаторами а стоят они весьма прилично. Поэтому думаю над разработкой ИБП на базе таймера 555 либо ТЛ494 но чтобы на выходе можно было любой транзистор со старого ломачча поставить, и чтоб и полевики подходили и биполярники. А одним резистором подстраивать частоту под любой попавшийся под руку трансформатор. Думал на пикушке такое чудо с автоподствройкой замутить но сегодняшние параметры не позволяют сие действо. Но это уже потом будет. Возможно ветку отдельную открою. То все современные ИБП либо строго под расчёт делаются либо откровенная лажа. К тому же микросхемы типа ТОР у меня не частые гости. А пока надо доделывать то что "блин и ком" на выходе.

Можете посмотреть на сегодняшнюю схему. Все лишние детали в нутро спрятал. Павда ещё и кнопка одна лишняя. И немного подключение ЖКИ дисплея неправильное. Потом всё рабочее выложу.
СпойлерИзображение


Вложения:
Комментарий к файлу: ПШИК-1.1
123333.GIF [145.92 KiB]
Скачиваний: 19611

_________________
Разум развивается для того, чтобы в конечном счёте превратиться в маразм./Народная мудурость/
Вернуться наверх
 
Не в сети
 Заголовок сообщения: Re: Блок управления точечной сваркой
СообщениеДобавлено: Вт дек 25, 2012 19:36:03 
Первый раз сказал Мяу!

Зарегистрирован: Вт сен 27, 2011 09:04:38
Сообщений: 37
Рейтинг сообщения: 0
По любому его нужно запитывать от импульсного блока он гасит сетевые броски и падения. Штобы не было сбоев в работе МК поставь на RESSET супервизор типа MC34064.
По даташиту глянь как он втыкается возми в корпусе ТО-92 например в базарный день троячку стоит.
Вот ещё мне апарат приг лянулса стреляет одиночными и очередью только выходной каскад на конденсаторе большой ёмкости мне кажется это дурня. Надо бы туда транс какойто нормальный воткнуть Ш образный ферит нудак и ток на выходе нормальный получилса бы. А сама задумка ничё. И кстати запитка идёт от простого импульсника можна передрать этот узел.
И это всё находится гдето на КОТЕ
РадиоКот > Схемы > Цифровые устройства > Бытовая техника

Устройство для приваривания токоведущих пластин к NiCd, NiMH, LiIon аккумуляторам.


Вложения:
Weld_spot_ запитка.lay [39.09 KiB]
Скачиваний: 1573
Weld_spot_ процессор.lay [174.59 KiB]
Скачиваний: 1066
Weld_spot_ регулятор.lay [51.16 KiB]
Скачиваний: 1014
01[1].JPG [64.25 KiB]
Скачиваний: 2130
Вернуться наверх
 
Не в сети
 Заголовок сообщения: Re: Блок управления точечной сваркой
СообщениеДобавлено: Ср янв 09, 2013 20:46:47 
Вымогатель припоя
Аватар пользователя

Карма: 18
Рейтинг сообщений: 142
Зарегистрирован: Ср авг 15, 2012 00:21:55
Сообщений: 500
Откуда: Беларусь
Рейтинг сообщения: 1
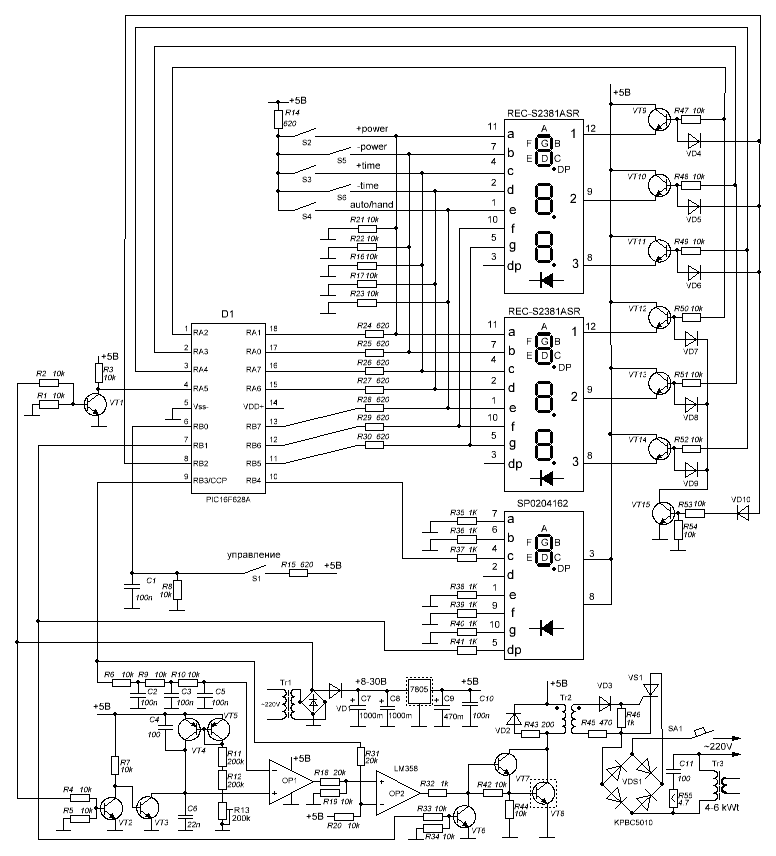
Значит так...... Господа, вопрос имеется. Кто знает внутреннюю тактовую частоту пик контроллера если стоит внутренний задающий генератор на 4 МГц? То у меня что-то не срослось в расчётах аж в два раза.... Ну да ладно. Выкладываю готовый блок управления.

Характеристики:
Блок предназнчен для фазового регулирования мощности по переменному напряжению.
Напряжение 50-1000 В (220 В),
Частота питающей сети - 50 Гц, на 60 Гц работать не будет. Точнее будет но мощность упадёт ровно в два раза, а на низких мощностях вообще будет постоянно 100% от мощности,
Ток комутации - до 70 А,
Максимальная мощность комутации - от едениц ватт до 70 кВт (теоретически), - до 20 кВт практически,
Индикация - ЖКИ динамическая с обновлением экрана 2,5 сек. (защита от сбоев при сильных Эл.Магн. возмущениях)
Размер - вся силовая часть с блоком управления влазит в пачку от сигарет.... а может и не влазит, кто её знает... :P
Время в автоматическом режиме 0,05-2,5 сек, шаг 0,05 сек.
Мощность - регулируется по фазе 5-100%, синхронизация,
Запись данных - через каждые 20 секунд после изменения одного из параметров, записывается только изменённый параметр,
ЕЕпром не записывается поэтому после запуска тыкаем кнопки и сбрасываем все показания в минимум.
Ну а дальше по экрану и ребёнок разберётся что куда.
ЖКИ индикатор любой фирмы 8х2 строки, поддерживающий последовательный приём данных.
Для раскачки тиристоров с высоким вольтовым входом на выходе подключить согласно две обмотки МИТ-4 а не одну как на схеме. Или сами мотайте.
Частота ШИМ идушая на МИТ-4 10 кГц, заполнение 25%
Всё.

Розарио, если нужно могу добавить шаг регулировки 0,01 Сек. Ещё могу сделать систему автоматического управления ЖКИ шторками для защиты глаз и вывод управления электромагнитом. Соизвольте и получите новую прошивку с изменённой схемой.

Вот схема. Очень большая.
СпойлерИзображение


Полная документация с хекс файлом, платой и схемой в ЗИП папке.

Используемые программы:
Sprint-Layout 5
http://rutracker.org/forum/viewtopic.php?t=832846
sPlan 7
http://soft-plus.ucoz.ru/load/splan_700 ... 22-1-0-796


Позже немного про регулировку выходного напряжения поговорим. И про инверорные блоки тоже.


Вложения:
Комментарий к файлу: Файлы.
Споттер 50 Гц.zip [217.68 KiB]
Скачиваний: 1876
Комментарий к файлу: Схема.
123333.GIF [161.11 KiB]
Скачиваний: 20705

_________________
Разум развивается для того, чтобы в конечном счёте превратиться в маразм./Народная мудурость/
Вернуться наверх
 
Не в сети
 Заголовок сообщения: Re: Блок управления точечной сваркой
СообщениеДобавлено: Вт янв 29, 2013 00:13:44 
Родился

Зарегистрирован: Сб янв 26, 2013 23:52:48
Сообщений: 6
Рейтинг сообщения: 0
вот што у меня пока получилось :))) завтра впаяю кнопки с индикаторами.


Вложения:
WP_000401.jpg [6.87 KiB]
Скачиваний: 2635
WP_000400.jpg [6.81 KiB]
Скачиваний: 2478
Вернуться наверх
 
Не в сети
 Заголовок сообщения: Re: Блок управления точечной сваркой
СообщениеДобавлено: Вт янв 29, 2013 19:14:48 
Родился

Зарегистрирован: Сб янв 26, 2013 23:52:48
Сообщений: 6
Рейтинг сообщения: 0
еврика!!! сегодня запустил сей чудо прибор. ы работает товариши РАБОТАЕТ!!! канешно первий запуск сопровождалса легким димком транзистора на которий случайно попала капля припоя :))) иза нево не светит один сегмент ындикатора но ето дело поправимо :solder: .такшто товарищ bazarov жалоб поповоду неробочей схеми не будет :beer: .правда силовой части еще не подключал но ымпульси на виходе есть как в ручном так ы в автоматичном режиме.жду ваших советов по регулировке товарищ bazarov.скажу всем што работа проделанная мной отнела у меня всево 4 дня такшто кто еще сомневаетса начинать ли ему етот девайс могу заверить схема повторима!!!


Вернуться наверх
 
Показать сообщения за:  Сортировать по:  Вернуться наверх
Начать новую тему Ответить на тему  [ Сообщений: 217 ]  1, , , , ...  

Часовой пояс: UTC + 3 часа


Кто сейчас на форуме

Сейчас этот форум просматривают: нет зарегистрированных пользователей и гости: 22


Вы не можете начинать темы
Вы не можете отвечать на сообщения
Вы не можете редактировать свои сообщения
Вы не можете удалять свои сообщения
Вы не можете добавлять вложения

Найти:
Перейти:  


Powered by phpBB © 2000, 2002, 2005, 2007 phpBB Group
Русская поддержка phpBB
Extended by Karma MOD © 2007—2012 m157y
Extended by Topic Tags MOD © 2012 m157y