Например TDA7294

Форум РадиоКот • Просмотр темы - Контроль вращения вентилятора
Форум РадиоКот
Здесь можно немножко помяукать :)

Текущее время: Вс дек 28, 2025 13:09:40

Часовой пояс: UTC + 3 часа


ПРЯМО СЕЙЧАС:



Начать новую тему Ответить на тему  [ Сообщений: 17 ] 
Автор Сообщение
Не в сети
 Заголовок сообщения: Контроль вращения вентилятора
СообщениеДобавлено: Пт мар 27, 2009 12:36:04 
Грызет канифоль
Аватар пользователя

Зарегистрирован: Ср фев 13, 2008 14:41:32
Сообщений: 260
Откуда: Украина, Николаев
Рейтинг сообщения: 0
Здраствуйте. У меня такая проблемка, хочу в своем ПК контролировать вращение вентилятора спомощью инфракрасных датчиков. Когда вращается то поступают импульсы от датчиков и схемка не выдает никаких сигналов, но при остановке импульсы не поступают и схема выдает логическую 1 на выходе. Вот, каким более простым способом производить счет импульсов, вернее их присутствие. Схама придуманая мною слишком большая(6 D-триггеров много логики и т.п.) может ктонибудь что-то посоветует. Заранее спасибо.

_________________
Немного нервов и девайс готов


Вернуться наверх
 
Не в сети
 Заголовок сообщения:
СообщениеДобавлено: Пт мар 27, 2009 12:46:53 
Потрогал лапой паяльник

Зарегистрирован: Вс мар 30, 2008 14:31:51
Сообщений: 331
Рейтинг сообщения: 0
как вариант, можно использовать микроконтроллер


Вернуться наверх
 
Не в сети
 Заголовок сообщения:
СообщениеДобавлено: Пт мар 27, 2009 12:49:07 
Опытный кот
Аватар пользователя

Карма: 2
Рейтинг сообщений: 1
Зарегистрирован: Пн мар 16, 2009 21:40:57
Сообщений: 828
Рейтинг сообщения: 0
Выход у схемы какой должен быть ?

Если слабый то достаточно диф цепочки конденсатор и за ним резистор на землю, потом диод на (в поиск!) "расширитель импульса".


Вернуться наверх
 
Не в сети
 Заголовок сообщения:
СообщениеДобавлено: Пт мар 27, 2009 12:53:26 
Встал на лапы
Аватар пользователя

Зарегистрирован: Вт мар 18, 2008 08:25:31
Сообщений: 108
Откуда: Красноярск
Рейтинг сообщения: 0
Зачем ИК? Предлагаю подключиться к датчику холла на кулере, и считывать импульсы с него.

_________________
Как зачем мне голова?! Я ей ем!!!


Вернуться наверх
 
Эиком - электронные компоненты и радиодетали
Не в сети
 Заголовок сообщения:
СообщениеДобавлено: Пт мар 27, 2009 13:07:15 
Грызет канифоль
Аватар пользователя

Зарегистрирован: Ср фев 13, 2008 14:41:32
Сообщений: 260
Откуда: Украина, Николаев
Рейтинг сообщения: 0
Цитата:
Если слабый то достаточно диф цепочки конденсатор и за ним резистор на землю, потом диод на (в поиск!) "расширитель импульса".


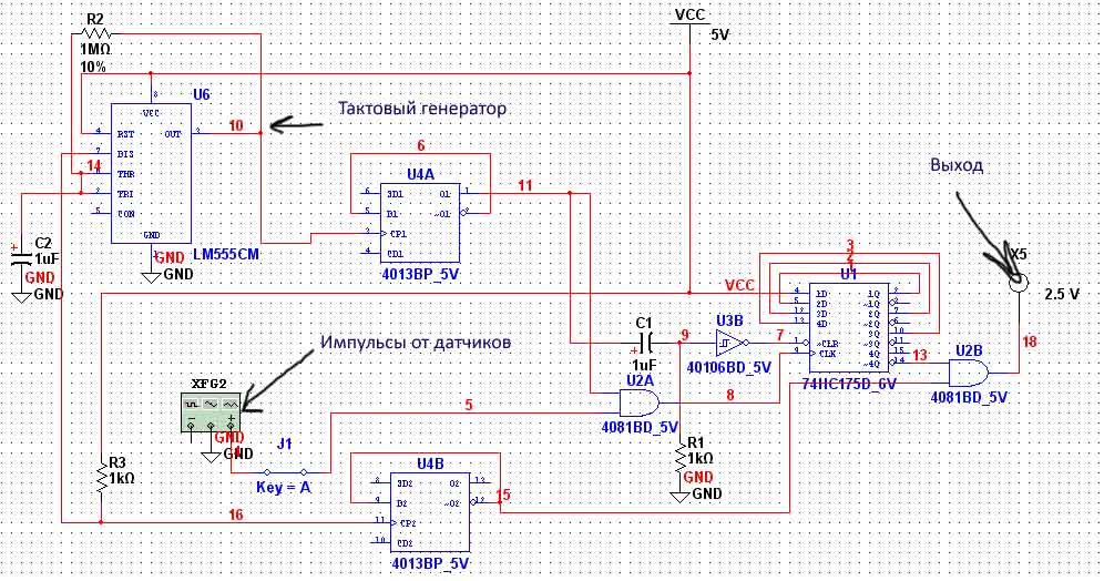
Ну это я тоже думал но если вентилятор остановится когда датчики выдают постоянный импульс, тобиш датчики "смотрят" друг на друга, то цепочка не поможет. А на счет МК, я с ними не дружу и ассемблером пока тоже.
Вот схема которую я составил, может както упростить можно?


Вложения:
.jpg [131.07 KiB]
Скачиваний: 894

_________________
Немного нервов и девайс готов
Вернуться наверх
 
Не в сети
 Заголовок сообщения:
СообщениеДобавлено: Пт мар 27, 2009 13:14:57 
Грызет канифоль
Аватар пользователя

Зарегистрирован: Ср фев 13, 2008 14:41:32
Сообщений: 260
Откуда: Украина, Николаев
Рейтинг сообщения: 0
Ну с датчика или с ИК но импульсы нужно идентифицыровать темболее что не на каждом вентиляторе он есть.

_________________
Немного нервов и девайс готов


Вернуться наверх
 
Не в сети
 Заголовок сообщения:
СообщениеДобавлено: Сб мар 28, 2009 00:33:47 
Поставщик валерьянки для Кота
Аватар пользователя

Карма: 4
Рейтинг сообщений: 26
Зарегистрирован: Ср сен 17, 2008 14:32:15
Сообщений: 2106
Откуда: Старые Васюки
Рейтинг сообщения: 0
Vergilium писал(а):
Ну это я тоже думал но если вентилятор остановится когда датчики выдают постоянный импульс, тобиш датчики "смотрят" друг на друга, то цепочка не поможет.

А вы наоборот, возьмите с фотодатчика только переменку и по её исчезновению 100% фиксируйте останов кулера. Примерно по такому принципу делали автостоп в магнитофонах.


Вернуться наверх
 
Не в сети
 Заголовок сообщения:
СообщениеДобавлено: Сб мар 28, 2009 09:19:27 
Мучитель микросхем

Зарегистрирован: Вс авг 24, 2008 17:52:27
Сообщений: 433
Откуда: Челябинск
Рейтинг сообщения: 0
Здравствуйте уважаемые, не знаю по теме я или нет, но объясните мне кто нибудь зачем на кулерах нужен желтый провод?


Вернуться наверх
 
Не в сети
 Заголовок сообщения: Re: Контроль вращения вентилятора
СообщениеДобавлено: Сб мар 28, 2009 16:48:40 
Друг Кота
Аватар пользователя

Карма: 28
Рейтинг сообщений: 267
Зарегистрирован: Ср сен 27, 2006 16:18:57
Сообщений: 3459
Рейтинг сообщения: 0
Vergilium писал(а):
...контролировать вращение вентилятора спомощью инфракрасных датчиков...

А что представлявляют из себя эти самые датчики? Как они крепятся на вентилятор?


Вернуться наверх
 
Не в сети
 Заголовок сообщения:
СообщениеДобавлено: Вс мар 29, 2009 00:27:29 
Друг Кота
Аватар пользователя

Карма: 8
Рейтинг сообщений: 28
Зарегистрирован: Вс мар 22, 2009 17:31:41
Сообщений: 4077
Рейтинг сообщения: 0
Савелий писал(а):
Здравствуйте уважаемые, не знаю по теме я или нет, но объясните мне кто нибудь зачем на кулерах нужен желтый провод?

Это и есть выход таходатчика, по которому и контролируют частоту вращения.
как правило выход с открытым коллектором.
обычно выдаёт 2 импульса на оборот.
следовательно формула расчёта частоты вращения F*30 (об/мин)

_________________
Раз reset, два reset - полyчи на диске bad !
Тpанзистоp p-n-p. Plug-n-Play ?
У кого что сбоит, тот о том и говорит.


Вернуться наверх
 
Не в сети
 Заголовок сообщения:
СообщениеДобавлено: Вс мар 29, 2009 23:22:32 
Модератор
Аватар пользователя

Карма: 10
Рейтинг сообщений: 7
Зарегистрирован: Пт июл 21, 2006 03:08:05
Сообщений: 3174
Откуда: Пенза
Рейтинг сообщения: 0
Если ИК датчики не критичны...
http://www.radiokot.ru/circuit/digital/automat/03/
http://handmade.by.ru/cooling/biper.htm
http://www.radiotexnika.ru/doc/radiofan/sxems/31

_________________
Если долго мучиться, что-нибудь... сломается.


Вернуться наверх
 
Не в сети
 Заголовок сообщения:
СообщениеДобавлено: Пн мар 30, 2009 09:42:08 
Мучитель микросхем

Зарегистрирован: Вс авг 24, 2008 17:52:27
Сообщений: 433
Откуда: Челябинск
Рейтинг сообщения: 0
Я измерил частоту между желтым проводом и черным прибором M890G получил 600Гц это значит вентилятор крутится со скоростью 300 оборотов в секунду?


Вернуться наверх
 
Не в сети
 Заголовок сообщения:
СообщениеДобавлено: Пн мар 30, 2009 21:14:03 
Грызет канифоль
Аватар пользователя

Зарегистрирован: Ср фев 13, 2008 14:41:32
Сообщений: 260
Откуда: Украина, Николаев
Рейтинг сообщения: 0
Благодарю за ссылки и советы, буду пробывать!!!

_________________
Немного нервов и девайс готов


Вернуться наверх
 
Не в сети
 Заголовок сообщения:
СообщениеДобавлено: Пн мар 30, 2009 21:33:34 
Друг Кота
Аватар пользователя

Карма: 8
Рейтинг сообщений: 28
Зарегистрирован: Вс мар 22, 2009 17:31:41
Сообщений: 4077
Рейтинг сообщения: 0
Цитата:
получил 600Гц

Многовато :shock: может имелось ввиду 60 ?
тогда 60*30 = 1800 об/мин

а что-бы кулер крутил 18000 надо ему напряжение поднять и лотасти обломать. и то врят-ли

_________________
Раз reset, два reset - полyчи на диске bad !
Тpанзистоp p-n-p. Plug-n-Play ?
У кого что сбоит, тот о том и говорит.


Вернуться наверх
 
Не в сети
 Заголовок сообщения:
СообщениеДобавлено: Вт мар 31, 2009 13:20:16 
Мучитель микросхем
Аватар пользователя

Зарегистрирован: Вт сен 25, 2007 19:40:26
Сообщений: 438
Откуда: Челябинск
Рейтинг сообщения: 0
Контролировать вращается вентилятор или нет можно по потребляемому току...


Вернуться наверх
 
Не в сети
 Заголовок сообщения:
СообщениеДобавлено: Пн апр 13, 2009 14:30:18 
Открыл глаза

Зарегистрирован: Вт сен 25, 2007 13:53:49
Сообщений: 40
Откуда: Воронеж
Рейтинг сообщения: 0
я встретил в автоматике контроль мотора, в принципе так можно с любым э-двигателем контролировать работу.
уточнение - автоматика - доводчик стеклоподъемника.
http://radiokot.ru/circuit/digital/automat/04[/url]


Вернуться наверх
 
Не в сети
 Заголовок сообщения:
СообщениеДобавлено: Пн апр 13, 2009 19:13:23 
Мучитель микросхем
Аватар пользователя

Зарегистрирован: Вт сен 25, 2007 19:40:26
Сообщений: 438
Откуда: Челябинск
Рейтинг сообщения: 0
zelya писал(а):
я встретил в автоматике контроль мотора, в принципе так можно с любым э-двигателем контролировать работу.
уточнение - автоматика - доводчик стеклоподъемника.
http://radiokot.ru/circuit/digital/automat/04[/url]
О чем я и писал выше - контроль тока.


Вернуться наверх
 
Показать сообщения за:  Сортировать по:  Вернуться наверх
Начать новую тему Ответить на тему  [ Сообщений: 17 ] 

Часовой пояс: UTC + 3 часа


Кто сейчас на форуме

Сейчас этот форум просматривают: Google [Bot] и гости: 15


Вы не можете начинать темы
Вы не можете отвечать на сообщения
Вы не можете редактировать свои сообщения
Вы не можете удалять свои сообщения
Вы не можете добавлять вложения

Найти:
Перейти:  


Powered by phpBB © 2000, 2002, 2005, 2007 phpBB Group
Русская поддержка phpBB
Extended by Karma MOD © 2007—2012 m157y
Extended by Topic Tags MOD © 2012 m157y