Например TDA7294

Форум РадиоКот • Просмотр темы - ДУ для магнитофона Маяк 233 (232)
Форум РадиоКот
Здесь можно немножко помяукать :)

Текущее время: Ср фев 11, 2026 00:02:07

Часовой пояс: UTC + 3 часа


ПРЯМО СЕЙЧАС:



Начать новую тему Ответить на тему  [ Сообщений: 12 ] 
Автор Сообщение
Не в сети
 Заголовок сообщения: ДУ для магнитофона Маяк 233 (232)
СообщениеДобавлено: Чт май 15, 2025 12:23:13 
Встал на лапы

Зарегистрирован: Чт апр 23, 2009 23:33:46
Сообщений: 122
Рейтинг сообщения: 0
Здравствуйте. Задача в следующем. Оснастить магнитофон Маяк 233, дистанционным управлением режимами ЛПМ. В интернете много готовых устройств, где на выходе устройства ДУ выдаётся +5 в, либо пока держишь кнопку нажатой, либо так: нажал кнопку -- появился высокий лог. уровень, чтобы сбросить его, нужно нажать опять эту же кнопку. Этот алгоритм наверно больше подходит в схемах управления магнитофонами Маяк 231, Комета 225 или в моделях с управлением на К145ик1906 (Электроника 204), т.е. где управление сенсорное. Но в моём случае (Маяк 233(232) -- управление на переключателях П2к с зависимой фиксацией. На переднюю панель магнитофона выведен 7-ми контактный разъём для подключения внешнего проводного ДУ. Про этот пульт нигде описания нет и никто его не видел в живую. Есть на ю-тубе видео конструкций проводных ДУ, где переключение тоже выполнено на кнопках с зависимой фиксацией. Я задавал свой вопрос на форуме журнала Радио, там в 80-х было много разных модернизаций и доработок по маякам. Мне ответили: "Реализовать схемно зависимую фиксацию несложно, например, на микросхеме К561ТР2. В усилителе Радиотехника У-7111 блок управления собран на К561ТР2. Четыре команды с фиксацией. Если поставить 2 шт., то будет до 8-ми команд. Входы R при этом надо объединить." На форуме журнала Радио участникам нельзя выложить фрагменты схем, фото, программы -- вообще всё. Поэтому получить помощь очень затруднительно.
Я скачал схему усилителя, но не понял как подключить К561ТР2 в схему магнитофона. Я сам не могу придумать и рассчитать схему, только тупо спаять по готовому, рабочему образцу. Посоветуйте пожалуйста решение. Может есть другие варианты. Нужно чтобы при нажатии кнопки выбора какого-либо режима, на выходе микросхемы было +U питаня, и при этом на других выходах 0, т.е. сбрасывались высокие потенциалы на других выходах, которые были включены.
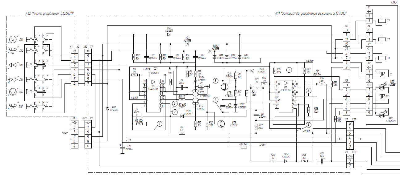
п.с. Во вложения схемы блоков управления маяка и радиотехники ( не чёткая, прошу прощения схема из интернета, качественной не нашёл)


Вложения:
Блок управл.усилителя Радиотехника У7111.png [138.28 KiB]
Скачиваний: 79
Устройство управл. режмимами Маяк-233.png [100.37 KiB]
Скачиваний: 107
Вернуться наверх
 
Не в сети
 Заголовок сообщения: Re: ДУ для магнитофона Маяк 233 (232)
СообщениеДобавлено: Чт май 15, 2025 13:02:04 
Друг Кота
Аватар пользователя

Карма: 26
Рейтинг сообщений: 835
Зарегистрирован: Сб янв 28, 2006 22:47:24
Сообщений: 5891
Рейтинг сообщения: 0
Задача в следующем. Оснастить магнитофон Маяк 233, дистанционным управлением режимами ЛПМ
Беспроводным?

_________________
Астролябия-сама меряет, было бы что мерять!!!


Вернуться наверх
 
Не в сети
 Заголовок сообщения: Re: ДУ для магнитофона Маяк 233 (232)
СообщениеДобавлено: Чт май 15, 2025 13:30:01 
Встал на лапы

Зарегистрирован: Чт апр 23, 2009 23:33:46
Сообщений: 122
Рейтинг сообщения: 0
Проводное -- не интересно, это уже делал. Хочу теперь именно беспроводное. У меня есть собранное проверенное устройство с форума гет-чип, но правда на Аттини13-- всего 3 команды, мне пока для эксперимента, проверки хватит и этого. Позже соберу на все 6 режимов на другом контроллере.


Последний раз редактировалось dmibr Чт май 15, 2025 14:40:32, всего редактировалось 1 раз.

Вернуться наверх
 
Не в сети
 Заголовок сообщения: Re: ДУ для магнитофона Маяк 233 (232)
СообщениеДобавлено: Чт май 15, 2025 13:51:37 
Друг Кота

Зарегистрирован: Вт мар 13, 2012 12:16:13
Сообщений: 8958
Откуда: .ru
Рейтинг сообщения: 0
1.
делать на микрухах типа К561ТР2 которые давно сняты с производства... ну его нафиг))
сейчас всё надо делать на МК.

2.
в соседней теме сделал пульт управления теликом...
https://www.radiokot.ru/forum/viewtopic ... &start=180
можно переделать под магнитофон.


Вернуться наверх
 
Эиком - электронные компоненты и радиодетали
Не в сети
 Заголовок сообщения: Re: ДУ для магнитофона Маяк 233 (232)
СообщениеДобавлено: Чт май 15, 2025 14:13:14 
Встал на лапы

Зарегистрирован: Чт апр 23, 2009 23:33:46
Сообщений: 122
Рейтинг сообщения: 0
1.
делать на микрухах типа К561ТР2 которые давно сняты с производства... ну его нафиг))
сейчас всё надо делать на МК.

У нас в продаже есть зарубежный аналог CD4043. Если будет схема, то меня вполне устроит, главное чтобы работало как надо. На счёт контроллера, согласен, но я не могу писать и править программы. Поэтому мой вариант только согласующая схема на логике.

Добавлено after 11 minutes 21 second:
2.
в соседней теме сделал пульт управления теликом...
https://www.radiokot.ru/forum/viewtopic ... &start=180
можно переделать под магнитофон.

Возможно, но я не силён в таких глобальных переделках. В этом магнитофоне схема управления "хитрая", при переходе с режима на режим есть некоторая задержка, на торможение механизма, чтобы не рвало и не заминало плёнку. А так-же первоначально подаётся повышенное напряжение (форсированный режим) для электромагнитов. Поэтому я трогать родную схему управления не буду. Заменю только кнопки, на сенсорные + триггерная микросхема.


Вернуться наверх
 
Не в сети
 Заголовок сообщения: Re: ДУ для магнитофона Маяк 233 (232)
СообщениеДобавлено: Чт май 15, 2025 14:20:52 
Друг Кота
Аватар пользователя

Карма: 26
Рейтинг сообщений: 835
Зарегистрирован: Сб янв 28, 2006 22:47:24
Сообщений: 5891
Рейтинг сообщения: 0
В блоках выбора программ советских телевизоров еще была микросхема, что-то вроде шифратора-дешифратора для кнопок. Кратковременное нажатие на кнопку, и на одном из выходов устанавливалось некоторое (высокое или низкое) устойчивое состояние. Название микросхемы сейчас не подскажу, вся моя файлопомойка на внешних дисках которые подключить к компу в настоящее время не имею возможности.

_________________
Астролябия-сама меряет, было бы что мерять!!!


Вернуться наверх
 
Не в сети
 Заголовок сообщения: Re: ДУ для магнитофона Маяк 233 (232)
СообщениеДобавлено: Чт май 15, 2025 14:45:10 
Друг Кота

Зарегистрирован: Вт мар 13, 2012 12:16:13
Сообщений: 8958
Откуда: .ru
Рейтинг сообщения: 0
трогать родную схему управления не буду. Заменю только кнопки, на сенсорные + триггерная микросхема.

это скучно...
:sleep:
я сделал себе пульт из телефона...
Вложение:
пульт.jpg [54.19 KiB]
Скачиваний: 76

я нажимаю на кнопки... не вставая с дивана))
это удобно, современно ))
:tea:


Вернуться наверх
 
В сети
 Заголовок сообщения: Re: ДУ для магнитофона Маяк 233 (232)
СообщениеДобавлено: Чт май 15, 2025 16:19:54 
Друг Кота
Аватар пользователя

Карма: 59
Рейтинг сообщений: 2237
Зарегистрирован: Чт янв 26, 2012 16:44:29
Сообщений: 19840
Откуда: Таксимо
Рейтинг сообщения: 0
Асмодей была и на транзисторах кт315 без микросхем. Телек радуга 3усцт

Добавлено after 56 seconds:
https://lh6.googleusercontent.com/proxy ... Cv1rLB4S2g

Добавлено after 7 minutes 1 second:
Можно на тиристорах сделать, можно на реле.
А хитрая задержка в логике маяка, к пульту отношения не имеет. Она сама паузы сделает между переключениями

Добавлено after 1 minute 38 seconds:
Можно вобще от люстры ру использовать. Только запретить одновременное включение всех релюшек

_________________
Мои поставщики запчастей с отличной репутацией
texnomag.ru
radioremont.com
pl-1.org
4ip.info
elitan.ru


Вернуться наверх
 
В сети
 Заголовок сообщения: Re: ДУ для магнитофона Маяк 233 (232)
СообщениеДобавлено: Чт май 15, 2025 16:32:15 
Друг Кота
Аватар пользователя

Карма: 197
Рейтинг сообщений: 8628
Зарегистрирован: Пн ноя 30, 2009 03:00:01
Сообщений: 43438
Откуда: Нерезиновая
Рейтинг сообщения: 0
В 2016 году была ветка "Электронный переключатель на 4 канала"-
viewtopic.php?f=2&t=134094&hilit=%D0%BF%D0%B5%D1%80%D0%B5%D0%BA%D0%BB%D1%8E%D1%87%D0%B0%D1%82%D0%B5%D0%BB%D1%8C&start=20
И там предложили схему:
Изображение
В данном случае это "1 из 4", но, можно сделать "1 из 5", применив микросхемы с логикой 4И-НЕ, и "1 из 8", применив микросхемы с логикой 8И-НЕ.
В общем, вариантов много, и на ТТЛ логике, и на КМОП логике.

зы..



У Маяков, вроде, пульт всего на 4 кнопки. :dont_know:


Вернуться наверх
 
Не в сети
 Заголовок сообщения: Re: ДУ для магнитофона Маяк 233 (232)
СообщениеДобавлено: Чт май 15, 2025 16:53:21 
Друг Кота
Аватар пользователя

Карма: 26
Рейтинг сообщений: 835
Зарегистрирован: Сб янв 28, 2006 22:47:24
Сообщений: 5891
Рейтинг сообщения: 0
Асмодей была и на транзисторах кт315 без микросхем

Да, на КТ315 и на КТ209.

Можно на тиристорах сделать
Переключатель режимов работы магнитофона на тиристорах был первой самостоятельно придуманной и реализованной мною схемой. Я его потом как раз в "Маяк-233" приладил, удалив из кнопочного переключателя планку зависимой фиксации.

_________________
Астролябия-сама меряет, было бы что мерять!!!


Вернуться наверх
 
В сети
 Заголовок сообщения: Re: ДУ для магнитофона Маяк 233 (232)
СообщениеДобавлено: Чт май 15, 2025 17:12:45 
Друг Кота
Аватар пользователя

Карма: 59
Рейтинг сообщений: 2237
Зарегистрирован: Чт янв 26, 2012 16:44:29
Сообщений: 19840
Откуда: Таксимо
Рейтинг сообщения: 0
Если схема осталась, нарисуй ТСу, может захочет переделать красиво. Ну и ду проще будет реализовать

Добавлено after 1 minute 15 seconds:
Там наверно плату для тактовых кнопок делал? У стока вроде кривые толкатели кнопок и п2к просто прикручен

_________________
Мои поставщики запчастей с отличной репутацией
texnomag.ru
radioremont.com
pl-1.org
4ip.info
elitan.ru


Вернуться наверх
 
Не в сети
 Заголовок сообщения: Re: ДУ для магнитофона Маяк 233 (232)
СообщениеДобавлено: Чт май 15, 2025 17:25:26 
Друг Кота
Аватар пользователя

Карма: 26
Рейтинг сообщений: 835
Зарегистрирован: Сб янв 28, 2006 22:47:24
Сообщений: 5891
Рейтинг сообщения: 0
vlasovzloy, там кнопки-переключатели нужны с тиристорами, ему для ДУ не подойдет. ТСу же надо что-то такое, что будет изменением уровней переключаться, типа кнопок с контактами на замыкание.

Там наверно плату для тактовых кнопок делал?
Нет, оставил те что были. Только фиксацию убрал. А платы кнопок в 232/233 Маяках действительно корявые были, и с массовыми непропаями. Я свой только что купленный Маяк на второй день в гарантийную мастерскую потащил из-за этой платы.

_________________
Астролябия-сама меряет, было бы что мерять!!!


Вернуться наверх
 
Показать сообщения за:  Сортировать по:  Вернуться наверх
Начать новую тему Ответить на тему  [ Сообщений: 12 ] 

Часовой пояс: UTC + 3 часа


Кто сейчас на форуме

Сейчас этот форум просматривают: vovw и гости: 16


Вы не можете начинать темы
Вы не можете отвечать на сообщения
Вы не можете редактировать свои сообщения
Вы не можете удалять свои сообщения
Вы не можете добавлять вложения

Найти:
Перейти:  


Powered by phpBB © 2000, 2002, 2005, 2007 phpBB Group
Русская поддержка phpBB
Extended by Karma MOD © 2007—2012 m157y
Extended by Topic Tags MOD © 2012 m157y