Например TDA7294

Форум РадиоКот • Просмотр темы - у.н.ч. помогите разобраться
Форум РадиоКот
Здесь можно немножко помяукать :)

Текущее время: Вс дек 14, 2025 16:14:27

Часовой пояс: UTC + 3 часа


ПРЯМО СЕЙЧАС:



Начать новую тему Ответить на тему  [ Сообщений: 19 ] 
Автор Сообщение
Не в сети
 Заголовок сообщения: у.н.ч. помогите разобраться
СообщениеДобавлено: Сб мар 20, 2010 15:20:39 
Потрогал лапой паяльник

Зарегистрирован: Сб авг 01, 2009 15:51:45
Сообщений: 328
Рейтинг сообщения: 0
Имеется плата унч от советского цветного телевизора,на ней написано УМ1 3 УНЧ,также имеется 8 разных по номиналам конденсаторов,4 сопротивления.Можно ли его прямо в таком виде использовать по применению?Где то видел схему почти подобную, но там имеется еще какой то транзистор и еще что то.Жду советов.


Вернуться наверх
 
Не в сети
 Заголовок сообщения: Re: у.н.ч. помогите разобраться
СообщениеДобавлено: Сб мар 20, 2010 16:56:53 
Модератор
Аватар пользователя

Карма: 158
Рейтинг сообщений: 1600
Зарегистрирован: Пт апр 28, 2006 15:26:07
Сообщений: 11940
Откуда: Россия.
Рейтинг сообщения: 0
Медали: 2
Мявтор 3-й степени (1) Лучший человек Форума 2017 (1)
http://ru.wikipedia.org/wiki/%D0%A3%D0%9C1-3
Можно сразу использовать.
Вот на картинке слева типовая схема включения из справочника, а справа схема твоего модуля.
Т.е. В модуле все уже есть кроме одного электролитического конденсатора на 1000 мкф. Динамик через этот конденсатор подключишь.
На схеме из справочника он С8

Если чувствительности по входу будет мало, то можно и каскад на транзисторе сделать по обычной схеме.


Вложения:
174ун7.JPG [88.28 KiB]
Скачиваний: 1467
Вернуться наверх
 
Не в сети
 Заголовок сообщения: Re: у.н.ч. помогите разобраться
СообщениеДобавлено: Сб мар 20, 2010 18:08:03 
Потрогал лапой паяльник

Зарегистрирован: Сб авг 01, 2009 15:51:45
Сообщений: 328
Рейтинг сообщения: 0
Вот это спасибо.


Вернуться наверх
 
Не в сети
 Заголовок сообщения: Re: у.н.ч. помогите разобраться
СообщениеДобавлено: Вс мар 21, 2010 20:01:11 
Потрогал лапой паяльник

Зарегистрирован: Сб авг 01, 2009 15:51:45
Сообщений: 328
Рейтинг сообщения: 0
Не хочу создавать новую тему,а может так оно и надо.Вот в чем вопрос, имеется панель с эквалайзером, на этой же панели имеется микросхема AN7330K, имеет ли она к эквалайзеру какое то отношение, если имеет не скинете ли схемку.И как включить в какую либо схему этот эквалайзер до или после какого то усилителя.Вы у меня теперь единственной надеждой останетесь на долгое время по консультации радио вопросов.Жду совета.


Вернуться наверх
 
Эиком - электронные компоненты и радиодетали
Не в сети
 Заголовок сообщения: Re: у.н.ч. помогите разобраться
СообщениеДобавлено: Вт мар 23, 2010 04:02:49 
Друг Кота
Аватар пользователя

Карма: 100
Рейтинг сообщений: 431
Зарегистрирован: Вс фев 07, 2010 00:44:56
Сообщений: 11542
Рейтинг сообщения: 0
Блин в компах я дебил,надеюсь правильно залил файл -вот твоя микруха.Не ленись искать даташиты :)) А так на счет этой микры это и есть эквалайзер на 2-а канала вобще смотри даташник(у меня с англ. хреново но разбераюсь все равно).Да если будут вопросы пиши в личку-чем смогу помогу-теории особ. не знаю а практики много :))


Вложения:
datasheet.pdf [240.24 KiB]
Скачиваний: 585

_________________
человек замученный парами Нарзана
Вернуться наверх
 
Не в сети
 Заголовок сообщения: Re: у.н.ч. помогите разобраться
СообщениеДобавлено: Чт фев 24, 2011 15:54:49 
Родился

Зарегистрирован: Ср фев 23, 2011 09:03:04
Сообщений: 16
Рейтинг сообщения: 0
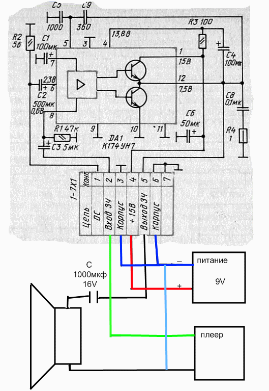
Вложение:
унч.gif [108.99 KiB]
Скачиваний: 5520
Изображениеблин, пожалуйста подскажите я правильно подцепил


Вернуться наверх
 
Не в сети
 Заголовок сообщения: Re: у.н.ч. помогите разобраться
СообщениеДобавлено: Чт фев 24, 2011 16:00:08 
Модератор
Аватар пользователя

Карма: 162
Рейтинг сообщений: 2425
Зарегистрирован: Пн июл 07, 2008 10:46:09
Сообщений: 10735
Откуда: Россия
Рейтинг сообщения: 0
Я, к сожалению, не "блин", но подскажу, так и быть...
Неправильно. Самый нижний провод, который между динамиком и плеером, нужно соединить с "корпусом".

_________________
Если хотите, чтобы жизнь улыбалась вам, подарите ей своё хорошее настроение


Вернуться наверх
 
Не в сети
 Заголовок сообщения: Re: у.н.ч. помогите разобраться
СообщениеДобавлено: Чт фев 24, 2011 16:00:39 
Друг Кота
Аватар пользователя

Карма: 65
Рейтинг сообщений: 802
Зарегистрирован: Чт апр 19, 2007 16:10:43
Сообщений: 9889
Откуда: г.Москва
Рейтинг сообщения: 0
почти ..........ты забыл посадить на корпус ( 3 , 6 ноги ) провод, соединяющий ( на твоем рисунке) акустику с плеером :))

_________________
Правило для российского гражданина: Во всем принимай сторону России, независимо от того, кто Россию возглавляет в данный момент, и какая страна или страны ей противостоят. Руководствуйся мудростью: "Россия, - всё, остальное - ничто!"


Вернуться наверх
 
Не в сети
 Заголовок сообщения: Re: у.н.ч. помогите разобраться
СообщениеДобавлено: Чт фев 24, 2011 16:16:32 
Родился

Зарегистрирован: Ср фев 23, 2011 09:03:04
Сообщений: 16
Рейтинг сообщения: 0
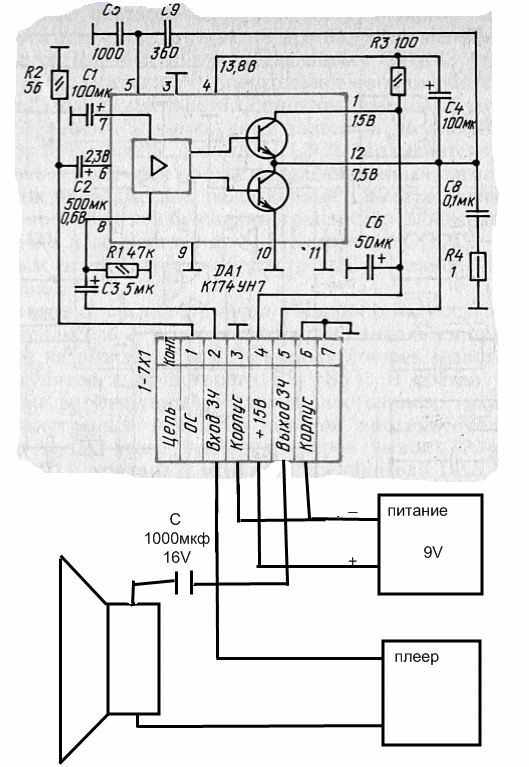
Вложение:
унч.gif [70.94 KiB]
Скачиваний: 1051
как на схеме голубым проводом


Вернуться наверх
 
Не в сети
 Заголовок сообщения: Re: у.н.ч. помогите разобраться
СообщениеДобавлено: Чт фев 24, 2011 17:00:40 
Модератор
Аватар пользователя

Карма: 162
Рейтинг сообщений: 2425
Зарегистрирован: Пн июл 07, 2008 10:46:09
Сообщений: 10735
Откуда: Россия
Рейтинг сообщения: 0
Правильно, только к разъёму соединение ведите разными проводами, от плеера к 3 контакту разъёма, а от динамика - к 6 контакту.

_________________
Если хотите, чтобы жизнь улыбалась вам, подарите ей своё хорошее настроение


Вернуться наверх
 
Не в сети
 Заголовок сообщения: Re: у.н.ч. помогите разобраться
СообщениеДобавлено: Чт фев 24, 2011 17:57:24 
Родился

Зарегистрирован: Ср фев 23, 2011 09:03:04
Сообщений: 16
Рейтинг сообщения: 0
большое при большое спасибо, все работает отлично!!!!!!!!


Вернуться наверх
 
Не в сети
 Заголовок сообщения: Re: у.н.ч. помогите разобраться
СообщениеДобавлено: Ср мар 02, 2011 21:05:44 
Родился

Зарегистрирован: Ср фев 23, 2011 09:03:04
Сообщений: 16
Рейтинг сообщения: 0
Изображение
пожалуйста обьясните какую ножку куда клеить


Вложения:
174 2.gif [19.45 KiB]
Скачиваний: 3975
Вернуться наверх
 
Не в сети
 Заголовок сообщения: Re: у.н.ч. помогите разобраться
СообщениеДобавлено: Ср мар 02, 2011 21:18:21 
Модератор
Аватар пользователя

Карма: 162
Рейтинг сообщений: 2425
Зарегистрирован: Пн июл 07, 2008 10:46:09
Сообщений: 10735
Откуда: Россия
Рейтинг сообщения: 0
Вот здесь всё есть...
https://sunduk.radiokot.ru/loadfile/?load_id=1287724259
Там, где 7-8-9 нужно читать 1-2-3 и дальше против часовой стрелки как у 16 выводной микросхемы. Два средних вывода - это уши.

_________________
Если хотите, чтобы жизнь улыбалась вам, подарите ей своё хорошее настроение


Вернуться наверх
 
Не в сети
 Заголовок сообщения: Re: у.н.ч. помогите разобраться
СообщениеДобавлено: Чт мар 03, 2011 15:12:04 
Родился

Зарегистрирован: Ср фев 23, 2011 09:03:04
Сообщений: 16
Рейтинг сообщения: 0
Изображениетак?


Вложения:
174 3.gif [12.42 KiB]
Скачиваний: 3917
Вернуться наверх
 
Не в сети
 Заголовок сообщения: Re: у.н.ч. помогите разобраться
СообщениеДобавлено: Чт мар 03, 2011 15:36:33 
Это не хвост, это антенна

Карма: 2
Рейтинг сообщений: 21
Зарегистрирован: Чт янв 27, 2011 21:57:53
Сообщений: 1318
Рейтинг сообщения: 0
Изображение


Вернуться наверх
 
Не в сети
 Заголовок сообщения: Re: у.н.ч. помогите разобраться
СообщениеДобавлено: Пт мар 04, 2011 14:53:52 
Родился

Зарегистрирован: Ср фев 23, 2011 09:03:04
Сообщений: 16
Рейтинг сообщения: 0
благодарю


Вернуться наверх
 
Не в сети
 Заголовок сообщения: Re: у.н.ч. помогите разобраться
СообщениеДобавлено: Ср апр 29, 2015 07:08:11 
Это не хвост, это антенна
Аватар пользователя

Карма: 17
Рейтинг сообщений: 536
Зарегистрирован: Вс ноя 30, 2014 14:37:01
Сообщений: 1444
Рейтинг сообщения: 0
Доброго времени суток. Существуют ли панели для "втыкания" ))) микросхемы К174УН7, во избежание перегрева, да и для замены тоже ? Очень часто попадаются бракованные, перепаивать их - "геморрой".


Вернуться наверх
 
Не в сети
 Заголовок сообщения: Re: у.н.ч. помогите разобраться
СообщениеДобавлено: Ср апр 29, 2015 17:11:32 
Друг Кота
Аватар пользователя

Карма: 233
Рейтинг сообщений: 11338
Зарегистрирован: Чт авг 30, 2012 20:24:40
Сообщений: 37346
Откуда: Нижний Новгород
Рейтинг сообщения: 0
Панелька DIP-16 (но усложнится крепление радиатора):

Изображение


Вернуться наверх
 
Не в сети
 Заголовок сообщения: Re: у.н.ч. помогите разобраться
СообщениеДобавлено: Ср апр 29, 2015 18:21:58 
Это не хвост, это антенна
Аватар пользователя

Карма: 17
Рейтинг сообщений: 536
Зарегистрирован: Вс ноя 30, 2014 14:37:01
Сообщений: 1444
Рейтинг сообщения: 0
Андрей, благодарю за информацию. Это я готовлюсь к "стендовой" Селене. Испытаем вдоль и поперек.


Вернуться наверх
 
Показать сообщения за:  Сортировать по:  Вернуться наверх
Начать новую тему Ответить на тему  [ Сообщений: 19 ] 

Часовой пояс: UTC + 3 часа


Кто сейчас на форуме

Сейчас этот форум просматривают: 6ф1 и гости: 46


Вы не можете начинать темы
Вы не можете отвечать на сообщения
Вы не можете редактировать свои сообщения
Вы не можете удалять свои сообщения
Вы не можете добавлять вложения

Найти:
Перейти:  


Powered by phpBB © 2000, 2002, 2005, 2007 phpBB Group
Русская поддержка phpBB
Extended by Karma MOD © 2007—2012 m157y
Extended by Topic Tags MOD © 2012 m157y