Например TDA7294

Форум РадиоКот • Просмотр темы - Симисторный регулятор мощности
Форум РадиоКот
Здесь можно немножко помяукать :)

Текущее время: Чт мар 05, 2026 10:09:00

Часовой пояс: UTC + 3 часа


ПРЯМО СЕЙЧАС:



Начать новую тему Ответить на тему  [ Сообщений: 137 ]  1, , , , ...  
Автор Сообщение
 Заголовок сообщения: Симисторный регулятор мощности
СообщениеДобавлено: Пт авг 29, 2008 09:18:09 
Вымогатель припоя

Зарегистрирован: Вс сен 10, 2006 00:04:03
Сообщений: 546
Рейтинг сообщения: 0
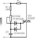
Нашел схему в интернете простого симисторного регулятора мощности.Хочу использовать его с с электродрелью.
но при рассмотрении возникли вопросы -
1.Как будет работать с индуктивной нагрузкой
2.Конденсатор С1 на сколько мкф ставить
3.Можно ли вместо КН102А поставить Д226Г коих у меня много :))


Вложения:
tiristo3.gif [2.19 KiB]
Скачиваний: 6033
Вернуться наверх
 
 Заголовок сообщения:
СообщениеДобавлено: Пт авг 29, 2008 10:06:58 
Друг Кота
Аватар пользователя

Карма: 20
Рейтинг сообщений: 323
Зарегистрирован: Ср дек 05, 2007 19:39:08
Сообщений: 4450
Откуда: Мурманск
Рейтинг сообщения: 0
Заменить КН102А(динистор)на КД226(диод)не получится.Ёмкость конденсатора,наверно,около 0,1-0,25 мкф должно быть.ИМХО схема простая,но не самая лучшая для ваших целей.


Вернуться наверх
 
 Заголовок сообщения: Re: Симисторый регулятор мощности
СообщениеДобавлено: Пт авг 29, 2008 11:54:00 
Модератор
Аватар пользователя

Карма: 158
Рейтинг сообщений: 1600
Зарегистрирован: Пт апр 28, 2006 15:26:07
Сообщений: 11940
Откуда: Россия.
Рейтинг сообщения: 0
Медали: 2
Мявтор 3-й степени (1) Лучший человек Форума 2017 (1)
SAU писал(а):
Нашел схему

Если ты такой же ленивый, как и я, то сделай вот такую, как у меня. :cry:
http://radiokot.ru/lab/analog/14/
http://borabun.narod.ru/power.html
Я дроссель и конденсатор не ставил. Лень.


Вернуться наверх
 
 Заголовок сообщения:
СообщениеДобавлено: Пт авг 29, 2008 12:18:01 
Вымогатель припоя

Зарегистрирован: Вс сен 10, 2006 00:04:03
Сообщений: 546
Рейтинг сообщения: 0
Нету такого.Есть только симистор КУ208Г, есть где то филипсовские, выпаянные.Марку точно не помню - по моему BT107.
Динистрора тоже нет. :))
Хочется из старого хлама.Девать куда-то надо же - чего зря лежать будет.
Да и сложная не нужна - дрель все-таки.
А в этой схемке можно тиристор симистором заменить?
http://ifolder.ru/7902146


Вернуться наверх
 
Эиком - электронные компоненты и радиодетали
 Заголовок сообщения:
СообщениеДобавлено: Пт авг 29, 2008 12:41:55 
Сверлит текстолит когтями
Аватар пользователя

Карма: 16
Рейтинг сообщений: 62
Зарегистрирован: Сб апр 21, 2007 10:40:53
Сообщений: 1292
Рейтинг сообщения: 0
Можно попробовать. Только все диоды перевернуть, т.к. КУ208 положительным напряжением открывается только на положительной полуволне, а отрицательным и в том и в другом. Правда у него ток открывания большой. Сотни милиампер.
Если лень мотать импульсный трансформатор и нет динисторов, то можно применить аналоги динисторов на транзисторах. V3, V7 можно КТ361, хотя по моему V3 и V4 лишние.


ИзображениеImage Hosting


Вернуться наверх
 
 Заголовок сообщения:
СообщениеДобавлено: Пт авг 29, 2008 14:04:33 
Вымогатель припоя

Зарегистрирован: Вс сен 10, 2006 00:04:03
Сообщений: 546
Рейтинг сообщения: 0
спасибо


Вернуться наверх
 
 Заголовок сообщения:
СообщениеДобавлено: Пт авг 29, 2008 14:50:18 
Потрогал лапой паяльник
Аватар пользователя

Зарегистрирован: Пт авг 31, 2007 19:58:52
Сообщений: 391
Откуда: Украина, Сум обл., г. КоНоТоП
Рейтинг сообщения: 0
Я делал простой фазовый регулятор на тиристоре (фазовый регулятор). Вполне хватает для настольной лампы. Если проапгрейдить думаю все бут норм. Схему не нашел, делал давненько.

_________________
Бригада дежурных телепатов ответит на ваши вопросы


Вернуться наверх
 
 Заголовок сообщения:
СообщениеДобавлено: Вс авг 31, 2008 16:37:43 
Сверлит текстолит когтями
Аватар пользователя

Карма: 6
Рейтинг сообщений: 6
Зарегистрирован: Пн фев 26, 2007 20:23:49
Сообщений: 1239
Откуда: Москва
Рейтинг сообщения: 0
Как мя понял, там динисторы стоят встречно-паралельно, я собирал симисторный регулятор на КУ208 и диаке(двойном динисторе) DB3 есть в чипе, стоит 12 руб.
А вообще можно и без динисторов - принцип состоит в том, что открывающий импульс подается на УЭ через RC-цепь, т.е. с задержкой, и меняя время задержки, меняется момент открытия симистора.

_________________
Друзья мои.... Режте карточки вдоль магнитной полосы!


Вернуться наверх
 
 Заголовок сообщения:
СообщениеДобавлено: Вс авг 31, 2008 23:18:44 
Потрогал лапой паяльник

Зарегистрирован: Пт фев 08, 2008 13:46:03
Сообщений: 327
Откуда: Воронеж
Рейтинг сообщения: 0
Чего-то я не совсем понял :? . Разве тиристоры и симисторы это одно и тоже? По моему это совершено различные вещи. Тиристор пропускает только в одну сторону (исправный :) ), а симистор в обе. Кроме того организовать быстрый шим тиристоре будет несколько проще.
Я пробовал собирать коммутатор на 2 тиристорах, получилось довольно не плохо.
см. http://radiokot.ru/forum/viewtopic.php?t=8414
Разумеется блок питания здесь лишний, транзисторный ключ можно питать просто от сети.
А так, если подавать ШИМ сигнал на УЭ, то можно сделать довольно неплохой регулятор мощности. Если есть желание и время, то можно собрать универсальный цифровой регулятор мощности на микроконтроллере (Atmega8, например).


Вернуться наверх
 
 Заголовок сообщения:
СообщениеДобавлено: Пн сен 01, 2008 00:40:44 
Сверлит текстолит когтями
Аватар пользователя

Карма: 6
Рейтинг сообщений: 6
Зарегистрирован: Пн фев 26, 2007 20:23:49
Сообщений: 1239
Откуда: Москва
Рейтинг сообщения: 0
Вы-то сами триристоры и тиристоры не путаете ли?
А на будующее, тиристоры - это общее название управляемых вентилей, имеющих два устойчивых состояния - открыт-закрыт.
Симмистор - симметричный тиристор, тринистор - трехэлектородный тиристор, динистор - двухэлектродный тиристор.
И нафига ШИМ на УЭ....

_________________
Друзья мои.... Режте карточки вдоль магнитной полосы!


Вернуться наверх
 
 Заголовок сообщения:
СообщениеДобавлено: Пн сен 01, 2008 02:24:33 
Опытный кот
Аватар пользователя

Карма: 2
Рейтинг сообщений: 13
Зарегистрирован: Сб июл 19, 2008 02:16:33
Сообщений: 885
Откуда: Саратов
Рейтинг сообщения: 0
ФД263 01 писал(а):
И нафига ШИМ на УЭ....
Мне это тоже глаз резануло...
Но по формальным признакам там будет именно ШИМ, но есть маааленький нюанс - этот ШИМ должен быть синхронизирован с перходами питающего напряжения через ноль.


Вернуться наверх
 
 Заголовок сообщения:
СообщениеДобавлено: Пн сен 01, 2008 02:51:37 
Сверлит текстолит когтями
Аватар пользователя

Карма: 6
Рейтинг сообщений: 6
Зарегистрирован: Пн фев 26, 2007 20:23:49
Сообщений: 1239
Откуда: Москва
Рейтинг сообщения: 0
Вот именно, и это уже называется фазовой модуляцией. Модуляция угла открытия симистора :)))

_________________
Друзья мои.... Режте карточки вдоль магнитной полосы!


Вернуться наверх
 
 Заголовок сообщения:
СообщениеДобавлено: Чт сен 04, 2008 09:38:22 
Вымогатель припоя

Зарегистрирован: Вс сен 10, 2006 00:04:03
Сообщений: 546
Рейтинг сообщения: 0
нашел тиристор и динистор.На просторах сети нашел схему ночника http://cxem.net/house/1-66.php Спаял.Но яркость не регулируется, хотя напряжение на конденсаторе меняется с 70 до 205 вольт. Вопрос Почему? :))


Вернуться наверх
 
 Заголовок сообщения:
СообщениеДобавлено: Чт сен 04, 2008 10:45:40 
Модератор
Аватар пользователя

Карма: 158
Рейтинг сообщений: 1600
Зарегистрирован: Пт апр 28, 2006 15:26:07
Сообщений: 11940
Откуда: Россия.
Рейтинг сообщения: 0
Медали: 2
Мявтор 3-й степени (1) Лучший человек Форума 2017 (1)
Я бы вот так сделал.


Вложения:
1.JPG [11.14 KiB]
Скачиваний: 5178
Вернуться наверх
 
 Заголовок сообщения:
СообщениеДобавлено: Чт сен 04, 2008 11:28:55 
Вымогатель припоя

Зарегистрирован: Вс сен 10, 2006 00:04:03
Сообщений: 546
Рейтинг сообщения: 0
ок.попробуем... :))


Вернуться наверх
 
 Заголовок сообщения:
СообщениеДобавлено: Чт сен 04, 2008 12:03:44 
Ум, честь и совесть. И скромность.
Аватар пользователя

Карма: 98
Рейтинг сообщений: 2122
Зарегистрирован: Чт дек 28, 2006 08:19:56
Сообщений: 18482
Откуда: Новочеркасск
Рейтинг сообщения: 0
Медали: 2
Получил миской по аватаре (1) Мявтор 3-й степени (1)
в схеме aen-а заменить тиристор на симистор, вместо КН102 взять импортный DB3, диоды выкинуть (оба) - будет проще :) по такой схеме сделаны "установочные" диммеры.

_________________
если рассматривать человека снизу, покажется, что мозг у него глубоко в жопе
при взгляде на многих сверху ничего не меняется...

Мой уютный бложик... заходите!


Вернуться наверх
 
 Заголовок сообщения:
СообщениеДобавлено: Чт сен 04, 2008 12:40:00 
Вымогатель припоя

Зарегистрирован: Вс сен 10, 2006 00:04:03
Сообщений: 546
Рейтинг сообщения: 0
Ну вот - перепаял.Теперь на динисторе постоянное напряжение меняется от 0 до 44 В, на конденсаторе переменное от 1 до 90 вольт, но лампа горит постоянно :( .Эт что - тиристор пробит что ли?


Вложения:
reg.GIF [5.48 KiB]
Скачиваний: 1991
Вернуться наверх
 
 Заголовок сообщения:
СообщениеДобавлено: Чт сен 04, 2008 14:05:06 
Модератор
Аватар пользователя

Карма: 158
Рейтинг сообщений: 1600
Зарегистрирован: Пт апр 28, 2006 15:26:07
Сообщений: 11940
Откуда: Россия.
Рейтинг сообщения: 0
Медали: 2
Мявтор 3-й степени (1) Лучший человек Форума 2017 (1)
Ты меня заинтриговал. Сейчас сел и спаял вот такую. Всё работает.
Изображение
Детали брал какие попадутся под руку. Ничего нигде не замерял.
Ты тиристор умеешь проверять тестером?


Вернуться наверх
 
 Заголовок сообщения:
СообщениеДобавлено: Чт сен 04, 2008 15:03:07 
Вымогатель припоя

Зарегистрирован: Вс сен 10, 2006 00:04:03
Сообщений: 546
Рейтинг сообщения: 0
А как проверить?Схему специальную собирать что ли? :))


Вернуться наверх
 
 Заголовок сообщения:
СообщениеДобавлено: Чт сен 04, 2008 15:12:00 
Модератор
Аватар пользователя

Карма: 158
Рейтинг сообщений: 1600
Зарегистрирован: Пт апр 28, 2006 15:26:07
Сообщений: 11940
Откуда: Россия.
Рейтинг сообщения: 0
Медали: 2
Мявтор 3-й степени (1) Лучший человек Форума 2017 (1)
Я там специально картинку нарисовал, а не схему. Ты там правильно тиристор включаешь. На твоей схеме управляющий электрод странно как то нарисован.
Сейчас нарисую схему проверки. Только я стрелочным проверяю. Цифровым не знаю получиться или нет.


Вложения:
33.JPG [33.99 KiB]
Скачиваний: 3886


Последний раз редактировалось aen Чт сен 04, 2008 15:26:44, всего редактировалось 1 раз.
Вернуться наверх
 
Показать сообщения за:  Сортировать по:  Вернуться наверх
Начать новую тему Ответить на тему  [ Сообщений: 137 ]  1, , , , ...  

Часовой пояс: UTC + 3 часа


Вы не можете начинать темы
Вы не можете отвечать на сообщения
Вы не можете редактировать свои сообщения
Вы не можете удалять свои сообщения
Вы не можете добавлять вложения

Найти:
Перейти:  


Powered by phpBB © 2000, 2002, 2005, 2007 phpBB Group
Русская поддержка phpBB
Extended by Karma MOD © 2007—2012 m157y
Extended by Topic Tags MOD © 2012 m157y