| Форум РадиоКот https://radiokot.ru/forum/ |
|
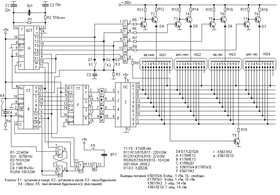
| часы на 176ие12 https://radiokot.ru/forum/viewtopic.php?f=22&t=16528 |
Страница 1 из 2 |
| Автор: | dex [ Пн май 25, 2009 16:55:09 ] |
| Заголовок сообщения: | часы на 176ие12 |
Коллеги подскажите! Собранные часы на 176ие12 сразу должны начать работать при подаче питания? я собрал ее на панельках, пока без индикаторов, частотомер ничего не показывает, вроде схема собрана правильно... есть какие-то особенности ее работы? критично ли 22 мом или достаточно 20 мом ? |
|
| Автор: | Igor_67 [ Пн май 25, 2009 16:56:48 ] |
| Заголовок сообщения: | |
Схему по которой собирал - в студию! |
|
| Автор: | Света [ Пн май 25, 2009 17:10:22 ] |
| Заголовок сообщения: | |
Достаточно 20 МОм. Без ошибок собранная схема и на исправных деталях работает сразу при включении питания. |
|
| Автор: | Кашпо [ Пн май 25, 2009 17:32:19 ] |
| Заголовок сообщения: | |
если не убил мелкосхему статикой. |
|
| Автор: | dex [ Пн май 25, 2009 19:50:37 ] |
| Заголовок сообщения: | |
а микросхему трогать руками вообще нельзя ? просто в магазе её продавец подержал, + видимо кладовщик ну и я )))) |
|
| Автор: | Igor_67 [ Пн май 25, 2009 19:58:56 ] |
| Заголовок сообщения: | |
Она статики боится. Хотя у меня за более чем 25 лет практики, было тоько пару раз, чтобы КМОПы перегорали от статики. И то это относится к простой логике типа НЕ, ИЛИ, И, И-НЕ, ИЛИ-НЕ, а также к ключам КП, а счетчики, к коим принадлежит 176ИЕ12 - ни разу не горели. |
|
| Автор: | dex [ Пн май 25, 2009 20:02:57 ] |
| Заголовок сообщения: | |
понятно ... вообщем нужно будет прикупить еще парочку... а переплюсовски питания ? в смысле плюс и минус местами поменял.... а может она не запускать из-за кварца ? например кварц "больной" |
|
| Автор: | Igor_67 [ Пн май 25, 2009 20:12:25 ] |
| Заголовок сообщения: | |
Переполюсовки боятся все микрухи. Внимательнее надо быть! |
|
| Автор: | dex [ Пн май 25, 2009 20:27:12 ] | ||
| Заголовок сообщения: | |||
то есть если микросхема и кварц рабочие то в принципе подключив питание частотометр "увидит" на 7+4 ноге 1 гц ? (по схеме оттуда идут импульсы на разделительную точку?
|
|||
| Автор: | Igor_67 [ Пн май 25, 2009 20:31:09 ] |
| Заголовок сообщения: | |
Проще поймать осциллом частоту 32768Гц на 13 и 14 ногах. |
|
| Автор: | dex [ Пн май 25, 2009 20:34:22 ] |
| Заголовок сообщения: | |
ок спасибо попробую а на ножках кварца непосредственно ? |
|
| Автор: | Igor_67 [ Пн май 25, 2009 20:47:49 ] |
| Заголовок сообщения: | |
На кварце ничего не увидишь. Осцилл весь сигнал засадит. Подключись через кондюк пик на 270-330, тогда увидишь. А вообще - вот классическая схема сопряжения всей этой хрени, сравни соединения. Всё ли у тебя так? http://xtrason.mylivepage.ru/2344/4766_cdp40.gif |
|
| Автор: | Rokl [ Пн май 25, 2009 21:03:33 ] |
| Заголовок сообщения: | |
dex писал(а): ок спасибо попробую
а на ножках кварца непосредственно ? УПС...моя схема всплыла))) А какой часовой кварц используешь??? Если с убитой материнки, такой цилиндрик, то завести его можно только с теми конденсаторами, что на плате остались, если кварц такой большой (типа гробик ромбиком), то попробуй увеличить С2 и С1 раза в 2. Только не увлекайся. От этого зависит точность хода часов. R1 можно ставить любой и 10м и 5м, и 20м и вообще не ставить. Работу кварцевого резонатора лучше всего смотреть осциллографом на 14 выводе ИЕ12. Этот вывод для этого и сделан. Туда нужно цеплять частотомер и выставлять частоту 32768,00+/-1. Точнее не выставить, т.к. кварц не термостабилизирован и частота будет плавать в зависимости от температуры окружающей среды. Можно и на кварце частоту глянуть, только непременно переключи делитель на фирменном щупе 1:10 иначе на кварце сорвется генерация и на осциллографе ничего не увидишь.Если осциллографа нет, проще всего стрелочным тестером посмотреть на 7 ноге ИЕ12 в режиме измерения напряжения на пределе 10-15 вольт. (Увидишь ежесекундные броски напряжения.(или не увидишь |
|
| Автор: | dex [ Пн май 25, 2009 21:21:41 ] |
| Заголовок сообщения: | |
кварц куплен в магазе 32768 ооочень маленький цилиндрик пролавец его так и назвал - часовой )))))) |
|
| Автор: | Rokl [ Пн май 25, 2009 21:38:59 ] |
| Заголовок сообщения: | |
dex писал(а): кварц куплен в магазе 32768 ооочень маленький цилиндрик
пролавец его так и назвал - часовой )))))) Тогда поиграйся с конденсаторами...лучше в таком варианте брать с убитой материнки и с обвесом. Т.к. эти кварцы работают хрен знает на какой гармонике и пока заведешь их...попотеешь. Чем меньше цилиндрик, тем трудней его завести. |
|
| Автор: | dex [ Пн май 25, 2009 22:01:37 ] |
| Заголовок сообщения: | |
а чтобы завести кварц нужно подбирать емкости обвеса ? хммм а вместо кварца можно временно ппаять конденсатор чтобы проверить работает ли счетчик ? если да то на какую емкость ? |
|
| Автор: | Rokl [ Пн май 25, 2009 22:10:56 ] |
| Заголовок сообщения: | |
dex писал(а): а чтобы завести кварц нужно подбирать емкости обвеса ?
хммм а вместо кварца можно временно ппаять конденсатор чтобы проверить работает ли счетчик ? если да то на какую емкость ? а на какой заведется. 30п, может больше. Это ж начинаются танцы с бубном. А счетчик у тебя работает 100%. Что бы убить ИЕ12 нужно о-о-очень постараться.Там, питалово перепутать, или пьезозажигалкой в схему ткнуть, или 220 запустить в схему. По другому ИЕ12 убить практически невозможно. |
|
| Автор: | dex [ Вт май 26, 2009 00:12:07 ] |
| Заголовок сообщения: | |
ну вот поставил новую ИЕ12 временно выпаял кварц и впаял 200 пф ничего не видно и не слышно питание поступает на выводе 14 9 в на 5+9 выводе тоже 9в |
|
| Автор: | aen [ Вт май 26, 2009 00:52:59 ] | ||
| Заголовок сообщения: | |||
Вместо кварца тогда уж катушку нужно ставить, а не конденсатор. С конденсатором вместо кварца никогда не заведётся. Вот примерно по такой схеме выполнен генератор в этой микросхеме. П - контур инвертирует сигнал.
|
|||
| Автор: | dex [ Вт май 26, 2009 14:26:53 ] |
| Заголовок сообщения: | |
а можно вместо кварца на 32768 Гц поставить другой но рабочий на 100 кГц ? счетчик будет работать ? в том смысле что есть у него жесткая привязка к частоте кварца ? |
|
| Страница 1 из 2 | Часовой пояс: UTC + 3 часа |
| Powered by phpBB © 2000, 2002, 2005, 2007 phpBB Group http://www.phpbb.com/ |
|


