Здравствуйте.
Собрал в EWB схему предварительно рассчитав её. И вот когда запустил получил большие отклонения от моих расчётов.
Если не сложно посмотрите в чём моя моя ошибка...
Цель: установить на коллекторе напряжение 6В и ток через коллектор 1мА
Uпит=12 В
Iк=1 мА
Uкэ=6В=> R2=6В/1мА=6кОм
Посмотрел в настройках транзистора там коэф передачи тока 100 => Iб=1мА/100=10uА
т.к Uкэ=6В а падение на база-эмиттер Uбэ=0,7В то R1= (6В-0,7В)/10uА=530кОм
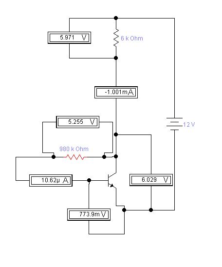
А вот что получилось в EWB

Вот путём подгонки R1 я всё таки выставил нужное напряжение на коллекторе и его ток.

Но посмотрите, сопротивление получилось 980кОм ток через этот резистор 10uА а напряжение на нём 5.3В как и в моём расчёте, но ведь если мы разделим 5,3В на 10uА получится 530кОм никак не 980!!!

Я бы понял если бы в реальной схеме так было бы, можно свалить вину на коэф передачи, мол он не тот что указан, а в ewb все выбрано идеальным, т.е результат должен с расчётом совпадать..
Тут или моя вина и чего то не понимаю или это ошибка EWB...скорее всего я где то ошибся но никак не могу понять где...