Например TDA7294

Форум РадиоКот • Просмотр темы - Вакуумные люминесцентные индикаторы (ВЛИ, VFD)
Форум РадиоКот
Здесь можно немножко помяукать :)

Текущее время: Пт янв 09, 2026 11:00:43

Часовой пояс: UTC + 3 часа


ПРЯМО СЕЙЧАС:



Начать новую тему Ответить на тему  [ Сообщений: 860 ]     ... , , , 36, , , ...  
Автор Сообщение
Не в сети
 Заголовок сообщения: Re: Вакуумные люминесцентные индикаторы (ВЛИ, VFD)
СообщениеДобавлено: Пн фев 12, 2018 21:06:05 
Поставщик валерьянки для Кота
Аватар пользователя

Карма: 11
Рейтинг сообщений: 88
Зарегистрирован: Вт фев 09, 2010 02:04:53
Сообщений: 2019
Откуда: Санкт-Петербург
Рейтинг сообщения: 0
Полагаю, что их изготавливают химическим травлением. Такую мелкую штамповку не сделаешь. Можно и лазером вырезать, но раньше вряд ли были такие технологии.

_________________
Фак, кот грызёт провод! Сейчас его ударит либо током, либо тапком! ))


Вернуться наверх
 
Не в сети
 Заголовок сообщения: Re: Вакуумные люминесцентные индикаторы (ВЛИ, VFD)
СообщениеДобавлено: Сб мар 24, 2018 16:38:22 
Поставщик валерьянки для Кота

Карма: 34
Рейтинг сообщений: 313
Зарегистрирован: Вс ноя 15, 2009 23:13:59
Сообщений: 2134
Откуда: Харьков
Рейтинг сообщения: 0
Помогите опознать индикатор. Маркировки никакой нет, очень похож на ИВ-3, но не он, скорее импортный.
Изображение Изображение Изображение

_________________
Иногда мой питомец уходит в такую спячку, что разбудить его можно только щелчком по первой ноге...


Вернуться наверх
 
Не в сети
 Заголовок сообщения: Re: Вакуумные люминесцентные индикаторы (ВЛИ, VFD)
СообщениеДобавлено: Ср мар 28, 2018 12:37:28 
Поставщик валерьянки для Кота
Аватар пользователя

Карма: 11
Рейтинг сообщений: 88
Зарегистрирован: Вт фев 09, 2010 02:04:53
Сообщений: 2019
Откуда: Санкт-Петербург
Рейтинг сообщения: 0
Могу лишь предположить, что это ранний, опытный экземпляр ИВ-3. По крайней мере, у некоторых опытных ИНок была не такая сетка, как у серийных - возможно, здесь так же.

_________________
Фак, кот грызёт провод! Сейчас его ударит либо током, либо тапком! ))


Вернуться наверх
 
Не в сети
 Заголовок сообщения: Re: Вакуумные люминесцентные индикаторы (ВЛИ, VFD)
СообщениеДобавлено: Ср мар 28, 2018 21:11:44 
Поставщик валерьянки для Кота

Карма: 34
Рейтинг сообщений: 313
Зарегистрирован: Вс ноя 15, 2009 23:13:59
Сообщений: 2134
Откуда: Харьков
Рейтинг сообщения: 0
А мне кажется, что это японец. С которого собственно и драли ИВ-3. Никогда не видел на ИВ-3 ни таких сеток, ни такой формы сегментов.

_________________
Иногда мой питомец уходит в такую спячку, что разбудить его можно только щелчком по первой ноге...


Вернуться наверх
 
Эиком - электронные компоненты и радиодетали
Не в сети
 Заголовок сообщения: Re: Вакуумные люминесцентные индикаторы (ВЛИ, VFD)
СообщениеДобавлено: Ср мар 28, 2018 21:17:49 
Друг Кота
Аватар пользователя

Карма: 142
Рейтинг сообщений: 5961
Зарегистрирован: Чт авг 09, 2012 01:09:39
Сообщений: 6642
Откуда: Ливны
Рейтинг сообщения: 0
Да дело не сколько в сетках, а сколько в дополнительных сегментах. :roll: Ничего подобного у нас не встречал. :dont_know:

_________________
Большой опыт, порой, не даёт находить/видеть нам простые и очевидные решения. :(
Всегда с уважением, Александр.


Вернуться наверх
 
Не в сети
 Заголовок сообщения: Re: Вакуумные люминесцентные индикаторы (ВЛИ, VFD)
СообщениеДобавлено: Чт мар 29, 2018 17:41:01 
Поставщик валерьянки для Кота

Карма: 34
Рейтинг сообщений: 313
Зарегистрирован: Вс ноя 15, 2009 23:13:59
Сообщений: 2134
Откуда: Харьков
Рейтинг сообщения: 0
ИВ-3 первого типа имеют эти два дополнительных сегмента. Но вот форма у них немного не такая.

_________________
Иногда мой питомец уходит в такую спячку, что разбудить его можно только щелчком по первой ноге...


Вернуться наверх
 
Не в сети
 Заголовок сообщения: Re: Вакуумные люминесцентные индикаторы (ВЛИ, VFD)
СообщениеДобавлено: Пн апр 02, 2018 16:41:08 
Прорезались зубы
Аватар пользователя

Карма: 2
Рейтинг сообщений: 16
Зарегистрирован: Сб янв 28, 2012 19:41:28
Сообщений: 218
Откуда: Россия
Рейтинг сообщения: 0
Уважаемые, а ни у кого не завалялся такой дисплейчик или похожий. Очень, очень надо... Могу поменяться на какой либо, есть немного фонда...

Изображение Изображение

_________________
— Человек по природе либо бобр, либо склонен ко злу.


Вернуться наверх
 
Не в сети
 Заголовок сообщения: Re: Вакуумные люминесцентные индикаторы (ВЛИ, VFD)
СообщениеДобавлено: Вс авг 12, 2018 19:49:03 
Нашел транзистор. Понюхал.
Аватар пользователя

Карма: 7
Рейтинг сообщений: 6
Зарегистрирован: Чт окт 11, 2012 07:45:53
Сообщений: 162
Откуда: Пермь
Рейтинг сообщения: 0
А вот я почитал эту душевную темку!!!!!и собрат яйца в кулак !!!!1выволок на свет божий кучу вакумников! и начал их пробовать повключать.И получилось!!!!!И засветились !!!ПРИКОЛЬНООООО!!1


Вернуться наверх
 
Не в сети
 Заголовок сообщения: Re: Вакуумные люминесцентные индикаторы (ВЛИ, VFD)
СообщениеДобавлено: Пт ноя 02, 2018 09:25:58 
Мудрый кот

Карма: 10
Рейтинг сообщений: 278
Зарегистрирован: Пт мар 26, 2010 17:16:52
Сообщений: 1799
Откуда: Kazan
Рейтинг сообщения: 0
Прошу помочь найти инфу на дисплей
FUTABA US202SD01AD
Изображение Изображение
Разьем 5 контактный. Общий контакт найти не проблема, а остальные???
Нехотелось бы такой красивый да в мусорку.
Изображение


Вернуться наверх
 
Не в сети
 Заголовок сообщения: Re: Вакуумные люминесцентные индикаторы (ВЛИ, VFD)
СообщениеДобавлено: Сб ноя 03, 2018 21:09:53 
Друг Кота
Аватар пользователя

Карма: 81
Рейтинг сообщений: 1378
Зарегистрирован: Пн май 11, 2009 14:15:00
Сообщений: 3059
Откуда: СПб
Рейтинг сообщения: 1
Медали: 1
Мявтор 3-й степени (1)
Тут распиновка есть: https://github.com/nervus/FutabaVFD

_________________
Этот пост оказался полезен? Не поленись, нажми Изображение слева!
:) :)) :)))
Куплю индикаторы ИТС-1А, ИТС-1Б, ИГВ1-8х5Л, ИГПС1-222/7, ИГПС1-111/7 и подобные.


Вернуться наверх
 
Не в сети
 Заголовок сообщения: Re: Вакуумные люминесцентные индикаторы (ВЛИ, VFD)
СообщениеДобавлено: Вс ноя 04, 2018 18:33:03 
Мудрый кот

Карма: 10
Рейтинг сообщений: 278
Зарегистрирован: Пт мар 26, 2010 17:16:52
Сообщений: 1799
Откуда: Kazan
Рейтинг сообщения: 0
*Trigger* Спасибо. по вашей сылке скачать получилось, а ранее никак :) .
Почитаю.


Вернуться наверх
 
Не в сети
 Заголовок сообщения: Re: Вакуумные люминесцентные индикаторы (ВЛИ, VFD)
СообщениеДобавлено: Вт фев 19, 2019 14:01:24 
Встал на лапы
Аватар пользователя

Зарегистрирован: Сб авг 14, 2010 17:08:55
Сообщений: 148
Рейтинг сообщения: 0
Подскажите оптимальный ток одного анода и сетки для ИВ-11 в импульсном режиме (динамическая индикация). В инструкции - одно, в конкретных схемах - совсем другое.


Вернуться наверх
 
Не в сети
 Заголовок сообщения: Re: Вакуумные люминесцентные индикаторы (ВЛИ, VFD)
СообщениеДобавлено: Вт фев 19, 2019 18:39:54 
Поставщик валерьянки для Кота

Карма: 34
Рейтинг сообщений: 313
Зарегистрирован: Вс ноя 15, 2009 23:13:59
Сообщений: 2134
Откуда: Харьков
Рейтинг сообщения: 0
Обычно для них задаётся напряжение на анодах и сетках, а не ток. Выставляем такое напряжение, как указано в даташите (или немного ниже), если для динамического режима не указано - ставим в полтора раза больше, чем в статике.

_________________
Иногда мой питомец уходит в такую спячку, что разбудить его можно только щелчком по первой ноге...


Вернуться наверх
 
Не в сети
 Заголовок сообщения: Re: Вакуумные люминесцентные индикаторы (ВЛИ, VFD)
СообщениеДобавлено: Ср фев 20, 2019 04:22:19 
Друг Кота

Карма: 64
Рейтинг сообщений: 1023
Зарегистрирован: Пт мар 07, 2008 06:54:43
Сообщений: 4378
Откуда: Ижевск
Рейтинг сообщения: 0
Ток как раз и задается. Уповать на внутреннее сопротивление канала анод-катод нельзя. Токозадающий резистор в каждом аноде обязателен, а номинал будет определяться исходя из анодного напряжения и скважности.
Цитата:
Яркость индикатора, кд/м .....................450
Напряжение накала, В...........1,5
Ток накала, мА.................100+10
Ток анодов-сегментов суммарный, мА...............3,5+1.5

Напряжение сетки, В..............25
Ток сетки, мА.......................12+5

Напряжение анодов-сегментов импульсное, В………………………..50
Напряжение сетки импульсное, В...........50
Скважность..........................10+1


Вернуться наверх
 
Не в сети
 Заголовок сообщения: Re: Вакуумные люминесцентные индикаторы (ВЛИ, VFD)
СообщениеДобавлено: Ср фев 20, 2019 09:35:57 
Встал на лапы
Аватар пользователя

Зарегистрирован: Сб авг 14, 2010 17:08:55
Сообщений: 148
Рейтинг сообщения: 0
Провёл эксперимент: напряжение 60 вольт, резистор в аноде - для тока 1.2 мА (по даташиту в импульсном режиме - <1.8мА), в сетке - для тока 13 мА (по даташиту - <45 мА). При замыкании пинцетом во время работы что анодного, что сеточного резисторов, визуально яркость сегментов не меняется.
Получил паразитную засветку сегментов (независимо от резисторов). Вероятно, это - следствие питания накала постоянным током. Хотя не думал, что при таком малом напряжении накала подобное будет наблюдаться. Паразитная засветка наблюдается при любой скважности управляющих импульсов.


Вернуться наверх
 
Не в сети
 Заголовок сообщения: Re: Вакуумные люминесцентные индикаторы (ВЛИ, VFD)
СообщениеДобавлено: Ср фев 20, 2019 10:23:01 
Потрогал лапой паяльник

Карма: 1
Рейтинг сообщений: 59
Зарегистрирован: Пт май 22, 2015 11:54:03
Сообщений: 315
Откуда: Подмосковье
Рейтинг сообщения: 0
Получил паразитную засветку сегментов (независимо от резисторов). Вероятно, это - следствие питания накала постоянным током. Хотя не думал, что при таком малом напряжении накала подобное будет наблюдаться. Паразитная засветка наблюдается при любой скважности управляющих импульсов.

Паразитная засветка не зависит от типа питающего накал тока и бывает не от этого. Катоды совмещены с нитями накала. Эмиссия электронов происходит с поверхности катодов во все стороны, в том числе и на внутреннюю поверхность стеклянной колбы, через которую видно сегменты. Накапливаясь на стекле, этот заряд и вызывает свечение сегментов. Для борьбы с этим явлением внутренняя поверхность колбы покрыта тонким прозрачным слоем соединения индия, снижающего поверхностное сопротивление. Заряд отводится на общую шину через ламель, примыкающую к внутренней поверхности колбы. Рассмотрите, при возможности, внутреннее устройство любого ВЛИ и увидите это устройство.

_________________
Не люблю тянуть кота за хвост!


Вернуться наверх
 
Не в сети
 Заголовок сообщения: Re: Вакуумные люминесцентные индикаторы (ВЛИ, VFD)
СообщениеДобавлено: Ср фев 20, 2019 11:46:34 
Встал на лапы
Аватар пользователя

Зарегистрирован: Сб авг 14, 2010 17:08:55
Сообщений: 148
Рейтинг сообщения: 0
У ИВ-11 это - первый вывод баллона. У меня он соединён с массой.


Вернуться наверх
 
Не в сети
 Заголовок сообщения: Re: Вакуумные люминесцентные индикаторы (ВЛИ, VFD)
СообщениеДобавлено: Ср фев 20, 2019 14:16:43 
Друг Кота
Аватар пользователя

Карма: 197
Рейтинг сообщений: 8604
Зарегистрирован: Пн ноя 30, 2009 03:00:01
Сообщений: 43219
Откуда: Нерезиновая
Рейтинг сообщения: 0
У меня он соединён с массой.

А для НОРМАЛЬНОГО запирания сетки- потенциал катода должен быть ВЫШЕ (плюсовее :))) :))) ) чем потенциал сетки..
Если у вас накал питается от того же источника, (+5 вольт),что и "всё остальное", а лишнее напряжение гасится резистором- то просто перенесите резистор из ценпи "+5 вольт-накал" в цепь "общий- накал"
А вообще- схему (хотя бы схему питания индикаторов) нужно бы посмотреть..


Вернуться наверх
 
Не в сети
 Заголовок сообщения: Re: Вакуумные люминесцентные индикаторы (ВЛИ, VFD)
СообщениеДобавлено: Ср фев 20, 2019 17:25:29 
Встал на лапы
Аватар пользователя

Зарегистрирован: Сб авг 14, 2010 17:08:55
Сообщений: 148
Рейтинг сообщения: 0
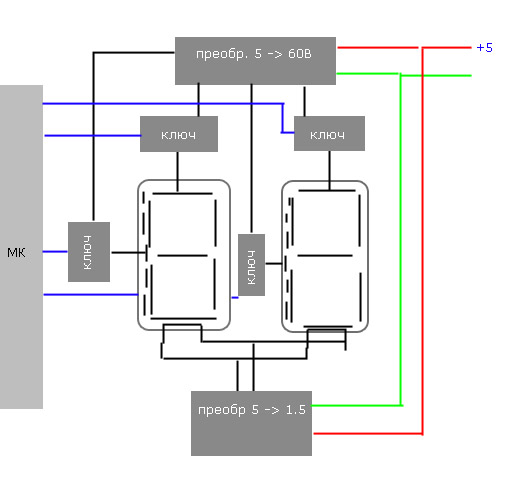
Накал питается от отдельного импульсного преобразователя 5 -> 1.5

Изображение


Вложения:
123.jpg [26.5 KiB]
Скачиваний: 1096
Вернуться наверх
 
Не в сети
 Заголовок сообщения: Re: Вакуумные люминесцентные индикаторы (ВЛИ, VFD)
СообщениеДобавлено: Пт фев 22, 2019 15:37:58 
Грызет канифоль

Зарегистрирован: Сб окт 31, 2015 03:14:43
Сообщений: 260
Рейтинг сообщения: 0
Вот так делай:
Изображение


Вернуться наверх
 
Показать сообщения за:  Сортировать по:  Вернуться наверх
Начать новую тему Ответить на тему  [ Сообщений: 860 ]     ... , , , 36, , , ...  

Часовой пояс: UTC + 3 часа


Кто сейчас на форуме

Сейчас этот форум просматривают: нет зарегистрированных пользователей и гости: 22


Вы не можете начинать темы
Вы не можете отвечать на сообщения
Вы не можете редактировать свои сообщения
Вы не можете удалять свои сообщения
Вы не можете добавлять вложения

Найти:
Перейти:  


Powered by phpBB © 2000, 2002, 2005, 2007 phpBB Group
Русская поддержка phpBB
Extended by Karma MOD © 2007—2012 m157y
Extended by Topic Tags MOD © 2012 m157y