Например TDA7294

Форум РадиоКот • Просмотр темы - СТРАНА ФУФЛЯНДИЯ: как отличить настоящую деталь от подделки
Форум РадиоКот
Здесь можно немножко помяукать :)

Текущее время: Чт ноя 06, 2025 10:39:10

Часовой пояс: UTC + 3 часа


ПРЯМО СЕЙЧАС:



Начать новую тему Ответить на тему  [ Сообщений: 713 ]     ... , , , , 36
Автор Сообщение
Не в сети
 Заголовок сообщения: Re: СТРАНА ФУФЛЯНДИЯ: как отличить настоящую деталь от подде
СообщениеДобавлено: Пн фев 26, 2024 21:02:04 
Сверлит текстолит когтями
Аватар пользователя

Карма: 7
Рейтинг сообщений: 124
Зарегистрирован: Чт апр 05, 2012 09:49:44
Сообщений: 1280
Рейтинг сообщения: 0
Сегодня был свидетелем интересного случая ( для меня во всяком случае )
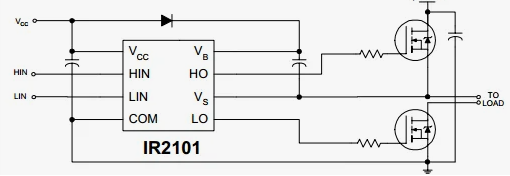
Заказывал для ремонта из китая IR2101 в DIP исполнении.
Установил,подал питание, не бахнула и все бы ничего, но оказалось что LIN инвертирует сигнал, в 2101 оба входа не инверсные судя по даташиту должны быть.

Получается что микросхема имеет маркировку IR2101, а ведет себя как IR2103 ( У нее как раз судя по ДШ LIN вход с инверсией, а HIN прямой ) .
В схеме входы LIN и HIN соединены вместе.

Направился в ближайший магазин радиодеталей купил две микрушки там, так те мало того что оказались с такой же проблемой, так еще и жрут нехилый холостой ток ( 150 мА при питании 15в ) от чего так же нехило раскалаются.

Результаты прозвонки тестером в режиме диодной прозвонки:
......
1 - МС с китая ( пробовал 3 штуки из партии 5 шт )
Выходы LO и HO прозваниваются адекватно ( 400 - 500 в обратном направлении )
......
2 - МС с местного магазина радиодеталей ( пробовал 2 из 2 )
Выход LO прозванивается нормально ( как и в предыдущем случае ), выход HO вообще ничего не показывает ( 1 )

С микросхемами из магазина все ясно , но в случае с "китайскими" меня не покидают сомнения.
Ничего ли я не путаю в работе IR2101, оба входа же неинверсные должны быть?
Кто то сталкивался с похожей палью, где можно нормальную взять ( колхозить что то не хочется )
Фото нету к сожалению , позже выложу если время будет.
Вложение:
Комментарий к файлу: Схема на IR2101 из ДШ
Безымянный.png [27.92 KiB]
Скачиваний: 110


Вернуться наверх
 
Не в сети
 Заголовок сообщения: Re: СТРАНА ФУФЛЯНДИЯ: как отличить настоящую деталь от подде
СообщениеДобавлено: Пн фев 26, 2024 23:04:18 
Друг Кота
Аватар пользователя

Карма: 182
Рейтинг сообщений: 8315
Зарегистрирован: Пт фев 04, 2011 17:57:51
Сообщений: 19928
Откуда: Рыбинск
Рейтинг сообщения: 2
Медали: 1
Лучший человек Форума 2017 (1)
Dm7203 писал(а):
где можно нормальную взять
https://www.promelec.ru/product/39431/


Вернуться наверх
 
Не в сети
 Заголовок сообщения: Re: СТРАНА ФУФЛЯНДИЯ: как отличить настоящую деталь от подде
СообщениеДобавлено: Вс мар 10, 2024 13:20:49 
Сверлит текстолит когтями
Аватар пользователя

Карма: 7
Рейтинг сообщений: 124
Зарегистрирован: Чт апр 05, 2012 09:49:44
Сообщений: 1280
Рейтинг сообщения: 0
Купил ir2101в чип и дип за 200 р, оказалась нормальной, маркировка рельефная ( ноготь цепляется ).
Так же взял в вольтмастере за 450 р, тоже оказалась рабочей, но маркировка нанесена краской ( как и на ранее купленных паленых )


Вернуться наверх
 
Не в сети
 Заголовок сообщения: Re: СТРАНА ФУФЛЯНДИЯ: как отличить настоящую деталь от подде
СообщениеДобавлено: Чт июн 26, 2025 14:26:37 
Потрогал лапой паяльник

Зарегистрирован: Пт окт 28, 2011 16:01:18
Сообщений: 340
Рейтинг сообщения: 0
Изображение

18MDSHY
TL082CP
DIP-8

Slew rate порядка 0,4V/uS, что соответствует LM358.


Вернуться наверх
 
Эиком - электронные компоненты и радиодетали
Не в сети
 Заголовок сообщения: Re: СТРАНА ФУФЛЯНДИЯ: как отличить настоящую деталь от подде
СообщениеДобавлено: Чт июн 26, 2025 14:34:09 
Друг Кота
Аватар пользователя

Карма: 182
Рейтинг сообщений: 8315
Зарегистрирован: Пт фев 04, 2011 17:57:51
Сообщений: 19928
Откуда: Рыбинск
Рейтинг сообщения: 0
Медали: 1
Лучший человек Форума 2017 (1)
~Dimon~ писал(а):
что соответствует LM358.
Мне из них даже TNY254 попадались сделанные :)) Более поздние уже тяжелей подделать, у них 7 ног.


Вернуться наверх
 
Не в сети
 Заголовок сообщения: Re: СТРАНА ФУФЛЯНДИЯ: как отличить настоящую деталь от подде
СообщениеДобавлено: Чт июн 26, 2025 15:13:55 
Вымогатель припоя
Аватар пользователя

Карма: 6
Рейтинг сообщений: 147
Зарегистрирован: Вт мар 17, 2015 09:34:30
Сообщений: 605
Откуда: Запорожье
Рейтинг сообщения: 0
Они сейчас маркируют лазером, что угодно, что заказали. Качество маркировки часто лучше оригинала. Если долго не отправляют, значит ждут, когда отмаркируют им заказ. Недавно, мне так прислали довольно редкие оптроны IL-300, внутри прозванивается один диод, снизу корпуса была какая-то маркировка - сошлифована. На претензию просто не отвечают. TL082 заказывал раз десять, и ни разу их не прислали. Нужно искать и заказывать 072 фирмы ST, тогда есть шанс.


Вернуться наверх
 
Не в сети
 Заголовок сообщения: Re: СТРАНА ФУФЛЯНДИЯ: как отличить настоящую деталь от подде
СообщениеДобавлено: Ср июл 02, 2025 18:08:32 
Потрогал лапой паяльник

Зарегистрирован: Пт окт 28, 2011 16:01:18
Сообщений: 340
Рейтинг сообщения: 0
Изображение

NE5532P (DIP-8)
Партии:
24CBWOW
19YLDZM (2шт)
2206DE3
Все 4 куплены у разных продавцов, у двоих из них оказались идентичные.

Slew rate 1,2V/uS у последнего, остальные около 2V/uS (должно быть около 9).
Ограничительные диоды между входами не обнаружены, но есть прозвон обратных диодов от входов к минусу, что похоже на входную структуру LM358 (но это не она!).
У всех присутствует Phase Reversal, хотя вроде бы эти ОУ к такому поведению не склонны.

Проверял на питании 12в и 24в, схема с единичным усилением, нагрузка 600 Ом, 160пФ (шнур и вход осла), размах меандра 5в.

По всей видимости, все это подделки.
К сожалению, нет надежного экземпляра для сравнения.


Вернуться наверх
 
Не в сети
 Заголовок сообщения: Re: СТРАНА ФУФЛЯНДИЯ: как отличить настоящую деталь от подде
СообщениеДобавлено: Ср июл 02, 2025 19:12:24 
Вымогатель припоя
Аватар пользователя

Карма: 6
Рейтинг сообщений: 147
Зарегистрирован: Вт мар 17, 2015 09:34:30
Сообщений: 605
Откуда: Запорожье
Рейтинг сообщения: 0
Полгода назад покупал такие, десяток, недорого, почти не надеялся, но повезло, прислали ОУ, которые на стенде подтвердили основные параметры. Маркировка как у верхнего, левого, хотя она сейчас ни о чём не говорит, присылали хорошие и фейки с одинаковой маркировкой.
Изображение


Вернуться наверх
 
Не в сети
 Заголовок сообщения: Re: СТРАНА ФУФЛЯНДИЯ: как отличить настоящую деталь от подде
СообщениеДобавлено: Ср июл 02, 2025 22:44:16 
Друг Кота
Аватар пользователя

Карма: 196
Рейтинг сообщений: 8568
Зарегистрирован: Пн ноя 30, 2009 03:00:01
Сообщений: 42851
Откуда: Нерезиновая
Рейтинг сообщения: 0
Слева- что угодно, но НЕ AD620, справа- работающие AD620
СпойлерИзображение

Изображение
Вложение:
WIN_20250702_22_24_22_Pro.jpg [67.39 KiB]
Скачиваний: 219
Вложение:
ИУ.PNG [16.53 KiB]
Скачиваний: 217

В AD620 "звонится" 1 с 6 ногой и 5 с 8 ногой, примерно на 40 кОм-


Вернуться наверх
 
Не в сети
 Заголовок сообщения: Re: СТРАНА ФУФЛЯНДИЯ: как отличить настоящую деталь от подде
СообщениеДобавлено: Чт июл 03, 2025 09:54:19 
Потрогал лапой паяльник

Зарегистрирован: Пт окт 28, 2011 16:01:18
Сообщений: 340
Рейтинг сообщения: 0
на стенде подтвердили основные параметры


Slew rate проверяли?
Действительно около 9V/uS ?
Интересно, что мои нормально тянут 600 Ом нагрузку, как и должно быть, но по скорости полное несоответствие.
Еще и прозвонка входов не соответствует схемам из даташитов.


Вернуться наверх
 
Не в сети
 Заголовок сообщения: Re: СТРАНА ФУФЛЯНДИЯ: как отличить настоящую деталь от подде
СообщениеДобавлено: Чт июл 03, 2025 13:52:10 
Вымогатель припоя
Аватар пользователя

Карма: 6
Рейтинг сообщений: 147
Зарегистрирован: Вт мар 17, 2015 09:34:30
Сообщений: 605
Откуда: Запорожье
Рейтинг сообщения: 0
Оригинального нет для сравнения, но быстрее TL082 в 1.5 - 2 раза. Входы не прозванивал.


Вернуться наверх
 
Не в сети
 Заголовок сообщения: Re: СТРАНА ФУФЛЯНДИЯ: как отличить настоящую деталь от подде
СообщениеДобавлено: Чт июл 03, 2025 19:02:14 
Друг Кота
Аватар пользователя

Карма: 24
Рейтинг сообщений: 203
Зарегистрирован: Ср мар 06, 2019 12:23:29
Сообщений: 9472
Рейтинг сообщения: 0
Доигрался тут при настройке и таки спалил пару 840, а на замену в запасе нету...
Поехал, взял новых, но уже дома на вид как-то смутили... ну и давай у них ёмкость смотреть, а она раз в пять меньше, показометр около 240 пф показывает, у бахнуаших что-то в районе 1300-1400 пф было. Точней уже сейчас не вспомню. Новые есть IRF740 из старых, так тоже с такой ёмкостью по показометру, около 1400 пф

Новые эти совсем из разных мест, а на вид как близнецы, но тоже с небольшими мелкими отличиями
Изображение

Вот что-то возиться ставить даже не тянет, прикручивать, паять и потом бах слушать, и по новой... Причём, если это фуфел, то ж могут не сразу бахнуть...

Емкость явно меньше, что ж там за кристалл внутри?

https://forum.radiodar.ru/topic/95-irf8 ... ал-vishay/

https://vk.com/wall-133622382_94137

_________________
Койот (Canis latrans) – это не Кот, а известен как американский шакал, является видом псовых...
____________

"Кто хочет, тот ищет возможности, кто не хочет —ищет причины."


Вернуться наверх
 
Не в сети
 Заголовок сообщения: Re: СТРАНА ФУФЛЯНДИЯ: как отличить настоящую деталь от подде
СообщениеДобавлено: Ср июл 23, 2025 17:39:59 
Вымогатель припоя
Аватар пользователя

Карма: 6
Рейтинг сообщений: 147
Зарегистрирован: Вт мар 17, 2015 09:34:30
Сообщений: 605
Откуда: Запорожье
Рейтинг сообщения: 0
Китаец прислал неизвестное чудо, вместо оптронов IL 300-F . Может кто знает тип этого оптрона?
Изображение Изображение


Вернуться наверх
 
Показать сообщения за:  Сортировать по:  Вернуться наверх
Начать новую тему Ответить на тему  [ Сообщений: 713 ]     ... , , , , 36

Часовой пояс: UTC + 3 часа


Кто сейчас на форуме

Сейчас этот форум просматривают: нет зарегистрированных пользователей и гости: 31


Вы не можете начинать темы
Вы не можете отвечать на сообщения
Вы не можете редактировать свои сообщения
Вы не можете удалять свои сообщения
Вы не можете добавлять вложения

Найти:
Перейти:  


Powered by phpBB © 2000, 2002, 2005, 2007 phpBB Group
Русская поддержка phpBB
Extended by Karma MOD © 2007—2012 m157y
Extended by Topic Tags MOD © 2012 m157y