Например TDA7294

Форум РадиоКот • Просмотр темы - Пиковый ток емкости/затвора
Форум РадиоКот
Здесь можно немножко помяукать :)

Текущее время: Чт янв 22, 2026 23:33:38

Часовой пояс: UTC + 3 часа


ПРЯМО СЕЙЧАС:



Начать новую тему Ответить на тему  [ Сообщений: 18 ] 
Автор Сообщение
Не в сети
 Заголовок сообщения: Пиковый ток емкости/затвора
СообщениеДобавлено: Ср авг 15, 2012 21:26:27 
Друг Кота
Аватар пользователя

Карма: 77
Рейтинг сообщений: 1247
Зарегистрирован: Вс мар 29, 2009 22:09:05
Сообщений: 7518
Рейтинг сообщения: 0
Ноги этого вопроса растут из задачи управления затворами полевых транзисторов. Если чего, я знаю, что затвор вообще говоря не эквивалентен конденсатору, но все по порядку.

Итак, вопрос №1.

Изображение

В теории пиковый ток заряда конденсатора бесконечен. Следовательно, если я подключаю к коллектору транзистора конденсатор (см. рисунок), транзистор должен сгореть. Однако на практике этого не происходит до какой-то емкости.

Вопрос: как определить необходимый пиковый ток транзистора в зависимости от емкости нагрузки?

Вопрос №2.

Драйвер полумоста:

Изображение

2.1. Правильно ли я понимаю, что R3 нужен для формирования защитного интервала за счет разницы времени открытия T3 и T4?

2.2. Какой пиковый ток должны выдерживать транзисторы T1/T2 в зависимости от суммарного заряда затвора T3/T4? Правильно ли я понимаю, что это суммарный заряд затворов, деленный на время открытия (turn-on delay + rise time)?


Вложения:
ctst2.GIF [2.86 KiB]
Скачиваний: 2151
ctst1.GIF [1.91 KiB]
Скачиваний: 2065

_________________
Разница между теорией и практикой на практике гораздо больше, чем в теории.
Вернуться наверх
 
Не в сети
 Заголовок сообщения: Re: Пиковый ток емкости/затвора
СообщениеДобавлено: Чт авг 16, 2012 05:23:15 
Друг Кота
Аватар пользователя

Карма: 116
Рейтинг сообщений: 4518
Зарегистрирован: Пт мар 30, 2012 05:17:29
Сообщений: 16154
Откуда: Екатеринбург
Рейтинг сообщения: 2
Всё далее сказанное - под грифом "ИМХО". Вот мои соображения по этому поводу.
1. Пиковый ток заряда ёмкости затвора мосфета ограничен не только активными сопротивлениями выводов биполярного и самого мосфета и линии связи, но и индуктивностей их же. Да и время импульса "бесконечного" тока довольно небольшое, порядка десятков, а то и единиц наносекунд. Даже при значительной величине тепла столько не выделится, чтобы погорел затвор или коллектор. Только (при внимательном вчитывании) я не понял слова "необходимый" в первом вопросе. Необходимый для чего? Если для сдыхания транзистора - то об этом дальше.
2. Посчитать пиковый ток вряд ли удастся корректно, ведь надо будет собрать все паразитные сопротивления и индуктивности. Которые, понятно, зависят от, в том числе, и топологии печатной платы.
3. Правило хорошего тона - небольшой резистор перед затвором, ом на 10...20, чтобы не зависеть от паразитных параметров. На быстродействие он не повлияет, заодно снизит добротность контура из индуктивности линии и емкостей, это исключит неприятный звон на фронтах, соответственно, улучшит параметры ЭМС девайса. Иногда ставят ферритовые биды.
4. Я тоже не знаю, но назначение R3 на второй схеме, вероятно, именно такое - делать дохлый интервал (dead time).
5. Скорее, транзисторы должны выдерживать интеграл от i^2*dt, а не именно ток. Ёмкость маленькая, время, соответственно, тоже - там просто ничего не успеет нагреться. При - внимание! - не слишком большой частоте импульсов. Как это считать? А вот так и считать: зная постоянную времени (и считая процесс апериодическим, иначе можно и голову сломать), интегрировать квадрат тока и делить потом на период. Ток брать как заряда, так и разряда. Получится средний ток, который сравнить с таковым для конкретного типа транзистора. Прикинуть можно, наверно, и так, как у Вас в п. 2.2. Но только прикинуть, мне такой метод расчёта представляется не очень корректным.
6. На установке резистора, хотя бы малюсенького, в каждый затвор я таки настаиваю. Я подозреваю, что во всяких микросхемах они есть, пусть даже и в неявном виде.

_________________
И хрюкотали зелюки,
Как мюмзики в мове.


Вернуться наверх
 
Не в сети
 Заголовок сообщения: Re: Пиковый ток емкости/затвора
СообщениеДобавлено: Чт авг 16, 2012 08:44:53 
Друг Кота
Аватар пользователя

Карма: 45
Рейтинг сообщений: 623
Зарегистрирован: Вс ноя 14, 2010 19:24:26
Сообщений: 8007
Откуда: Лукалэнд
Рейтинг сообщения: 0
mickbell писал(а):
На установке резистора, хотя бы малюсенького, в каждый затвор я таки настаиваю. Я подозреваю, что во всяких микросхемах они есть, пусть даже и в неявном виде.
Аналогично настаиваю на такой практике.
А вот на кристалле ИМС они как раз не так необходимы, т.к. там нет длинных дорожек к затворам/истокам. Именно они "помогают" своей паразитной индуктивностью и именно из-за них получаем звон. Хорошо ещё, если звон, а не генератор на мегагерцах.


Вернуться наверх
 
Не в сети
 Заголовок сообщения: Re: Пиковый ток емкости/затвора
СообщениеДобавлено: Чт авг 16, 2012 09:07:19 
Мудрый кот
Аватар пользователя

Карма: 6
Рейтинг сообщений: 12
Зарегистрирован: Пт июл 08, 2011 14:06:26
Сообщений: 1772
Откуда: DC
Рейтинг сообщения: 0
Отличие от конденсатора - изломы зависимости заряда от напряжения.
Во многих датащитах на полевики есть графа встроенное сопротивление затвора, или входное сопротивление затвора, оно порядка единиц - десятых ом, не стоит забывать про него.
mickbell писал(а):
Пиковый ток заряда ёмкости затвора мосфета ограничен не только активными сопротивлениями выводов биполярного и самого мосфета и линии связи, но и индуктивностей их же.
Про коэффициент передачи тока и от чего он зависит тоже не стоит забывать + сюда тормознутость самого биполяра + вах.
mickbell писал(а):
Посчитать пиковый ток вряд ли удастся корректно, ведь надо будет собрать все паразитные сопротивления и индуктивности. Которые, понятно, зависят от, в том числе, и топологии печатной платы.
Посмотреть осциллограмму на затворе и вооружиться калькулятором, вот и пиковый ток, а в схемах его не считают а оценивают, исходя из необходимого времени переключения.
mickbell писал(а):
Правило хорошего тона - небольшой резистор перед затвором, ом на 10...20
Нижний предел - единицы ом. Он требуется не только чтобы убрать звон на затворе, но и чтобы замедлить переключение самого транзистора, ибо при серьезных токах слишком быстрое переключение к хорошему не приведет.
mickbell писал(а):
Я тоже не знаю, но назначение R3 на второй схеме, вероятно, именно такое - делать дохлый интервал (dead time).
Истина
mickbell писал(а):
Скорее, транзисторы должны выдерживать интеграл от i^2*dt
Посчитать мощность, нужную на раскачку затвора - энергия конденсатора*частота - примерно столько будет рассеиваться мощности, а ток - на то он и импульсный, транзисторы выбирают по максимальному импульсному току (да и его можно превышать).
mickbell писал(а):
На установке резистора, хотя бы малюсенького, в каждый затвор я таки настаиваю.
Не всегда, если частота переключений невелика, или выходное сопротивление драйвера достаточно - можно и без него. Но проверить получившийся сигнал.

_________________
Дежурный экзорцист


Вернуться наверх
 
Эиком - электронные компоненты и радиодетали
Не в сети
 Заголовок сообщения: Re: Пиковый ток емкости/затвора
СообщениеДобавлено: Чт авг 16, 2012 17:30:33 
Друг Кота
Аватар пользователя

Карма: 77
Рейтинг сообщений: 1247
Зарегистрирован: Вс мар 29, 2009 22:09:05
Сообщений: 7518
Рейтинг сообщения: 0
Спасибо всем ответившим. :) Продолжаем. :)

Цитата:
я не понял слова "необходимый" в первом вопросе


Ex: У меня есть конденсатор в коллекторе N нанофарад. У меня есть транзистор с пиковым током по даташиту Y mA. Сгорит ли транзистор, если я включу его по этой схеме на частоте Z КГц? И если сгорит, то как прикинуть, какой транзистор надо взять (т.е., с каким пиковым током коллектора), чтобы не сгорел?

Цитата:
настаиваю на такой практике.


Я тоже обычно ставлю в затворы резисторы. Просто приведенный кусок схемы срисован с промышленного девайса.

ОК, если я поставил в затвор резистор R Ом, то транзисторы надо выбирать с пиковым током не менее Uпит/R ? Или все же ориентироваться на средний ток заряда затвора, посчитанный через total gate charge и (turn-on delay + rise time)?


***

Т.е., то, что там наносекунды ток может зашкаливать - пофиг? Ориентироваться на среднюю мощность/ток за время заряда?

_________________
Разница между теорией и практикой на практике гораздо больше, чем в теории.


Вернуться наверх
 
Не в сети
 Заголовок сообщения: Re: Пиковый ток емкости/затвора
СообщениеДобавлено: Чт авг 16, 2012 17:39:32 
Мудрый кот
Аватар пользователя

Карма: 6
Рейтинг сообщений: 12
Зарегистрирован: Пт июл 08, 2011 14:06:26
Сообщений: 1772
Откуда: DC
Рейтинг сообщения: 0
YS писал(а):
Сгорит ли транзистор, если я включу его по этой схеме на частоте Z КГц?
Я же ответил, мощность, которую будет рассеивать транзистор легко посчитать. А ток больше определенного он просто не даст, в зависимости от тока базы сдвигаемся по графикам вах до начального напряжения - вот и будет максимальный ток через транзистор (при том, что паразитными парамерами пренебрегаем). Другое дело, что есть там всякие деградации кристалла при превышении импульсных токов, но это уже совсем другой вопрос.
YS писал(а):
ОК, если я поставил в затвор резистор R Ом, то транзисторы надо выбирать с пиковым током не менее Uпит/R ? Или все же ориентироваться на средний ток заряда затвора, посчитанный через total gate charge и (turn-on delay + rise time)?
Сначала, оцениваем, какие времена фронта-спада нужны. Обычно, несколько сотен наносекунд хватает. Исходя из этого выбирается затворный резистор. А потом уже подбирают транзисторы по вашей формуле.
Это как надо делать, а обычно ставят 5-20 ом и не сильно задумываются.

_________________
Дежурный экзорцист


Вернуться наверх
 
Не в сети
 Заголовок сообщения: Re: Пиковый ток емкости/затвора
СообщениеДобавлено: Чт авг 16, 2012 18:04:29 
Друг Кота
Аватар пользователя

Карма: 77
Рейтинг сообщений: 1247
Зарегистрирован: Вс мар 29, 2009 22:09:05
Сообщений: 7518
Рейтинг сообщения: 0
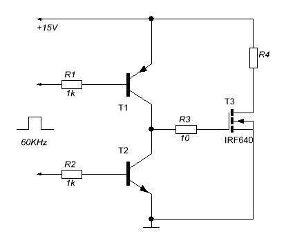
Для ясности еще один пример.

Итак, схема:

Изображение

Номинал R3 прошу читать как 5 Ом (сначала нарисовал, потом подумал).

Частота 60 КГц, -> период 16мкС.

По даташиту для IRF640:

Задержка включения: 17нС
Время нарастания: 35нС

Задержка выключения: 27нС
Время спада: 32нС

Суммарный заряд затвора: 72нКл

Получается, что включение будет занимать 52нС, а выключение - 59нС. Т.о., средний ток за время включения - 1.4А, выключения - 1.2А. При этом средний ток за период - 72нКл делить на 16 мкС, что есть 4.5мА. Максимально возможный ток с учетом R3 - 15В/5Ом=3А.

Какую из трех цифр брать? Ставить ли BC847/857, которые держат 100мА (ведь средний ток - вообще меньше 5мА), или же BC817/BC807, которые расчитаны как раз на 1.5А? Или что-то, что держит 3А в пике?


Вложения:
exmsf.GIF [3.03 KiB]
Скачиваний: 2384

_________________
Разница между теорией и практикой на практике гораздо больше, чем в теории.
Вернуться наверх
 
Не в сети
 Заголовок сообщения: Re: Пиковый ток емкости/затвора
СообщениеДобавлено: Чт авг 16, 2012 19:08:41 
Друг Кота
Аватар пользователя

Карма: 116
Рейтинг сообщений: 4518
Зарегистрирован: Пт мар 30, 2012 05:17:29
Сообщений: 16154
Откуда: Екатеринбург
Рейтинг сообщения: 0
100 мА у BC847 - это ж продолжительный (или средний) ток. Импульсный - во всяком случае, в фэрчайдовском даташите - вообще не оговаривается. Так что, я думаю, там ему вполне место.

_________________
И хрюкотали зелюки,
Как мюмзики в мове.


Вернуться наверх
 
Не в сети
 Заголовок сообщения: Re: Пиковый ток емкости/затвора
СообщениеДобавлено: Чт авг 16, 2012 19:10:46 
Друг Кота
Аватар пользователя

Карма: 77
Рейтинг сообщений: 1247
Зарегистрирован: Вс мар 29, 2009 22:09:05
Сообщений: 7518
Рейтинг сообщения: 0
Ага, т.е., при выборе транзисторов драйвера ориентироваться на средний ток затвора?

_________________
Разница между теорией и практикой на практике гораздо больше, чем в теории.


Вернуться наверх
 
Не в сети
 Заголовок сообщения: Re: Пиковый ток емкости/затвора
СообщениеДобавлено: Чт авг 16, 2012 19:12:53 
Друг Кота
Аватар пользователя

Карма: 116
Рейтинг сообщений: 4518
Зарегистрирован: Пт мар 30, 2012 05:17:29
Сообщений: 16154
Откуда: Екатеринбург
Рейтинг сообщения: 0
Сначала глянуть: если оговорён импульсный, то для какого времени. Если для сопоставимого со временем заряда/разряда затвора - то ориентироваться на импульсный.

_________________
И хрюкотали зелюки,
Как мюмзики в мове.


Вернуться наверх
 
Не в сети
 Заголовок сообщения: Re: Пиковый ток емкости/затвора
СообщениеДобавлено: Чт авг 16, 2012 19:14:49 
Мудрый кот
Аватар пользователя

Карма: 6
Рейтинг сообщений: 12
Зарегистрирован: Пт июл 08, 2011 14:06:26
Сообщений: 1772
Откуда: DC
Рейтинг сообщения: 0
Ставь bd139 bd140 или подобные, ибо их импульсный ток 3А и есть. По размеру заметно не потеряешь а запас будет. У маломощных транзисторов при заметном токе бОльшее падение напряжения, и, в итоге, они покажут худший результат.

_________________
Дежурный экзорцист


Вернуться наверх
 
Не в сети
 Заголовок сообщения: Re: Пиковый ток емкости/затвора
СообщениеДобавлено: Чт авг 16, 2012 19:38:04 
Друг Кота
Аватар пользователя

Карма: 77
Рейтинг сообщений: 1247
Зарегистрирован: Вс мар 29, 2009 22:09:05
Сообщений: 7518
Рейтинг сообщения: 0
Цитата:
Ставь bd139 bd140 или подобные, ибо их импульсный ток 3А и есть.


Это понятно. Но вопрос концептуальный, а не прикладной. :)

_________________
Разница между теорией и практикой на практике гораздо больше, чем в теории.


Вернуться наверх
 
Не в сети
 Заголовок сообщения: Re: Пиковый ток емкости/затвора
СообщениеДобавлено: Чт авг 16, 2012 22:06:47 
Мудрый кот
Аватар пользователя

Карма: 6
Рейтинг сообщений: 12
Зарегистрирован: Пт июл 08, 2011 14:06:26
Сообщений: 1772
Откуда: DC
Рейтинг сообщения: 0
Тут дело в чем - сильно импульсные режимы в документах не описывают особо, так что на вопрос ответить может только эксперимент (всмысле насколько хорошо будет). В теории, должны подойти транзисторы с током от 100ма, но они будут заряжать/разряжать медленнее и давать меньший максимальный ток, чем более мощные. Предлагаю собрать макет и выяснить на практике, генератор с хорошими фронтами, вместо затвора простой конденсатор нан10, и сам драйвер (кстати, лучше включать их эмиттерными повторителями, сама топология быстрее).

_________________
Дежурный экзорцист


Вернуться наверх
 
Не в сети
 Заголовок сообщения: Re: Пиковый ток емкости/затвора
СообщениеДобавлено: Чт авг 16, 2012 22:23:35 
Друг Кота
Аватар пользователя

Карма: 77
Рейтинг сообщений: 1247
Зарегистрирован: Вс мар 29, 2009 22:09:05
Сообщений: 7518
Рейтинг сообщения: 0
Цитата:
сама топология быстрее


Вау, а можно поподробнее (или где почитать)?

_________________
Разница между теорией и практикой на практике гораздо больше, чем в теории.


Вернуться наверх
 
Не в сети
 Заголовок сообщения: Re: Пиковый ток емкости/затвора
СообщениеДобавлено: Пт авг 17, 2012 08:42:49 
Мудрый кот
Аватар пользователя

Карма: 6
Рейтинг сообщений: 12
Зарегистрирован: Пт июл 08, 2011 14:06:26
Сообщений: 1772
Откуда: DC
Рейтинг сообщения: 0
Граничная частота у каскада с общим коллектором (эмиттерный повторитель) выше, чем у каскада с общим эмиттером. Да и транзистор не может войти в насыщение.

Подробнее почитать - была книга "усилительные каскады на транзисторах", автора не помню, но гуглится легко.

_________________
Дежурный экзорцист


Вернуться наверх
 
Не в сети
 Заголовок сообщения: Re: Пиковый ток емкости/затвора
СообщениеДобавлено: Пт авг 17, 2012 19:31:09 
Друг Кота
Аватар пользователя

Карма: 77
Рейтинг сообщений: 1247
Зарегистрирован: Вс мар 29, 2009 22:09:05
Сообщений: 7518
Рейтинг сообщения: 0
ОК, спасибо всем ответившим, более-менее разобрался.

_________________
Разница между теорией и практикой на практике гораздо больше, чем в теории.


Вернуться наверх
 
Не в сети
 Заголовок сообщения: Re: Пиковый ток емкости/затвора
СообщениеДобавлено: Сб авг 18, 2012 12:18:08 
Друг Кота
Аватар пользователя

Карма: 17
Рейтинг сообщений: 467
Зарегистрирован: Ср ноя 11, 2009 17:19:30
Сообщений: 5606
Откуда: Воронеж
Рейтинг сообщения: 0
Кстати, иногда оговаривается энергия импульса, которую может переварить на себе кристалл. Насколько я понимаю стоит проблема выделяемого кристаллом тепла и если он за счёт собственной теплоёмкости сможет проглотить экстратоки, но короткие по времени, то всё нормально.

_________________
"Привет!" - соврал он.


Вернуться наверх
 
Не в сети
 Заголовок сообщения: Re: Пиковый ток емкости/затвора
СообщениеДобавлено: Сб авг 18, 2012 14:21:45 
Мудрый кот
Аватар пользователя

Карма: 6
Рейтинг сообщений: 12
Зарегистрирован: Пт июл 08, 2011 14:06:26
Сообщений: 1772
Откуда: DC
Рейтинг сообщения: 0
Можно подробнее? Я в документах встречал только макс энергию лавинного пробоя напряжением.
Но, в управлении затвором это не актуально, энергия емкости в 100нф при напряжении в 20В - 20 микроджоулей, врядли это нагреет кристалл до критической температуры. Но, если перезаряжать с частотой в десятки килогерц - это уже единицы ватт тепловыделения и его можно рассматривать как непрерывное.

_________________
Дежурный экзорцист


Вернуться наверх
 
Показать сообщения за:  Сортировать по:  Вернуться наверх
Начать новую тему Ответить на тему  [ Сообщений: 18 ] 

Часовой пояс: UTC + 3 часа


Кто сейчас на форуме

Сейчас этот форум просматривают: PGA1 и гости: 42


Вы не можете начинать темы
Вы не можете отвечать на сообщения
Вы не можете редактировать свои сообщения
Вы не можете удалять свои сообщения
Вы не можете добавлять вложения

Найти:
Перейти:  


Powered by phpBB © 2000, 2002, 2005, 2007 phpBB Group
Русская поддержка phpBB
Extended by Karma MOD © 2007—2012 m157y
Extended by Topic Tags MOD © 2012 m157y