| Форум РадиоКот https://radiokot.ru/forum/ |
|
| Кто врет с расположением конденсатора? https://radiokot.ru/forum/viewtopic.php?f=21&t=6645 |
Страница 1 из 2 |
| Автор: | kamikadze [ Вс окт 14, 2007 13:58:48 ] | |||
| Заголовок сообщения: | Кто врет с расположением конденсатора? | |||
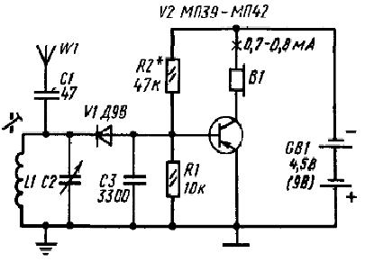
Батареи включены по разному, транзисторы разные а электролит в обоих случаях с одной и той же полярностью! Кто же врет?
|
||||
| Автор: | tych [ Вс окт 14, 2007 14:12:41 ] |
| Заголовок сообщения: | |
1 верно 2 нет. |
|
| Автор: | Артем М. [ Вс окт 14, 2007 14:16:21 ] |
| Заголовок сообщения: | |
Второй вариант - правильно точно. По крайней мере работает. |
|
| Автор: | kamikadze [ Вс окт 14, 2007 14:19:52 ] |
| Заголовок сообщения: | |
Сори за офф но зачем он тут и какую роль выполняет? |
|
| Автор: | Алексей FAV [ Вс окт 14, 2007 14:20:03 ] |
| Заголовок сообщения: | |
Развязка по постоянному току По хорошему надо перевернуть кондер второй схеме но врядли испортит результат. |
|
| Автор: | kamikadze [ Вс окт 14, 2007 14:23:32 ] |
| Заголовок сообщения: | |
Дак зачем он там? )) |
|
| Автор: | Артем М. [ Вс окт 14, 2007 14:31:02 ] |
| Заголовок сообщения: | |
Если бы его не было, то постоянный ток от источника попадал бы на базу транзистора(через часть катушки) и нарушал бы его работ, или вообще кокнул бы транзистор |
|
| Автор: | kamikadze [ Вс окт 14, 2007 14:36:45 ] |
| Заголовок сообщения: | |
Сомневаюсь что транзюк он бы угробил, а от развязу - скорее всего, да и это, вроде как частоту он уменшивает ) |
|
| Автор: | Артем М. [ Вс окт 14, 2007 14:40:07 ] |
| Заголовок сообщения: | |
Если питание 1.5 В - тогда нет. А если 9-12 - может и угробил бы. Да к тому же от транзистора зависит. |
|
| Автор: | kamikadze [ Вс окт 14, 2007 14:41:28 ] |
| Заголовок сообщения: | |
Кстати, диод же не только роль дететора выполнил бы в случае отсуствия кондера, и на катушку бы не дал пойти току, правда если бы не пробил )) |
|
| Автор: | Алексей FAV [ Вс окт 14, 2007 14:46:35 ] |
| Заголовок сообщения: | |
в обеех в схемах нет возможности спалить транзистор если только от перегрева паяльником. |
|
| Автор: | Артем М. [ Вс окт 14, 2007 14:46:47 ] |
| Заголовок сообщения: | |
На сколько я знаю, у плоскостного диода сопротивление очень маленькое(в районе 10 Ом) да и у точечного в районе 300 Ом - так что он не поможет. Режим работы транзистора все равно нарушится и усиливать он ничего не сможет |
|
| Автор: | kamikadze [ Вс окт 14, 2007 15:43:50 ] |
| Заголовок сообщения: | |
У Д9Б Максимальное обратное напряжение 10 В а Максимальный обратный ток при максимальном обратном напряжении 250мкА! Потому никак не повлияет это на работу транзистора, притом на него подано напряжение как раз нормальное для работы ) |
|
| Автор: | Артем М. [ Вс окт 14, 2007 15:51:10 ] |
| Заголовок сообщения: | |
Олег, ты хочнешь сказать, что если убрать кондер, то транзистор будет работать? Не получится |
|
| Автор: | kamikadze [ Вс окт 14, 2007 16:12:44 ] | ||
| Заголовок сообщения: | Почему???? | ||
Вот та же схема но без конденсатора в том месте, правда его поставили в другом месте и перевернули диод, что становится еще не яснее и не понятнее зачем он там и что происходит!
|
|||
| Автор: | Сэр Мурр [ Вс окт 14, 2007 20:11:50 ] |
| Заголовок сообщения: | |
Вообще-то полярность конденсатора может быть любой. Большинство электролитических конденсаторов допускает незначительную переполюсовку, особенно в тех случаях, когда через них не проходит ток. Так что эта схема будет работать при любой полярности |
|
| Автор: | Артем М. [ Вс окт 14, 2007 20:15:23 ] |
| Заголовок сообщения: | |
Так вот почему у нас в аське спор был. Блин. Я вторую схему смотрел. |
|
| Автор: | kamikadze [ Вс окт 14, 2007 20:15:48 ] |
| Заголовок сообщения: | |
| Автор: | Артем М. [ Вс окт 14, 2007 20:17:31 ] |
| Заголовок сообщения: | |
Переменный ток проходит. Точнее его отрицательные полупериоды |
|
| Автор: | Барсик [ Вс окт 14, 2007 20:36:40 ] |
| Заголовок сообщения: | Re: Почему???? |
kamikadze писал(а): Вот та же схема но без конденсатора в том месте...
Эта схема вообще работать не должна. К диоду приложено запирающее напряжение, равное смещению на базе транзистора. Диод всегда закрыт, и нифига детектировать не должен... |
|
| Страница 1 из 2 | Часовой пояс: UTC + 3 часа |
| Powered by phpBB © 2000, 2002, 2005, 2007 phpBB Group http://www.phpbb.com/ |
|


