Например TDA7294

Форум РадиоКот • Просмотр темы - Простенький усилитель звуковой частоты
Форум РадиоКот
Здесь можно немножко помяукать :)

Текущее время: Ср фев 18, 2026 11:20:26

Часовой пояс: UTC + 3 часа


ПРЯМО СЕЙЧАС:



Начать новую тему Ответить на тему  [ Сообщений: 21 ]  1,  
Автор Сообщение
Не в сети
 Заголовок сообщения: Простенький усилитель звуковой частоты
СообщениеДобавлено: Пт май 04, 2007 15:09:36 
Грызет канифоль
Аватар пользователя

Зарегистрирован: Чт апр 19, 2007 15:27:28
Сообщений: 296
Откуда: Мурманск, Россия
Рейтинг сообщения: 0
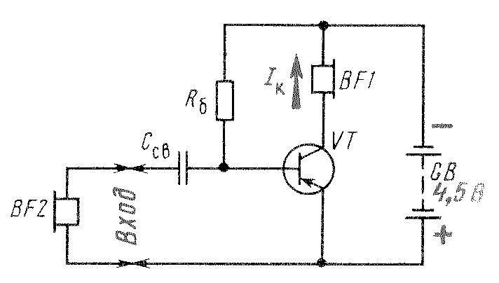
Цель: усилить сигнал звуковой частоты с MP3 Flash плеера, чтобы можно было подключить колонку.

Схему взял из книжки. BF2 - вход (плеер), BF1 - колонка (R = 3,6 Ω), C = 940 µF.

Хотел спросить как расчитывать R в зависимости от VT и как сделать каскад из транзисторов? У меня при эксперименте чуть транзистор не сгорел.

P.S. h21э тоже что hFE?


Вложения:
untitled.JPG [30.84 KiB]
Скачиваний: 748
Вернуться наверх
 
Не в сети
 Заголовок сообщения:
СообщениеДобавлено: Пт май 04, 2007 17:43:24 
Модератор
Аватар пользователя

Карма: 46
Рейтинг сообщений: 236
Зарегистрирован: Чт окт 27, 2005 18:50:07
Сообщений: 11169
Откуда: из мест не столь отдалённых
Рейтинг сообщения: 0
Медали: 2
Получил миской по аватаре (1) Мявтор 3-й степени (1)
Схема очень простая, и не сможет обеспечить мощность для колонки.
Где-то была схема на трёх транзисторах, мощность чуть выше.
Но если есть желание- можно и эту, но не рассчитывайте на приемлимое звучание.


Вернуться наверх
 
Не в сети
 Заголовок сообщения:
СообщениеДобавлено: Пт май 04, 2007 17:49:28 
Друг Кота
Аватар пользователя

Карма: 6
Рейтинг сообщений: 32
Зарегистрирован: Чт сен 14, 2006 11:42:09
Сообщений: 3792
Откуда: Обитаю на чердаке
Рейтинг сообщения: 0
Да вон их сколько: :shock:

http://www.radiokot.ru/forum/viewtopic.php?t=2838
http://www.radiokot.ru/forum/viewtopic.php?t=3094
http://www.radiokot.ru/forum/viewtopic.php?t=384
http://www.radiokot.ru/forum/viewtopic.php?t=1629

И это ещё не предел! :)

_________________
Память очень интересная штука: бывает так, что запомнишь одно, а вспомнишь другое...


Вернуться наверх
 
Не в сети
 Заголовок сообщения:
СообщениеДобавлено: Пт май 04, 2007 20:32:39 
Грызет канифоль
Аватар пользователя

Зарегистрирован: Чт апр 19, 2007 15:27:28
Сообщений: 296
Откуда: Мурманск, Россия
Рейтинг сообщения: 0
Никто так и не ответил на вопрос про расчёт R


Вернуться наверх
 
Эиком - электронные компоненты и радиодетали
Не в сети
 Заголовок сообщения:
СообщениеДобавлено: Пт май 04, 2007 20:33:57 
Грызет канифоль
Аватар пользователя

Зарегистрирован: Чт апр 19, 2007 15:27:28
Сообщений: 296
Откуда: Мурманск, Россия
Рейтинг сообщения: 0
У меня во время эксперемнта усиление получилось в ~200-300 раз


Вернуться наверх
 
 Заголовок сообщения:
СообщениеДобавлено: Пт май 04, 2007 20:50:54 
Не будет нормально работать такой усилитель с колонкой, причин несколько:
- Необходим большой постоянный ток через цепочку транзистор-колонка, из-за чего будут большие тепловые потери на транзисторе, демпфирование диффузора динамика (ухудшение качесва звука в области низких частот), низкий КПД не более 50-ти %, как следствие неэффективное использование источника питания.

Но главное то что, даже расчитав нагрузку в практике Вы можете "убить" колонку протеканием постоянного тока.


Последний раз редактировалось Оne Вт май 08, 2007 12:46:21, всего редактировалось 1 раз.

Вернуться наверх
   
 
Не в сети
 Заголовок сообщения:
СообщениеДобавлено: Пн май 07, 2007 16:45:39 
Грызет канифоль
Аватар пользователя

Зарегистрирован: Чт апр 19, 2007 15:27:28
Сообщений: 296
Откуда: Мурманск, Россия
Рейтинг сообщения: 0
Вооружился транзистором 2SD882 NEC. Попробывал вычислить резистор Rб:

Как я понял из документации к транзистору напряжение нужное для открытия транзистора 0.5 В, а нужная сила тока для минимального hFE(30) = 0.02А. Так получается что падение напряжения на резисторе должно быть 4В (4,5В - 0,5В), значит R = 4 / 0.02 = 200 Ом? Правильна моя логика?


Вернуться наверх
 
Не в сети
 Заголовок сообщения:
СообщениеДобавлено: Вт май 08, 2007 12:34:40 
Грызет канифоль
Аватар пользователя

Зарегистрирован: Чт апр 19, 2007 15:27:28
Сообщений: 296
Откуда: Мурманск, Россия
Рейтинг сообщения: 0
Сори, ступил... Не учёл, что через база-эмиттер течёт ток :shock:


Вернуться наверх
 
Не в сети
 Заголовок сообщения:
СообщениеДобавлено: Вт май 08, 2007 14:24:48 
Сверлит текстолит когтями
Аватар пользователя

Карма: 11
Рейтинг сообщений: 13
Зарегистрирован: Пт июл 21, 2006 15:05:19
Сообщений: 1268
Откуда: плод воображения
Рейтинг сообщения: 0
Медали: 1
Получил миской по аватаре (1)
Steam, мой Вам совет - купите какую-нибудь TDA - 2030, 2050, если помощнее надо - то 7293/7294 - и соберите усилитель по типовой схеме из даташита (взять можно, воспользовавшись поиском на главной странице) - и будет счастье. Там, даже, рассчитывать ничего не надо будет, и звук вполне приличный.

_________________
R2AIV 73!


Вернуться наверх
 
 Заголовок сообщения:
СообщениеДобавлено: Вт май 08, 2007 15:25:07 
Если требуется миниатюрность и простота, то возьмите TDA7050 - проще не придумаешь! Или TDA2822 - посложнее будет.


Вернуться наверх
   
 
Не в сети
 Заголовок сообщения:
СообщениеДобавлено: Вт май 08, 2007 16:59:07 
Грызет канифоль
Аватар пользователя

Зарегистрирован: Чт апр 19, 2007 15:27:28
Сообщений: 296
Откуда: Мурманск, Россия
Рейтинг сообщения: 0
Проблема в том, что в нашем городе я знаю только один большой магазин радиодеталей, но там почти ничего нет. И я хочу научиться расщитывать и составлять схемы сам.


Вернуться наверх
 
Не в сети
 Заголовок сообщения:
СообщениеДобавлено: Вт май 08, 2007 17:01:35 
Грызет канифоль
Аватар пользователя

Зарегистрирован: Чт апр 19, 2007 15:27:28
Сообщений: 296
Откуда: Мурманск, Россия
Рейтинг сообщения: 0
Вы мне просто объясните как резисторы расчитывать


Вернуться наверх
 
Не в сети
 Заголовок сообщения:
СообщениеДобавлено: Ср май 09, 2007 19:23:47 
Друг Кота
Аватар пользователя

Карма: 28
Рейтинг сообщений: 267
Зарегистрирован: Ср сен 27, 2006 16:18:57
Сообщений: 3459
Рейтинг сообщения: 0
Steam писал(а):
...просто объясните...

Попытаюсь просто. Как Вам уже говорили, Ваша схема не самая лучшая. Чтобы получить наименее искажённый сигнал, на коллекторе транзистора должно быть напряжение, примерно равное половине напряжения питания: 4,5/2 = 2,25 В.
Отсюда, по закону Ома, можно найти ток через колонку, у которой сопротивление, как Вы сказали, 3,6 Ом: I = U/R = 2,25/3,6 = 0,625 А. Будем считать, что от такого тока Ваша колонка не сгорит (хотя я, лично, сомневаюсь - всякое бывает).
На колонке совершенно зазря будет рассеиваться мощность P = U*I = 2,25*0,625 = 1,4 Вт. Причём эта мощность будет рассеиваться длительное время. Бедный динамик... Какая мощность на нём указана, знают одни китайцы. Не факт, что та самая, "длительная".
Очевидно, что ток через колонку будет равен току через транзистор. На транзисторе будет рассеиваться такая же мощность, т.к. питание поделили поровну. Исходя из рассеиваемой мощности, выбираем транзистор. Разумеется с запасом, лучше раза в два. Или смотрим, подойдёт ли по этой мощности тот транзистор, который есть.
Смотрим в справочнике, какой у этого транзистора коэффициент передачи тока в схеме с общим эмиттером - h21э или, что тоже же самое, hFE. Как правило, он имеет достаточно большой разброс. Для примера будем считать, что по справочнику оказалось от 20 до 50.
Теперь можно найти ток, который должен течь в базу: Iб = Iк/h21э. Но из-за разброса параметров, ток будет не понятно какой. Поэтому найдём два значения - минимальное и максимальное: 0,625/50 = 0,0125 А и 0,625/20 = 0,03125 А.
Ток течёт в базу через резистор Rб. На переходе база-эмиттер кремниевого транзистора обычно падает 0,6 - 0,7 вольта. Выберем значение 0,7 В, т.к. ток базы у нас не маленький... На резисторе Rб падение напряжения будет равно напряжению питания минус напряжение на переходе база-эмиттер транзистора: 4,5 - 0,7 = 3,8 В.
Теперь, зная ток базы и падение напряжения на резисторе, можно найти сопротивление этого самого резистора: R = U/I Опять же по закону Ома и опять же для обоих случаев: 3,8/0,0125 = 304 Ом и 3,8/0,03125 = 121 Ом.
Теперь посчитаем мощность, которая будет рассеиваться на этом резисторе для худшего случая: 3,8*0,031 = 0,118 Вт.
Теперь надо запастись резисторами мощностью 0,25 Вт в дипазоне от 120 Ом до 300 Ом. И подобрать резистор так, чтобы на коллекторе было напряжение примерно равное половине напряжения питания.
Теперь попробуем найти ёмкость конденсатора, который стоит на входе.
Грубо говоря, завал низких частот начнётся при частоте входного сигнала равной f = 1/(2PiRC). Где Pi это число "пи", равное 3,14. R - входное сопротивление нашего каскада, а C - та самая ёмкость, которую надо найти. Или упрощённо, f = 0,16/RC. Осюда C = 0,16/fR.
Прикинем входное сопротивление каскада. Прикидка эта довольно грубая, т.к. многое не учитывается. Напряжение на входе = 0,7 В. Базовый ток (входной) = 0,031 А. R = U/I = 0,7/0,031 = 70 Ом. Да... не густо...
Частоту выберем 20 Гц. Считаем ёмкость: C = 0,16/(20*70) = 0,000114 фарад. Или 114 мкф.
Вот так, если "просто". А "сложно" считать - смысла нет из-за разброса параметров.


Вернуться наверх
 
Не в сети
 Заголовок сообщения:
СообщениеДобавлено: Ср май 09, 2007 22:49:15 
Родился
Аватар пользователя

Зарегистрирован: Пт апр 13, 2007 14:37:20
Сообщений: 14
Откуда: Украина
Рейтинг сообщения: 0
У меня есть книжка из которой в точности до стрелочек эта схема :))) . Борисов В. Г. Начинающий радиолюитель. В ней это даже не усилитель а демонстрация работы транзистора. Там кстати написано что разброс действительно большой и базовый резистор подбирают через переменный. А вообще она годится не на колонки (по описанию) :) , а на высокоомные телефоны. Еще там если дальше читать внимательно написано, что низкоомную нагрузку вроде динамиков включают через конденсатор к этому каскаду переделанному в каскад усилителя по схеме ОЭ, то есть заменяют там где сейчас динамик на резистор, а динамик врубают между коллектором и эмиттером черз кондер, либо строится еще один выходной каскад на двух транзистораз или трансформаторе, решающий проблему постоянки и немного даже усиливающий под названием двухполупериодный усилитель мощности.

А вот основание для расчета по моему мнению Барсик для батарейки выбрал неправильно, мощности на колонке все равно мало, только жрет целый ампер (батарейки 3336 на ток около 1А на доооооооооолго хватит :))) ). По все тому же описанию там прислушиваясь к здравому смыслу и жадности лишних денег на батарейки там должно быть Iк=7-10 мАь. Никто конечно не говорит, что так нельзя включать (наоборот я так понял усилки класса А так и работают), но большая часть энергии греет схему и колонку. Но если оставить все как есть, то нужно постоянку хотя бы отсечь от динамика трансформатором,.


P.S: Правильно, что человек сам схемы расчитывать хочет научиться, у нас в городе тоже эти TDA можно достать только, что нибудь разобрав :twisted: . Поэтому приходится лепить из того, что есть.


Вернуться наверх
 
Не в сети
 Заголовок сообщения:
СообщениеДобавлено: Чт май 10, 2007 13:47:01 
Грызет канифоль
Аватар пользователя

Зарегистрирован: Чт апр 19, 2007 15:27:28
Сообщений: 296
Откуда: Мурманск, Россия
Рейтинг сообщения: 0
Спасибо за ответы!!!

P.S. Мощность колонки 100 Вт


Вернуться наверх
 
Не в сети
 Заголовок сообщения:
СообщениеДобавлено: Чт май 10, 2007 18:12:03 
Друг Кота
Аватар пользователя

Карма: 28
Рейтинг сообщений: 267
Зарегистрирован: Ср сен 27, 2006 16:18:57
Сообщений: 3459
Рейтинг сообщения: 0
Murzzik писал(а):
А вот основание для расчета по моему мнению Барсик для батарейки выбрал неправильно...там должно быть Iк=7-10 мАь...

Если при сопротивлении нагрузки 3,6 Ом выбрать такой маленький ток, то практически всё напряжение упадёт на транзисторе. Искажения сигнала будут чудовищными, т.к. усиливаться будет только одна "полуволна" входного напряжения.
Я же не зря написал: "Чтобы получить наименее искажённый сигнал, на коллекторе транзистора должно быть напряжение, примерно равное половине напряжения питания..."


Вернуться наверх
 
Не в сети
 Заголовок сообщения:
СообщениеДобавлено: Чт май 10, 2007 19:49:25 
Друг Кота
Аватар пользователя

Карма: 6
Рейтинг сообщений: 32
Зарегистрирован: Чт сен 14, 2006 11:42:09
Сообщений: 3792
Откуда: Обитаю на чердаке
Рейтинг сообщения: 0
Вы ссылки-то хоть поглядели?
Рассуждаете про искажения, экономичность... Что толку? Расскажите что такое класс А, класс B, класс AB усилителей, опишите режимы работы транзисторов в этих классах - сразу всё станет ясным :wink:

_________________
Память очень интересная штука: бывает так, что запомнишь одно, а вспомнишь другое...


Вернуться наверх
 
Не в сети
 Заголовок сообщения:
СообщениеДобавлено: Чт май 10, 2007 22:57:16 
Друг Кота
Аватар пользователя

Карма: 28
Рейтинг сообщений: 267
Зарегистрирован: Ср сен 27, 2006 16:18:57
Сообщений: 3459
Рейтинг сообщения: 0
мышонок писал(а):
...Рассуждаете про искажения, экономичность...

Это Вы мне или Мурзику?


Вернуться наверх
 
Не в сети
 Заголовок сообщения:
СообщениеДобавлено: Пт май 11, 2007 14:24:57 
Грызет канифоль
Аватар пользователя

Зарегистрирован: Чт апр 19, 2007 15:27:28
Сообщений: 296
Откуда: Мурманск, Россия
Рейтинг сообщения: 0
мышонок писал(а):
Вы ссылки-то хоть поглядели?
Рассуждаете про искажения, экономичность... Что толку? Расскажите что такое класс А, класс B, класс AB усилителей, опишите режимы работы транзисторов в этих классах - сразу всё станет ясным :wink:


http://www.radiokot.ru/start/audio/amplifiers/01/
http://www.radiokot.ru/start/audio/amplifiers/03/

Я уже читал. Но там ведь двухтактные усилители, а у меня простейший однокаскадный


Вернуться наверх
 
Не в сети
 Заголовок сообщения:
СообщениеДобавлено: Пт май 11, 2007 18:32:40 
Друг Кота
Аватар пользователя

Карма: 6
Рейтинг сообщений: 32
Зарегистрирован: Чт сен 14, 2006 11:42:09
Сообщений: 3792
Откуда: Обитаю на чердаке
Рейтинг сообщения: 0
Двухтактный и однокаскадный - это разные понятия!!!

Однокаскадный может быть двухтактным, а однотактный - многокаскадным. Так что: повторение - мать учения.

А я говорю о классах усилителей, а исходя из этого - о режимах работы транзисторов. Вот для начала и разберитесь хотя бы с терминами и определениями. 8)

_________________
Память очень интересная штука: бывает так, что запомнишь одно, а вспомнишь другое...


Вернуться наверх
 
Показать сообщения за:  Сортировать по:  Вернуться наверх
Начать новую тему Ответить на тему  [ Сообщений: 21 ]  1,  

Часовой пояс: UTC + 3 часа


Кто сейчас на форуме

Сейчас этот форум просматривают: нет зарегистрированных пользователей и гости: 32


Вы не можете начинать темы
Вы не можете отвечать на сообщения
Вы не можете редактировать свои сообщения
Вы не можете удалять свои сообщения
Вы не можете добавлять вложения

Найти:
Перейти:  


Powered by phpBB © 2000, 2002, 2005, 2007 phpBB Group
Русская поддержка phpBB
Extended by Karma MOD © 2007—2012 m157y
Extended by Topic Tags MOD © 2012 m157y