Например TDA7294

Форум РадиоКот • Просмотр темы - Символика
Форум РадиоКот
Здесь можно немножко помяукать :)

Текущее время: Вт янв 27, 2026 11:52:03

Часовой пояс: UTC + 3 часа


ПРЯМО СЕЙЧАС:



Начать новую тему Ответить на тему  [ Сообщений: 5 ] 
Автор Сообщение
Не в сети
 Заголовок сообщения: Символика
СообщениеДобавлено: Пт окт 24, 2025 12:25:07 
Родился

Зарегистрирован: Вт окт 14, 2025 19:42:48
Сообщений: 5
Рейтинг сообщения: 0
Извините ттоварищи, отвлекался на решение вопросов с нобелевским комитетом, замучили бюрократы. Продолжаем наше дело. Кнопка S1 подключает реле K1, которое замыкая свой контакт К1 включает электромагнит M1, а этот в свою очередь приводит в действие гидравлический или пневматический клапан на два положения, так как два квадрата. У этого клапана три входа для жидкости или воздуха. Под действием электромагнита M1 вход 1 соединяется с входом 2, или вход 3 соединяется с входом 2. Только эти два варианта. Жидкость или воздух попадая в жидкостный (пневмо-) цилиндр заполняет его и отодвигает шток. Когда напряжение снимаем с M1, то Q1, а затем M2 возвращается назад под действием пружины. Вся эта схема называется интересным именем: цилиндр одностороннего действия с пружинным возвратом и электрическим предварительным управлением клапана 3/2-ходового.


Вложения:
4e-2.jpg [7.52 KiB]
Скачиваний: 99
Вернуться наверх
 
Не в сети
 Заголовок сообщения: Re: Символика
СообщениеДобавлено: Пн окт 27, 2025 12:00:06 
Родился

Зарегистрирован: Вт окт 14, 2025 19:42:48
Сообщений: 5
Рейтинг сообщения: 0
Продолжаем товарищи! Думаем над схемой во вложении. Она в о многом похожа на предыдущую.


Вложения:
4e-3j.jpg [16.33 KiB]
Скачиваний: 61
Вернуться наверх
 
Не в сети
 Заголовок сообщения: Re: Символика
СообщениеДобавлено: Пт окт 31, 2025 12:01:22 
Родился

Зарегистрирован: Вт окт 14, 2025 19:42:48
Сообщений: 5
Рейтинг сообщения: 0
Некоторое время назад возникал у людей вопрос, что обозначено символами B6CF на схеме 2e во вложении. Сегодня удалось раздобыть внутренне строение указанного устройства, во вложении 2e-1.

Добавлено after 3 minutes 52 seconds:
2e-1 во вложении.

Добавлено after 11 minutes 17 seconds:
2e-1 прикрепил.


Вложения:
2e-1.jpg [190.28 KiB]
Скачиваний: 49
2e.jpg [72.86 KiB]
Скачиваний: 55
Вернуться наверх
 
Не в сети
 Заголовок сообщения: Re: Символика
СообщениеДобавлено: Ср ноя 19, 2025 13:18:02 
Родился

Зарегистрирован: Вт окт 14, 2025 19:42:48
Сообщений: 5
Рейтинг сообщения: 0
Продолжаем товарищи! Думаем над схемой во вложении. Она в о многом похожа на предыдущую.


Здесь товарищи, есть существенное отличие от предыдущей схемы в том, что движение штока цилиндра гидравлического или пневматического осуществляется подачей рабочей среды, как в полость перед штоком, так и в полость после штока. Q1 - это гидравлический распределитель на два положения, внутреннее соединение каналов показано в квадратах. То один квадрат работает, то другой. Порядок работы такой: S1 кнопка нажимается и подключает питание на катушку K1. Она даёт электроэнергию магниту М1, который перекидывает квадрат Q1 (только один квадрат, потому что другой возвращается под действием пружины, читай далее). Сразу наполняется M2 справа. Отпускаем S1, пропадает питание катушки K1, под действием пружины перекидывается квадрат Q1. Наполняется M2 слева.

Добавлено after 7 minutes 52 seconds:
Думаем над следующей схемой, во вложении. Как она работает?


Вложения:
5pict.jpg [54.34 KiB]
Скачиваний: 39
Вернуться наверх
 
Эиком - электронные компоненты и радиодетали
Не в сети
 Заголовок сообщения: Re: Символика
СообщениеДобавлено: Сб янв 10, 2026 17:24:15 
Родился

Зарегистрирован: Вт окт 14, 2025 19:42:48
Сообщений: 5
Рейтинг сообщения: 0
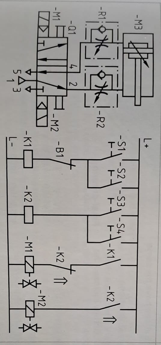
Дверь можно закрыть нажатием кнопки S1 или S2.

Датчик B1 сообщает о том, что кто-то находится внутри двери, и предотвращает её закрытие.

Дверь можно открыть нажатием S3 или S4.

Открытие двери имеет приоритет.

Добавлено after 9 minutes 10 seconds:
Двухручная система безопасности для пресса с контролем блокировки.

Добавлено after 39 seconds:
Думаем, как она работает?


Вложения:
6_pict.jpg [25.19 KiB]
Скачиваний: 14
Вернуться наверх
 
Показать сообщения за:  Сортировать по:  Вернуться наверх
Начать новую тему Ответить на тему  [ Сообщений: 5 ] 

Часовой пояс: UTC + 3 часа


Кто сейчас на форуме

Сейчас этот форум просматривают: нет зарегистрированных пользователей и гости: 21


Вы не можете начинать темы
Вы не можете отвечать на сообщения
Вы не можете редактировать свои сообщения
Вы не можете удалять свои сообщения
Вы не можете добавлять вложения

Найти:
Перейти:  


Powered by phpBB © 2000, 2002, 2005, 2007 phpBB Group
Русская поддержка phpBB
Extended by Karma MOD © 2007—2012 m157y
Extended by Topic Tags MOD © 2012 m157y