|
Часовой пояс: UTC + 3 часа |
| ПРЯМО СЕЙЧАС: |
|
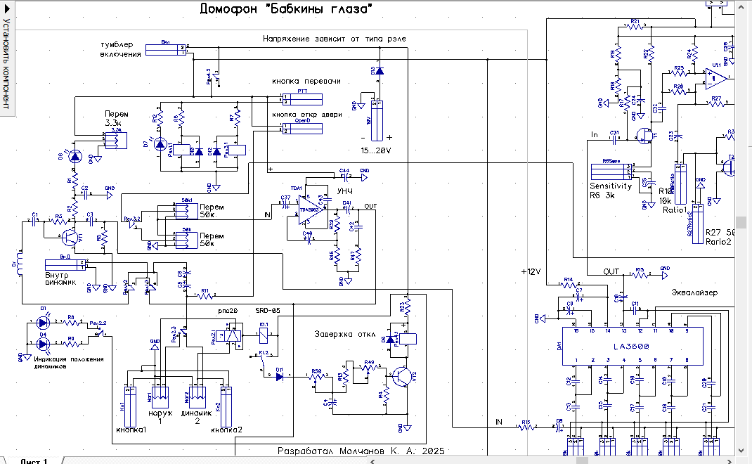
Странное поведение усилителя
Узелки:
|
Страница 1 из 1 |
[ Сообщений: 8 ] |
|
|
| Автор | Сообщение | ||||||
|---|---|---|---|---|---|---|---|
Когир
|
|
||||||
Зарегистрирован: Вт окт 14, 2025 14:54:52 Сообщений: 5 Рейтинг сообщения: 0 |
|
||||||
| Вернуться наверх | |
||||||
| Реклама | ||||
|
|
|
|||
Express
|
|
|||
Карма: -48 Рейтинг сообщений: -321 Зарегистрирован: Ср ноя 21, 2018 17:16:52 Сообщений: 3982 Рейтинг сообщения: 0 |
|
|||
| Вернуться наверх | |
|||
| Реклама | ||||
|
|
|
|||
Когир
|
|
|
Зарегистрирован: Вт окт 14, 2025 14:54:52 Сообщений: 5 Рейтинг сообщения: 0 |
||
| Вернуться наверх | |
|
Николай_С
|
|
||||
Карма: 59 Рейтинг сообщений: 695 Зарегистрирован: Вт сен 25, 2012 23:13:41 Сообщений: 5737 Откуда: г.Дзержинск Нижегородской обл. Рейтинг сообщения: 0 |
|
||||
| Вернуться наверх | |
||||
| Реклама | ||||
|
|
|
|||
Когир
|
|
|||
Зарегистрирован: Вт окт 14, 2025 14:54:52 Сообщений: 5 Рейтинг сообщения: 0 |
|
|||
| Вернуться наверх | |
|||
| Реклама | ||||
|
|
|
|||
Martin76
|
|
||||
Карма: 182 Рейтинг сообщений: 8337 Зарегистрирован: Пт фев 04, 2011 17:57:51 Сообщений: 20096 Откуда: Рыбинск Рейтинг сообщения: 0 Медали: 1
|
|
||||
| Вернуться наверх | |
||||
| Реклама | ||||
|
|
|
|||
Николай_С
|
|
||||
Карма: 59 Рейтинг сообщений: 695 Зарегистрирован: Вт сен 25, 2012 23:13:41 Сообщений: 5737 Откуда: г.Дзержинск Нижегородской обл. Рейтинг сообщения: 0 |
|
||||
| Вернуться наверх | |
||||
Когир
|
|
|||||
Зарегистрирован: Вт окт 14, 2025 14:54:52 Сообщений: 5 Рейтинг сообщения: 0 |
|
|||||
| Вернуться наверх | |
|||||
|
Страница 1 из 1 |
[ Сообщений: 8 ] |
|
Часовой пояс: UTC + 3 часа |
Кто сейчас на форуме |
Сейчас этот форум просматривают: нет зарегистрированных пользователей и гости: 29 |
| Вы не можете начинать темы Вы не можете отвечать на сообщения Вы не можете редактировать свои сообщения Вы не можете удалять свои сообщения Вы не можете добавлять вложения |









