Например TDA7294

Форум РадиоКот • Просмотр темы - Опрокидывание инвертора.
Форум РадиоКот
Здесь можно немножко помяукать :)

Текущее время: Вс дек 21, 2025 21:19:20

Часовой пояс: UTC + 3 часа


ПРЯМО СЕЙЧАС:



Начать новую тему Ответить на тему  [ Сообщений: 31 ]  1,  
Автор Сообщение
Не в сети
 Заголовок сообщения: Опрокидывание инвертора.
СообщениеДобавлено: Пн дек 30, 2024 16:13:52 
Открыл глаза

Зарегистрирован: Ср ноя 15, 2023 09:05:43
Сообщений: 70
Рейтинг сообщения: 0
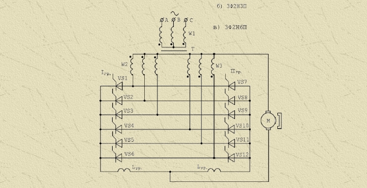
Здравствуйте. Есть такой выпрямитель как на схеме. Пытаюсь осилить его работу. Как понять что значит опрокидывание инвертора, как оно происходит?


Вложения:
1735455995536.jpg [186.21 KiB]
Скачиваний: 140
Вернуться наверх
 
Не в сети
 Заголовок сообщения: Re: Опрокидывание инвертора.
СообщениеДобавлено: Пн дек 30, 2024 21:07:13 
Встал на лапы

Карма: -3
Рейтинг сообщений: -12
Зарегистрирован: Вт июн 01, 2010 14:07:27
Сообщений: 89
Рейтинг сообщения: 0
У вас ведомый инвертор. Это значит есть два источника энергии: 1) внешняя сеть (трехфазная) и 2) электродвигатель, работающий как генератор. Многое вы не указали на схеме (полярность двигателя-генератора), направления ЭДС во вторичных обмотках трансформатора. Если указать все это - то можно показать, как возникает опрокидывание инвертора. Опрокидывание инвертора - это когда ЭДС питающей обмотки (вторичной фазы трансформатора) совпадает по направлению с ЭДС двигателя-генератора. Тогда в цепи остается по сути только активное сопротивление фазы и генератора (которое очень мало - в силовых схемах - несколько Ом, а то и меньше). Из-за этого в цепи возникает гигантский ток - по сути - ток короткого замыкания. Это и есть опрокидывание инвертора. Укажите направления ЭДС в фазах и полярность генератора - тогда можно конкретно указать номера вентилей, открытие которых при данной мгновенной схеме напряжений вызовет опрокидывание инвертора.


Вернуться наверх
 
Не в сети
 Заголовок сообщения: Re: Опрокидывание инвертора.
СообщениеДобавлено: Пн дек 30, 2024 21:09:47 
Сверлит текстолит когтями
Аватар пользователя

Карма: 6
Рейтинг сообщений: 214
Зарегистрирован: Пн ноя 08, 2021 13:12:57
Сообщений: 1173
Откуда: 58С 58В
Рейтинг сообщения: 5
Тиристоры могут не выключаться при переходе силового напряжения через 0 , если в это время через них ещё продолжает протекать ток.
Выпрямленное напряжение в режиме непрерывного тока при угле управления более 90 плавно переходит через 0 и становится отрицательным. Например при опускании груза краном в режиме токоограничения - рекуперативное торможение.
При увеличении угла от 90 до 180 достигает отрицательного максимума, после чего скачком становится максимально положительным т.к. угол более 180 это фактически 0 в следующем полупериоде силового напряжения. Это опрокидывание.
Полезно на синусоиде показать участок протекания непрерывного тока длительностью 180 градусов для углов управления 0, 90, 180. Оценить среднее значение напряжения за 180 градусов протекания тока.
Начало участка - угол управления , конец через 180 градусов в момент включения очередной фазы по её углу управления. Это момент переброса тока в тиристор следующей фазы , работавший тиристор выключается.
Обычно пуск двигателя начинается с угла примерно 90 градусов, т.е. с нулевого напряжения и непрерывного пускового тока. :write:

_________________
Свежий взгляд из прошлого тысячелетия.


Вернуться наверх
 
Не в сети
 Заголовок сообщения: Re: Опрокидывание инвертора.
СообщениеДобавлено: Пн дек 30, 2024 21:50:30 
Встал на лапы

Карма: -3
Рейтинг сообщений: -12
Зарегистрирован: Вт июн 01, 2010 14:07:27
Сообщений: 89
Рейтинг сообщения: 0
[uquote="Динозавр",url="/forum/viewtopic.php?p=4666181#p4666181"]Тиристоры могут не выключаться при переходе силового напряжения через 0 , если в это время через них ещё продолжает протекать ток.
Об этом заботятся, вводя угол опережения открытия тиристоров, да еще и угол запаса добавляют - для надежности. В общем - возни с этим ведомым инвертором - много. Мне кажется, автономные - проще будут.


Вернуться наверх
 
Эиком - электронные компоненты и радиодетали
Не в сети
 Заголовок сообщения: Re: Опрокидывание инвертора.
СообщениеДобавлено: Пн дек 30, 2024 23:17:57 
Открыл глаза

Зарегистрирован: Ср ноя 15, 2023 09:05:43
Сообщений: 70
Рейтинг сообщения: 0
А в моем случае какой ? Ведомый или автономный? Есть несколько шкафов управления , скорость и направления вращения регулирует оператор . Углы альфа минимум , начальное и максимум - 24, 95 и 160° соответственно .


Вернуться наверх
 
Не в сети
 Заголовок сообщения: Re: Опрокидывание инвертора.
СообщениеДобавлено: Ср янв 01, 2025 20:36:54 
Встал на лапы

Карма: -3
Рейтинг сообщений: -12
Зарегистрирован: Вт июн 01, 2010 14:07:27
Сообщений: 89
Рейтинг сообщения: 0
Наличие некоторого количества шкафов не определяет тип инвертора. Я вам уже писал - какой у вас тип инвертора, но вы не читаете сообщения. См. первый ответ на ваш вопрос. Если вы знаете углы регулирования - то значит у вас есть какая-то инструкция к этому аппарату. Прочитать ее - вам запрещают? Может быть даже выложить ее сюда.


Вернуться наверх
 
Не в сети
 Заголовок сообщения: Re: Опрокидывание инвертора.
СообщениеДобавлено: Ср янв 01, 2025 23:53:46 
Открыл глаза

Зарегистрирован: Ср ноя 15, 2023 09:05:43
Сообщений: 70
Рейтинг сообщения: 0
Инструкции нет. Я не занимаюсь его обслуживанием. Мне просто стало интересно как этот агрегат работает. Я не особо понял в чем разница между ведомым и не зависимым инвертором. У меня же на схеме выпрямитель , а инвертор это же наоборот получается , из переменного в постоянное должен делать . Или здесь одна группа, допустим вперед, работает в выпрямительном режиме, следовательно группа назад начинает работать в инверторном ? Но как группа назад будет работать если угол альфа на ней сдвигается к 160°, то есть сигнал открытия подается когда напряжения на тиристоре почти нет ?


Вернуться наверх
 
Не в сети
 Заголовок сообщения: Re: Опрокидывание инвертора.
СообщениеДобавлено: Чт янв 02, 2025 19:58:59 
Сверлит текстолит когтями
Аватар пользователя

Карма: 6
Рейтинг сообщений: 214
Зарегистрирован: Пн ноя 08, 2021 13:12:57
Сообщений: 1173
Откуда: 58С 58В
Рейтинг сообщения: 0
Darkjuri, ---Мне просто стало интересно как этот агрегат работает---
Редкое в нынешнее время явление, удачи. :beer:
https://ya.ru/search?text=%D1%82%D0%B8% ... C&lr=20244

_________________
Свежий взгляд из прошлого тысячелетия.


Вернуться наверх
 
Не в сети
 Заголовок сообщения: Re: Опрокидывание инвертора.
СообщениеДобавлено: Пт янв 03, 2025 21:51:07 
Встал на лапы

Карма: -3
Рейтинг сообщений: -12
Зарегистрирован: Вт июн 01, 2010 14:07:27
Сообщений: 89
Рейтинг сообщения: 0
Я не особо понял в чем разница между ведомым и не зависимым инвертором.

Разница существенная. В ведомом инверторе есть 2 источника энергии: 1) питающая сеть переменного тока.
2) Источник энергии постоянного тока - вашем случае это электромашина, которая может работать и как двигатель и как генератор.
И надо согласовать два источника энергии, чтобы не было опрокидывания инвертора. Я вам все уже писал ранее, но вы не читаете. Это вы так специально делаете? Для чего?


Вернуться наверх
 
Не в сети
 Заголовок сообщения: Re: Опрокидывание инвертора.
СообщениеДобавлено: Сб янв 04, 2025 13:01:25 
Открыл глаза

Зарегистрирован: Ср ноя 15, 2023 09:05:43
Сообщений: 70
Рейтинг сообщения: 0
Нет , не специально. У меня образование не позволяет понять сразу то что Вы пишите. Я обычный электрик, ко мне этот ТП не относится. Рядом с мастерами стоял и слушал. У них авария была , сгорели предохранители в силовых тиристорных модулях, я их менял . Спросил у одного как он работает и что произошло. Рассказывать подробно не стал , просто сказал что произошло опрокидывание инвертора при работе группы вперед. Я то хоть и не особого ума, но любознательный . Вот и начал читать искать. :oops:


Вернуться наверх
 
Не в сети
 Заголовок сообщения: Re: Опрокидывание инвертора.
СообщениеДобавлено: Вс янв 05, 2025 21:42:43 
Открыл глаза

Зарегистрирован: Ср ноя 15, 2023 09:05:43
Сообщений: 70
Рейтинг сообщения: 0
Тут сказано что при угле 90° и более напряжение на ИНДУКТИВНОЙ нагрузке равно 0. Почему? Это связано с тем что ток отстает от напряжения ???


Вложения:
1736102239065.jpg [98.64 KiB]
Скачиваний: 50
Вернуться наверх
 
Не в сети
 Заголовок сообщения: Re: Опрокидывание инвертора.
СообщениеДобавлено: Вт янв 07, 2025 20:54:45 
Сверлит текстолит когтями
Аватар пользователя

Карма: 6
Рейтинг сообщений: 214
Зарегистрирован: Пн ноя 08, 2021 13:12:57
Сообщений: 1173
Откуда: 58С 58В
Рейтинг сообщения: 0
Darkjuri, Индуктивность обеспечивает режим непрерывного тока, необходимый для инверторного режима.
В этом режиме Открывающийся тиристор берёт на себя Ток из ранее работавшего,
(только сейчас работавший и выключается, хотя напряжение работающей фазы уже давно отрицательное).
Это может происходить даже в момент времени 90-180 при отрицательном напряжении Работающей фазы,
на выходе будет отрицательное напряжение т.к. в это время в нагрузке протекает непрерывный ток за счёт индуктивности или ЭДС двигателя в режиме генератора (рекуперативное торможение) .
Угол 90-180 это инверторный режим, напряжение не остаётся =0 , а становится отрицательным вплоть до максимально возможного при 180.
Источник информации не надёжный или "без особого контекста не понять". :dont_know:

_________________
Свежий взгляд из прошлого тысячелетия.


Вернуться наверх
 
Не в сети
 Заголовок сообщения: Re: Опрокидывание инвертора.
СообщениеДобавлено: Вт янв 07, 2025 22:22:12 
Открыл глаза

Зарегистрирован: Ср ноя 15, 2023 09:05:43
Сообщений: 70
Рейтинг сообщения: 0
Вот полная картинка откуда я взял текст.


Вложения:
slide_21.jpg [227.46 KiB]
Скачиваний: 55
Вернуться наверх
 
Не в сети
 Заголовок сообщения: Re: Опрокидывание инвертора.
СообщениеДобавлено: Ср янв 08, 2025 19:27:12 
Сверлит текстолит когтями
Аватар пользователя

Карма: 6
Рейтинг сообщений: 214
Зарегистрирован: Пн ноя 08, 2021 13:12:57
Сообщений: 1173
Откуда: 58С 58В
Рейтинг сообщения: 0
Darkjuri, Источник надо поискать другой. Это нормально, модель электричества в голове строится постепенно по информации из многих источников . Недостоверные источники приходится выявлять и игнорировать.
Для понимания сути лучше анализировать графики (осциллограммы).
Математические фокусы с формулами не достаточны для понимания, хотя и способствуют оному,
если другие способы (образное мышление) не сработали.
По этому лучше искать книги не толстые, для техникумов и ПТУ с графиками и диаграммами, 70х годов.
Возможно в бумажном виде, т.к. не оцифрованы. Вроде есть цифровая библиотека , бывшая "Ленинская" в которой д.б. всё . :dont_know:

_________________
Свежий взгляд из прошлого тысячелетия.


Вернуться наверх
 
Не в сети
 Заголовок сообщения: Re: Опрокидывание инвертора.
СообщениеДобавлено: Ср янв 08, 2025 23:02:47 
Открыл глаза

Зарегистрирован: Ср ноя 15, 2023 09:05:43
Сообщений: 70
Рейтинг сообщения: 0
Благодарю. Буду читать дальше .


Вернуться наверх
 
Не в сети
 Заголовок сообщения: Re: Опрокидывание инвертора.
СообщениеДобавлено: Чт янв 23, 2025 17:38:56 
Открыл глаза

Зарегистрирован: Ср ноя 15, 2023 09:05:43
Сообщений: 70
Рейтинг сообщения: 0
Правильно ли я понимаю, что график слева это выпрямительный режим когда альфа меньше 90° , посередине это "начальный" режим , когда угол альфа примерно 97°, а правый это инверторный режим когда угол альфа 150-60°?


Вложения:
img-eyopHA.png [19.9 KiB]
Скачиваний: 52
Вернуться наверх
 
Не в сети
 Заголовок сообщения: Re: Опрокидывание инвертора.
СообщениеДобавлено: Чт янв 23, 2025 19:48:43 
Сверлит текстолит когтями
Аватар пользователя

Карма: 6
Рейтинг сообщений: 214
Зарегистрирован: Пн ноя 08, 2021 13:12:57
Сообщений: 1173
Откуда: 58С 58В
Рейтинг сообщения: 0
Darkjuri, Слева 30, в середине 90, справа 150. (примерно)
Выпрямительный 30-90. Инверторный 90-150.
При 90 напряжение на выходе нулевое (штриховка симметрична, среднее значение 0).
До 0 и 180 не доводят - защита от опрокидывания (прорыва) инвертора.
Начальный 97 - инверторный , это уменьшает начальное напряжение (пиковое) в режиме прерывистого тока,
в котором инвертор полноценно не работает.
97 на картинке нет.

_________________
Свежий взгляд из прошлого тысячелетия.


Вернуться наверх
 
Не в сети
 Заголовок сообщения: Re: Опрокидывание инвертора.
СообщениеДобавлено: Пн янв 27, 2025 17:48:24 
Открыл глаза

Зарегистрирован: Ср ноя 15, 2023 09:05:43
Сообщений: 70
Рейтинг сообщения: 0
Угол альфа минимум отсчитывается от точки 1 ( думаю это не правильно) или всё-таки от точки 2 ?
https://img.radiokot.ru/files/154841/me ... ueg6a1.jpg


Вернуться наверх
 
Не в сети
 Заголовок сообщения: Re: Опрокидывание инвертора.
СообщениеДобавлено: Пн янв 27, 2025 17:54:10 
Друг Кота
Аватар пользователя

Карма: 116
Рейтинг сообщений: 4503
Зарегистрирован: Пт мар 30, 2012 05:17:29
Сообщений: 16081
Откуда: Екатеринбург
Рейтинг сообщения: 0
От точки естественной коммутации. То есть от той, где две синусоиды пересекаются.

_________________
И хрюкотали зелюки,
Как мюмзики в мове.


Вернуться наверх
 
Не в сети
 Заголовок сообщения: Re: Опрокидывание инвертора.
СообщениеДобавлено: Пн янв 27, 2025 18:24:41 
Открыл глаза

Зарегистрирован: Ср ноя 15, 2023 09:05:43
Сообщений: 70
Рейтинг сообщения: 0
Значит если указано что минимум равен 23°, то на самом деле это 53° от начала синусоиды , а альфа начальное 98° = 128 ?


Вернуться наверх
 
Показать сообщения за:  Сортировать по:  Вернуться наверх
Начать новую тему Ответить на тему  [ Сообщений: 31 ]  1,  

Часовой пояс: UTC + 3 часа


Кто сейчас на форуме

Сейчас этот форум просматривают: нет зарегистрированных пользователей и гости: 42


Вы не можете начинать темы
Вы не можете отвечать на сообщения
Вы не можете редактировать свои сообщения
Вы не можете удалять свои сообщения
Вы не можете добавлять вложения

Найти:
Перейти:  


Powered by phpBB © 2000, 2002, 2005, 2007 phpBB Group
Русская поддержка phpBB
Extended by Karma MOD © 2007—2012 m157y
Extended by Topic Tags MOD © 2012 m157y