Например TDA7294

Форум РадиоКот • Просмотр темы - Каскад с общим эмиттером.
Форум РадиоКот
Здесь можно немножко помяукать :)

Текущее время: Чт фев 19, 2026 15:06:55

Часовой пояс: UTC + 3 часа


ПРЯМО СЕЙЧАС:



Начать новую тему Ответить на тему  [ Сообщений: 905 ]     ... , , , 45,  
Автор Сообщение
Не в сети
 Заголовок сообщения: Re: Каскад с общим эмиттером.
СообщениеДобавлено: Сб мар 20, 2021 12:06:52 
Друг Кота

Карма: 3
Рейтинг сообщений: 724
Зарегистрирован: Чт окт 20, 2016 13:51:03
Сообщений: 3702
Рейтинг сообщения: 0
а достижимый уровень нелинейности...

Достигнут весьма высокий уровень линейности на весьма обычных транзисторах. Измеренный в железе - 0,00002%


Вернуться наверх
 
Не в сети
 Заголовок сообщения: Re: Каскад с общим эмиттером.
СообщениеДобавлено: Сб мар 20, 2021 15:56:21 
Модератор
Аватар пользователя

Карма: 159
Рейтинг сообщений: 4080
Зарегистрирован: Пт янв 23, 2009 19:20:05
Сообщений: 45658
Рейтинг сообщения: 0
Медали: 1
Получил миской по аватаре (1)
Так-так-так, покажите-ка мне транзистор, способный в схеме с ОЭ выдать такой уровень линейности при уровне сигнала хотя бы в десяток милливольт?! :)
Ну, а то, что при амплитуде сигнала в микровольты можно пренебречь кривизной характеристики транзистора - извините, не ново...


Вернуться наверх
 
Не в сети
 Заголовок сообщения: Re: Каскад с общим эмиттером.
СообщениеДобавлено: Сб мар 20, 2021 16:09:17 
Друг Кота
Аватар пользователя

Карма: 97
Рейтинг сообщений: 1589
Зарегистрирован: Чт янв 26, 2012 14:44:34
Сообщений: 3742
Рейтинг сообщения: 0
Медали: 1
Мявтор 3-й степени (1)
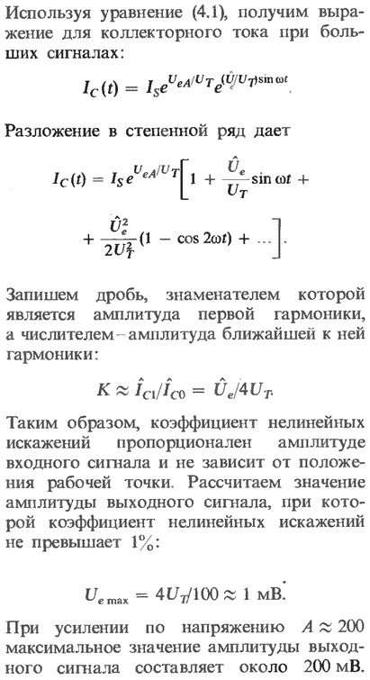
As писал(а):
... покажите-ка мне транзистор, способный в схеме с ОЭ выдать такой уровень линейности при уровне сигнала хотя бы в десяток милливольт?!
Параметры современных биполярных транзисторов близки к теоретическому пределу, а теория гласит следующее (Титце-Шенк).
Изображение
Так что, без ООС - никуда. Хотите исходной линейности? Добро пожаловать в мир радиоламп. :)
Вложение:
p0032-sel.png [25.7 KiB]
Скачиваний: 1039

_________________
Like the eyes of a cat in the black and blue...


Вернуться наверх
 
Не в сети
 Заголовок сообщения: Re: Каскад с общим эмиттером.
СообщениеДобавлено: Сб мар 20, 2021 16:15:41 
Друг Кота

Карма: 3
Рейтинг сообщений: 724
Зарегистрирован: Чт окт 20, 2016 13:51:03
Сообщений: 3702
Рейтинг сообщения: 0
Линейность ламп фальшивая - ведь линейность всего усилителя на лампах многократно хуже, чем на транзисторах.


Вернуться наверх
 
Эиком - электронные компоненты и радиодетали
Не в сети
 Заголовок сообщения: Re: Каскад с общим эмиттером.
СообщениеДобавлено: Сб мар 20, 2021 16:33:32 
Друг Кота
Аватар пользователя

Карма: 97
Рейтинг сообщений: 1589
Зарегистрирован: Чт янв 26, 2012 14:44:34
Сообщений: 3742
Рейтинг сообщения: 0
Медали: 1
Мявтор 3-й степени (1)
Наоборот, линейность ламп - настоящая, степенная функция со степенью 3/2 линейнее, чем экспонента. Подчеркну, здесь речь идет о линейности элемента, а не устройства на его основе.

_________________
Like the eyes of a cat in the black and blue...


Вернуться наверх
 
Не в сети
 Заголовок сообщения: Re: Каскад с общим эмиттером.
СообщениеДобавлено: Сб мар 20, 2021 17:18:15 
Модератор
Аватар пользователя

Карма: 159
Рейтинг сообщений: 4080
Зарегистрирован: Пт янв 23, 2009 19:20:05
Сообщений: 45658
Рейтинг сообщения: 0
Медали: 1
Получил миской по аватаре (1)
Зависимость тока анода от напряжения на сетке можно получить почти любую, используя переменный шаг сетки... Думаю, нечто подобное можно использовать для линеаризации полевых транзисторов - а вот про биполярные есть сомнения... Хотя, используя структуру из множества параллельных транзисторов - наверное, тоже линеаризации можно добиться... :)


Вернуться наверх
 
Не в сети
 Заголовок сообщения: Re: Каскад с общим эмиттером.
СообщениеДобавлено: Вс мар 21, 2021 05:57:37 
Друг Кота

Карма: 3
Рейтинг сообщений: 724
Зарегистрирован: Чт окт 20, 2016 13:51:03
Сообщений: 3702
Рейтинг сообщения: 0
Подчеркну, здесь речь идет о линейности элемента, а не устройства на его основе.

Что толку от чуть более линейной лампы, если целое устройство будет на 3-4 порядка нелинейнее транзисторного?


Вернуться наверх
 
Не в сети
 Заголовок сообщения: Re: Каскад с общим эмиттером.
СообщениеДобавлено: Ср мар 24, 2021 03:34:38 
Друг Кота
Аватар пользователя

Карма: -74
Рейтинг сообщений: -204
Зарегистрирован: Пн окт 03, 2016 22:50:22
Сообщений: 3943
Рейтинг сообщения: -1
Рассчитал усилитель с отрицательной обратной связью.

Питание 5 V;
NPN транзистор hFE = 330;
Схема усилителя в закрепленных файлах;
Приборы для измерения осцилограф, амперметр.

Расчет: :write:
1)Амплитуда тока, отдаваемая в нагрузку Iнм:
Iнм = (0,2V(Uвходное)*1,41*1)/1000 Ом(Rнагр) = 0,000282 А; 282 мкА;
2)Ток покоя транзистора Iк:
Iк = 5*0,000282 А (Iнм) = 0,00141 А; 1,41 мА;
3)Напряжение на коллекторе Uк:
Uк = 5 V (Uпит)/2 = 2,5 V;
4)Сопротивление резистора Rк:
Rк = 2,5 V (Uк)/0,00141 А (Iк) = 1773 Ом; 1,7 кОм;
5)Сопротивление резистора Rэ:
Rэ = 0,1*1773 Ом (Rк) = 177 Ом; Выбираем Rэ = 180 Ом;
6)Ток базы Iб:
Iб = 0,00141 А (Iк)/330 (hFE) = 0,0000042 А; 4,2 мкА;
7)Напряжение на эмиттере Uэ:
Uэ = 0,00141 А (Iк)*180 Ом (Rэ) = 0,253 V;
8 )Напряжение на базе Uб:
Uб = 0,253 V (Uэ)+0,6 V (Б-Э падение напряжения) = 0,853 V;
9)Ток делителя Iд:
Iд = 0,0000042 (Iб)*10 = 0,000042 А; 42 мкА;
10)Сопротивление резистора Rб1:
Rб1= (5 V (Uпит)-0,853 V (Uб))/0,000042 А (Iд) = 98738 Ом; 98 кОм;
11)Сопротивление резистора Rб2:
Rб2= 0,853 V (Uб))/0,000042 А (Iд) = 20328 Ом; 20 кОм.

После расчета, собрал схему и начал исследовать её работоспособность на основании измерений осциллографа. :solder:
Результаты не обрадовали. :?

:idea: В-первом варианте не устанавливал конденсатор Сэ, синусоида на выходе идеальная (по моему мнению); (См. вложение Без_конденсатора.png) :shock:
:idea: Во-втором варианте установил конденсатор Сэ емкостью 10 мкФ, синусоида искажена; (См. вложение С_конденса_10.png)
:idea: В третьем варианте установил конденсатор Сэ емкостью 100 мкФ, синусоида также искажена; (См. вложение С_конденса_100.png)

Конденсатор Сэ советуют устанавливать с емкостью в пределах 10 ... 100 мкФ.

Измеренные токи:
- на делителе = 45 мкА;
- от средней точки делителя до базы = 3 мкА;
- на резисторе Rк = 1 мА.

Почему после установки конденсатора Cэ исказилась синусоида? :dont_know:
Правильно ли я понял, что судя по верхней "обрезанной" полуволне произошла отсечка транзистора, а в нижней полуволне насыщение?

Добавлено after 8 minutes 37 seconds:
Не важно, плавает запятая или уже утонула, при делении на ноль получается не ноль, а бесконечность.
Глупости ты видишь потому, что сам глуп до крайности.

Аутентичная глупость изливается из твоего аккаунта, не имеющая ни малейшей практической ценности и пользы в данной теме. По части деления на ноль, делить на ноль нельзя за исключением чисел где этот ноль в составе с плавающей запятой.


Вложения:
Схема.png [11.54 KiB]
Скачиваний: 328
Без_конденсатора.png [47.75 KiB]
Скачиваний: 325
С_конденса_10.png [46.14 KiB]
Скачиваний: 320
С_конденса_100.png [46.36 KiB]
Скачиваний: 326
Вернуться наверх
 
Не в сети
 Заголовок сообщения: Re: Каскад с общим эмиттером.
СообщениеДобавлено: Ср мар 24, 2021 06:01:03 
Собутыльник Кота

Карма: 14
Рейтинг сообщений: 472
Зарегистрирован: Вс фев 02, 2020 09:12:37
Сообщений: 2804
Рейтинг сообщения: 0
а непонятно, что с конденсатором в Э увеличивается усиление каскада (и надо снизить входной сигнал), чтобы не было ограничений на выходе (в коллекторе) ???....без конденсатора была ООС (Кус=Rk/Re=10 примерно), линейность лучше в принципе...


Вернуться наверх
 
Не в сети
 Заголовок сообщения: Re: Каскад с общим эмиттером.
СообщениеДобавлено: Чт мар 25, 2021 04:14:17 
Друг Кота
Аватар пользователя

Карма: -74
Рейтинг сообщений: -204
Зарегистрирован: Пн окт 03, 2016 22:50:22
Сообщений: 3943
Рейтинг сообщения: -1
Изменил схему :solder: , добавив потенциометр, тем самым снизил входной сигнал, произвел измерения:

:idea: Изменилась синусоида и при уровне входного сигнала - 0,047 V искажений нет (См. вложение Неискаженная.png)
:idea: При входном сигнале 0,094 V синусоида искажается (См. вложение Искаженная.png)

Если уровень входного сигнала выше 0,047 V линейность ухудшается (изменяется форма синусоиды на выходе)? Это возможно рассчитать или только настраивается опытным путем?

Конденсатор Cэ подбирается произвольно в заданном диапазоне или все же его можно рассчитать?


Вложения:
Схема_.png [13.12 KiB]
Скачиваний: 310
Неискаженная.png [35.09 KiB]
Скачиваний: 312
Искаженная.png [37.54 KiB]
Скачиваний: 311
Вернуться наверх
 
Не в сети
 Заголовок сообщения: Re: Каскад с общим эмиттером.
СообщениеДобавлено: Вс окт 10, 2021 11:29:26 
Нашел транзистор. Понюхал.

Зарегистрирован: Чт окт 07, 2021 06:59:06
Сообщений: 163
Рейтинг сообщения: 0
Лет этак десять назад проектировал усилитель-драйвер для полевиков на биполярных транзисторах широкого применения, вылизывал каждый каскад.
Ни одного каскада с ОЭ применить не удалось - сразу летело к чертям всё быстродействие.

Либо с ОК, либо с ОБ. ОЭ - разве что в каскодной схеме, которую и ОЭ не назовёшь.

Не знаю, зачем вообще нужны каскады с чистым ОЭ - разве что для управления реле, или для каких-то других уж совсем медленных устройств. Нынче такими каскадами даже звук не усиливают...


Вернуться наверх
 
Не в сети
 Заголовок сообщения: Re: Каскад с общим эмиттером.
СообщениеДобавлено: Вс окт 10, 2021 12:21:29 
Друг Кота

Карма: 3
Рейтинг сообщений: 724
Зарегистрирован: Чт окт 20, 2016 13:51:03
Сообщений: 3702
Рейтинг сообщения: 0
Накося выкуси, специализд: https://rcl-electro.ru/threads/%D0%A1%D ... D0%B0.428/


Вернуться наверх
 
Не в сети
 Заголовок сообщения: Re: Каскад с общим эмиттером.
СообщениеДобавлено: Вс окт 10, 2021 13:43:40 
Нашел транзистор. Понюхал.

Зарегистрирован: Чт окт 07, 2021 06:59:06
Сообщений: 163
Рейтинг сообщения: 0
Накося выкуси, специализд: https://rcl-electro.ru/threads/%D0%A1%D ... D0%B0.428/


Ну, и что там такого в том старинном многопетлевике Заева 1984 года? Я ведь имел в виду современность... И не радиолюбительские решения...

Операционник (кстати, довольно уж старинный) без единого каскада с ОЭ, если не считать защиту выхода ОУ, но там не те напряжения, чтобы заморачиваться с эффектом им. тов. Миллера, да эта защита и срабатывает лишь в случае аварии.

Далее там да, два каскада (Т4 и Т6) с ОЭ, причём с целенаправленно загрублённым (через С18 и С19) быстродействием. Не мудрое решение. Загрублять быстродействие лучше бы лишь на входе усилителя (Что он, разумеется, сделал, и это - правильно. Нельзя на такие медленные устройства подавать что-то выходящее за рамки звукового сигнала.), но тогда, 40 лет назад, Зуев, очевидно, не нашёл лучшего решения, кроме как душить быстродействие усилителя напряжения. По-видимому, у него в этом весьма токовом узле возникала генерация, освободиться от которой более разумным способом (к примеру, понизив сопротивление следующего каскада, и вообще - разобравшись с токами через шины земли и питания. Обычно именно они и создают проблемы.) он не мог или не умел.

Это - не в пику лично тов. Зуеву. Многие в то время выбирали такой примитивный путь - не умея избавиться от генерации, ограничивали полосу усилителя напряжения.

А вот дальше, после этого весьма неудачного каскада (даже двух, я бы сказал) - всё идёт правильно, только каскады с ОК. А иначе - никак, быстродействие мощных и относительно высоковольтных транзисторов и без того - слабоватое.

В те стародавние времена люди и похуже чудили - даже оконечные каскады умудрялись лепить с ОЭ... И не редкостью были такие комбинированные оконечные каскады, как сразу с ОЭ и ОК, а хоть и обычный Quad-405.


Вернуться наверх
 
Не в сети
 Заголовок сообщения: Re: Каскад с общим эмиттером.
СообщениеДобавлено: Вс окт 10, 2021 15:08:23 
Друг Кота

Карма: 3
Рейтинг сообщений: 724
Зарегистрирован: Чт окт 20, 2016 13:51:03
Сообщений: 3702
Рейтинг сообщения: 0
не радиолюбительские решения
...
Научись читать, для начала. Тогда увидишь, сколько дней этой схеме.
То, что она по мотивам зуевика, чисто дело принципа.
Человек захотел и улучшил небольшими изменениями давно известную схему.
Улучшил в сто раз.
Если бы ты умел видеть, то пролистал бы чуть ниже, до интермодов, там цифры 0,00003%.
Ты хоть понимаешь, сколько это? И сколько у самого лучшего промышленного усилителя за всё время существования промышленности?
не радиолюбительские решения
..
А ты кто? профессионал? где твои решения? хочу посмотреть.
Операционник (кстати, довольно уж старинный) без единого каскада с ОЭ

Где только вас таких делают? В ОУ ни одного каскада с ОЭ? Да ты б, дурбэцало, хоть бы подумал - чем же инверсия обеспечивается?
Других-то инвертирующих каскадов не бывает.

А вот дальше, после этого весьма неудачного каскада (даже двух, я бы сказал) - всё идёт правильно,

Клоун, бл@ть, ты хоть один усь спроектировал?


Вернуться наверх
 
Не в сети
 Заголовок сообщения: Re: Каскад с общим эмиттером.
СообщениеДобавлено: Вс окт 10, 2021 15:43:05 
Друг Кота
Аватар пользователя

Карма: 116
Рейтинг сообщений: 4525
Зарегистрирован: Пт мар 30, 2012 05:17:29
Сообщений: 16234
Откуда: Екатеринбург
Рейтинг сообщения: 0
Накося выкуси, специализд
Фууу, что за мЭрзость - давать ссылку на ресурс, требующий регистрации...

_________________
И хрюкотали зелюки,
Как мюмзики в мове.

На каждый РКН
Найдётся VPN.


Вернуться наверх
 
Не в сети
 Заголовок сообщения: Re: Каскад с общим эмиттером.
СообщениеДобавлено: Вс окт 10, 2021 18:13:37 
Нашел транзистор. Понюхал.

Зарегистрирован: Чт окт 07, 2021 06:59:06
Сообщений: 163
Рейтинг сообщения: 0
Клоун, бл@ть, ты хоть один усь спроектировал?


А Вы, я вижу, хам. Я пожалуй, ничего не стану Вам отвечать, чтобы не провоцировать Вас на дальнейшее хамство.

Упивайтесь Вашей "победой".


Вернуться наверх
 
Не в сети
 Заголовок сообщения: Re: Каскад с общим эмиттером.
СообщениеДобавлено: Пн окт 11, 2021 06:12:12 
Друг Кота

Карма: 3
Рейтинг сообщений: 724
Зарегистрирован: Чт окт 20, 2016 13:51:03
Сообщений: 3702
Рейтинг сообщения: 0
Фууу, что за мЭрзость

Простите, даже не подозревал о необходимости.
Вот, на паяле, проверил, не требуется: https://forum.cxem.net/index.php?/topic ... /#comments


Вернуться наверх
 
Не в сети
 Заголовок сообщения: Re: Каскад с общим эмиттером.
СообщениеДобавлено: Пн окт 11, 2021 07:59:49 
Друг Кота
Аватар пользователя

Карма: 116
Рейтинг сообщений: 4525
Зарегистрирован: Пт мар 30, 2012 05:17:29
Сообщений: 16234
Откуда: Екатеринбург
Рейтинг сообщения: 0
Ага, тут не требуется.

_________________
И хрюкотали зелюки,
Как мюмзики в мове.

На каждый РКН
Найдётся VPN.


Вернуться наверх
 
Не в сети
 Заголовок сообщения: Re: Каскад с общим эмиттером.
СообщениеДобавлено: Пн окт 11, 2021 09:27:51 
Мучитель микросхем

Карма: 7
Рейтинг сообщений: 198
Зарегистрирован: Сб фев 01, 2020 16:04:03
Сообщений: 425
Рейтинг сообщения: 0
12943 писал(а):
Вот, на паяле, проверил, не требуется: https://forum.cxem.net/index.php?/topic ... /#comments
Кто-нибудь может прокомментировать эту фразу из описания по ссылке:
Цитата:
При использовании в качестве входного ОУ микросхемы со следящим питанием дифкаскада, типа AD845, AD8065, OPA1641 ,и т.д., следящий ОУ с обвязкой можно исключить.
Сунулся посмотреть, что же это за ОУ такие... открыл даташиты. Ничего примечательного, обычные ОУ с входным каскадом на полевых транзисторах. А AD8065 так и вовсе стрёмный: всего 1.8 В допустимого напряжения между входами.


Вернуться наверх
 
Не в сети
 Заголовок сообщения: Re: Каскад с общим эмиттером.
СообщениеДобавлено: Пн окт 11, 2021 11:35:57 
Друг Кота

Карма: 3
Рейтинг сообщений: 724
Зарегистрирован: Чт окт 20, 2016 13:51:03
Сообщений: 3702
Рейтинг сообщения: 2
АД845 - цепь во входном дифкаскаде, обозначенная стрелкой, поддерживает неизменным напряжение сток-исток.
АД8065 - цепь, обведённая красным, похуже, чем в 845-й, но поддерживает напряжение с-и.
ОПА1641 - не имеет цепи слежения, эффект обеспечен технологией изготовления транзисторов.
Меры направлены на уменьшение изменения нелинейных ёмкостей с-и или к-б при изменении соответствующих напряжений в такт сигналу.

По поводу стрёмности - даю сигнал между входами усилителя на верхней частоте диапазона при максимальной мощности.


Вложения:
Image 2.png [37.56 KiB]
Скачиваний: 226
Image 1.png [35.5 KiB]
Скачиваний: 222
Image 3.png [11.54 KiB]
Скачиваний: 227
Вернуться наверх
 
Показать сообщения за:  Сортировать по:  Вернуться наверх
Начать новую тему Ответить на тему  [ Сообщений: 905 ]     ... , , , 45,  

Часовой пояс: UTC + 3 часа


Кто сейчас на форуме

Сейчас этот форум просматривают: нет зарегистрированных пользователей и гости: 39


Вы не можете начинать темы
Вы не можете отвечать на сообщения
Вы не можете редактировать свои сообщения
Вы не можете удалять свои сообщения
Вы не можете добавлять вложения

Найти:
Перейти:  


Powered by phpBB © 2000, 2002, 2005, 2007 phpBB Group
Русская поддержка phpBB
Extended by Karma MOD © 2007—2012 m157y
Extended by Topic Tags MOD © 2012 m157y