Например TDA7294

Форум РадиоКот • Просмотр темы - Все о биполярном транзисторе.
Форум РадиоКот
Здесь можно немножко помяукать :)

Текущее время: Вт ноя 04, 2025 22:37:16

Часовой пояс: UTC + 3 часа


ПРЯМО СЕЙЧАС:



Начать новую тему Ответить на тему  [ Сообщений: 2066 ]    , , 3, , , ...  
Автор Сообщение
Не в сети
 Заголовок сообщения: Re: ТРАНЗИСТОР, всё о транзисторах
СообщениеДобавлено: Вт июл 19, 2011 11:58:25 
Друг Кота
Аватар пользователя

Карма: 48
Рейтинг сообщений: 96
Зарегистрирован: Пн мар 22, 2010 11:01:14
Сообщений: 7438
Откуда: СССР, г. Москва.
Рейтинг сообщения: 0
Кажется мой вопрос не поняли.
То есть ДЛЯ ОБЩЕГО ПРОВОДА (ОБ, ОК, ОЭ) тут не важно к минусу или плюсу источника питания подключается один из трёх выводов транзистора?

_________________
Я рожден при социализме, и я этим горжусь!


Вернуться наверх
 
Не в сети
 Заголовок сообщения: Re: ТРАНЗИСТОР, всё о транзисторах
СообщениеДобавлено: Вт июл 19, 2011 12:32:49 
Встал на лапы
Аватар пользователя

Зарегистрирован: Пт апр 16, 2010 17:26:14
Сообщений: 147
Откуда: Черкащина, Шевченків край
Рейтинг сообщения: 0
Соник писал(а):
Кажется мой вопрос не поняли.
То есть ДЛЯ ОБЩЕГО ПРОВОДА (ОБ, ОК, ОЭ) тут не важно к минусу или плюсу источника питания подключается один из трёх выводов транзистора?
Вы опять не поняли. Для того, чтобы транзистор работал и мог усиливать сигнал, ему нужно подать питание - напряжение постоянного тока, создать необходимый рабочий режим - обычно задать токи базы, коллектора, задать необходимые напряжения на выводах. Если у нас транзистор п-р-п, то на базе потенциал должен быть больше относительно эмиттера. А коллектора - больше относительно базы. Тогда транзистор будет усиливать. Это называется режим по постоянному току, или же режим покоя - на транзистор не подан сигнал. А измеренные напряжения по постоянному току соответствуют расчетным (скажем так). Но, строя транзисторный каскад, Вы с самого начала знаете, что Вам нужно - то ли ОЭ, то ли ОК, то ли ОБ. Исходя из этих схем включения, Вы задаете начальные режимы работы транзистора по постоянному току. Тогда он у Вас будет усиливать и оправдает Ваши надежды, а не разочарует. Если у Вас транзистор р-п-р, то потенциалы относительно выводов должны соответствовать приведенному выше правилу, только теперь они против эмиттера будут отрицательными. А теперь можно подать сигнал переменного напряжения на вход и посмотреть его на выходе, лучше при помощи осциллографа. И вы увидите, соответствует ли тому, что Вы уже знаете, полученный результат. Включение транзистора по ОБ, ОК или ОЭ означает, какой из выводов транзистора для сигнала есть общим (не обязательно этот вывод должен напрямую подключаться к источнику питания. При ОБ в цепи базы всегда будет резистор или делитель из двух. В цепи эмиттера при ОЭ может быть резистор, для задания режима по постоянному току. На усиливаемый сигнал он может и не влиять, наоборот, создавая необходимый режим по пост. току, способствовать большему усилению. При ОК в цепи коллектора Вы можете реже увидеть такой резистор. На этом резисторе в цепи К (при ОЭ) или в цепи Э (при ОК) выделяется выходной сигнал - это кроме того, что упомянутый резистор задает режим работы транзистора по постоянному току). Чтобы было понятней, Вы все же возьмите лист бумаги и нарисуйте четырехполюсник. Только подпишите название выводов, на которые подаете сигнал и с которых снимаете. Подавать можно только на базу или эмиттер. А снимать только с коллектора или эмиттера. Нет таких схем включения транзистора, чтобы сигнал подавали на коллектор, или снимали с базы. Потому и схем включения транзистора три, а не шесть. Всего лишь три! Поэтому должно быть легче их запомнить. Выучите для начала эти схемы, не вдаваясь, что они усиливают и как. Если Вам многое будет понятно, можно заняться практикой - собирать однотранзисторные схемы, выбирать им нужный режим по постоянному току, а потом подавать сигнал и на выходе наблюдать, что с ним происходит после того, как он прошел через транзистор.


Последний раз редактировалось VASILIY Вт июл 19, 2011 21:27:03, всего редактировалось 1 раз.

Вернуться наверх
 
Не в сети
 Заголовок сообщения: Re: ТРАНЗИСТОР, всё о транзисторах
СообщениеДобавлено: Вт июл 19, 2011 12:49:09 
Мучитель микросхем
Аватар пользователя

Карма: 3
Рейтинг сообщений: 0
Зарегистрирован: Сб фев 13, 2010 21:05:58
Сообщений: 435
Рейтинг сообщения: 0
У меня вопрос, почему эмиттерный повторитель называется схемой с ОК? Причём здесь коллектор?

_________________
Не судите строго - мне всего 14 лет.
Начало нового дня - radiokot.ru -> overclockers.ru -> overclockers.ua -> easycom.com.ua -> wasm.ru -> radiokot.ru -> yandex.ru ...


Вернуться наверх
 
Не в сети
 Заголовок сообщения: Re: ТРАНЗИСТОР, всё о транзисторах
СообщениеДобавлено: Вт июл 19, 2011 13:03:13 
Встал на лапы
Аватар пользователя

Зарегистрирован: Пт апр 16, 2010 17:26:14
Сообщений: 147
Откуда: Черкащина, Шевченків край
Рейтинг сообщения: 0
Потому, что сигнал он не усиливает, а "повторяет" (даже на выходе примерно 0,9 от входного сигнала. То есть некоторое ослабление входного сигнала). Зато входное сопротивление, если не ошибаюсь, в десятки или сотни раз больше.


Вернуться наверх
 
Эиком - электронные компоненты и радиодетали
Не в сети
 Заголовок сообщения: Re: ТРАНЗИСТОР, всё о транзисторах
СообщениеДобавлено: Вт июл 19, 2011 13:15:18 
Это не хвост, это антенна

Карма: 2
Рейтинг сообщений: 21
Зарегистрирован: Чт янв 27, 2011 21:57:53
Сообщений: 1318
Рейтинг сообщения: 1
Rusl13 писал(а):
У меня вопрос, почему эмиттерный повторитель называется схемой с ОК? Причём здесь коллектор?

Изображение


Вложения:
1.JPG [47.69 KiB]
Скачиваний: 3319
Вернуться наверх
 
Не в сети
 Заголовок сообщения: Re: ТРАНЗИСТОР, всё о транзисторах
СообщениеДобавлено: Вт июл 19, 2011 13:19:45 
Модератор
Аватар пользователя

Карма: 68
Рейтинг сообщений: 424
Зарегистрирован: Ср ноя 26, 2008 16:34:25
Сообщений: 13490
Откуда: Тамбовская обл.
Рейтинг сообщения: 0
Медали: 1
Получил миской по аватаре (1)
Цитата:
У меня вопрос, почему эмиттерный повторитель называется схемой с ОК? Причём здесь коллектор?

Проще говоря потому, что у следующего каскада коллектор будет так же напрямую подключен к источнику питания, как и у предыдущего. У третьего - аналогично. Их коллекторы будут соединены.


Вернуться наверх
 
Не в сети
 Заголовок сообщения: Re: ТРАНЗИСТОР, всё о транзисторах
СообщениеДобавлено: Вт июл 19, 2011 16:49:39 
Друг Кота
Аватар пользователя

Карма: 48
Рейтинг сообщений: 96
Зарегистрирован: Пн мар 22, 2010 11:01:14
Сообщений: 7438
Откуда: СССР, г. Москва.
Рейтинг сообщения: 0
Алёша. писал(а):
Rusl13 писал(а):
У меня вопрос, почему эмиттерный повторитель называется схемой с ОК? Причём здесь коллектор?

Изображение

Гениально! Вот мой вопрос и ответ на него! :))
Значит что общее - коллектор, база или эмиттер, определяют не относительно питания, а относительно самого сигнала! Да? :idea:


Rusl13 писал(а):
У меня вопрос, почему эмиттерный повторитель называется схемой с ОК? Причём здесь коллектор?

VASILIY писал(а):
Потому, что сигнал он не усиливает, а "повторяет" (даже на выходе примерно 0,9 от входного сигнала. То есть некоторое ослабление входного сигнала). Зато входное сопротивление, если не ошибаюсь, в десятки или сотни раз больше.

На предыдущей странице я пеерпечатывал из книжки:
Соник писал(а):
Включение транзистора с ОБ усиливает сигнал по напряжению, но Кус. по току = меньше 1.
Включение ОЭ - усиление и по току и по напряжению.
ОК - Кус. по напряжению меньше единицы, зато наибольшее входное сопротивление и наименьшее выходное.
Кус. по току выше чем у схем с ОЭ.

_________________
Я рожден при социализме, и я этим горжусь!


Последний раз редактировалось Соник Вт июл 19, 2011 16:55:36, всего редактировалось 1 раз.

Вернуться наверх
 
Не в сети
 Заголовок сообщения: Re: ТРАНЗИСТОР, всё о транзисторах
СообщениеДобавлено: Вт июл 19, 2011 17:21:59 
Это не хвост, это антенна

Карма: 2
Рейтинг сообщений: 21
Зарегистрирован: Чт янв 27, 2011 21:57:53
Сообщений: 1318
Рейтинг сообщения: 0
Соник писал(а):
определяют не относительно питания, а относительно самого сигнала! Да? :idea:
Да.
Нужно смотреть какой электрод общий для входного сигнала и для выходного.


Вернуться наверх
 
Не в сети
 Заголовок сообщения: Re: ТРАНЗИСТОР, всё о транзисторах
СообщениеДобавлено: Ср июл 20, 2011 14:50:32 
Друг Кота
Аватар пользователя

Карма: 48
Рейтинг сообщений: 96
Зарегистрирован: Пн мар 22, 2010 11:01:14
Сообщений: 7438
Откуда: СССР, г. Москва.
Рейтинг сообщения: 0
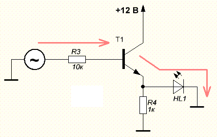
Что-то у меня не получается ОК :dont_know:


Вложения:
эмиттерный повторитель.GIF [5.86 KiB]
Скачиваний: 1014

_________________
Я рожден при социализме, и я этим горжусь!
Вернуться наверх
 
Не в сети
 Заголовок сообщения: Re: ТРАНЗИСТОР, всё о транзисторах
СообщениеДобавлено: Ср июл 20, 2011 15:02:30 
Грызет канифоль

Карма: -3
Рейтинг сообщений: 29
Зарегистрирован: Вт дек 22, 2009 22:09:47
Сообщений: 250
Рейтинг сообщения: 0
Соник писал(а):
Что-то у меня не получается ОК :dont_know:
Здесь на картинке чуть выше все нарисовано.
download/file.php?mode=view&id=72801

_________________
Троллей не кормите.


Вернуться наверх
 
Не в сети
 Заголовок сообщения: Re: ТРАНЗИСТОР, всё о транзисторах
СообщениеДобавлено: Ср июл 20, 2011 15:19:31 
Поставщик валерьянки для Кота

Карма: 5
Рейтинг сообщений: 61
Зарегистрирован: Пт окт 23, 2009 15:32:35
Сообщений: 1929
Откуда: Челябинск
Рейтинг сообщения: 0
Соник писал(а):
Что-то у меня не получается ОК :dont_know:


а так?

Изображение


Вложения:
qwe.GIF [4.68 KiB]
Скачиваний: 2559
Вернуться наверх
 
Не в сети
 Заголовок сообщения: Re: ТРАНЗИСТОР, всё о транзисторах
СообщениеДобавлено: Ср июл 20, 2011 21:30:22 
Встал на лапы
Аватар пользователя

Зарегистрирован: Пт апр 16, 2010 17:26:14
Сообщений: 147
Откуда: Черкащина, Шевченків край
Рейтинг сообщения: 0
rustot писал(а):
а так?
Коллектор должен быть подключен не к общему проводу, а к "+" питания. Иначе схема работать не будет. Так, как в схемах, обычно, по питанию стоят блокирующие конденсаторы, то сигнал (переменное напряжение) будет от общей шины проходить на "плюсовую". Конденсатор в этом случае для сигнала, как известно, не помеха. Поэтому и будем иметь схему с ОК.


Вернуться наверх
 
Не в сети
 Заголовок сообщения: Re: ТРАНЗИСТОР, всё о транзисторах
СообщениеДобавлено: Ср июл 20, 2011 21:48:08 
Друг Кота

Карма: 27
Рейтинг сообщений: 206
Зарегистрирован: Чт ноя 26, 2009 11:16:50
Сообщений: 6015
Откуда: Москва
Рейтинг сообщения: 0
Соник писал(а):
Что-то у меня не получается ОК :dont_know:
Все эти схемы ОК ОБ ОЭ имеют смысл для усиления сигнала (обычно малого) определенной частоты, от звуковой до высокочастотной. Для них минус и плюс питания - это одно и тоже (как уже писали), т.к. сопротивление источника питания в идеале близко к нулю. Для того, чтобы это выполнялось во всем диапазоне нужных частот, питание шунтируют конденсаторами, разными и разной емкости - электролитическими (алюминиевыми и танталовыми) и керамическими. Так что (теоретически) можно подавать сигнал как относительно минуса, так и относительно плюса питания, и снимать выходной сигнал тоже.

Если транзистор используется в ключевом режиме, или на вход подается цифровой сигнал (с постоянной составляющей), то я бы не стал использовать термины ОК ОБ ОЭ. И, кстати, для светодиода нужен ограничительный резистор, т.к. у эмиттерного повторителя малое выходное сопротивление и ток через светодиод может неконтролируемо вырасти.


Вернуться наверх
 
Не в сети
 Заголовок сообщения: Re: ТРАНЗИСТОР, всё о транзисторах
СообщениеДобавлено: Ср июл 20, 2011 22:07:58 
Встал на лапы
Аватар пользователя

Зарегистрирован: Пт апр 16, 2010 17:26:14
Сообщений: 147
Откуда: Черкащина, Шевченків край
Рейтинг сообщения: 0
Обычно эмиттерный повторитель мы можем увидеть на входе устройства. А питание к нему в таком случае подается хотя бы через один сглаживающий фильтр (RC). В ключевых схемах не встречал включение транзистора с ОБ. А если не ОК и не ОЭ, то как назвать? Одно дело - схема включения транзистора. Другое - в каком режиме он работает.


Вернуться наверх
 
Не в сети
 Заголовок сообщения: Re: ТРАНЗИСТОР, всё о транзисторах
СообщениеДобавлено: Чт июл 21, 2011 12:32:42 
Друг Кота

Карма: 27
Рейтинг сообщений: 206
Зарегистрирован: Чт ноя 26, 2009 11:16:50
Сообщений: 6015
Откуда: Москва
Рейтинг сообщения: 0
VASILIY писал(а):
В ключевых схемах не встречал включение транзистора с ОБ.
Бывают, иногда. Например, в одной их схем "часов на газоразрядных индикаторах" мелькало, на 381 странице
uldemir писал(а):
Да, катодные и первый каскад анодных с общей базой


Вернуться наверх
 
Не в сети
 Заголовок сообщения: Re: ТРАНЗИСТОР, всё о транзисторах
СообщениеДобавлено: Чт июл 21, 2011 13:26:22 
Поставщик валерьянки для Кота

Карма: 5
Рейтинг сообщений: 61
Зарегистрирован: Пт окт 23, 2009 15:32:35
Сообщений: 1929
Откуда: Челябинск
Рейтинг сообщения: 0
VASILIY писал(а):
rustot писал(а):
а так?
Коллектор должен быть подключен не к общему проводу, а к "+" питания. Иначе схема работать не будет. Так, как в схемах, обычно, по питанию стоят блокирующие конденсаторы, то сигнал (переменное напряжение) будет от общей шины проходить на "плюсовую". Конденсатор в этом случае для сигнала, как известно, не помеха. Поэтому и будем иметь схему с ОК.


это имеет значение только по постоянке, для задания рабочей точки. для сигнала эти шины замкнуты через внутреннее сопротивление источника, который можно считать нулевым и закоротить.

наприме на входе делитель 1k/10k с питания на ноль, или на входе делитель 10k/1k. для сигнала это выглядит абсолютно одинаково, как параллельно соединенные 1k и 10k.


Вернуться наверх
 
Не в сети
 Заголовок сообщения: Re: ТРАНЗИСТОР, всё о транзисторах
СообщениеДобавлено: Чт июл 21, 2011 19:01:20 
Друг Кота
Аватар пользователя

Карма: 77
Рейтинг сообщений: 1247
Зарегистрирован: Вс мар 29, 2009 22:09:05
Сообщений: 7518
Рейтинг сообщения: 0
Цитата:
В ключевых схемах не встречал включение транзистора с ОБ.


Ну так это, смысл ключа в усилении тока. А схема с ОБ ток как раз и не усиливает.

_________________
Разница между теорией и практикой на практике гораздо больше, чем в теории.


Вернуться наверх
 
Не в сети
 Заголовок сообщения: Re: ТРАНЗИСТОР, всё о транзисторах
СообщениеДобавлено: Чт июл 21, 2011 21:48:36 
Встал на лапы
Аватар пользователя

Зарегистрирован: Пт апр 16, 2010 17:26:14
Сообщений: 147
Откуда: Черкащина, Шевченків край
Рейтинг сообщения: 0
rustot писал(а):


это имеет значение только по постоянке, для задания рабочей точки. для сигнала эти шины замкнуты через внутреннее сопротивление источника, который можно считать нулевым и закоротить.

наприме на входе делитель 1k/10k с питания на ноль, или на входе делитель 10k/1k. для сигнала это выглядит абсолютно одинаково, как параллельно соединенные 1k и 10k.
Понял. То есть коллектор и эмиттер подключены к общей шине, чтобы показать прохождение сигнала.


Вернуться наверх
 
Не в сети
 Заголовок сообщения: Re: ТРАНЗИСТОР, всё о транзисторах
СообщениеДобавлено: Чт июл 21, 2011 22:05:02 
Поставщик валерьянки для Кота

Карма: 5
Рейтинг сообщений: 61
Зарегистрирован: Пт окт 23, 2009 15:32:35
Сообщений: 1929
Откуда: Челябинск
Рейтинг сообщения: 0
VASILIY писал(а):
Понял. То есть коллектор и эмиттер подключены к общей шине, чтобы показать прохождение сигнала.


да. причем это не просто фокус чтобы показать как токи текут, это очень удобно для анализа. ы

сначала анализируете схему по постоянке, то есть устраняете из нее сигнал и все емкости и индуктивности, (емкости заменяете на разрывы, индуктивности на перемычки) и вычисляете все напряжения и токи покоя. они нужны только чтобы определить в каких режимах работают транзисторы, какой у них в этой рабочей точке коэффициент усиления, какое _динамическое_ сопротивление коллектор-эмиттер и база-эмиттер (0.025/Ik и 0.025*h21/Ik)

теперь мы можем обнулить все токи и напряжения в схеме как неинтересные, ведь сигнал будет плюсоваться к ним во всех точках, а плюсовать мы можем и к нулю с тем же успехом. замыкаем питание на землю, меняем емкости и индуктивности на сопротивления для рабочей частоты, если эти сопротивления оказались слишком большие или слишком малые - мы имеем дело с шунтирующими дросселями и емкостями и их вообще можно заменить на перемычки и разрывы. а самое главное заменяем транзисторы на генераторы тока управляемые напряжением (или током если так удобнее), то есть база-эмиттер просто сопротивление (см величину выше) а коллектор-эмиттер источник тока последовательно с сопротивлением. в полном сигнале они лишь сопротивлялись постоянному току, но после того как мы постоянный ток удалили они действуют именно как источники тока берущегося из неоткуда.

это крайне удобно. по постоянке и по переменке получаются 2 совсем разные схемы, и обе гораздо проще полной


Вернуться наверх
 
Не в сети
 Заголовок сообщения: Re: ТРАНЗИСТОР, всё о транзисторах
СообщениеДобавлено: Чт июл 21, 2011 22:43:04 
Друг Кота
Аватар пользователя

Карма: 48
Рейтинг сообщений: 96
Зарегистрирован: Пн мар 22, 2010 11:01:14
Сообщений: 7438
Откуда: СССР, г. Москва.
Рейтинг сообщения: 0
Пытаюсь обобщить всё сказанное здесь (когда вы спорите - ещё больше меня путаете :))) )
отобразил во вложении, что ещё надо учесть и сколько ошибок?


Вложения:
бип тран.GIF [26.86 KiB]
Скачиваний: 978

_________________
Я рожден при социализме, и я этим горжусь!
Вернуться наверх
 
Показать сообщения за:  Сортировать по:  Вернуться наверх
Начать новую тему Ответить на тему  [ Сообщений: 2066 ]    , , 3, , , ...  

Часовой пояс: UTC + 3 часа


Кто сейчас на форуме

Сейчас этот форум просматривают: нет зарегистрированных пользователей и гости: 20


Вы не можете начинать темы
Вы не можете отвечать на сообщения
Вы не можете редактировать свои сообщения
Вы не можете удалять свои сообщения
Вы не можете добавлять вложения

Найти:
Перейти:  


Powered by phpBB © 2000, 2002, 2005, 2007 phpBB Group
Русская поддержка phpBB
Extended by Karma MOD © 2007—2012 m157y
Extended by Topic Tags MOD © 2012 m157y