Например TDA7294

Форум РадиоКот • Просмотр темы - Каскад с общим эмиттером.
Форум РадиоКот
Здесь можно немножко помяукать :)

Текущее время: Вт мар 10, 2026 14:32:01

Часовой пояс: UTC + 3 часа


ПРЯМО СЕЙЧАС:



Начать новую тему Ответить на тему  [ Сообщений: 905 ]     ... , , , 16, , , ...  
Автор Сообщение
 Заголовок сообщения: Re: Каскад с общим эмиттером.
СообщениеДобавлено: Вс июл 15, 2012 15:19:36 
Мудрый кот
Аватар пользователя

Карма: 35
Рейтинг сообщений: 279
Зарегистрирован: Сб июл 30, 2011 08:40:10
Сообщений: 1713
Откуда: Россия
Рейтинг сообщения: 0
dimitriy91 писал(а):
Могу доказать , что Кu должен считаться именно по этой формуле.
Доказывайте, если Вам больше нечем заняться. :)
Но я всегда пользуюсь теми формулами, результат которых не расходится с практическими результатами.
Во всяком случае приведенная мной формула довольно точно предсказывает результат проверенный Вами же в симуляторе.


Вернуться наверх
 
 Заголовок сообщения: Re: Каскад с общим эмиттером.
СообщениеДобавлено: Вс июл 15, 2012 15:28:55 
Вымогатель припоя
Аватар пользователя

Карма: 3
Рейтинг сообщений: 17
Зарегистрирован: Ср июн 08, 2011 15:37:56
Сообщений: 619
Откуда: ДВ
Рейтинг сообщения: 0
Зачем мне переписывать , то что писали учёные до меня:


Вложения:
Снимок1.PNG [175.42 KiB]
Скачиваний: 349

_________________
"Ленивый человек в бесчестном покое сходен с неподвижною болотною водою, которая, кроме смраду и презренных гадин, ничего не производит". М.В. Ломоносов


Последний раз редактировалось dimitriy91 Вс июл 15, 2012 16:49:42, всего редактировалось 1 раз.
Вернуться наверх
 
 Заголовок сообщения: Re: Каскад с общим эмиттером.
СообщениеДобавлено: Вс июл 15, 2012 15:35:28 
Вымогатель припоя
Аватар пользователя

Карма: 3
Рейтинг сообщений: 17
Зарегистрирован: Ср июн 08, 2011 15:37:56
Сообщений: 619
Откуда: ДВ
Рейтинг сообщения: 0
Вообщем Гусева откройте стр 295. Там всё расписано, зачем мне переписывать и выводить то же самое. Согласен, с точки зрения эксперимента , должно получиться 9 с копейками, но где тогда ошибка в теории ???? Если грубо , то Ku = B * Rк/(Rд1||Rд2||(Rэ*B) ) , если принять , что делитель достаточно высокоомный, то им можно пренебречь, т.е. если Rд ->беск. и найти предел , то как раз получится RэB , B сократится и получится Ku=Rк/(rэ+Rэ) ~= 9, но тогда возникает вопрос, когда следует учитывать сопротивление делителя или не учитывать, когда Rд на 2 порядка больше Rэ ???? Тогда если это так, электроника , это не точная наука, а сплошная оценка значений .

_________________
"Ленивый человек в бесчестном покое сходен с неподвижною болотною водою, которая, кроме смраду и презренных гадин, ничего не производит". М.В. Ломоносов


Вернуться наверх
 
 Заголовок сообщения: Re: Каскад с общим эмиттером.
СообщениеДобавлено: Вс июл 15, 2012 16:03:27 
Мудрый кот
Аватар пользователя

Карма: 35
Рейтинг сообщений: 279
Зарегистрирован: Сб июл 30, 2011 08:40:10
Сообщений: 1713
Откуда: Россия
Рейтинг сообщения: 0
dimitriy91 писал(а):
это не точная наука, а сплошная оценка значений .
Почитайте про ООС(отрицательную обратную связь) в усилителях и её влияние на усилитель.
Резистор R3 как раз и создает ООС в данном приведенном Вами каскаде по постоянному и что главное по переменному току, т.к. он не зашунтирован конденсатором.
Зашунтируйте его конденсатором в сотни микрофарад в симуляторе и посмотрите результат.
Т.е. уберите ООС по переменному току и тогда думаю получите нужное Вам усиление равное 50.
dimitriy91 писал(а):
Ku = 40 * 4000/3150 =~ 51


Вернуться наверх
 
Эиком - электронные компоненты и радиодетали
 Заголовок сообщения: Re: Каскад с общим эмиттером.
СообщениеДобавлено: Вс июл 15, 2012 16:12:42 
Вымогатель припоя
Аватар пользователя

Карма: 3
Рейтинг сообщений: 17
Зарегистрирован: Ср июн 08, 2011 15:37:56
Сообщений: 619
Откуда: ДВ
Рейтинг сообщения: 0
Прочитаю обязательно , спасибо. Но бог с ним с этим разобрались. Двигаем дальше.
Изображение
Теперь когда следующий каскад бахнули, оцениваем Ku первого каскада Ku = Rк||(B*Rэ2)/Rэ1 =~ 7.5 ,по приборам смотрим , не то, тогда так Rк||[ (B*Rэ2)||Rд2 ]/Rэ1 = 4.1 , то , что необходимо. И как здесь тогда быть??? хоть и сопротивление делителя достаточно велико в этом случае про него забывать как видно не стоит , как быть???


Вложения:
Снимок4.PNG [63.44 KiB]
Скачиваний: 1489

_________________
"Ленивый человек в бесчестном покое сходен с неподвижною болотною водою, которая, кроме смраду и презренных гадин, ничего не производит". М.В. Ломоносов


Последний раз редактировалось dimitriy91 Вс июл 15, 2012 16:51:25, всего редактировалось 1 раз.
Вернуться наверх
 
 Заголовок сообщения: Re: Каскад с общим эмиттером.
СообщениеДобавлено: Вс июл 15, 2012 16:19:25 
Вымогатель припоя
Аватар пользователя

Карма: 3
Рейтинг сообщений: 17
Зарегистрирован: Ср июн 08, 2011 15:37:56
Сообщений: 619
Откуда: ДВ
Рейтинг сообщения: 0
Цитата:
Т.е. уберите ООС по переменному току и тогда думаю получите нужное Вам усиление равное 50.
. Я вас уверяю Кu в этом случае будет равен ~ 200 , Ku= B * Rk/ (rэ*B), rэ = 0,025/0.0013 = 20 , тогда Ku = 4000/20 = 200. Про ООС я вкурсе.

_________________
"Ленивый человек в бесчестном покое сходен с неподвижною болотною водою, которая, кроме смраду и презренных гадин, ничего не производит". М.В. Ломоносов


Вернуться наверх
 
 Заголовок сообщения: Re: Каскад с общим эмиттером.
СообщениеДобавлено: Вс июл 15, 2012 16:29:07 
Вымогатель припоя
Аватар пользователя

Карма: 3
Рейтинг сообщений: 17
Зарегистрирован: Ср июн 08, 2011 15:37:56
Сообщений: 619
Откуда: ДВ
Рейтинг сообщения: 0
И если кто может , объясните почему Rк предыдущего каскада не соединён парал. следующему ??? Хотя с эквивалентных схем видно ,что парал. :))
Изображение
Изображение


Вложения:
Снимок4.PNG [63.44 KiB]
Скачиваний: 1353
Снимок.PNG [15.96 KiB]
Скачиваний: 839

_________________
"Ленивый человек в бесчестном покое сходен с неподвижною болотною водою, которая, кроме смраду и презренных гадин, ничего не производит". М.В. Ломоносов
Вернуться наверх
 
 Заголовок сообщения: Re: Каскад с общим эмиттером.
СообщениеДобавлено: Вс июл 15, 2012 22:11:44 
Держит паяльник хвостом
Аватар пользователя

Карма: -1
Рейтинг сообщений: 120
Зарегистрирован: Пт май 20, 2011 10:14:14
Сообщений: 945
Откуда: Киев
Рейтинг сообщения: 0
dimitriy91 писал(а):
Вообщем Гусева откройте стр 295. Там всё расписано, зачем мне переписывать и выводить то же самое. Согласен, с точки зрения эксперимента , должно получиться 9 с копейками, но где тогда ошибка в теории ???? Если грубо , то Ku = B * Rк/(Rд1||Rд2||(Rэ*B) ) , если принять , что делитель достаточно высокоомный, то им можно пренебречь, т.е. если Rд ->беск. и найти предел , то как раз получится RэB , B сократится и получится Ku=Rк/(rэ+Rэ) ~= 9, но тогда возникает вопрос, когда следует учитывать сопротивление делителя или не учитывать, когда Rд на 2 порядка больше Rэ ???? Тогда если это так, электроника , это не точная наука, а сплошная оценка значений .

А ты не думал, что если по этой формуле считать, то, приняв резисторы делителя 3,4 Ом и 31,6 Ом получи9шь усиление уже 50 000 ?
Не читал Гусева, но не думаю, что он такую ерунду написал.
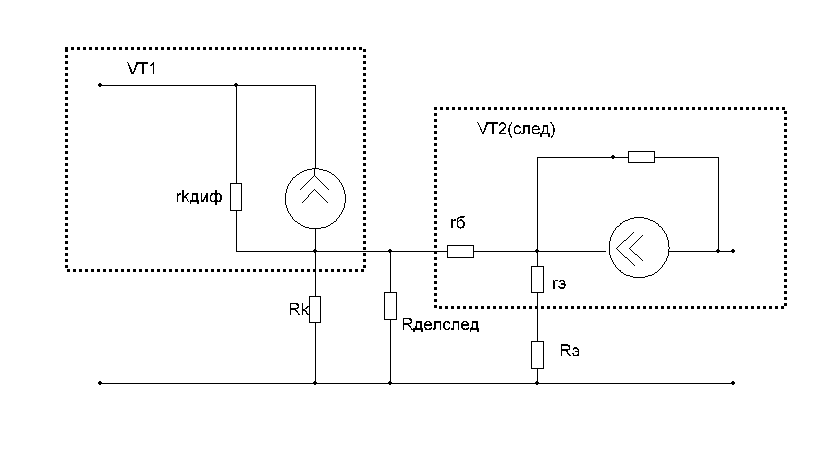
Делится на входное сопротивление именно транзистора, делитель там ни при чем, он только уменьшает входное сопротивление каскада, и тем самым уменьшает усиление предыдущего усилителя.
Ещё. Усиление в симуляторе будет меньше, чем в твоих упрощенных расчетах, потому что он учитывает rб и r диф.к.
Они хоть и не сильно, но влияют.


Вернуться наверх
 
 Заголовок сообщения: Re: Каскад с общим эмиттером.
СообщениеДобавлено: Вс июл 15, 2012 22:44:32 
Вымогатель припоя
Аватар пользователя

Карма: 3
Рейтинг сообщений: 17
Зарегистрирован: Ср июн 08, 2011 15:37:56
Сообщений: 619
Откуда: ДВ
Рейтинг сообщения: 0
Цитата:
А ты не думал, что если по этой формуле считать, то, приняв резисторы делителя 3,4 Ом и 31,6 Ом получи9шь усиление уже 50 000 ?
Не читал Гусева, но не думаю, что он такую ерунду написал.

думайте, не думайте, я такой секой, откройте да прочитайте и действительно эта формула правильная . Кстати Забродин тоже самое писал, не думаю , что мы умнее их. Просто помимо экспериментов , надо ещё какую то теоретическую подпитку иметь, а где она???? Просто так критиковать и брать потолковые формулы. Я не капли не сомневаюсь в ваших знаниях , опыте и таланте,да и кто я такой , чтобы это делать, но всё же :
Цитата:
http://radiokot.ru/forum/download/file.php?mode=view&id=113877&sid=620472914c22089d03f8665f462c26d7


Вложения:
роп.PNG [218.85 KiB]
Скачиваний: 320

_________________
"Ленивый человек в бесчестном покое сходен с неподвижною болотною водою, которая, кроме смраду и презренных гадин, ничего не производит". М.В. Ломоносов
Вернуться наверх
 
 Заголовок сообщения: Re: Каскад с общим эмиттером.
СообщениеДобавлено: Вс июл 15, 2012 23:37:50 
Держит паяльник хвостом
Аватар пользователя

Карма: -1
Рейтинг сообщений: 120
Зарегистрирован: Пт май 20, 2011 10:14:14
Сообщений: 945
Откуда: Киев
Рейтинг сообщения: 0
Не надо этих подколок относительно знаний и таланта. Я не читал Гусева не потому, что такой умный и лучше него все знаю, а потому, что когда изучал усилители в институте Гусевы, наверное, ещё в детский сад ходили. У нас были другие авторы, на которых Гусевы учились.
По делу. Вдумчиво читать надо, понимать, а не принимать на веру. Вот из Гусева:
Вложение:
Из Гусева-2.JPG [54.04 KiB]
Скачиваний: 494

Где тут сопротивления смещения подразумеваются? :shock: сам выводишь формулы, приписываешь Гусевым. Нехорошо. :dont_know:


Вложения:
Из Гусева-1.JPG [21.22 KiB]
Скачиваний: 266
Вернуться наверх
 
 Заголовок сообщения: Re: Каскад с общим эмиттером.
СообщениеДобавлено: Пн июл 16, 2012 04:48:21 
Вымогатель припоя
Аватар пользователя

Карма: 3
Рейтинг сообщений: 17
Зарегистрирован: Ср июн 08, 2011 15:37:56
Сообщений: 619
Откуда: ДВ
Рейтинг сообщения: 0
Извините , я наркоман наверное , глубоко извиняюсь , пусть меня поразит молния . Там в книге я перепутал Rвх и Rвхпол. Простите ради бога :( :( :( . Теперь всё встало на свои места, пересчитал , действительно делитель тут не причём .

P.S. Не каких подколок не было. Вы единственный кого я уважаю из всех кто занимается этим делом. Вам наверное более повезло чем мне , вас учили и можно было спросить , а я самоучка , который хочет докопаться до правды и единственный способ спросить - это обратиться к вам и писать на форуме. Извините если , что то не так.

_________________
"Ленивый человек в бесчестном покое сходен с неподвижною болотною водою, которая, кроме смраду и презренных гадин, ничего не производит". М.В. Ломоносов


Вернуться наверх
 
 Заголовок сообщения: Re: Усилители с гальванической связью
СообщениеДобавлено: Вт сен 04, 2012 11:28:47 
Родился

Зарегистрирован: Сб авг 25, 2012 08:49:21
Сообщений: 2
Рейтинг сообщения: 0
нашёл данную схему , мне надо усилить 3вольда где то до 6-9 вольт нужна простая схема(нехочу с этим замарачивоться) возможно ли сделать только из транзисторов и резисторов? можите помочь?




Сюда перенес.

aen


Вложения:
121212.jpg [6.46 KiB]
Скачиваний: 438
Вернуться наверх
 
 Заголовок сообщения: Re: Каскад с общим эмиттером.
СообщениеДобавлено: Вт сен 04, 2012 12:24:06 
Друг Кота
Аватар пользователя

Карма: 45
Рейтинг сообщений: 623
Зарегистрирован: Вс ноя 14, 2010 19:24:26
Сообщений: 8007
Откуда: Лукалэнд
Рейтинг сообщения: 0
ОУ возьмите, будет проще и стабильнее.


Вернуться наверх
 
 Заголовок сообщения: Re: Каскад с общим эмиттером.
СообщениеДобавлено: Ср сен 05, 2012 07:45:35 
Вымогатель припоя
Аватар пользователя

Карма: 3
Рейтинг сообщений: 17
Зарегистрирован: Ср июн 08, 2011 15:37:56
Сообщений: 619
Откуда: ДВ
Рейтинг сообщения: 0
ОУ чтобы усилить в 2 или 3 раза, зачем????

_________________
"Ленивый человек в бесчестном покое сходен с неподвижною болотною водою, которая, кроме смраду и презренных гадин, ничего не производит". М.В. Ломоносов


Вернуться наверх
 
 Заголовок сообщения: Re: Каскад с общим эмиттером.
СообщениеДобавлено: Ср сен 05, 2012 08:16:47 
Друг Кота

Карма: 27
Рейтинг сообщений: 206
Зарегистрирован: Чт ноя 26, 2009 11:16:50
Сообщений: 6015
Откуда: Москва
Рейтинг сообщения: 0
Это еще смотря, какая будет нагрузка. У усилителя ОУ выходное сопротивление почти нулевое (благодаря обратной связи), а у каскада с ОЭ определяется резистором в коллекторе, т.е. довольно высокое. То же с искажениями. И с размахом сигнала - ОУ с выходом Rail-to-Rail (и достаточной нагрузочной способностью) может выдать размах сигнала, почти равный напряжению питания, каскад с ОЭ... в принципе, тоже, но с большими искажениями. Но вообще надо исходить из задачи.


Вернуться наверх
 
 Заголовок сообщения: Re: Каскад с общим эмиттером.
СообщениеДобавлено: Ср сен 05, 2012 08:37:52 
Вымогатель припоя
Аватар пользователя

Карма: 3
Рейтинг сообщений: 17
Зарегистрирован: Ср июн 08, 2011 15:37:56
Сообщений: 619
Откуда: ДВ
Рейтинг сообщения: 0
Никаких искажений не будет если правильно рассчитана схема и взят небольшой запас . А вот насчёт задачи вы правильно сказали. Для чего нужен усилитель ??? Что усиливать ???? Нагрузка ???? Источник сигнала ????

_________________
"Ленивый человек в бесчестном покое сходен с неподвижною болотною водою, которая, кроме смраду и презренных гадин, ничего не производит". М.В. Ломоносов


Вернуться наверх
 
 Заголовок сообщения: Re: Каскад с общим эмиттером.
СообщениеДобавлено: Ср сен 05, 2012 10:59:18 
Поставщик валерьянки для Кота

Карма: 5
Рейтинг сообщений: 61
Зарегистрирован: Пт окт 23, 2009 15:32:35
Сообщений: 1929
Откуда: Челябинск
Рейтинг сообщения: 0
dimitriy91 писал(а):
Никаких искажений не будет если правильно рассчитана схема и взят небольшой запас


в ОЭ чем больше размах тем больше искажения. минимальные искажения если размах маленький а средняя точка приближена к общему проводу, то есть среднее падение на коллекторе максимально. ну не заходя в зону насыщения транзистора конечно

смысл в чем, изначальная передаточная характеристика транзистора совершенно нелинейна и превращается в близкую к линейной только обратной связью. при этом чем сильнее обратной связью ослаблено усиление тем ближе получившаяся характеристика к линейной. если в какой то точке было усиление K1, а обратной связью мы пытаемся сделать K2, то получается реальный K=K1/(1+K1/K2). если допустим оригинальное усиление без обратной связи было бы в диапазоне от 100 до 1000 раз, а обратная связь зарезает его до 10 (вычитает из входного напряжения 1/10 выходного), то реальное усиление меняется от допустим 9.1 до 9.9. а если исходное усиление от 10 до 100, то та же обратная связь сделает из него от 5 до 9.1, совсем плохо. отличие коэффициента усиления для самой нижней и самой верхней точек сигнала и есть нелинейные искажения.

в ОЭ "исходный" (то есть без учета обратной связи) коэффициент усиления примерно равен падению напряжения на коллекторном резисторе, помноженному на 40. поэтому если допустим питание 5в а напряжение на коллекторе меняется от 3 до 4, то исходный КУ меняется от 40 до 80. а если напряжение меняется от 1.5 до 2.5 то КУ меняется от 100 до 140. размах тот же, а искажения при зарезании обратной связью до 10 во втором случае будут гораздо меньше (8-8.9 vs 9.1-9.3, 11.2% vs 2.2%). ну а если устроить размах от 1 до 4.9в, то КУ=4..160 и при зарезании его до 10 сами представляете что получится. при таком размахе только зарезание до усиления 2 даст на выходе хоть что-то похожее на синусоиду при синусоиде на входе

по этой же логике первые каскады, усиливающие очень слабый сигнал делают вообще без обратной связи, с заземленным эмиттером, и при этом искажения все равно малы, потому-что размах на выходе мал. допустим на входе 1мкв, питание 5в, выставляем на коллекторе рабочую точку 1в и получаем падение на коллекторном резисторе 4в, усиление 160 и значит амплитуду на выходе 160мкв. то есть падение на коллекторном резисторе будет меняться в диапазоне 3.999840..4.000160в и КУ=159.994..160.006, практически линейно, на 0.004% КУ пляшет и при этом мы использовали максимально возможный при таком напряжении питания КУ

в ОУ же КУ огромен и пусть он даже совершенно нелинеен и КУ пляшет от миллиона до триллиона, главное тут нижняя планка, чтом меньше миллиона не был ни в одной точке. тогда при зарезании до 100 миллион превратится в 99.99 а все что больше будет потихоньку стремиться от этой планки к 100


Вернуться наверх
 
 Заголовок сообщения: Re: Каскад с общим эмиттером.
СообщениеДобавлено: Ср сен 05, 2012 14:21:59 
Вымогатель припоя
Аватар пользователя

Карма: 3
Рейтинг сообщений: 17
Зарегистрирован: Ср июн 08, 2011 15:37:56
Сообщений: 619
Откуда: ДВ
Рейтинг сообщения: 0
Цитата:
в ОЭ "исходный" (то есть без учета обратной связи) коэффициент усиления примерно равен падению напряжения на коллекторном резисторе, помноженному на 40. поэтому если допустим питание 5в а напряжение на коллекторе меняется от 3 до 4, то исходный КУ меняется от 40 до 80


Так напряжение гулять может только в печке или без принятия мер по стабилизации , да и в режиме А на коллекторе примерно половина напряжения ( хотя режим А это и есть обогреватель =)))))) ) . Транзисторы выбирают насколько мне известно по параметрам намного большим чем требуется ( тогда и характеристика более менее линейна ), допустим знаем , что максимальный ток протекающий через транзистор = 1А, тогда берём транзистор с максимальным током 2А ( грубо конечно, исправьте если не так), по частоте и напряжению так же, потому , что все параметры зависят от B , а она пляшет как не вменяемая , если мер не принимать. Ну вообще о каких искажениях речь, если Ку = 2-3.

_________________
"Ленивый человек в бесчестном покое сходен с неподвижною болотною водою, которая, кроме смраду и презренных гадин, ничего не производит". М.В. Ломоносов


Вернуться наверх
 
 Заголовок сообщения: Re: Каскад с общим эмиттером.
СообщениеДобавлено: Ср сен 05, 2012 14:56:06 
Поставщик валерьянки для Кота

Карма: 5
Рейтинг сообщений: 61
Зарегистрирован: Пт окт 23, 2009 15:32:35
Сообщений: 1929
Откуда: Челябинск
Рейтинг сообщения: 0
речь была о "может выдать почти с размахом напряжения", на ОЭ это действительно чревато искажениями. даже при усилении 3 размах до напряжения питания минус вольт в верхней точке даст серьезные искажения. даже на ненагруженном каскаде. при питании 5в и размахе 3в со средней точкой 2.5 и усилении 3 коэффициент усиления в нихней и верхней точках сигнала будет отличаться на 5%, то есть если прогоните через каскад идеальный треугольник, на выходе тангенс наклона сторон треугольника будет отличаться ввеху и внизу на 5%. скажем внизу 45 градусов, тогда вверху 43.5 градуса, вполне заметно невооруженным глазом


Последний раз редактировалось rustot Ср сен 05, 2012 15:08:27, всего редактировалось 1 раз.

Вернуться наверх
 
 Заголовок сообщения: Re: Каскад с общим эмиттером.
СообщениеДобавлено: Ср сен 05, 2012 15:08:26 
Вымогатель припоя
Аватар пользователя

Карма: 3
Рейтинг сообщений: 17
Зарегистрирован: Ср июн 08, 2011 15:37:56
Сообщений: 619
Откуда: ДВ
Рейтинг сообщения: 0
Первый пост:

Цитата:
нашёл данную схему , мне надо усилить 3вольда где то до 6-9 вольт нужна простая схема(нехочу с этим замарачивоться) возможно ли сделать только из транзисторов и резисторов? можите помочь?


Дальше рассуждения пошли какие то , кто сказал , что надо брать размах от линии насыщения до характеристики отсечки ??? Так никто не берёт, откуда вообще эта фраза. Всегда выбирают с запасом исходя из возможных деградаций ( температуры, радиации, излучения и т.д.) Вот и берут с запасом. Хороший ОУ кстати стоит не хило, где искажениями можно пренебречь.

_________________
"Ленивый человек в бесчестном покое сходен с неподвижною болотною водою, которая, кроме смраду и презренных гадин, ничего не производит". М.В. Ломоносов


Вернуться наверх
 
Показать сообщения за:  Сортировать по:  Вернуться наверх
Начать новую тему Ответить на тему  [ Сообщений: 905 ]     ... , , , 16, , , ...  

Часовой пояс: UTC + 3 часа


Вы не можете начинать темы
Вы не можете отвечать на сообщения
Вы не можете редактировать свои сообщения
Вы не можете удалять свои сообщения
Вы не можете добавлять вложения

Найти:
Перейти:  


Powered by phpBB © 2000, 2002, 2005, 2007 phpBB Group
Русская поддержка phpBB
Extended by Karma MOD © 2007—2012 m157y
Extended by Topic Tags MOD © 2012 m157y