Например TDA7294

Форум РадиоКот • Просмотр темы - Полевые транзисторы. Что есть IGBT, MOSFET итд
Форум РадиоКот
Здесь можно немножко помяукать :)

Текущее время: Вс фев 15, 2026 10:20:19

Часовой пояс: UTC + 3 часа


ПРЯМО СЕЙЧАС:



Начать новую тему Ответить на тему  [ Сообщений: 873 ]     ... , , , 7, , , ...  
Автор Сообщение
Не в сети
 Заголовок сообщения: Re: Полевые транзисторы или первые шаги в электронике
СообщениеДобавлено: Ср ноя 27, 2013 11:40:34 
Друг Кота
Аватар пользователя

Карма: 67
Рейтинг сообщений: 1071
Зарегистрирован: Чт сен 18, 2008 12:27:21
Сообщений: 20046
Откуда: Столица Мира Санкт-Петербург
Рейтинг сообщения: 0
Медали: 1
Получил миской по аватаре (1)
FreemanCRZ писал(а):
сначала нужно взять транзистор и замерить на нем ток стока...

Вы понимаете, что такой подход обречён?
FreemanCRZ писал(а):
как тогда строить усилитель

Нужна ООС.

_________________
[ Всё дело не столько в вашей глупости, сколько в моей гениальности ] [ Правильно заданный вопрос содержит в себе половину ответа ]


Вернуться наверх
 
Не в сети
 Заголовок сообщения: Re: Полевые транзисторы. Что есть IGBT, MOSFET итд
СообщениеДобавлено: Ср ноя 27, 2013 15:04:26 
Первый раз сказал Мяу!

Зарегистрирован: Вт июн 29, 2010 08:26:50
Сообщений: 22
Рейтинг сообщения: 0
Gudd-Head писал(а):
Вы понимаете, что такой подход обречён?

т.е. вы хотите сказать, что измерять у полевиков ничего не нужно, а просто брать справочные данные и под них рассчитывать схему?

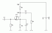
Но тогда у меня новый вопрос: берем транзистор КП303Ж у него по справочнику Id0=0.3…3 mA, Ugsoff=0.3…3 V, S=1…4 mA/V. А у меня амплитуда входного напряжения 0.2 В, получается, что транзистор с отсечкой 0,3В мне не подходит, а вот с отсечкой 2В самое то, но это тот же КП303Ж.

Как быть в этом случае? Брать транзистор, у которого по справочнику минимальное Ugsoff=2V? Но опять же, из-за разброса параметров, я рассчитываю для транзистора Ugsoff=2V, чтобы каскад работал на наиболее прямолинейном участке, а мне попадается с Ugsoff=4V, и я попадаю на явный перегиб.

В справочнике параметры транзисторов указаны для 10В, а как быть, если мне нужно чтобы мой каскад работал под напряжением 24В?

И еще такой момент, если взять КП303Ж с Id0=0.3mA, Ugsoff=0.3V, S=1 mA/V, рабочую точку при Ugs р.т.=0,05V (чтобы оказаться на наиболее прямолинейном участке) Id р.т.=0,3*(1-0,05/0,3)^2=0.208 mA (т.к. справочные денные указаны при Up=10V, примем Up=10V, Ud=5V), то Rd=(Up-Ud)/Id р.т.=(10-5)/0.208=24кОм. Я в литературе встретил, что внутренне сопротивление полевого транзистора Ri=50кОм (в лекциях Глазова А. Б. эта величина указывалась 40кОм) и Rd должно быть много меньше Ri, в данном же случае получилось, что Rd меньше Ri примерно в 2 раза.
Изображение
Gudd-Head писал(а):
Нужна ООС.

Как организовывается ООС в подобных каскадах?


Вернуться наверх
 
Не в сети
 Заголовок сообщения: Re: Полевые транзисторы. Что есть IGBT, MOSFET итд
СообщениеДобавлено: Ср ноя 27, 2013 15:09:43 
Друг Кота
Аватар пользователя

Карма: 67
Рейтинг сообщений: 1071
Зарегистрирован: Чт сен 18, 2008 12:27:21
Сообщений: 20046
Откуда: Столица Мира Санкт-Петербург
Рейтинг сообщения: 0
Медали: 1
Получил миской по аватаре (1)
FreemanCRZ писал(а):
т.е. вы хотите сказать, что измерять у полевиков ничего не нужно, а просто брать справочные данные и под них рассчитывать схему?

При правильном подходе, да. Это всё равно что вы бы измеряли h21э у каждого транзистора, и рассчитывали бы под них схему.
FreemanCRZ писал(а):
Но тогда у меня новый вопрос...

Вот тут ничем не могу помочь.
FreemanCRZ писал(а):
Как организовывается ООС в подобных каскадах?

Посмотрите схемы усилителей.

_________________
[ Всё дело не столько в вашей глупости, сколько в моей гениальности ] [ Правильно заданный вопрос содержит в себе половину ответа ]


Вернуться наверх
 
Не в сети
 Заголовок сообщения: Re: Полевые транзисторы. Что есть IGBT, MOSFET итд
СообщениеДобавлено: Ср ноя 27, 2013 15:53:27 
Первый раз сказал Мяу!

Зарегистрирован: Вт июн 29, 2010 08:26:50
Сообщений: 22
Рейтинг сообщения: 0
вот схема http://guitar-gear.ru/forum/index.php?a ... h_id=18578
расталкуйте, пожалуйста, где тут обратная связь и как она работает


Вернуться наверх
 
Эиком - электронные компоненты и радиодетали
Не в сети
 Заголовок сообщения: Re: Полевые транзисторы. Что есть IGBT, MOSFET итд
СообщениеДобавлено: Ср ноя 27, 2013 18:01:03 
Модератор
Аватар пользователя

Карма: 162
Рейтинг сообщений: 2445
Зарегистрирован: Пн июл 07, 2008 10:46:09
Сообщений: 10737
Откуда: Россия
Рейтинг сообщения: 1
Все резисторы в истоках транзисторов образуют последовательную ООС по току в каскадах

_________________
Если хотите, чтобы жизнь улыбалась вам, подарите ей своё хорошее настроение


Вернуться наверх
 
Не в сети
 Заголовок сообщения: Re: Полевые транзисторы. Что есть IGBT, MOSFET итд
СообщениеДобавлено: Ср ноя 27, 2013 21:38:27 
Первый раз сказал Мяу!

Зарегистрирован: Вт июн 29, 2010 08:26:50
Сообщений: 22
Рейтинг сообщения: 0
Света писал(а):
Все резисторы в истоках транзисторов образуют последовательную ООС по току в каскадах

т.е. в этом каскаде Изображение уже реализована обратная отрицательная связь на резисторе Rs? и все мои расчетные искажения сойдут на нет?


Вернуться наверх
 
Не в сети
 Заголовок сообщения: Re: Полевые транзисторы. Что есть IGBT, MOSFET итд
СообщениеДобавлено: Чт ноя 28, 2013 21:40:34 
Прорезались зубы

Зарегистрирован: Вт мар 05, 2013 18:05:53
Сообщений: 242
Рейтинг сообщения: 0
Друзья, помогите пожалуйста подобрать полевой транзистор для схемы
Изображение
в схеме он будет использоваться как ключ. Я честное слово искал, где они, какие у них характеристики, но так и не смог в них разобраться. :(
на исток будет приходить 5В и ток до 100 мА. На затвор будут подаваться теже 5 В.


Вернуться наверх
 
Не в сети
 Заголовок сообщения: Re: Полевые транзисторы. Что есть IGBT, MOSFET итд
СообщениеДобавлено: Пт ноя 29, 2013 10:17:36 
Друг Кота
Аватар пользователя

Карма: 67
Рейтинг сообщений: 1071
Зарегистрирован: Чт сен 18, 2008 12:27:21
Сообщений: 20046
Откуда: Столица Мира Санкт-Петербург
Рейтинг сообщения: 0
Медали: 1
Получил миской по аватаре (1)
Да вроде любой маломощный. Посмотрите в сторону IRLML___ или других Logic Level.

_________________
[ Всё дело не столько в вашей глупости, сколько в моей гениальности ] [ Правильно заданный вопрос содержит в себе половину ответа ]


Вернуться наверх
 
Не в сети
 Заголовок сообщения: Re: Полевые транзисторы. Что есть IGBT, MOSFET итд
СообщениеДобавлено: Вт янв 07, 2014 13:53:21 
Открыл глаза

Зарегистрирован: Вс ноя 16, 2008 15:28:29
Сообщений: 53
Рейтинг сообщения: 0
Скажите, правильно я понял:
1. Vgs - Gate to Source Voltage - это максимальное напряжение затвор-исток(?), то есть это то напряжение, выше, которое, нельзя подавать на затвор полевого транзистора (ключа)?

2. Часто работы ключа определяется по формуле =1/T , где T - это: "Turn-On Delay Time" + "Rise Time" + "Turn-Off Delay Time" + "Fall Time" ? "T" нужно перевести в секунды. http://lib.chipdip.ru/222/DOC000222419.pdf - для irfp460 это примерно 4 081 632 Гц ?


Вернуться наверх
 
Не в сети
 Заголовок сообщения: Re: Полевые транзисторы. Что есть IGBT, MOSFET итд
СообщениеДобавлено: Чт янв 09, 2014 10:09:47 
Друг Кота
Аватар пользователя

Карма: 67
Рейтинг сообщений: 1071
Зарегистрирован: Чт сен 18, 2008 12:27:21
Сообщений: 20046
Откуда: Столица Мира Санкт-Петербург
Рейтинг сообщения: 0
Медали: 1
Получил миской по аватаре (1)
-TNT- писал(а):
1. Vgs - Gate to Source Voltage - это максимальное напряжение затвор-исток(?)

Это просто напряжение затвор-исток.
-TNT- писал(а):
2. Часто работы ключа определяется по формуле =1/T , где T - это: "Turn-On Delay Time" + "Rise Time" + "Turn-Off Delay Time" + "Fall Time" ?

Скорее T = Q/I, где I — ток, выдаваемый драйвером, Q — заряд затвора.

_________________
[ Всё дело не столько в вашей глупости, сколько в моей гениальности ] [ Правильно заданный вопрос содержит в себе половину ответа ]


Вернуться наверх
 
Не в сети
 Заголовок сообщения: Re: Полевые транзисторы. Что есть IGBT, MOSFET итд
СообщениеДобавлено: Чт янв 09, 2014 13:49:21 
Открыл глаза

Зарегистрирован: Вс ноя 16, 2008 15:28:29
Сообщений: 53
Рейтинг сообщения: 0
Gudd-Head писал(а):
-TNT- писал(а):
1. Vgs - Gate to Source Voltage - это максимальное напряжение затвор-исток(?)

Это просто напряжение затвор-исток.
-TNT- писал(а):
2. Часто работы ключа определяется по формуле =1/T , где T - это: "Turn-On Delay Time" + "Rise Time" + "Turn-Off Delay Time" + "Fall Time" ?

Скорее T = Q/I, где I — ток, выдаваемый драйвером, Q — заряд затвора.


я плохо понял, простите.

Что значит: "просто напряжение затвор-истор"?

И по максимальной скорости срабатывания/частоте работы ключа, вопрос есть. На обычных биполярных транзисторах пишут их рабочую (максимальную) частоту, к примеру: КТ315А, fгр (fh21) = 250 МГц. А для IGBT, MOSFET - это параметр где зарыт? Я так понимаю, что при "100%"-тном необходимом обеспечении Затвора полевого транзистора Напряжением и Током, частоту примерно определяют исходя из параметров " "Turn-On Delay Time" + "Rise Time" + "Turn-Off Delay Time" + "Fall Time" " ? - В чём я здесь не прав?


Вернуться наверх
 
Не в сети
 Заголовок сообщения: Re: Полевые транзисторы. Что есть IGBT, MOSFET итд
СообщениеДобавлено: Чт янв 09, 2014 13:54:49 
Друг Кота
Аватар пользователя

Карма: 67
Рейтинг сообщений: 1071
Зарегистрирован: Чт сен 18, 2008 12:27:21
Сообщений: 20046
Откуда: Столица Мира Санкт-Петербург
Рейтинг сообщения: 0
Медали: 1
Получил миской по аватаре (1)
-TNT- писал(а):
Что значит: "просто напряжение затвор-истор"?

Нигде не сказано что оно максимальное. :) Это может быть напряжение З-И при котором нормировано сопротивление С-И. Или заряд затвора.
-TNT- писал(а):
А для IGBT, MOSFET - это параметр где зарыт? Я так понимаю, что при "100%"-тном необходимом обеспечении Напряжением и Током Затвора (это ёмкость/как конденсатор) транзистора (ключа), частоту примерно определяют исходя из параметров " "Turn-On Delay Time" + "Rise Time" + "Turn-Off Delay Time" + "Fall Time" " ? - В чём я здесь не прав?

Нуууу... можно и так сказать. Но, например, если вам важно только чтобы транзистор открылся и закрылся, можете выкинуть времена задержки и остаивить только фронты.

_________________
[ Всё дело не столько в вашей глупости, сколько в моей гениальности ] [ Правильно заданный вопрос содержит в себе половину ответа ]


Вернуться наверх
 
Не в сети
 Заголовок сообщения: IRLML6302 ток в закрытом состоянии
СообщениеДобавлено: Вт фев 18, 2014 22:56:02 
Потрогал лапой паяльник
Аватар пользователя

Карма: 10
Рейтинг сообщений: 29
Зарегистрирован: Сб апр 28, 2012 16:04:14
Сообщений: 394
Рейтинг сообщения: 0
Сколько тока нужно подать на затвор, чтобы транзистор закрылся ?
Т.е. подаём, скажем 3.2В на затвор. Сколько будет потребление затвора, чтобы через сток-истон не протекал ток ?

_________________
Критикуешь - предлагай. Предлагаешь - делай. Делаешь - отвечай.


Последний раз редактировалось Gudd-Head Ср фев 19, 2014 10:33:09, всего редактировалось 1 раз.
Сюда перенёс


Вернуться наверх
 
Не в сети
 Заголовок сообщения: Re: IRLML6302 ток в закрытом состоянии
СообщениеДобавлено: Вт фев 18, 2014 23:00:42 
Друг Кота
Аватар пользователя

Карма: 75
Рейтинг сообщений: 621
Зарегистрирован: Ср дек 24, 2008 09:58:58
Сообщений: 3771
Рейтинг сообщения: 0
Медали: 3
Мявтор 1-й степени (1) Мявтор 2-й степени (1) Мявтор 3-й степени (1)
МОП транзисторы управляются не током, а напряжением на затворе относительно истока. При подаче напряжения на затвор, ток затвора определяется токами утечки через изоляцию затвора и находятся в пикоамперной области.


Вернуться наверх
 
Не в сети
 Заголовок сообщения: Re: IRLML6302 ток в закрытом состоянии
СообщениеДобавлено: Вт фев 18, 2014 23:55:39 
Потрогал лапой паяльник
Аватар пользователя

Карма: 10
Рейтинг сообщений: 29
Зарегистрирован: Сб апр 28, 2012 16:04:14
Сообщений: 394
Рейтинг сообщения: 0
Поставлю вопрос по другому....

Есть транзистор irlml6302
На затвор подаётся напряжение 3.2В через амперметр
На сток, подаётся напряжение 5В
К истоку подключена лампочка

Что покажет амперметр ?

_________________
Критикуешь - предлагай. Предлагаешь - делай. Делаешь - отвечай.


Вернуться наверх
 
Не в сети
 Заголовок сообщения: Re: IRLML6302 ток в закрытом состоянии
СообщениеДобавлено: Ср фев 19, 2014 01:37:13 
Друг Кота
Аватар пользователя

Карма: 75
Рейтинг сообщений: 621
Зарегистрирован: Ср дек 24, 2008 09:58:58
Сообщений: 3771
Рейтинг сообщения: 0
Медали: 3
Мявтор 1-й степени (1) Мявтор 2-й степени (1) Мявтор 3-й степени (1)
Точно ответить невозможно, т.к. это зависит от параметров лампочки. Вместо того, чтобы спрашивать давно-бы уже измерили ток в схеме для конкретной лампочки.


Вернуться наверх
 
Не в сети
 Заголовок сообщения: Re: IRLML6302 ток в закрытом состоянии
СообщениеДобавлено: Ср фев 19, 2014 09:21:14 
Друг Кота
Аватар пользователя

Карма: 32
Рейтинг сообщений: 238
Зарегистрирован: Пт янв 29, 2010 10:27:40
Сообщений: 3868
Откуда: Москва
Рейтинг сообщения: 0
sx386 писал(а):
Что покажет амперметр ?

Кратковременный скачек тока в момент переключения транзистора, в зависимости от сопротивления в цепи затвора. Потом будет показывать 0 (или ток утечки). Затвор по-сути - конденсатор. Если амперметр реальный (цифровой или стрелочный), скорее всего вы ничего не увидите.


Вернуться наверх
 
Не в сети
 Заголовок сообщения: Re: IRLML6302 ток в закрытом состоянии
СообщениеДобавлено: Ср фев 19, 2014 10:37:23 
Друг Кота
Аватар пользователя

Карма: 67
Рейтинг сообщений: 1071
Зарегистрирован: Чт сен 18, 2008 12:27:21
Сообщений: 20046
Откуда: Столица Мира Санкт-Петербург
Рейтинг сообщения: 0
Медали: 1
Получил миской по аватаре (1)
sx386 писал(а):
Сколько тока нужно подать на затвор, чтобы транзистор закрылся ?

В даташите есть такой параметр, суммарный заряд затвора (Total Gate Charge). Вот его и надо весь выкачать чтобы транзистор закрылся. А уж каким током вы это будете делать, зависит от внешней схемы.
sx386 писал(а):
На затвор подаётся напряжение 3.2В через амперметр. Что покажет амперметр ?

После скачка тока на время заряда затворной ёмкости (как уже сказали), амперметр покажет не больше 100 нА — ток утечки затвора.

_________________
[ Всё дело не столько в вашей глупости, сколько в моей гениальности ] [ Правильно заданный вопрос содержит в себе половину ответа ]


Вернуться наверх
 
Не в сети
 Заголовок сообщения: Re: Полевые транзисторы. Что есть IGBT, MOSFET итд
СообщениеДобавлено: Пн фев 24, 2014 22:03:15 
Родился

Зарегистрирован: Вс фев 17, 2013 21:11:38
Сообщений: 11
Рейтинг сообщения: 0
Ребят, где-то на просторах интернета была замечательная брошюра на русском языке про MOSFET. В начале там рассказывалось о строении транзистора, были графики токов и напряжения при открытии, очень хорошо все так написано. Находил где-то тут или на подобных сайтах, сейчас ринулся посмотреть, а и нету. Прям жалко так, что не сохранил. Может кто знает о чем речь? Есть у кого? (находил в pdf, и запросы "MOSFET" и "MOSFET теория" не дали результата:( )


Вернуться наверх
 
Не в сети
 Заголовок сообщения: Re: Полевые транзисторы. Что есть IGBT, MOSFET итд
СообщениеДобавлено: Вт фев 25, 2014 10:46:51 
Друг Кота
Аватар пользователя

Карма: 67
Рейтинг сообщений: 1071
Зарегистрирован: Чт сен 18, 2008 12:27:21
Сообщений: 20046
Откуда: Столица Мира Санкт-Петербург
Рейтинг сообщения: 0
Медали: 1
Получил миской по аватаре (1)
Во вложении.
Ещё у Москатова https://sunduk.radiokot.ru/loadfile/?load_id=1286853274
Плюс у Семёнова https://sunduk.radiokot.ru/loadfile/?load_id=1387385561


Вложения:
Особенности MOSFET транзисторов.pdf [167.65 KiB]
Скачиваний: 1362

_________________
[ Всё дело не столько в вашей глупости, сколько в моей гениальности ] [ Правильно заданный вопрос содержит в себе половину ответа ]
Вернуться наверх
 
Показать сообщения за:  Сортировать по:  Вернуться наверх
Начать новую тему Ответить на тему  [ Сообщений: 873 ]     ... , , , 7, , , ...  

Часовой пояс: UTC + 3 часа


Кто сейчас на форуме

Сейчас этот форум просматривают: Kapitoska и гости: 27


Вы не можете начинать темы
Вы не можете отвечать на сообщения
Вы не можете редактировать свои сообщения
Вы не можете удалять свои сообщения
Вы не можете добавлять вложения

Найти:
Перейти:  


Powered by phpBB © 2000, 2002, 2005, 2007 phpBB Group
Русская поддержка phpBB
Extended by Karma MOD © 2007—2012 m157y
Extended by Topic Tags MOD © 2012 m157y