Например TDA7294

Форум РадиоКот • Просмотр темы - Полевые транзисторы. Что есть IGBT, MOSFET итд
Форум РадиоКот
Здесь можно немножко помяукать :)

Текущее время: Сб ноя 15, 2025 05:23:40

Часовой пояс: UTC + 3 часа


ПРЯМО СЕЙЧАС:



Начать новую тему Ответить на тему  [ Сообщений: 873 ]     ... , , , 6, , , ...  
Автор Сообщение
Не в сети
 Заголовок сообщения: Re: Полевые транзисторы. Что есть IGBT, MOSFET итд
СообщениеДобавлено: Вс окт 14, 2012 12:45:02 
Нашел транзистор. Понюхал.
Аватар пользователя

Зарегистрирован: Чт фев 24, 2011 13:00:49
Сообщений: 190
Рейтинг сообщения: 0
интересная статья http://upload.sm-7.net/EUVM/IGBTvs.MOSFET.pdf

_________________
:solder: 32-х ядерный процессор из П213В


Вернуться наверх
 
Не в сети
 Заголовок сообщения: Re: Полевые транзисторы. Что есть IGBT, MOSFET итд
СообщениеДобавлено: Пт ноя 23, 2012 16:49:14 
Открыл глаза

Зарегистрирован: Ср янв 26, 2011 15:32:25
Сообщений: 58
Рейтинг сообщения: 0
Привет котам.
Прочитал тему, прочитал Семенова, но так и не понял от какого минимального напряжения полностью откроется mosfet серии irf?
С серией IRL все понятно - работает от логического уровня.
А вот к примеру какое минимальное напряжение напряжение нужно подать на затвор IRFZ44N, чтобы он гарантированно полностью открылся если исток присоеденен на землю?


Вернуться наверх
 
Не в сети
 Заголовок сообщения: Re: Полевые транзисторы. Что есть IGBT, MOSFET итд
СообщениеДобавлено: Сб ноя 24, 2012 19:46:12 
Друг Кота
Аватар пользователя

Карма: 67
Рейтинг сообщений: 1065
Зарегистрирован: Чт сен 18, 2008 12:27:21
Сообщений: 19916
Откуда: Столица Мира Санкт-Петербург
Рейтинг сообщения: 0
Медали: 1
Получил миской по аватаре (1)
vcter писал(а):
полностью открылся

Что значит "полностью открылся"??? Открытый полевик представляет собой резистор, сопротивление которого тем меньше, чем выше управляющее напряжение Затвор-Исток. Все графики приведены в даташитах.

_________________
[ Всё дело не столько в вашей глупости, сколько в моей гениальности ] [ Правильно заданный вопрос содержит в себе половину ответа ]
Измерить нннада?


Вернуться наверх
 
Не в сети
 Заголовок сообщения: Управление MOSFET транзисторами
СообщениеДобавлено: Чт авг 01, 2013 10:11:09 
Первый раз сказал Мяу!

Зарегистрирован: Чт авг 01, 2013 09:51:59
Сообщений: 20
Рейтинг сообщения: 0
Всем привет.
Подскажите кто может у полевиков в даташите есть диаграмма называется "Maximum Safe Operating Area" в переводе "Максимально безопасная область", где показанна зависимость тока на стоке и напряжения на стоке-истоке от времени воздействия на затвор для отпирания транзистора.
Вопрос - насколько я понял максимальное время положительного напряжения на затворе, при коммутации напряжения 24В и тока 70А - 90 мксек (транзистор IRF3205 такая же картина и на транзисторе IRF3710) после чего мне необходимо его закрыть. Это получается я вообще не могу его открыть полностью и постоянно держать эти значения. Или я не прав?
Подскажите как правильно читать этот график.


Сюда перенес.

aen


Вложения:
irf3205.pdf [92.66 KiB]
Скачиваний: 674
Вернуться наверх
 
Эиком - электронные компоненты и радиодетали
Не в сети
 Заголовок сообщения: Re: Управление MOSFET транзисторами
СообщениеДобавлено: Чт авг 01, 2013 11:59:11 
Друг Кота
Аватар пользователя

Карма: 67
Рейтинг сообщений: 1065
Зарегистрирован: Чт сен 18, 2008 12:27:21
Сообщений: 19916
Откуда: Столица Мира Санкт-Петербург
Рейтинг сообщения: 0
Медали: 1
Получил миской по аватаре (1)
AlexP писал(а):
Это получается я вообще не могу его открыть полностью и постоянно держать эти значения. Или я не прав?

Когда вы его полностью откроете, на нём уже не будет 24 В :idea:

_________________
[ Всё дело не столько в вашей глупости, сколько в моей гениальности ] [ Правильно заданный вопрос содержит в себе половину ответа ]
Измерить нннада?


Вернуться наверх
 
Не в сети
 Заголовок сообщения: Re: Полевые транзисторы. Что есть IGBT, MOSFET итд
СообщениеДобавлено: Вт авг 27, 2013 23:01:56 
Потрогал лапой паяльник
Аватар пользователя

Зарегистрирован: Пт сен 03, 2010 19:29:56
Сообщений: 303
Откуда: Планета Земля
Рейтинг сообщения: 0
Здравствуйте! Хочу собрать ключ на транзисторе IRFP460, который будет управлять катушкой зажигания авто ЗАЗ(запорожец). Катушка 3,5 Ом, 6мГн.
Управляющий сигнал будет приходить с кулачка, то есть GND. Поэтому приходится добавлять еще один PNP транзистор BC557 и управлять им с помощью этого сигнала.
Подойдет ли такая задумка или может есть какое то более оригинальное решение? Не хочется ставить драйвер для такой простой схемы.


Вернуться наверх
 
Не в сети
 Заголовок сообщения: Re: Полевые транзисторы. Что есть IGBT, MOSFET итд
СообщениеДобавлено: Вт сен 10, 2013 11:27:33 
Открыл глаза

Зарегистрирован: Вс ноя 16, 2008 15:28:29
Сообщений: 53
Рейтинг сообщения: 0
Подскажите пожалуйста.
Есть транзистор irfp460. Вопрос - кокой номинал сопротивления нужно поставить в цепь базы этого транзистора, если источник питания +5В, а для базы, как я понял, допустимый максимум = 4 Вольта. Частота сигнала, которая будет поступать на базу (затвор) этого транзистора - от десятков Герц, до нескольких сотен КГц.
Описание транзистора: lib.chipdip.ru/222/DOC000222419.pdf


Вернуться наверх
 
Не в сети
 Заголовок сообщения: Re: Полевые транзисторы. Что есть IGBT, MOSFET итд
СообщениеДобавлено: Вт сен 10, 2013 11:34:34 
Друг Кота
Аватар пользователя

Карма: 67
Рейтинг сообщений: 1065
Зарегистрирован: Чт сен 18, 2008 12:27:21
Сообщений: 19916
Откуда: Столица Мира Санкт-Петербург
Рейтинг сообщения: 0
Медали: 1
Получил миской по аватаре (1)
-TNT- писал(а):
Подскажите пожалуйста.

Такие сообщения надо начинать словами "Не пинайте сильно, пожалуйста" :)))
База у баполярника, у полевого — затвор. Максимальное напряжение затвор-исток (З-И) у этого ±20 В.
4 В — это максимальное пороговое напряжение, при котором транзистор начинает открываться. При З-И 5 В ток еле-еле перевалит за 10 А.

_________________
[ Всё дело не столько в вашей глупости, сколько в моей гениальности ] [ Правильно заданный вопрос содержит в себе половину ответа ]
Измерить нннада?


Вернуться наверх
 
Не в сети
 Заголовок сообщения: Re: Полевые транзисторы. Что есть IGBT, MOSFET итд
СообщениеДобавлено: Вт сен 10, 2013 12:20:06 
Открыл глаза

Зарегистрирован: Вс ноя 16, 2008 15:28:29
Сообщений: 53
Рейтинг сообщения: 0
Gudd-Head писал(а):
База у баполярника, у полевого — затвор. Максимальное напряжение затвор-исток (З-И) у этого ±20 В.
4 В — это максимальное пороговое напряжение, при котором транзистор начинает открываться. При З-И 5 В ток еле-еле перевалит за 10 А.


Благодарю!
Но вот по поводу резистора, в начале этой темы было сказано, что он нужен для ограничения тока перезаряда затвора.

Барсик писал(а):
Max писал(а):
Или нужны какие-то ограничительные резисторы? Затвор описан как небольшой конденсатор, значит ограничительные резисторы будут тормозить переход?

К сожалению, мощные MOSFET транзисторы пока что невозможно изготовить с маленькой ёмкостью затвора. Обычно эта ёмкость составляет около тысячи пикофарад и даже больше.
Чтобы транзистор включился, эту ёмкость надо зарядить от нуля до нескольких вольт. (Или разрядить, чтобы выключился). Именно этим определяется быстродействие транзистора и отсюда же возникают соответствующие проблемы. Удастся зарядить эту ёмкость за 1 наносекунду - транзистор включится за наносекунду! Только фиг так получится - потребуется слишком большой ток! Резисторы в затвор ставятся как раз для ограничения тока перезаряда и конечно же они будут снижать быстродействие, но это лучше, чем сжечь каскад, который раскачивает транзисторы. Если частота переключения сотни герц, то резисторы не нужны. Ну а если десятки килогерц, то нужны обязательно.


- Вот как эту величину необходимого сопротивления определить?


Вернуться наверх
 
Не в сети
 Заголовок сообщения: Re: Полевые транзисторы. Что есть IGBT, MOSFET итд
СообщениеДобавлено: Вт сен 10, 2013 12:22:02 
Друг Кота
Аватар пользователя

Карма: 67
Рейтинг сообщений: 1065
Зарегистрирован: Чт сен 18, 2008 12:27:21
Сообщений: 19916
Откуда: Столица Мира Санкт-Петербург
Рейтинг сообщения: 0
Медали: 1
Получил миской по аватаре (1)
Всё зависит от того, кто будет перезаряжать затворную ёмкость.

_________________
[ Всё дело не столько в вашей глупости, сколько в моей гениальности ] [ Правильно заданный вопрос содержит в себе половину ответа ]
Измерить нннада?


Вернуться наверх
 
Не в сети
 Заголовок сообщения: Re: Полевые транзисторы. Что есть IGBT, MOSFET итд
СообщениеДобавлено: Вт сен 10, 2013 12:47:00 
Открыл глаза

Зарегистрирован: Вс ноя 16, 2008 15:28:29
Сообщений: 53
Рейтинг сообщения: 0
Gudd-Head писал(а):
Всё зависит от того, кто будет перезаряжать затворную ёмкость.

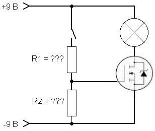
1) На деле, управляет "К561ИЕ8", напряжение питания и выхода (я так понимаю выход тоже 5 вольт) 5 Вольт.

2) Для понимания, ещё вопрос по такому варианту (см. в прикреплённом рисунке). Как задать ток в цепочке из двух резисторов (сколько ампер он должен составлять), и далее, как поделить общее сопротивление "R1" и "R2" так, что бы при замыкании кнопки транзистор отпирался, а при размыкании цепи кнопки транзистор возвращался в закрытое состояние. И ещё, не требуется ли третий резистор прям перед затвором транзистора?
Изображение


Вернуться наверх
 
Не в сети
 Заголовок сообщения: Re: Полевые транзисторы. Что есть IGBT, MOSFET итд
СообщениеДобавлено: Вт сен 10, 2013 13:21:28 
Друг Кота
Аватар пользователя

Карма: 67
Рейтинг сообщений: 1065
Зарегистрирован: Чт сен 18, 2008 12:27:21
Сообщений: 19916
Откуда: Столица Мира Санкт-Петербург
Рейтинг сообщения: 1
Медали: 1
Получил миской по аватаре (1)
-TNT- писал(а):
1) На деле, управляет "К561ИЕ8", напряжение питания и выхода (я так понимаю выход тоже 5 вольт) 5 Вольт.

Не силён в советской логике.
-TNT- писал(а):
2) Для понимания, ещё вопрос по такому варианту (см. в прикреплённом рисунке). Как задать ток в цепочке из двух резисторов (сколько ампер он должен составлять), и далее, как поделить общее сопротивление "R1" и "R2" так, что бы при замыкании кнопки транзистор отпирался, а при размыкании цепи кнопки транзистор возвращался в закрытое состояние. И ещё, не требуется ли третий резистор прям перед затвором транзистора?

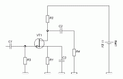
Всё зависит от частоты коммутации, мощности нагрузки (протекаемого тока) и макс. рассеиваемой мощности транзистора. Если не делать т.н. "драйвер для бедных" по аналогии с
Изображение
то по вашей схеме примерно R1 поставить 10 Ом, R2 10 кОм. R1 можно перенести в затвор. Тогда транзистор будет быстро открываться и медленно закрываться.

_________________
[ Всё дело не столько в вашей глупости, сколько в моей гениальности ] [ Правильно заданный вопрос содержит в себе половину ответа ]
Измерить нннада?


Вернуться наверх
 
Не в сети
 Заголовок сообщения: Re: Полевые транзисторы. Что есть IGBT, MOSFET итд
СообщениеДобавлено: Ср сен 25, 2013 13:26:31 
Встал на лапы
Аватар пользователя

Зарегистрирован: Пт май 24, 2013 16:36:57
Сообщений: 86
Откуда: Москва
Рейтинг сообщения: 0
Всем привет! Подскажите пожалуйста, как определить падение напряжения на участке "сток-исток" полевого транзитсора без ВАХ?
Вот например, я хочу, чтобы на нем падала половина напряжения питания, но как ему это объяснить? Как определить ток стока, при котором на "сток-исток" упадет именно половина напряжения?


Вернуться наверх
 
Не в сети
 Заголовок сообщения: Re: Полевые транзисторы. Что есть IGBT, MOSFET итд
СообщениеДобавлено: Сб сен 28, 2013 19:31:15 
Открыл глаза

Зарегистрирован: Вс ноя 16, 2008 15:28:29
Сообщений: 53
Рейтинг сообщения: 0
Gudd-Head писал(а):


Здравствуйте,
извините, если что, за вопросы такие,
могли бы помочь-подсказать: как выбрать правильный готовый драйвер для irfp460, сигнал на драйвер +/- (слаботочный, с советской полевой логики "К561"-серии - microshemca.ru/M.K561IE8/) . И можно ли на драйвер подавать сигнал не "двоичный" "плюс/минус" поочередно, а только импульсно плюс (как если бы контактным ключём цепь замыкали, в тот момент когда цепь замкнута драйвер открывал бы транзистор, а когда разомкнута - закрывал шустро). Благодарю.


Вернуться наверх
 
Не в сети
 Заголовок сообщения: Re: Полевые транзисторы. Что есть IGBT, MOSFET итд
СообщениеДобавлено: Пн окт 07, 2013 11:37:09 
Друг Кота
Аватар пользователя

Карма: 67
Рейтинг сообщений: 1065
Зарегистрирован: Чт сен 18, 2008 12:27:21
Сообщений: 19916
Откуда: Столица Мира Санкт-Петербург
Рейтинг сообщения: 0
Медали: 1
Получил миской по аватаре (1)
Богданов В.А. писал(а):
Подскажите пожалуйста, как определить падение напряжения на участке "сток-исток" полевого транзитсора без ВАХ?

Видимо, только опытным путём.
Богданов В.А. писал(а):
Вот например, я хочу, чтобы на нем падала половина напряжения питания, но как ему это объяснить?

С помощью обратной связи.
Богданов В.А. писал(а):
Как определить ток стока, при котором на "сток-исток" упадет именно половина напряжения?

Напряжение разделить на сопротивление открытого канала.

_________________
[ Всё дело не столько в вашей глупости, сколько в моей гениальности ] [ Правильно заданный вопрос содержит в себе половину ответа ]
Измерить нннада?


Вернуться наверх
 
Не в сети
 Заголовок сообщения: Re: Полевые транзисторы. Что есть IGBT, MOSFET итд
СообщениеДобавлено: Пн окт 07, 2013 21:31:15 
Встал на лапы
Аватар пользователя

Зарегистрирован: Пт май 24, 2013 16:36:57
Сообщений: 86
Откуда: Москва
Рейтинг сообщения: 0
Спасибо за точные ответы!


Вернуться наверх
 
Не в сети
 Заголовок сообщения: Re: Полевые транзисторы. Что есть IGBT, MOSFET итд
СообщениеДобавлено: Пн ноя 04, 2013 12:29:14 
Потрогал лапой паяльник
Аватар пользователя

Зарегистрирован: Пн июл 09, 2012 11:07:59
Сообщений: 389
Откуда: Ukraine
Рейтинг сообщения: 0
Подскажите что лучше брать для шима на мк, IRF или IRL? И нужно ли затвор на землю тянуть?

_________________
In me the WishMaster...
Изображение
Изображение


Вернуться наверх
 
Не в сети
 Заголовок сообщения: Полевые транзисторы или первые шаги в электронике
СообщениеДобавлено: Вт ноя 26, 2013 02:42:26 
Первый раз сказал Мяу!

Зарегистрирован: Вт июн 29, 2010 08:26:50
Сообщений: 22
Рейтинг сообщения: 5
Здравствуйте! Я электронщик самоучка, поэтому много не знаю, но стараюсь поднимать свой уровень знаний. Вот занялся полыми транзисторами и возникло куча вопросов на которые так и не нашел ответа, ниже попытаюсь более или менее понятно изложить свои мысли и сформулировать адекватные вопросы. Так же хочется, наконец, разобраться в буквенном обозначении различных параметров, поскольку в разных источниках нахожу разные варианты. Я вначале приведу свои, а вы уж поправьте, где не так.
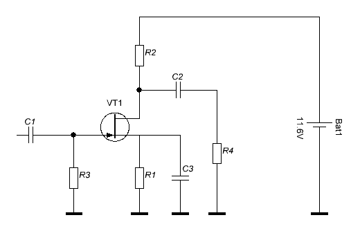
Начну с каскада с общим истоком на транзисторах с pn-переходом.
Изображение
Поскольку полевые транзисторы имеют значительный разброс параметров (особенно отечественные) сначала нужно взять транзистор и замерить на нем ток стока (Id0) при нулевом напряжении между затвором и истоком (Ugs=0), а так же измерить напряжение отсечки (Ugsoff), напряжение между истоком и затвором при котором ток стока близок к нулю. При этом напряжение между стоком и истоком транзистора должно быть таким же как и напряжение в будущей схеме, т.е. если на стоковый резистор по схеме будет подано 12 В, то и напряжение сток-исток при снятии Id0 и Ugsoff должно быть 12 В.

Вопрос №1. При измерении напряжения отсечки, на каком токе стока его фиксировать? В одной из статей встретил, что его достаточно уменьшить до 10 мкА.
Вопрос №2. Разброс параметров сильно ли влияет на повторяемость схемы?

Для снятия параметров нужно собрать вот такую схему
Изображение
Я взял транзистор КП303Ж и получил: Id0=1.86 mA
Ugsoff=1.094 V
Теперь по формуле Id=Id0*(1-Ugs/Ugsoff)^2 , строим график зависимости Id от Ugs (входную характеристику полевого транзистора)
Изображение
Если изменять напряжение на стоке транзистора, то при его увеличении входная характеристика будет перемещаться на графике влево, следовательно, будут возрастать Id0 и |Ugsoff|, а при уменьшении напряжения стока, входная характеристика переместиться вправо, Id0 и |Ugsoff| будут убывать

Теперь нужно выбрать рабочую точку транзистора

Вопрос №3. Как правильно выбирать рабочую точку?

Как я понял после конденсатора С1 осью сигнала поданного на затвор становится напряжение Ugs р.т., получается, выбирать нужно исходя из того, чтобы максимальная амплитуда входного напряжения (Uin) не превышало Ugs р.т..
Возьмем максимальную амплитуду входного напряжения 0,114В, а рабочую точку при Ugs р.т.=0.172В. Ток стока в рабочей точке Id р.т.=1,86*(1-0,172/1,094)^2=1.321 мА
Теперь рассчитаем ток стока при Ugs=0.058 B и Ugs=0.288 B, что будет соответствовать максимальному и минимальному входным напряжениям.
Idmax=1,86*(1-0,058/1,094)^2=1.668 мА
Idmin=1,86*(1-0,288/1,094)^2=1. 01 мА
Но если посчитать разности Idmax-Id р.т.=1.668-1.321=0.347 мА и Id р.т.-Idmin=1.321-1.01=0.311 мА, то получается, что они различны и одна полуволна будет больше другой. Причем если смещать рабочую точку влево, а амплитуду входного сигнала увеличивать, подобные искажения будут увеличиваться.


Последний раз редактировалось Gudd-Head Ср ноя 27, 2013 11:41:49, всего редактировалось 1 раз.
Сюда перенёс


Вернуться наверх
 
Не в сети
 Заголовок сообщения: Re: Полевые транзисторы или первые шаги в электронике
СообщениеДобавлено: Вт ноя 26, 2013 18:49:17 
Модератор
Аватар пользователя

Карма: 46
Рейтинг сообщений: 236
Зарегистрирован: Чт окт 27, 2005 18:50:07
Сообщений: 11169
Откуда: из мест не столь отдалённых
Рейтинг сообщения: 0
Медали: 2
Получил миской по аватаре (1) Мявтор 3-й степени (1)
Народ отмалчивается.
1). Напряжение отсечки брать такое, какое указано в справочных данных на этот транзистор. Для отчественных принято 10 мкА.
2). Разброс параметров компенсируется обратными связями- например, резистором в цепи истока. Поэтому, чем глубже ОС, тем меньше разброс параметров полученной схемы. Задача конструктора в том и состоит спроектировать схему так, чтобы в ней работали любые транзисторы, отвечающие ТУ на этот тип транзистора.
3). Ну Вы практически сами и ответили на свой вопрос. Если нужны минимальные искажения сигнала- то в начале характеристики, если максимальный размах усиленного сигнала- то ближе к середине.
Вы молодец, что постигаете основы самостоятельно, и пытаетесь докопаться до сути не только эмпирически, но с применением расчётов.


Вернуться наверх
 
Не в сети
 Заголовок сообщения: Re: Полевые транзисторы или первые шаги в электронике
СообщениеДобавлено: Ср ноя 27, 2013 11:08:11 
Первый раз сказал Мяу!

Зарегистрирован: Вт июн 29, 2010 08:26:50
Сообщений: 22
Рейтинг сообщения: 0
Цитата:
3). Ну Вы практически сами и ответили на свой вопрос. Если нужны минимальные искажения сигнала- то в начале характеристики, если максимальный размах усиленного сигнала- то ближе к середине.

Получается, что без искажений не обойтись, но как тогда строить усилитель? на сколько целесообразно допускать подобные искажения? возможен ли здесь класс А?


Вернуться наверх
 
Показать сообщения за:  Сортировать по:  Вернуться наверх
Начать новую тему Ответить на тему  [ Сообщений: 873 ]     ... , , , 6, , , ...  

Часовой пояс: UTC + 3 часа


Кто сейчас на форуме

Сейчас этот форум просматривают: нет зарегистрированных пользователей и гости: 31


Вы не можете начинать темы
Вы не можете отвечать на сообщения
Вы не можете редактировать свои сообщения
Вы не можете удалять свои сообщения
Вы не можете добавлять вложения

Найти:
Перейти:  


Powered by phpBB © 2000, 2002, 2005, 2007 phpBB Group
Русская поддержка phpBB
Extended by Karma MOD © 2007—2012 m157y
Extended by Topic Tags MOD © 2012 m157y