Например TDA7294

Форум РадиоКот • Просмотр темы - Реле задержки выключения вентилятора
Форум РадиоКот
Здесь можно немножко помяукать :)

Текущее время: Вс фев 15, 2026 15:33:17

Часовой пояс: UTC + 3 часа


ПРЯМО СЕЙЧАС:



Начать новую тему Ответить на тему  [ Сообщений: 25 ]  1,  
Автор Сообщение
Не в сети
 Заголовок сообщения: Реле задержки выключения вентилятора
СообщениеДобавлено: Ср окт 01, 2014 11:45:52 
Родился
Аватар пользователя

Зарегистрирован: Чт сен 05, 2013 21:23:31
Сообщений: 9
Рейтинг сообщения: 0
Приветствую всех котов :)) Помогите пожалуйста разобраться с очень полезной приблудой.
В санузле имеем принудительную вентиляцию включаемую и выключаемую собственнолапно... и это не очень удобно :( После вечерней помывки лап и хвоста, в помещении очень влажно, включаем вентилятор вытяжки, а выключать приходится через некоторое время(причём, чем прохладнее становится на улице, тем больше времени занимает сушка помещения). А доставать лапы из под одеяла и идти выключать вентилятор, когда уже согрелся и мурлычишь потихоньку, очень не хочется.
Нужен таймер задержки выключения...возможно вариативный(скажем от 10 до 30 минут с шагом 10)
Вот, что удалось найти на просторах: жмякать лапой
А вот теперь, чур не драться и шерсть не вырывать :? Я, скажем честно, профан в этих делах, но...в общих чертах понимаю и повторить готовую схему могу :?
Итак...
Вопросы:
1.Насколько работоспособна эта схема?
2.Как скоммутировать всё это хозяйство с вентилятором?(вентилятор 220В, 20Вт)
3.Какое реле используется в схеме?
Пока всё, но предвижу продолжение списка :?
Сильно уши мне рвите пожалуйста :)
Всем котам спасибо.


Вложения:
b5-134.png [8.19 KiB]
Скачиваний: 1926

_________________
Если не наделать глупостей в молодости, в старости не будет причин улыбаться


Последний раз редактировалось kot-koteyka Ср окт 01, 2014 18:02:53, всего редактировалось 1 раз.
Вернуться наверх
 
Не в сети
 Заголовок сообщения: Re: Реле задержки выключения вентилятора
СообщениеДобавлено: Ср окт 01, 2014 12:37:40 
Поставщик валерьянки для Кота
Аватар пользователя

Карма: -20
Рейтинг сообщений: 67
Зарегистрирован: Пн ноя 01, 2010 12:19:31
Сообщений: 2253
Откуда: Серпухов
Рейтинг сообщения: 0
1. да, 555 на-то и таймер, применение по назначению
2. через контакты реле, а как еще
3. любое 12 вольтовое реле способное коммутировать 220В, только схему для надежности запитать 12В, 9вольтовые реле есть но труднее найти.

_________________
Вот блин, опять в галерее картину малевича вверх ногами повесили.


Вернуться наверх
 
Не в сети
 Заголовок сообщения: Re: Реле задержки выключения вентилятора
СообщениеДобавлено: Ср окт 01, 2014 13:21:20 
Родился
Аватар пользователя

Зарегистрирован: Чт сен 05, 2013 21:23:31
Сообщений: 9
Рейтинг сообщения: 0
"Вот спасибо, хорошо... " :))
Из-за изменения по питанию номиналы компонентов менять не нужно?
И уж совсем постыдный вопрос :? Вывод с обозначением " ОП " это минус питания?
Боже котячий! Как стыдно :?

_________________
Если не наделать глупостей в молодости, в старости не будет причин улыбаться


Вернуться наверх
 
Не в сети
 Заголовок сообщения: Re: Реле задержки выключения вентилятора
СообщениеДобавлено: Ср окт 01, 2014 13:23:24 
Модератор
Аватар пользователя

Карма: 23
Рейтинг сообщений: 331
Зарегистрирован: Пт янв 11, 2013 19:19:26
Сообщений: 2117
Откуда: Санкт-Петербург
Рейтинг сообщения: 0
Медали: 1
Получил миской по аватаре (1)
Скорее всего ОП - общий провод, в данном случаи "- питания"

Номиналы в принципе нет, конденсатор полярный не менее чем на 25Вольт.

_________________
=========
Правила Форума ЗДЕСЬ _____ Правила раздела БАЗАР ЗДЕСЬ _____ Если вы продаете, прочтите ЗДЕСЬ

Редко появляюсь. Если вопрос не личного характера пользуйтесь кнопкой "!".


Вернуться наверх
 
Эиком - электронные компоненты и радиодетали
Не в сети
 Заголовок сообщения: Re: Реле задержки выключения вентилятора
СообщениеДобавлено: Ср окт 01, 2014 14:28:05 
Поставщик валерьянки для Кота
Аватар пользователя

Карма: -20
Рейтинг сообщений: 67
Зарегистрирован: Пн ноя 01, 2010 12:19:31
Сообщений: 2253
Откуда: Серпухов
Рейтинг сообщения: 0
Да, С2 как можно качественней, не какой нибудь К50-6 с древнего телевизора :) , из-за тока утечки.
http://radiokot.ru/articles/01/ продолжение http://radiokot.ru/articles/04/ Здесь почитайте.

_________________
Вот блин, опять в галерее картину малевича вверх ногами повесили.


Вернуться наверх
 
Не в сети
 Заголовок сообщения: Re: Реле задержки выключения вентилятора
СообщениеДобавлено: Ср окт 01, 2014 15:04:37 
Опытный кот

Карма: 4
Рейтинг сообщений: 81
Зарегистрирован: Пн апр 11, 2011 10:08:52
Сообщений: 844
Рейтинг сообщения: 0
Меня это вопрос тоже беспокоит, но буду делать зимой - меньше домашних забот...
Однозначно буду делать на каком-то мелком МК.
Будет кнопка и индикация (пару-тройку светодиодов или один маленький 7-сегментный индикатор).
Алгоритм такой: нажал на кнопку - выдержка 1мин, еще раз нажал - 5мин и т.д. Еще раз нажал - выкл. (или длительное нажатие на кнопку).
Может еще и к системе "Умного дома" подключу...


Вернуться наверх
 
Не в сети
 Заголовок сообщения: Re: Реле задержки выключения вентилятора
СообщениеДобавлено: Ср окт 01, 2014 17:57:06 
Родился
Аватар пользователя

Зарегистрирован: Чт сен 05, 2013 21:23:31
Сообщений: 9
Рейтинг сообщения: 0
Ну на МК конечно оно веселее и в размерах и в возможностях, но я ничего дельного пока не нашел кроме 555. Соберу на 555, а там может и на МК что-то попадётся :)

_________________
Если не наделать глупостей в молодости, в старости не будет причин улыбаться


Вернуться наверх
 
Не в сети
 Заголовок сообщения: Re: Реле задержки выключения вентилятора
СообщениеДобавлено: Ср окт 01, 2014 21:27:12 
Друг Кота
Аватар пользователя

Карма: 48
Рейтинг сообщений: 96
Зарегистрирован: Пн мар 22, 2010 11:01:14
Сообщений: 7529
Откуда: СССР, г. Москва.
Рейтинг сообщения: 0
kot-koteyka писал(а):

А это надежно будет работать? Суммарное сопротивление резисторов почти 40 МОм :shock:

_________________
Я рожден при социализме, и я этим горжусь!


Вернуться наверх
 
Не в сети
 Заголовок сообщения: Re: Реле задержки выключения вентилятора
СообщениеДобавлено: Чт окт 02, 2014 11:52:13 
Родился
Аватар пользователя

Зарегистрирован: Чт сен 05, 2013 21:23:31
Сообщений: 9
Рейтинг сообщения: 0
:dont_know: Дык сам хотел уточнить перед сборкой

_________________
Если не наделать глупостей в молодости, в старости не будет причин улыбаться


Вернуться наверх
 
Не в сети
 Заголовок сообщения: Re: Реле задержки выключения вентилятора
СообщениеДобавлено: Чт окт 02, 2014 14:44:51 
Поставщик валерьянки для Кота
Аватар пользователя

Карма: -20
Рейтинг сообщений: 67
Зарегистрирован: Пн ноя 01, 2010 12:19:31
Сообщений: 2253
Откуда: Серпухов
Рейтинг сообщения: 0
Программа 555 Timer Program, найдете ее легко, дает на пол-часа 220мкФ и 7,5МОм, только "гладко было на бумаге" точно только эксперементально.

_________________
Вот блин, опять в галерее картину малевича вверх ногами повесили.


Вернуться наверх
 
Не в сети
 Заголовок сообщения: Re: Реле задержки выключения вентилятора
СообщениеДобавлено: Чт окт 02, 2014 18:02:38 
Родился
Аватар пользователя

Зарегистрирован: Чт сен 05, 2013 21:23:31
Сообщений: 9
Рейтинг сообщения: 0
Спасибо огромное
Я понимаю, что теория это одно, а практика немного отличается. Вот поэтому и обратился за советом. ОГРОМНОЕ спасибо за подмогу.
Всем котам нескончаемых запасов мяса с валерьянкой :hunger:

_________________
Если не наделать глупостей в молодости, в старости не будет причин улыбаться


Вернуться наверх
 
Не в сети
 Заголовок сообщения: Re: Реле задержки выключения вентилятора
СообщениеДобавлено: Чт окт 02, 2014 18:18:34 
Электрический кот
Аватар пользователя

Карма: 20
Рейтинг сообщений: 94
Зарегистрирован: Пн ноя 21, 2011 16:45:00
Сообщений: 1038
Рейтинг сообщения: 0
Медали: 1
Получил миской по аватаре (1)
Сопротивления 7,5МОм в условиях повышенной влажности очень много , лучше его уменьшить хотя бы до одного мегаома , соответственно увеличив ёмкость конденсатора.

_________________
Невозможно починить то, что не сломалось.


Вернуться наверх
 
Не в сети
 Заголовок сообщения: Re: Реле задержки выключения вентилятора
СообщениеДобавлено: Чт окт 02, 2014 18:31:20 
Друг Кота
Аватар пользователя

Карма: 28
Рейтинг сообщений: 267
Зарегистрирован: Ср сен 27, 2006 16:18:57
Сообщений: 3459
Рейтинг сообщения: 0
Когда я был в студентах, а таймер 555 был бредом мировой буржуазии, то делал себе реле времени на двух реле и неоновой лампочке с конденсатором. С оксидным конденсатором 150 мкф и сопротивлением до 50 МОм удавалось выжать до 2 часов времени. Странно, что всё работало. Про утечки в оксидных конденсаторах не заморачивался.
Примерная схема во вложении. Реле K1 на 220 вольт переменного тока - МКУ-48. Реле K2 РЭС-9 вольт на 40 - 60. Паспорт не помню. Неоновая лампочка МН-3.


Вложения:
time-relay.gif [4.89 KiB]
Скачиваний: 1554
Вернуться наверх
 
Не в сети
 Заголовок сообщения: Re: Реле задержки выключения вентилятора
СообщениеДобавлено: Пт окт 03, 2014 12:41:03 
Поставщик валерьянки для Кота
Аватар пользователя

Карма: 21
Рейтинг сообщений: 267
Зарегистрирован: Вт ноя 03, 2009 21:02:38
Сообщений: 2052
Откуда: Москва
Рейтинг сообщения: 0
Приятель обращался ко мне с похожей задачей. Я предложил схему с процессором, кнопкой и оптосимистором на выходе.
Каждое нажатие кнопки добавляет 5 минут, долгое удержание - принудительное отключение. Я уже начал напаивать и продумывать программу, но вопрос решился самостоятельно, другим способом. Он нашел на помойке и разобрал микроволновку с механическим таймером, который был задействован по назначению, только колокольчик снял.


Вернуться наверх
 
Не в сети
 Заголовок сообщения: Re: Реле задержки выключения вентилятора
СообщениеДобавлено: Пт окт 03, 2014 13:36:39 
Электрический кот
Аватар пользователя

Карма: 19
Рейтинг сообщений: 154
Зарегистрирован: Ср мар 03, 2010 11:48:00
Сообщений: 1004
Откуда: Уфа
Рейтинг сообщения: 0
Зачем вам все это надо на 555 таймере?
Может проще купить готовое устройство: Таймер для санузлов "Гранит БЗТ-300" или его модификации?
Вроде дешево и надежно. В крайнем случае собрать по аналогичной схеме (в сети найти не сложно).
СпойлерТаймер для санузлов «Гранит БЗТ-300-СУ-Ф» предназначен для автоматического включения и выключения вытяжной вентиляции санузла. Таймер включает/выключает вентилятор через заданное время после включения/выключения света.

Таймер обнаруживает включение света встроенным фотоэлементом, поэтому пригоден для работы только в санузлах с искусственным освещением.

Преимущества этого прибора по сравнению с «Гранит БЗТ-300-СУ»:
более простое подключение;
более компактные размеры;
регулировка параметров:
чувствительности к свету;
времени от включения света до включения вентилятора;
времени от выключения света до выключения вентилятора

Ну на самый крайний случай, могу свое разобрать и попробовать срисовать схему...
З.Ы.
Долго вспоминал, где видел подобное, но через поиск находится быстро:
таймер - термометр


Вернуться наверх
 
Не в сети
 Заголовок сообщения: Re: Реле задержки выключения вентилятора
СообщениеДобавлено: Вс окт 05, 2014 16:37:36 
Родился
Аватар пользователя

Зарегистрирован: Чт сен 05, 2013 21:23:31
Сообщений: 9
Рейтинг сообщения: 0
Сначала, всем Спасибо за мысли и отзывы!
Я не настаиваю на 555, но из готовых схем, максимально подходящая под задачу, нашлась только такая... то ли я так искал, то ли луна была не в той фазе, но факт остаётся фактом. Вот поэтому и спросил об этой схеме.
По поводу готовых изделий... даже не знаю... не уверен, что это то, что требуется.
Во первых, привязка к осветительным приборам, то бишь, к свету. Это сразу НЕТ.
Во вторых... если устройство точно подпадает под условия и требования, то цена... от крыла самолёта, хоть и маленького, но всё же. Я лучше на сэкономленные средства куплю и посажу куст валерианы :roll: во дворе.
Ну и в третьих... как бы это странно ни было, но ...у меня лапы чешутся :solder: и я, с этим, ничего не могу поделать. И так всю жизнь, чешутся и чешутся :) Пока я это не сделаю, я не успокоюсь.

_________________
Если не наделать глупостей в молодости, в старости не будет причин улыбаться


Вернуться наверх
 
Не в сети
 Заголовок сообщения: Re: Реле задержки выключения вентилятора
СообщениеДобавлено: Вс окт 05, 2014 23:31:23 
Друг Кота
Аватар пользователя

Карма: 182
Рейтинг сообщений: 8337
Зарегистрирован: Пт фев 04, 2011 17:57:51
Сообщений: 20104
Откуда: Рыбинск
Рейтинг сообщения: 0
Медали: 1
Лучший человек Форума 2017 (1)
Для формирования задержки совсем не обязателен 555й таймер, можно сделать на счетчике-делителе с генератором , 4060 например или 176ИЕ5. Есть и специальная логическая мс для таких целей 4541. И можно получить задержку от секунд до нескольких суток при микроамперном потреблении.


Вернуться наверх
 
Не в сети
 Заголовок сообщения: Re: Реле задержки выключения вентилятора
СообщениеДобавлено: Пн сен 14, 2015 08:47:15 
Родился

Зарегистрирован: Пт сен 11, 2015 16:09:42
Сообщений: 4
Рейтинг сообщения: 0
Привет всем.

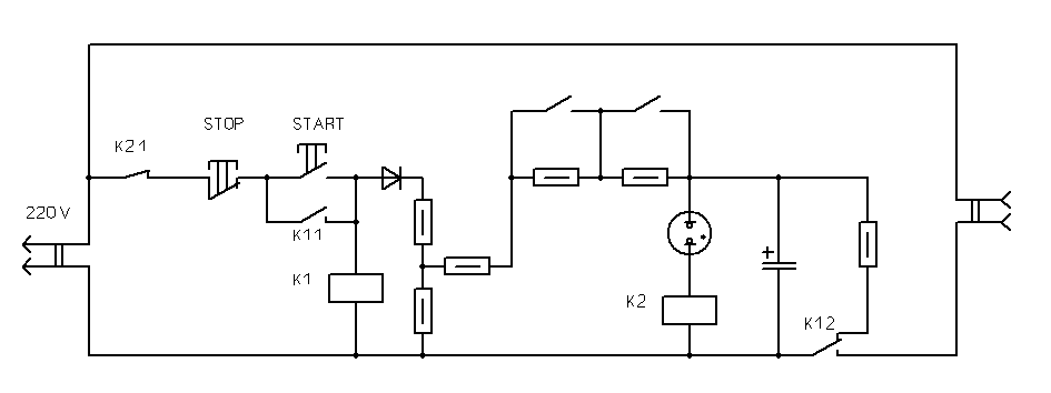
Я вот, не совсем поддерживаю предлагаемый всяческими производительями функционал для таймеров санузлов... по причине того, что когда ты включаешь свет и входишь в помещение - то тебе не нужна вытяжка через 30 секунд или более... иначе, пока ты находишься в санузле и работает вентилятор - то тебя обдувает холодным потоком, что совсем не комфортно. А уж если ты нежишься в ванной или моешься в душе в это время - так совсем не в кайф! Мне больше по душе такая схема - включил свет - вошел - и покамест ты делаешь там свои дела вентилятор "молчит". Как только закончил - вышел - выключил свет - вентилятор заработал и работает выставленное время, потом выключается. Но, если в момент, когда вентилятор еще работает и тебе нужно опять включить свет и войти (забыл смыть за собой :))) или другое), то привключении света вентилятор "глушится", и когда опять выключаешь всет - то вентилятор снова включается в работу (на полное выставленное время).
По этому поводу я себе сварганил незамысловатую схемку, собрал и чудно работает. Я доволен. Могу предложить всем, кого заинтересует.
Иллюстрации ниже...


Вложения:
Комментарий к файлу: сама схемка...
Vent-schematic.png [44.65 KiB]
Скачиваний: 1590
Комментарий к файлу: собственно печатка...
Vent-PCB.png [38.86 KiB]
Скачиваний: 1402
Vent-layout.png [62.59 KiB]
Скачиваний: 1358
Вернуться наверх
 
Не в сети
 Заголовок сообщения: Re: Реле задержки выключения вентилятора
СообщениеДобавлено: Пн сен 14, 2015 09:17:57 
Родился

Зарегистрирован: Пт сен 11, 2015 16:09:42
Сообщений: 4
Рейтинг сообщения: 0
кстати, это всё дело помещается в розеточную коробку, где выключатель монтируется, позади оного... ну и конечно же требует необходимой разводки дополнительными проводами (у меня новострой, так что нормуль).
И некоторые фотки готового девайса ниже...

Забыл добавить, что время работы вентилятора задается здесь цепочкой R6-C6, при указанных номиналах работает примерно 10-12 минут (зависит от компонентов), можно "поиграться" резистором R6, больше сопротивление - больше задержка. Это же касается и емкости C6, но я бы не советовал слишком увеличивать емкость, потому как данная схема будет работать не качественно (во всяком случае в ходе экспериментов я остановился именно на таких номиналах, как указано в схеме).


Вложения:
Комментарий к файлу: вид со стороны дорожек...
Сборка-низ.jpg [168.05 KiB]
Скачиваний: 1388
Комментарий к файлу: готовое устройство...
Сборка.jpg [238.79 KiB]
Скачиваний: 1495
Вернуться наверх
 
Не в сети
 Заголовок сообщения: Re: Реле задержки выключения вентилятора
СообщениеДобавлено: Пн сен 14, 2015 15:37:44 
Мучитель микросхем

Зарегистрирован: Пн июл 18, 2011 10:50:26
Сообщений: 409
Откуда: Москва
Рейтинг сообщения: 0
Медали: 1
Получил миской по аватаре (1)
А чем выставляется время работы вентилятора?


Вернуться наверх
 
Показать сообщения за:  Сортировать по:  Вернуться наверх
Начать новую тему Ответить на тему  [ Сообщений: 25 ]  1,  

Часовой пояс: UTC + 3 часа


Кто сейчас на форуме

Сейчас этот форум просматривают: нет зарегистрированных пользователей и гости: 34


Вы не можете начинать темы
Вы не можете отвечать на сообщения
Вы не можете редактировать свои сообщения
Вы не можете удалять свои сообщения
Вы не можете добавлять вложения

Найти:
Перейти:  


Powered by phpBB © 2000, 2002, 2005, 2007 phpBB Group
Русская поддержка phpBB
Extended by Karma MOD © 2007—2012 m157y
Extended by Topic Tags MOD © 2012 m157y