Например TDA7294

Форум РадиоКот • Просмотр темы - Не могу подцепить оптопару к ATtiny
Форум РадиоКот
Здесь можно немножко помяукать :)

Текущее время: Сб мар 07, 2026 12:49:58

Часовой пояс: UTC + 3 часа


ПРЯМО СЕЙЧАС:



Форум закрыт Эта тема закрыта, Вы не можете редактировать и оставлять сообщения в ней.  [ Сообщений: 14 ] 
Автор Сообщение
 Заголовок сообщения: Не могу подцепить оптопару к ATtiny
СообщениеДобавлено: Чт июл 12, 2012 11:54:06 
Мучитель микросхем
Аватар пользователя

Зарегистрирован: Пн дек 13, 2010 13:01:59
Сообщений: 458
Откуда: Украина
Рейтинг сообщения: 0
Всем привета.
Вот такой вот простенький вопрос, но почему-то не выходит,... помогите советом:
Нужно к Т-входу Timer/Counter микрухи ATtiny2313 подцепить оптопару от принтера.
В разрезе оптопары крутится реперный диск, контроллер должен считать обороты.
С прошивкой проблем особых нет. На время теста вместо оптопары повесил кнопочку, все работает, дошло дело до полевых испытаний и тут глюк.
Напрямую фотодиод оптопары, даже с подтягивающим резистором у меня не вышло.
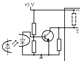
Подцепил вот такую схемку с "инвертором" на транзюке (КТ315) и резисторных делителях:
Изображение
Но тоже не работает. Когда в прорези оптопары "дырочка" реперного диска еще не полностью вошла (т.е. есть небольшой засвет диода) - на контакте микрухи вольтаж скачет и из-за этого контроллер с ума сходит.
В контроллер программно включен подтягивающий резак (на рисунке пунктиром) и программное подавление шумов.
Может кто подскажет более простую/стабильную схему подключения ИК-оптодиода ко входу контроллера и/или даст совет по уже имеющейся, буду благодарен.


Вложения:
cx1.png [4.16 KiB]
Скачиваний: 4547

_________________
мысли мысли штош вы вйотесь
над мойейу головойу
вы там мосга нинайдете
нед там мосга! йа тупойе (БОР)
Вернуться наверх
 
 Заголовок сообщения: Re: Не могу подцепить оптопару к ATtiny
СообщениеДобавлено: Чт июл 12, 2012 12:00:06 
Поставщик валерьянки для Кота
Аватар пользователя

Карма: 2
Рейтинг сообщений: 11
Зарегистрирован: Пт май 23, 2008 19:32:22
Сообщений: 2401
Откуда: Россия, Волгоград
Рейтинг сообщения: 0
Медали: 1
Получил миской по аватаре (1)
попробуй задействовать компаратор и поставь кондер на вход.

_________________
Чем дальше, тем больше становлюсь занудой...
Изображение


Вернуться наверх
 
 Заголовок сообщения: Re: Не могу подцепить оптопару к ATtiny
СообщениеДобавлено: Чт июл 12, 2012 13:57:38 
Друг Кота
Аватар пользователя

Карма: 9
Рейтинг сообщений: 96
Зарегистрирован: Пн июл 13, 2009 14:37:39
Сообщений: 3961
Откуда: Московская область, наукоград.....
Рейтинг сообщения: 0
А что творится на выходе оптопары?
Как включена цепь светодиода? Может он давно уже не живет на этом свете?
Лучше всего - приведите осциллограммы

_________________
Загружая на вход компьютера "мусор", на выходе получим "мусор^32".
PS. Не работаю с: Proteus, Multisim, EWB, Micro-Cap... не спрашивайте даже


Вернуться наверх
 
 Заголовок сообщения: Re: Не могу подцепить оптопару к ATtiny
СообщениеДобавлено: Чт июл 12, 2012 14:11:54 
Мучитель микросхем

Карма: 2
Рейтинг сообщений: 10
Зарегистрирован: Ср окт 19, 2011 08:48:27
Сообщений: 443
Откуда: Мать городов русских
Рейтинг сообщения: 0
DJ_Kiridza писал(а):
Напрямую фотодиод оптопары, даже с подтягивающим резистором у меня не вышло.

Земляк, фотодиод включается реверсно - анод на землю, катод - на резистор и с резистора на + питания.

_________________
Хорошему коту и в декабре - март :)


Вернуться наверх
 
Эиком - электронные компоненты и радиодетали
 Заголовок сообщения: Re: Не могу подцепить оптопару к ATtiny
СообщениеДобавлено: Чт июл 12, 2012 16:12:36 
Мучитель микросхем
Аватар пользователя

Зарегистрирован: Пн дек 13, 2010 13:01:59
Сообщений: 458
Откуда: Украина
Рейтинг сообщения: 0
2 Frogfot
Хм... может быть, - я то хочу подавать "управляющий минус", а вот "управляющий плюс"... может быть ...

2 Meteor
оптопара живая, проверял не раз. Светодиод оптопары включен через ограничивающий резак к 5 вольтам - все просто, как бубен. На выходе оптопары все тоже более-мение адекватно, проблема в чувствительности входа контроллера и кривизне характеристик транзюка - чтоб он работал как ключик, резисторным делителем приходится подгонять режим "на грани", только так выходит, что контроллер стабильно видит наличие/отсутсвие сигнала. Но вот в таком-то режиме и проявляются глюки при "частичном открытии" фотодиода (если можно так сказать)

2 GP1
Про компаратор тоже думал, но то крайний случай... а вот кондер на вход может быть весьма полезен...

_________________
мысли мысли штош вы вйотесь
над мойейу головойу
вы там мосга нинайдете
нед там мосга! йа тупойе (БОР)


Вернуться наверх
 
 Заголовок сообщения: Re: Не могу подцепить оптопару к ATtiny
СообщениеДобавлено: Чт июл 12, 2012 17:00:39 
Друг Кота
Аватар пользователя

Карма: 28
Рейтинг сообщений: 267
Зарегистрирован: Ср сен 27, 2006 16:18:57
Сообщений: 3459
Рейтинг сообщения: 0
DJ_Kiridza писал(а):
...оптопару от принтера... подключения ИК-оптодиода ко входу контроллера...
Что за оптопара? От какого принтера? На ней какая-нибудь маркировка есть? Вы уверены, что там на выходе именно фотодиод, а не фототранзистор?


Вернуться наверх
 
 Заголовок сообщения: Re: Не могу подцепить оптопару к ATtiny
СообщениеДобавлено: Чт июл 12, 2012 17:45:02 
Мучитель микросхем

Карма: 2
Рейтинг сообщений: 10
Зарегистрирован: Ср окт 19, 2011 08:48:27
Сообщений: 443
Откуда: Мать городов русских
Рейтинг сообщения: 0
DJ_Kiridza писал(а):
2 Frogfot
Хм... может быть, - я то хочу подавать "управляющий минус", а вот "управляющий плюс"... может быть ...

Попроб включить с + резюк от 100 кило до 1 метра, и фотодиод инверсно на опсчий, контроллер должон ловить.

Пасмари даташыт на 6N137 - как фкльучьон фотадиод.

_________________
Хорошему коту и в декабре - март :)


Вернуться наверх
 
 Заголовок сообщения: Re: Не могу подцепить оптопару к ATtiny
СообщениеДобавлено: Чт июл 12, 2012 21:59:45 
Мучитель микросхем
Аватар пользователя

Зарегистрирован: Пн дек 13, 2010 13:01:59
Сообщений: 458
Откуда: Украина
Рейтинг сообщения: 0
2 Барсик
Оптопар есть несколько, от разных принтеров. То, что там не транзюк - легко определяется прозвонкой в "закрытом" состоянии, и при "засветке" ИК-диодом.

2 Frogfot
За совет пасиб, но проверить смогу не раньше чем завтра вечером, по возможности отпишусь. Я пробовал ф.диод на минус, с подтягтвающим резаком на 500 кило, не пошло - не хватает току в открытом состоянии, чтоб "продавить" внуренний подтягивающий резак, - контроллер его не ловил.

_________________
мысли мысли штош вы вйотесь
над мойейу головойу
вы там мосга нинайдете
нед там мосга! йа тупойе (БОР)


Вернуться наверх
 
 Заголовок сообщения: Re: Не могу подцепить оптопару к ATtiny
СообщениеДобавлено: Пт июл 13, 2012 06:56:10 
Друг Кота
Аватар пользователя

Карма: 96
Рейтинг сообщений: 1505
Зарегистрирован: Вт мар 16, 2010 22:02:27
Сообщений: 15500
Откуда: ДОНЕЦК
Рейтинг сообщения: 0
...
светодиод оптрона с открытым оптическим каналом такие же характеристики имеет как и любой другой
выходной фотодиод ... предпочтительно на вход чего-то подобного 561тл1 подавать - у простейшего усилителя скорее всего быстродействие ни в ж... и на выходе чего-то похожее на синусоиду вместо импульсов лезет :)
да и в инете даташиты на такие оптронвы частенько попадаются посмотри на сайте у Kingbright
http://www.kingbright.com/


Вернуться наверх
 
 Заголовок сообщения: Re: Не могу подцепить оптопару к ATtiny
СообщениеДобавлено: Пт июл 13, 2012 07:03:08 
Поставщик валерьянки для Кота
Аватар пользователя

Карма: 2
Рейтинг сообщений: 11
Зарегистрирован: Пт май 23, 2008 19:32:22
Сообщений: 2401
Откуда: Россия, Волгоград
Рейтинг сообщения: 0
Медали: 1
Получил миской по аватаре (1)
BOB51 писал(а):
... предпочтительно на вход чего-то подобного 561тл1 подавать

у АВРок на входе стоит триггер Шмитта, так что внешняя 561ТЛ1 лишняя

_________________
Чем дальше, тем больше становлюсь занудой...
Изображение


Вернуться наверх
 
 Заголовок сообщения: Re: Не могу подцепить оптопару к ATtiny
СообщениеДобавлено: Пт июл 13, 2012 10:26:30 
Мучитель микросхем

Карма: 2
Рейтинг сообщений: 10
Зарегистрирован: Ср окт 19, 2011 08:48:27
Сообщений: 443
Откуда: Мать городов русских
Рейтинг сообщения: 0
DJ_Kiridza писал(а):
2 Frogfotне хватает току в открытом состоянии, чтоб "продавить" внуренний подтягивающий резак, - контроллер его не ловил.


Внутренние одтяжки отключи - там кажысь 47 кОм - для фотодиода нуна более высокоомные номиналы. Я кажысь подбирал - 300 - 700 кОм - для ИК диода. Лучше поставь постоянный 100-200 кОм и переменник на 1 МОм - подбери.

_________________
Хорошему коту и в декабре - март :)


Вернуться наверх
 
 Заголовок сообщения: Re: Не могу подцепить оптопару к ATtiny
СообщениеДобавлено: Пт июл 13, 2012 15:58:14 
Друг Кота
Аватар пользователя

Карма: 28
Рейтинг сообщений: 267
Зарегистрирован: Ср сен 27, 2006 16:18:57
Сообщений: 3459
Рейтинг сообщения: 0
DJ_Kiridza писал(а):
То, что там не транзюк - легко определяется прозвонкой в "закрытом" состоянии, и при "засветке" ИК-диодом.
Только что взял наугад оптопару с открытым оптическим каналом от какого-то струйника. Там таки фототранзистор. Звонил тестером Ц4352 на пределе кОм х 1. Светодиод найти легко - в одну сторону звонится, в другую - нет. Фототразистор не звонится в обе стороны. Подал ток на светодиод. Транзистор стал звониться, когда на коллекторе плюс.
Мне ни разу не попадались аналогичные оптопары с фотодиодами. Может быть мне просто не везёт?


Вернуться наверх
 
 Заголовок сообщения: Re: Не могу подцепить оптопару к ATtiny
СообщениеДобавлено: Ср июл 18, 2012 12:05:06 
Мучитель микросхем
Аватар пользователя

Зарегистрирован: Пн дек 13, 2010 13:01:59
Сообщений: 458
Откуда: Украина
Рейтинг сообщения: 0
2 Барсик
Дело в том, что фотодиод будет вести себя почти так-же, как и транзюк, хотя если сделать пару доп. измреений, то диод можно отличить, но это мелочи, да и времени как-то нет сейчас, еле нашел время написать ответ.

В свете сказанного выше, допустим что в оптопаре не диод, а транзистор.

2 Frogfot
Все так и есть - повесил одну ногу на плюс вместо минуса и заработало.

2 All
Сразу прошу прощения за задержку с ответом - навалилось все как-то.
Действительно, кога подключил оптопару "другой ногой" к плюсу, то заработало намного стабильнее.
В итоге у меня вышло две схемы подключения.
Первая с транзюком (КТ315)
Изображение
Из цепи коллектора транзюка убрал "второй" резистор (ранее образующий резисторный делитель с включенным в контроллере подтягивающим) - он оказался не нужным. Резисторный делитель в цепи базы подбирал переменными (на корпусах написано 15К, но по измерениям 18 К), забыл замерить какой-сколько после подбора значения ползунками, на глаз - один резак 7-9К , второй в области 12-14 К, только какой из них какой...
В общем, эта схема мне показась сложной и не совсем нужной, по этому собрал другую, которую немного подглядел в другом аналогичном проекте:

Изображение
Тут все просто, как бубен - оптопара на плюс, подтягивающий резак на минус (резак подбирал переменником, после нахождения удовлетворительных результатов замер дал 30К). При этом подтягивающий резистор в контроллере отключил.

В обоих схемах ставил на вход контроллера кондёр, но результат только ухудшался, пробовал разные номиналы, начиная с 0,1 мкФ и ниже, толи так тыкал, толи не попал... пока работает без кондёра.


Вложения:
cx3.png [3.57 KiB]
Скачиваний: 4910
cx2.png [4.15 KiB]
Скачиваний: 4915

_________________
мысли мысли штош вы вйотесь
над мойейу головойу
вы там мосга нинайдете
нед там мосга! йа тупойе (БОР)
Вернуться наверх
 
 Заголовок сообщения: Re: Не могу подцепить оптопару к ATtiny
СообщениеДобавлено: Пн июл 23, 2012 11:20:17 
Мучитель микросхем
Аватар пользователя

Зарегистрирован: Пн дек 13, 2010 13:01:59
Сообщений: 458
Откуда: Украина
Рейтинг сообщения: 0
Еще пару новостей с фронта войны с оптопарами, вдруг кому пригодится.
Перебирал дома оптопары, оказалось что по последней опубликованной мню схеме работает только одна (!) оптопара, остальные разведены на минус с подтягивающим резистором к плюсу (заводская разводка на плате, резак внешний).
Выглядит это так:
Изображение
При этом внутренний подтягивающий резистор отключен. Согласно документации к атиньке (если я правильно понял), внутри может стоять резак от 20К до 50К (стр. 177 офф. док №2543 на ATtiny2313). По этому внутренний резак может как удовлетворить требованиям, так и не соответствовать, тут нужно пробовать с каждой отдельной микрухой и каждой конкретной оптопарой.

При такой схеме подключения у меня атинька намного стабильнее "видит" сигнал, пропали паразитные скачки при частичном открытии оптопары.


Вложения:
cx4.png [3.26 KiB]
Скачиваний: 4896

_________________
мысли мысли штош вы вйотесь
над мойейу головойу
вы там мосга нинайдете
нед там мосга! йа тупойе (БОР)
Вернуться наверх
 
Показать сообщения за:  Сортировать по:  Вернуться наверх
Форум закрыт Эта тема закрыта, Вы не можете редактировать и оставлять сообщения в ней.  [ Сообщений: 14 ] 

Часовой пояс: UTC + 3 часа


Вы не можете начинать темы
Вы не можете отвечать на сообщения
Вы не можете редактировать свои сообщения
Вы не можете удалять свои сообщения
Вы не можете добавлять вложения

Найти:
Перейти:  


Powered by phpBB © 2000, 2002, 2005, 2007 phpBB Group
Русская поддержка phpBB
Extended by Karma MOD © 2007—2012 m157y
Extended by Topic Tags MOD © 2012 m157y