Например TDA7294

Форум РадиоКот • Просмотр темы - Формирование задержки.
Форум РадиоКот
Здесь можно немножко помяукать :)

Текущее время: Пн дек 22, 2025 18:14:13

Часовой пояс: UTC + 3 часа


ПРЯМО СЕЙЧАС:



Форум закрыт Эта тема закрыта, Вы не можете редактировать и оставлять сообщения в ней.  [ Сообщений: 11 ] 
Автор Сообщение
Не в сети
 Заголовок сообщения: Формирование задержки.
СообщениеДобавлено: Вт янв 11, 2011 18:08:18 
Сверлит текстолит когтями
Аватар пользователя

Карма: 4
Рейтинг сообщений: 10
Зарегистрирован: Пт фев 16, 2007 14:18:20
Сообщений: 1132
Откуда: Новосибирск
Рейтинг сообщения: 0
Всем привет! Как реализовать программно задержку между переключениями плеч IGBT транзисторов что бы исключить сквозной ток? Использую ШИМ все 6 каналов. Или аппаратно... поставить RC цепочку на выходе мк?
C8051F410 .

_________________
Теория — это когда все известно, но ничего не работает. Практика — это когда все работает, но никто не знает почему. Мы же объединяем теорию и практику: ничего не работает… и никто не знает почему!
© Альберт Эйнштейн


Вернуться наверх
 
Не в сети
 Заголовок сообщения: Re: Формирование задержки.
СообщениеДобавлено: Вт янв 11, 2011 18:42:59 
Сверлит текстолит когтями
Аватар пользователя

Зарегистрирован: Сб июл 11, 2009 18:42:21
Сообщений: 1135
Откуда: Украина, г.Николаев
Рейтинг сообщения: 0
схему в студию :)

_________________
Успех - императив!


Вернуться наверх
 
Не в сети
 Заголовок сообщения: Re: Формирование задержки.
СообщениеДобавлено: Вт янв 11, 2011 18:55:10 
Сверлит текстолит когтями
Аватар пользователя

Карма: 4
Рейтинг сообщений: 10
Зарегистрирован: Пт фев 16, 2007 14:18:20
Сообщений: 1132
Откуда: Новосибирск
Рейтинг сообщения: 0
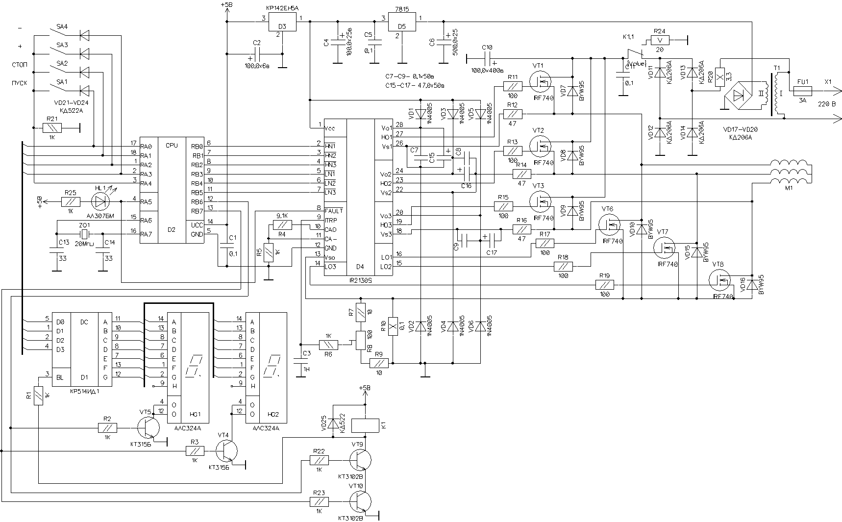
так. Схема в голове,но вот подобная... ну мк+драйвер - такая же как и у меня. Остальное не важно.
схема взята от сюда http://www.radio-konst.narod.ru/


Вложения:
Комментарий к файлу: схема
ris2.gif [45.34 KiB]
Скачиваний: 550

_________________
Теория — это когда все известно, но ничего не работает. Практика — это когда все работает, но никто не знает почему. Мы же объединяем теорию и практику: ничего не работает… и никто не знает почему!
© Альберт Эйнштейн
Вернуться наверх
 
Не в сети
 Заголовок сообщения: Re: Формирование задержки.
СообщениеДобавлено: Вт янв 11, 2011 22:14:19 
Сверлит текстолит когтями
Аватар пользователя

Зарегистрирован: Сб июл 11, 2009 18:42:21
Сообщений: 1135
Откуда: Украина, г.Николаев
Рейтинг сообщения: 0
Chip115
Цитата:
Как реализовать программно задержку между переключениями плеч IGBT транзисторов что бы исключить сквозной ток?

Сперва разбиваем один оборот двигателя на 6 частей. В каждой из них смотрим какие плечи инвертора работают. Прикрепляю файлик с примером. А дальше алгоритм простой(в прерывании таймера по переполн.):
1. определить номер полупериода (и какие ключи открыты а какие закрыты)
2. взять из таблички значение скорости
3. перезапустить таймер

Вот так получается программный фазовый сдвиг. Для 3-ф движка постоянного тока у меня так всё работает. Попозже код выложу. Проверить как оно лучше сперва в протеусе. Подключить там осциллограф и посмотреть фазовый сдвиг.


Вложения:
табличка.rar [26.67 KiB]
Скачиваний: 166

_________________
Успех - императив!
Вернуться наверх
 
Эиком - электронные компоненты и радиодетали
Не в сети
 Заголовок сообщения: Re: Формирование задержки.
СообщениеДобавлено: Ср янв 12, 2011 05:09:55 
Сверлит текстолит когтями
Аватар пользователя

Карма: 4
Рейтинг сообщений: 10
Зарегистрирован: Пт фев 16, 2007 14:18:20
Сообщений: 1132
Откуда: Новосибирск
Рейтинг сообщения: 0
Roman Venom писал(а):
Вот так получается программный фазовый сдвиг..

Фазовый сдвиг в 120 гр. у меня есть. Проблема в том что у меня в один момент времени,например на фазе А, открыты два плеча ... и получается кз.

_________________
Теория — это когда все известно, но ничего не работает. Практика — это когда все работает, но никто не знает почему. Мы же объединяем теорию и практику: ничего не работает… и никто не знает почему!
© Альберт Эйнштейн


Вернуться наверх
 
Не в сети
 Заголовок сообщения: Re: Формирование задержки.
СообщениеДобавлено: Ср янв 12, 2011 17:18:47 
Сверлит текстолит когтями
Аватар пользователя

Зарегистрирован: Сб июл 11, 2009 18:42:21
Сообщений: 1135
Откуда: Украина, г.Николаев
Рейтинг сообщения: 0
Chip115
Цитата:
Фазовый сдвиг в 120 гр. у меня есть. Проблема в том что у меня в один момент времени,например на фазе А, открыты два плеча ... и получается кз.

Если одновременно открыто 2 транзистора верхнего плеча - то у вас ошибка программы. Такого быть не может. Если сквозной ток имеет место кратковременно при переключении фаз, то это нормально.

П.С. схема инвертора так нарисована что приходится искать выход из лабиринта :))

_________________
Успех - императив!


Вернуться наверх
 
Не в сети
 Заголовок сообщения: Re: Формирование задержки.
СообщениеДобавлено: Ср янв 12, 2011 17:28:53 
Сверлит текстолит когтями
Аватар пользователя

Карма: 4
Рейтинг сообщений: 10
Зарегистрирован: Пт фев 16, 2007 14:18:20
Сообщений: 1132
Откуда: Новосибирск
Рейтинг сообщения: 0
Открыты два транзистора одного плеча... т.е и верхний и нижний...
А почему это нормально? такого же не должно быть. кз в цепи получается
вот такой смысл схемы


Вложения:
Снимок.PNG [36.72 KiB]
Скачиваний: 287

_________________
Теория — это когда все известно, но ничего не работает. Практика — это когда все работает, но никто не знает почему. Мы же объединяем теорию и практику: ничего не работает… и никто не знает почему!
© Альберт Эйнштейн
Вернуться наверх
 
Не в сети
 Заголовок сообщения: Re: Формирование задержки.
СообщениеДобавлено: Ср янв 12, 2011 17:54:02 
Друг Кота
Аватар пользователя

Карма: 9
Рейтинг сообщений: 96
Зарегистрирован: Пн июл 13, 2009 14:37:39
Сообщений: 3961
Откуда: Московская область, наукоград.....
Рейтинг сообщения: 0
Не должны быть открыты верхний и нижний ключи.
Как вариант, может кроме сдвига периодов, еще и длительность активной части сделать меньше половины?

_________________
Загружая на вход компьютера "мусор", на выходе получим "мусор^32".
PS. Не работаю с: Proteus, Multisim, EWB, Micro-Cap... не спрашивайте даже


Вернуться наверх
 
Не в сети
 Заголовок сообщения: Re: Формирование задержки.
СообщениеДобавлено: Ср янв 12, 2011 20:03:02 
Сверлит текстолит когтями
Аватар пользователя

Зарегистрирован: Сб июл 11, 2009 18:42:21
Сообщений: 1135
Откуда: Украина, г.Николаев
Рейтинг сообщения: 0
Meteor
Цитата:

Как вариант, может кроме сдвига периодов, еще и длительность активной части сделать меньше половины?

Прикрепляю как оно работает в протеусе. Как видно тут коэффициент заполнения 100%. Сквозного тока не видно, ибо всё же программа последовательно работает. Однако я это паять собираюсь... Поэтому тоже заинтересовало как уменьшить/убрать сквозные токи. Желательно схемотехнически, программу не хочу трогать.

Цитата:
Не должны быть открыты верхний и нижний ключи.

Одной фазы - не должны.


Вложения:
управление 3-ф ШИМом.JPG [147.26 KiB]
Скачиваний: 601

_________________
Успех - императив!
Вернуться наверх
 
Не в сети
 Заголовок сообщения: Re: Формирование задержки.
СообщениеДобавлено: Ср янв 12, 2011 21:33:39 
Друг Кота
Аватар пользователя

Карма: 9
Рейтинг сообщений: 96
Зарегистрирован: Пн июл 13, 2009 14:37:39
Сообщений: 3961
Откуда: Московская область, наукоград.....
Рейтинг сообщения: 0
А по мне лучше управлять верхним и нижним ключами (в каждой фазе) импульсами с коэффициентом заполнения 0,46 и сдвинутыми относительно друг друга на 2 %. Тогда в фазе не будут перекрываться сигналы открытия транзисторов. Это если верхние и нижние транзисторы с одинаковыми каналами.
Между фазами сдвиг классический 120 гр.

_________________
Загружая на вход компьютера "мусор", на выходе получим "мусор^32".
PS. Не работаю с: Proteus, Multisim, EWB, Micro-Cap... не спрашивайте даже


Последний раз редактировалось Meteor Чт янв 13, 2011 12:21:49, всего редактировалось 1 раз.

Вернуться наверх
 
Не в сети
 Заголовок сообщения: Re: Формирование задержки.
СообщениеДобавлено: Чт янв 13, 2011 01:43:50 
Сверлит текстолит когтями
Аватар пользователя

Зарегистрирован: Сб июл 11, 2009 18:42:21
Сообщений: 1135
Откуда: Украина, г.Николаев
Рейтинг сообщения: 0
Meteor
Цитата:
А по мне лучше управлять верхним и нижним ключами ( каждой фазе) импульсами с коэффициентом заполнения 0,46

Было в планах такое (регулятор мощности), но думаю сперва сделаю просто ШИМ-регулирование.

Цитата:
сдвинутыми относительно друг друга на 2 %

завтра попробую.

_________________
Успех - императив!


Вернуться наверх
 
Показать сообщения за:  Сортировать по:  Вернуться наверх
Форум закрыт Эта тема закрыта, Вы не можете редактировать и оставлять сообщения в ней.  [ Сообщений: 11 ] 

Часовой пояс: UTC + 3 часа


Кто сейчас на форуме

Сейчас этот форум просматривают: нет зарегистрированных пользователей и гости: 12


Вы не можете начинать темы
Вы не можете отвечать на сообщения
Вы не можете редактировать свои сообщения
Вы не можете удалять свои сообщения
Вы не можете добавлять вложения

Найти:
Перейти:  


Powered by phpBB © 2000, 2002, 2005, 2007 phpBB Group
Русская поддержка phpBB
Extended by Karma MOD © 2007—2012 m157y
Extended by Topic Tags MOD © 2012 m157y