Например TDA7294

Форум РадиоКот • Просмотр темы - триггер
Форум РадиоКот
Здесь можно немножко помяукать :)

Текущее время: Чт мар 05, 2026 01:58:45

Часовой пояс: UTC + 3 часа


ПРЯМО СЕЙЧАС:



Начать новую тему Ответить на тему  [ Сообщений: 5 ] 
Автор Сообщение
 Заголовок сообщения: триггер
СообщениеДобавлено: Вт июн 17, 2008 12:22:24 
Родился

Зарегистрирован: Вт июн 17, 2008 08:39:47
Сообщений: 3
Откуда: г новоалександровск
Рейтинг сообщения: 0
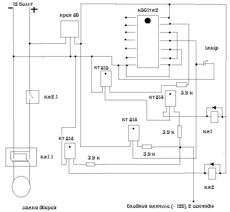
люди я имею в наличие радиоканальную тревожную кнопку охранной сигнализации принцип такой есть брелок и есть приемник на брелке кнопочку нажал на приемнике релюшечка разомкнулась (или замкнулась) короче импульс размыкания (или замыкания) 3 секунды я захотел поставить эту хрень на открывание дверей в авто. собрал схему на 561тм2 и при каждом нажатии все номано работаетна соленоиды дверей при открытии и закрытии полярность меняется. но стоит завести машину и проехать дцать км как схема начинает сбоить.. я уже и крен поставил на вход и кондер на 0,2 мкф один хрен, ну вот я и решил попросить дайте ктонить схему дубового простого триггера на двух транзисторах и пару тройку кондеров резисторов чтоб такой чайник как я собрать смог... для тех кто не знает бортовое напряжение авто 12 в...


Вложения:
Комментарий к файлу: с кондером на 1 мкф работает более устойчиво но не стабильно
оно2.GIF [26.31 KiB]
Скачиваний: 595


Последний раз редактировалось желтый Пт июн 20, 2008 10:43:04, всего редактировалось 1 раз.
Вернуться наверх
 
 Заголовок сообщения:
СообщениеДобавлено: Вт июн 17, 2008 17:44:26 
Модератор
Аватар пользователя

Карма: 16
Рейтинг сообщений: 14
Зарегистрирован: Вс июн 01, 2008 00:17:35
Сообщений: 4673
Откуда: Я всего лишь плод вашего воображения...
Рейтинг сообщения: 0
Медали: 1
Получил миской по аватаре (1)
Не думаю, что триггер на транзе будет много эффективнее и дубовее. Дело тут в чем-то другом. Можно схему глянуть?

_________________
Знание - сила!


Вернуться наверх
 
 Заголовок сообщения:
СообщениеДобавлено: Чт июн 19, 2008 11:39:01 
Потрогал лапой паяльник

Зарегистрирован: Вт янв 08, 2008 12:13:14
Сообщений: 346
Рейтинг сообщения: 0
триггеры на собраной вами микросхемы меня тоже порядком задолбали, они переключаются сами по себе ввиду ослабления помехоустойчивости.


Вернуться наверх
 
 Заголовок сообщения:
СообщениеДобавлено: Чт июн 19, 2008 20:44:37 
Админ
Аватар пользователя

Карма: 109
Рейтинг сообщений: 458
Зарегистрирован: Вт авг 23, 2005 15:23:25
Сообщений: 10815
Откуда: Москва
Рейтинг сообщения: 0
Медали: 1
Получил миской по аватаре (1)
Схемку продемонстрируйте, пожалста, по которой Вы собирали указанное устройство.

_________________
А вот футболки кому? Кружки, значки!
Мысли Пачкают Мозги


Вернуться наверх
 
Эиком - электронные компоненты и радиодетали
 Заголовок сообщения:
СообщениеДобавлено: Пт июн 20, 2008 05:13:37 
Встал на лапы

Карма: -1
Рейтинг сообщений: -1
Зарегистрирован: Вт апр 17, 2007 15:24:47
Сообщений: 119
Откуда: Новосиб
Рейтинг сообщения: 0
возможно сбоит не триггер, а приёмник изза наводок от свечей зажигания. Попробуй на вход триггера поставить фильтр (где-то обсуждалось с названием "дребезг контактов" или чтото подобное)

_________________
Всё просто как самогонный аппарат


Вернуться наверх
 
Показать сообщения за:  Сортировать по:  Вернуться наверх
Начать новую тему Ответить на тему  [ Сообщений: 5 ] 

Часовой пояс: UTC + 3 часа


Вы не можете начинать темы
Вы не можете отвечать на сообщения
Вы не можете редактировать свои сообщения
Вы не можете удалять свои сообщения
Вы не можете добавлять вложения

Найти:
Перейти:  


Powered by phpBB © 2000, 2002, 2005, 2007 phpBB Group
Русская поддержка phpBB
Extended by Karma MOD © 2007—2012 m157y
Extended by Topic Tags MOD © 2012 m157y