Например TDA7294

Форум РадиоКот • Просмотр темы - Макет инвертирующий.
Форум РадиоКот
Здесь можно немножко помяукать :)

Текущее время: Вт фев 10, 2026 13:28:08

Часовой пояс: UTC + 3 часа


ПРЯМО СЕЙЧАС:



Начать новую тему Ответить на тему  [ Сообщений: 30 ]  1,  
Автор Сообщение
Не в сети
 Заголовок сообщения: Макет инвертирующий.
СообщениеДобавлено: Сб янв 05, 2008 02:01:17 
Родился

Зарегистрирован: Сб янв 05, 2008 01:10:19
Сообщений: 18
Рейтинг сообщения: 0
Прошу совета будет эта штука работать или нет. Если не будет, то как сделать чтобы заработала.
Это должен быть макет для лабораторок. Смысл в том, чтобы сравнить фронты у инвертированных сигналв через бп транзистор и через кмоп. И возможно если найдем двухлучевой осциллограф, то ещё отставание выходного импульса от входного.
Пытался расчитать каскад на бп транзисторе, но ничего у меня не вышло, соответственно обвязка каскада содрана из Хила и Хоровца, трвнзистор взял самый популярный 2sc945(кт3102д). Смущает что у Х&Х питание на каскад подается 20в, а у меня только 12. Будет он работать или нет?
S3 это галетник, который переключает нагрузки.
И ещё вопрос про диод - он не сгорит? расчитан он по идее на 2вольта и 20мА, я расчитал так: (12в-1,5в)/0,01=1050ом=1ком. те взял с запасом 1,5вольта, а не 2 и рекомендованные 10мА. Правильно?
Схема прилагается, надеюсь на вашу помощ!


Вложения:
Схема Электрическая Принципиальная Макета.gif [18.17 KiB]
Скачиваний: 786
Вернуться наверх
 
Не в сети
 Заголовок сообщения:
СообщениеДобавлено: Сб янв 05, 2008 07:30:00 
Держит паяльник хвостом
Аватар пользователя

Карма: 1
Рейтинг сообщений: 5
Зарегистрирован: Пн ноя 27, 2006 07:52:01
Сообщений: 978
Рейтинг сообщения: 0
1. Светодиод работать не будет.
2. Чтобы лишних вопросов не возникало, читать: На «0» - «1» засветись! Или индикация логических уровней светодиодами
3. От таких "нагрузок" толку не будет, если с них будет сниматься сигнал на осциллограф.

Остальное другие скажут. Кстати, картинку можно было и чуток поменьше сделать, чтобы транзистор размером в экран вписывался хотя бы...

_________________
Питаюсь копытными. Как исчезающий вид занесён в Красную книгу МСОП. Почему до сих пор не занесены в Красную книгу инженеры и учёные РФ?


Вернуться наверх
 
Не в сети
 Заголовок сообщения:
СообщениеДобавлено: Сб янв 05, 2008 16:15:14 
Родился

Зарегистрирован: Сб янв 05, 2008 01:10:19
Сообщений: 18
Рейтинг сообщения: 0
Оказывается я правильно резистор для светодиода расчитал(а мощность угадал :) )! А на схеме просто полярность перепутал. Всё я его перевернул, теперь думаю будет гореть.

По поводу нагрузок R6-R8 я от балды их забил в схему. Какие они хоть приблизительно болжны быть? Ватность имеет значение? А то я собираюсь чертежи делать считая их маломощными 0,125/0,25Вт и соответственно поверхностный монтаж...

Может про каскад на БП транзисторе лучше в другом разделе спросить, а то упч, которым он по сути является, не очень тянет на цифровую технику? Просто я на форуме новичёк и не хочу флудить...

В схеме перевернул светодиод и уменьшил размер картинки(если ещё уменьшить, то в браузере не все линии видны, а так вроде ничего...). Вот:


Вложения:
Схема Электрическая Принципиальная Макета 900.gif [7.02 KiB]
Скачиваний: 635
Вернуться наверх
 
Не в сети
 Заголовок сообщения:
СообщениеДобавлено: Сб янв 05, 2008 16:44:30 
Держит паяльник хвостом
Аватар пользователя

Карма: 1
Рейтинг сообщений: 5
Зарегистрирован: Пн ноя 27, 2006 07:52:01
Сообщений: 978
Рейтинг сообщения: 0
Про нагрузки:
Jay, ты хочешь с нагрузки смотреть напряжение на осциллограф? Тогда второй конец резисторов у тебя не "Uвых" должен быть, а к земле подключен. "Uвых" у тебя будет на стороне переключателя. :wink: Рассчитать резисторы можно, исходя из максимального тока нагрузки выхода микросхемы и её напряжения питания.

Вообще-то я не очень понял, ты хочешь выделить импульс дифференцирующей RC-цепочкой? Тогда надо чуток схему переделать. RC-цепь надо сочинить перед инвертором. Кстати, можно обойтись и без 2-х лучевого осциллографа, если поставить JK-триггер, который будет переключаться при поступлении одного сигнала (скажем, с транзистора) и переключаться в противоположное состояние при поступлении второго сигнала (с ИМС). Тогда на выходе триггера сформируется импульс, длительность которого будет соостветствовать разности прихода сигналов. Тут и обычного осциллографа хватит! :)

_________________
Питаюсь копытными. Как исчезающий вид занесён в Красную книгу МСОП. Почему до сих пор не занесены в Красную книгу инженеры и учёные РФ?


Вернуться наверх
 
Эиком - электронные компоненты и радиодетали
Не в сети
 Заголовок сообщения:
СообщениеДобавлено: Сб янв 05, 2008 19:51:59 
Родился

Зарегистрирован: Сб янв 05, 2008 01:10:19
Сообщений: 18
Рейтинг сообщения: 0
:oops: Да, точно напряжение с резисторов немного не так я снял...
Я думаю легче собрать это всё без нагрузочных резисторов, а потом их просто подобрать.

Нет на вход подается видео импульс, он переварачивается в инверторах и результат через нагрузку снимаем с осциллографа. Смысл лабы нарисовать 6 графиков - 3 для БП тр-ра и 3 для кмоп цепочки(для разных нагрузок). И написать в выводах что-нить умное про то, почему такие графики получились. Это у меня дипломная работа такая - сам уже не рад что связался, у нас специальность конструирование и технология, а в схемотехнике я очень плохо шарю...


Вернуться наверх
 
Не в сети
 Заголовок сообщения:
СообщениеДобавлено: Вс янв 13, 2008 21:40:01 
Родился

Зарегистрирован: Сб янв 05, 2008 01:10:19
Сообщений: 18
Рейтинг сообщения: 0
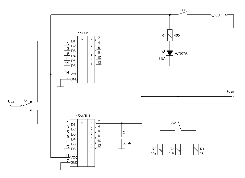
Поговорил на неделе с преподавателем - он мне посоветовал взять вместо каскада на бп тр-ре микросхему ТТЛ - я думал их уже не производят....

Остановился на К555ЛН1 справочников с описанием начинки как всегда нет нигде, нашел даташит на аналог SN74LS04: http://www.datasheetarchive.com/pdf/3166764.pdf

Там не написано ничего про включение микросхемы в эл. цепь. Соответственно вопрос: нужны ли каке-нить емкости и нагрузки и будет ли работать теперь вот такое чудо техники:


Вложения:
Схема Электрическая Принципиальная Макета NEW.gif [9.94 KiB]
Скачиваний: 698
Вернуться наверх
 
Не в сети
 Заголовок сообщения:
СообщениеДобавлено: Вс янв 13, 2008 22:02:23 
Ум, честь и совесть. И скромность.
Аватар пользователя

Карма: 98
Рейтинг сообщений: 2121
Зарегистрирован: Чт дек 28, 2006 08:19:56
Сообщений: 18460
Откуда: Новочеркасск
Рейтинг сообщения: 0
Медали: 2
Получил миской по аватаре (1) Мявтор 3-й степени (1)
1. Почему питание ТТЛ у тебя 6В? Надо 5.
2. Все неиспользуемые входы заземли.
3. Работать будет (что на вход подавать собрался?)
4. Емкость и резисторы позволят проверять реакцию буферных каскадов микросхем. Работать будет и с ними и без них, но по-разному :)

_________________
если рассматривать человека снизу, покажется, что мозг у него глубоко в жопе
при взгляде на многих сверху ничего не меняется...

Мой уютный бложик... заходите!


Вернуться наверх
 
Не в сети
 Заголовок сообщения:
СообщениеДобавлено: Вс янв 13, 2008 22:09:21 
Держит паяльник хвостом
Аватар пользователя

Карма: 1
Рейтинг сообщений: 5
Зарегистрирован: Пн ноя 27, 2006 07:52:01
Сообщений: 978
Рейтинг сообщения: 0
ARV писал(а):
1. Почему питание ТТЛ у тебя 6В? Надо 5.
У него там 74HC серия — КМОП. Это он в другой такой же теме показал: http://www.radiokot.ru/forum/viewtopic.php?t=7679

Непонятно, почему до сих два дубля живет... :wink:

_________________
Питаюсь копытными. Как исчезающий вид занесён в Красную книгу МСОП. Почему до сих пор не занесены в Красную книгу инженеры и учёные РФ?


Вернуться наверх
 
Не в сети
 Заголовок сообщения:
СообщениеДобавлено: Пн янв 14, 2008 22:54:18 
Родился

Зарегистрирован: Сб янв 05, 2008 01:10:19
Сообщений: 18
Рейтинг сообщения: 0
ARV писал(а):
1. Почему питание ТТЛ у тебя 6В? Надо 5.
2. Все неиспользуемые входы заземли.
3. Работать будет (что на вход подавать собрался?)
4. Емкость и резисторы позволят проверять реакцию буферных каскадов микросхем. Работать будет и с ними и без них, но по-разному :)


Питание подправлю. А что значит по разному работать? Мне нужно чтоб импульс перевернулся.


Вернуться наверх
 
Не в сети
 Заголовок сообщения:
СообщениеДобавлено: Вт янв 15, 2008 10:54:43 
Ум, честь и совесть. И скромность.
Аватар пользователя

Карма: 98
Рейтинг сообщений: 2121
Зарегистрирован: Чт дек 28, 2006 08:19:56
Сообщений: 18460
Откуда: Новочеркасск
Рейтинг сообщения: 0
Медали: 2
Получил миской по аватаре (1) Мявтор 3-й степени (1)
По-разному - это значит в зависимости от нагрузки и емкости будет немного изменяться форма импульса. Переворачиваться-то он будет в любом случае :)

_________________
если рассматривать человека снизу, покажется, что мозг у него глубоко в жопе
при взгляде на многих сверху ничего не меняется...

Мой уютный бложик... заходите!


Вернуться наверх
 
Не в сети
 Заголовок сообщения:
СообщениеДобавлено: Вт янв 15, 2008 20:45:02 
Родился

Зарегистрирован: Сб янв 05, 2008 01:10:19
Сообщений: 18
Рейтинг сообщения: 0
Это самое главное! Спасибо! Буду воплощать в жизнь.


Вернуться наверх
 
Не в сети
 Заголовок сообщения:
СообщениеДобавлено: Ср янв 16, 2008 09:24:53 
Встал на лапы

Зарегистрирован: Чт сен 13, 2007 16:44:46
Сообщений: 91
Откуда: Минск
Рейтинг сообщения: 0
А как это у Вас так запросто соединены между собой выходы цифровых микросхем? Да и цель, как я понимаю, исследовать влияние нагрузки на фронты, так вот конденсатор, который прикошачен к выходам микросхем, превратит эти фронты в неизвесно что. Это мое мнение.


Вернуться наверх
 
Не в сети
 Заголовок сообщения:
СообщениеДобавлено: Ср янв 16, 2008 16:21:55 
Родился

Зарегистрирован: Сб янв 05, 2008 01:10:19
Сообщений: 18
Рейтинг сообщения: 0
ну конденсатор необходим согласно даташиту на эту микросхему.

А что с выводами микросхем не так? Во первых они не работают одновременно - либо одна микросхема либо вторая, а во вторых я буду их переключать двойным ключём, который одновременно две пары проводников комутирует - до микросхем и после.

А что вы предлогаете для соединения выводов микросхем?


Вернуться наверх
 
Не в сети
 Заголовок сообщения:
СообщениеДобавлено: Ср янв 16, 2008 19:54:10 
Ум, честь и совесть. И скромность.
Аватар пользователя

Карма: 98
Рейтинг сообщений: 2121
Зарегистрирован: Чт дек 28, 2006 08:19:56
Сообщений: 18460
Откуда: Новочеркасск
Рейтинг сообщения: 0
Медали: 2
Получил миской по аватаре (1) Мявтор 3-й степени (1)
мда, не доглядел я... действительно, соединять выходы между собой недопустимо... виноват...
а вот на счет емкости на выходе - это где ж такое и в каком таком даташите написано?!

_________________
если рассматривать человека снизу, покажется, что мозг у него глубоко в жопе
при взгляде на многих сверху ничего не меняется...

Мой уютный бложик... заходите!


Вернуться наверх
 
Не в сети
 Заголовок сообщения:
СообщениеДобавлено: Ср янв 16, 2008 21:37:17 
Встал на лапы

Зарегистрирован: Чт сен 13, 2007 16:44:46
Сообщений: 91
Откуда: Минск
Рейтинг сообщения: 0
Jay писал(а):
ну конденсатор необходим согласно даташиту на эту микросхему


К сожалению, не могу посмотреть даташит, но конденсатор на выходе цифровой микросхемы - это нонсенс.

Jay писал(а):
А что с выводами микросхем не так? Во первых они не работают одновременно - либо одна микросхема либо вторая, а во вторых я буду их переключать двойным ключём, который одновременно две пары проводников комутирует - до микросхем и после.


Они работают одновременно, ведь питание к ним подключено одинаково. А ключа, который комутирует проводники после микросхем, на вашей схеме я не нашел.

Jay писал(а):
А что вы предлогаете для соединения выводов микросхем?


Схема, которую я предлагаю, во вложении. Если входная емкость не критична, то S1.1 можно выкинуть.


Вложения:
Shema_NEW.GIF [11.12 KiB]
Скачиваний: 711
Вернуться наверх
 
Не в сети
 Заголовок сообщения:
СообщениеДобавлено: Ср янв 16, 2008 21:50:29 
Родился

Зарегистрирован: Сб янв 05, 2008 01:10:19
Сообщений: 18
Рейтинг сообщения: 0
вот даташит на аналог: http://www.datasheetarchive.com/pdf/1005361.pdf
На наши к сожалению такого нет...

с двойным ключём понятно, в вот зачем нужен перенесённый С1 ? получается он фильтрует питание?


Вернуться наверх
 
Не в сети
 Заголовок сообщения:
СообщениеДобавлено: Ср янв 16, 2008 22:11:23 
Держит паяльник хвостом
Аватар пользователя

Карма: 1
Рейтинг сообщений: 5
Зарегистрирован: Пн ноя 27, 2006 07:52:01
Сообщений: 978
Рейтинг сообщения: 0
Так, я смотрю и понимаю всё меньше и меньше: путаем ТТЛ и КМОП, 74 и 4000 серии...

CD4069B кстати, нашим КР1561ЛН4 соответствует. Это — КМОП. Что за путаница??? И зачем две темы по одному вопросу???

_________________
Питаюсь копытными. Как исчезающий вид занесён в Красную книгу МСОП. Почему до сих пор не занесены в Красную книгу инженеры и учёные РФ?


Вернуться наверх
 
Не в сети
 Заголовок сообщения:
СообщениеДобавлено: Ср янв 16, 2008 23:08:55 
Друг Кота
Аватар пользователя

Карма: 28
Рейтинг сообщений: 267
Зарегистрирован: Ср сен 27, 2006 16:18:57
Сообщений: 3459
Рейтинг сообщения: 0
Aleksis Вам правильную схему нарисовал. Используйте сдвоенный тумблер, чтобы не соединять выход с выходом, т.к. соединение выходов цифровых микросхем недопустимо, как верно заметили Aleksis и ARV. Есть исключения - но не для данного случая.
Что касается этого несчастного конденсатора на выходе, то он нарисован в datasheet для ТЕСТОВОЙ схемы. Т.е., для проверки заявленных характеристик при ёмкостной нагрузке на выходе. Для худшего случая работы. А для нормальной работы этот конденсатор не только не нужен, но и, нооборот, вреден.
А развязывающий конденсатор по питанию нужен всегда. И не 50 пф, а чем больше, тем лучше. И должен он быть керамическим - 0,1 - 0,5 мкф - нормально. Это связано с особенностью работы выходных каскадов микросхем - в очень короткие промежутки времени оказываются открытыми оба выходных транзистора и возникает импульс сквозного тока, который может вызвать помехи по питанию.


Вернуться наверх
 
Не в сети
 Заголовок сообщения:
СообщениеДобавлено: Чт янв 17, 2008 07:39:11 
Встал на лапы

Зарегистрирован: Чт сен 13, 2007 16:44:46
Сообщений: 91
Откуда: Минск
Рейтинг сообщения: 0
Барсик писал(а):
Aleksis И не 50 пф, а чем больше, тем лучше.


Сори. Просто перенес конденсатор, а номинал не подправил. Конечно керамика ~0,1мк.


Вернуться наверх
 
Не в сети
 Заголовок сообщения:
СообщениеДобавлено: Чт янв 17, 2008 10:42:09 
Родился

Зарегистрирован: Сб янв 05, 2008 01:10:19
Сообщений: 18
Рейтинг сообщения: 0
а если вместо этого двойного тумблера поставить на выход каждой микросхемы по диоду? А то в каталоге чипа и дипа я что-то не вижу этих двойных кнопок...


Вернуться наверх
 
Показать сообщения за:  Сортировать по:  Вернуться наверх
Начать новую тему Ответить на тему  [ Сообщений: 30 ]  1,  

Часовой пояс: UTC + 3 часа


Кто сейчас на форуме

Сейчас этот форум просматривают: нет зарегистрированных пользователей и гости: 60


Вы не можете начинать темы
Вы не можете отвечать на сообщения
Вы не можете редактировать свои сообщения
Вы не можете удалять свои сообщения
Вы не можете добавлять вложения

Найти:
Перейти:  


Powered by phpBB © 2000, 2002, 2005, 2007 phpBB Group
Русская поддержка phpBB
Extended by Karma MOD © 2007—2012 m157y
Extended by Topic Tags MOD © 2012 m157y