Например TDA7294

Форум РадиоКот • Просмотр темы - програматор usb для pic
Форум РадиоКот
Здесь можно немножко помяукать :)

Текущее время: Вт янв 27, 2026 20:44:30

Часовой пояс: UTC + 3 часа


ПРЯМО СЕЙЧАС:



Начать новую тему Ответить на тему  [ Сообщений: 18 ] 
Автор Сообщение
Не в сети
 Заголовок сообщения: програматор usb для pic
СообщениеДобавлено: Чт июл 08, 2010 14:35:56 
Потрогал лапой паяльник

Зарегистрирован: Вт май 04, 2010 12:10:55
Сообщений: 347
Откуда: Беларусь. Минская область
Рейтинг сообщения: 0
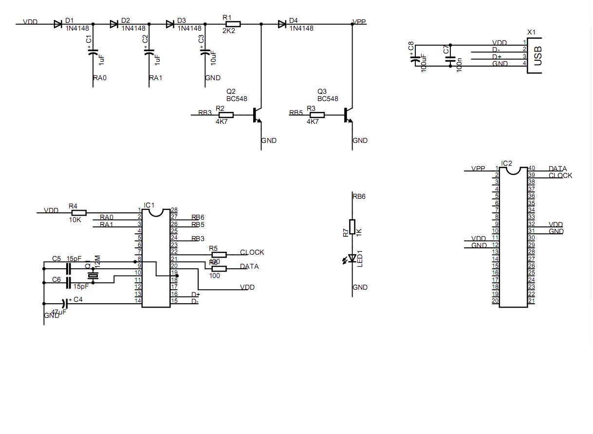
Изображение
помогите пожалуста разобраться с этой схемой програматора


Вложения:
Безымянный.JPG [68.34 KiB]
Скачиваний: 3512
Вернуться наверх
 
Не в сети
 Заголовок сообщения: Re: програматор usb для pic
СообщениеДобавлено: Чт июл 08, 2010 16:41:34 
Друг Кота

Карма: 33
Рейтинг сообщений: 213
Зарегистрирован: Ср окт 14, 2009 10:37:49
Сообщений: 3956
Откуда: Украина
Рейтинг сообщения: 0
супер мегакотэ писал(а):
помогите пожалуста разобраться с этой схемой програматора

А с чем собственно разбираться? Голая схема, описания нет, что такое IC1 неизвестно, прошивки к нему (если это микроконтроллер) нет, что предполагаеся программировать неизвестно.


Вернуться наверх
 
Не в сети
 Заголовок сообщения: Re: програматор usb для pic
СообщениеДобавлено: Чт июл 08, 2010 21:08:04 
Потрогал лапой паяльник

Зарегистрирован: Вт май 04, 2010 12:10:55
Сообщений: 347
Откуда: Беларусь. Минская область
Рейтинг сообщения: 0
Не там где я это взял обисано и иц1 и что и как програмировать мне непонятно как соеденить все 5 схем


Вернуться наверх
 
Не в сети
 Заголовок сообщения: Re: програматор usb для pic
СообщениеДобавлено: Чт июл 08, 2010 23:59:16 
Друг Кота

Карма: 33
Рейтинг сообщений: 213
Зарегистрирован: Ср окт 14, 2009 10:37:49
Сообщений: 3956
Откуда: Украина
Рейтинг сообщения: 0
супер мегакотэ писал(а):
Не там где я это взял обисано и иц1 и что и как програмировать мне непонятно как соеденить все 5 схем

Соединить все 5 схем несложно: все одинаковые выводы соединить между собой. Например: все выводы GND соединяйте в кучу, это общий провод; RB3 с RB3 и т.д.
IC1 еще можно попытаться как то вычислить по расположению выводов. Но без управляющей программы уж никак :shock: . Разве что писать самому.
Да и как то совсем непонятно куда вставлять 8-ми выводный PIC12F629 или у Вас уже другие задачи?


Вернуться наверх
 
Эиком - электронные компоненты и радиодетали
Не в сети
 Заголовок сообщения: Re: програматор usb для pic
СообщениеДобавлено: Пт сен 10, 2010 17:21:29 
Потрогал лапой паяльник

Зарегистрирован: Вт май 04, 2010 12:10:55
Сообщений: 347
Откуда: Беларусь. Минская область
Рейтинг сообщения: 0
предложите ещё кто нибудь програматоров от юсб


Вернуться наверх
 
Не в сети
 Заголовок сообщения: Re: програматор usb для pic
СообщениеДобавлено: Пт сен 10, 2010 22:11:57 
Встал на лапы
Аватар пользователя

Зарегистрирован: Чт июл 30, 2009 00:23:28
Сообщений: 102
Откуда: Мать городов Русских
Рейтинг сообщения: 0
PicKit2 не подходит?

_________________
Пью.Курю.Ругаюсь матом!!!!Иногда всем этим злоупотребляю....


Вернуться наверх
 
Не в сети
 Заголовок сообщения: Re: програматор usb для pic
СообщениеДобавлено: Пт сен 10, 2010 22:30:35 
Потрогал лапой паяльник

Зарегистрирован: Вт май 04, 2010 12:10:55
Сообщений: 347
Откуда: Беларусь. Минская область
Рейтинг сообщения: 0
пик кит же вроде надо тоже програмировать


Вернуться наверх
 
Не в сети
 Заголовок сообщения: Re: програматор usb для pic
СообщениеДобавлено: Пт сен 10, 2010 22:31:08 
Потрогал лапой паяльник

Зарегистрирован: Вт май 04, 2010 12:10:55
Сообщений: 347
Откуда: Беларусь. Минская область
Рейтинг сообщения: 0
хотелось бы собрать и сразу прошить


Вернуться наверх
 
Не в сети
 Заголовок сообщения: Re: програматор usb для pic
СообщениеДобавлено: Пт сен 10, 2010 22:46:40 
Встал на лапы
Аватар пользователя

Зарегистрирован: Чт июл 30, 2009 00:23:28
Сообщений: 102
Откуда: Мать городов Русских
Рейтинг сообщения: 0
PicPgm


Вложения:
picpgm_usb_v1.0.png [29.91 KiB]
Скачиваний: 1245

_________________
Пью.Курю.Ругаюсь матом!!!!Иногда всем этим злоупотребляю....
Вернуться наверх
 
Не в сети
 Заголовок сообщения: Re: програматор usb для pic
СообщениеДобавлено: Вс сен 12, 2010 14:10:10 
Первый раз сказал Мяу!
Аватар пользователя

Карма: -1
Рейтинг сообщений: 0
Зарегистрирован: Пт сен 10, 2010 14:40:40
Сообщений: 25
Откуда: Красноярск
Рейтинг сообщения: 0
супер мегакотэ писал(а):
предложите ещё кто нибудь програматоров от юсб

pickit2 лучший, но щас уже pickit3 советал бы брать, у него нормальные выходные буфферы стоят, а на 2ом сопливая транз. сборка которая имеет свойство сгорать периодически.


Последний раз редактировалось Int_13h Вс сен 12, 2010 23:52:50, всего редактировалось 1 раз.

Вернуться наверх
 
Не в сети
 Заголовок сообщения: Re: програматор usb для pic
СообщениеДобавлено: Вс сен 12, 2010 20:48:07 
Потрогал лапой паяльник

Зарегистрирован: Вт май 04, 2010 12:10:55
Сообщений: 347
Откуда: Беларусь. Минская область
Рейтинг сообщения: 0
спасибо всем за ответ


Вернуться наверх
 
Не в сети
 Заголовок сообщения: Re: програматор usb для pic
СообщениеДобавлено: Ср сен 15, 2010 22:57:53 
Мучитель микросхем
Аватар пользователя

Зарегистрирован: Вс янв 11, 2009 09:29:08
Сообщений: 492
Откуда: Ярославль
Рейтинг сообщения: 0
так что же все-таки за чип, в который линии USB заведены напрямую?..

_________________
Мои верные друзья - АМD и AVR
LM317 - атцтой, LM2576ADJ - форева! :)


Вернуться наверх
 
Не в сети
 Заголовок сообщения: Re: програматор usb для pic
СообщениеДобавлено: Ср сен 15, 2010 23:28:28 
Встал на лапы
Аватар пользователя

Зарегистрирован: Чт июл 30, 2009 00:23:28
Сообщений: 102
Откуда: Мать городов Русских
Рейтинг сообщения: 0
на схеме все детали обозначены

_________________
Пью.Курю.Ругаюсь матом!!!!Иногда всем этим злоупотребляю....


Вернуться наверх
 
Не в сети
 Заголовок сообщения: Re: програматор usb для pic
СообщениеДобавлено: Вс сен 19, 2010 08:14:34 
Встал на лапы

Зарегистрирован: Ср май 27, 2009 11:57:44
Сообщений: 131
Откуда: Краснодар
Рейтинг сообщения: 0
А это вся тематика по теме PicPgm


http://depositfiles.com/files/4st3wetkd


Вернуться наверх
 
Не в сети
 Заголовок сообщения: Re: програматор usb для pic
СообщениеДобавлено: Вс янв 27, 2013 18:28:15 
Встал на лапы

Зарегистрирован: Чт май 12, 2011 22:03:26
Сообщений: 95
Рейтинг сообщения: 0
RB и RA куда соединяються
и что такое IC1 и IC2


Вернуться наверх
 
Не в сети
 Заголовок сообщения: Re: програматор usb для pic
СообщениеДобавлено: Вс янв 27, 2013 18:34:32 
Встал на лапы

Зарегистрирован: Чт май 12, 2011 22:03:26
Сообщений: 95
Рейтинг сообщения: 0
Цитата:
А это вся тематика по теме PicPgm


http://depositfiles.com/files/4st3wetkd


что там было??? :shock:


Вернуться наверх
 
Не в сети
 Заголовок сообщения: Re: програматор usb для pic
СообщениеДобавлено: Вс янв 27, 2013 22:23:56 
Встал на лапы

Зарегистрирован: Чт май 12, 2011 22:03:26
Сообщений: 95
Рейтинг сообщения: 0
и как с ним пик 12F629 прошить?

никто не знает чтоль???
никто не собирал чтоль???
:roll:


Вернуться наверх
 
Не в сети
 Заголовок сообщения: Re: програматор usb для pic
СообщениеДобавлено: Вт янв 29, 2013 12:24:02 
Встал на лапы

Зарегистрирован: Чт май 12, 2011 22:03:26
Сообщений: 95
Рейтинг сообщения: 0
никто не знает по ходу


Вернуться наверх
 
Показать сообщения за:  Сортировать по:  Вернуться наверх
Начать новую тему Ответить на тему  [ Сообщений: 18 ] 

Часовой пояс: UTC + 3 часа


Кто сейчас на форуме

Сейчас этот форум просматривают: нет зарегистрированных пользователей и гости: 27


Вы не можете начинать темы
Вы не можете отвечать на сообщения
Вы не можете редактировать свои сообщения
Вы не можете удалять свои сообщения
Вы не можете добавлять вложения

Найти:
Перейти:  


Powered by phpBB © 2000, 2002, 2005, 2007 phpBB Group
Русская поддержка phpBB
Extended by Karma MOD © 2007—2012 m157y
Extended by Topic Tags MOD © 2012 m157y