Например TDA7294

Форум РадиоКот • Просмотр темы - Датчик на LM1458M ОУ
Форум РадиоКот
Здесь можно немножко помяукать :)

Текущее время: Сб мар 07, 2026 23:28:41

Часовой пояс: UTC + 3 часа


ПРЯМО СЕЙЧАС:



Начать новую тему Ответить на тему  [ Сообщений: 40 ]  1,  
Автор Сообщение
 Заголовок сообщения: Датчик на LM1458M ОУ
СообщениеДобавлено: Вс окт 29, 2006 22:10:03 
Прорезались зубы
Аватар пользователя

Карма: 1
Рейтинг сообщений: 4
Зарегистрирован: Пт июн 16, 2006 21:39:36
Сообщений: 225
Рейтинг сообщения: 0
Доброго времени суток всем!
Собрал вот такую схему и вроде всё работает как надо, но дело в том что когда я на выход ОУ цепляю транзистор то он не открывается:( даже мк AT90S2343 не реагирует на него:( Я хотел сделать простой датчик (схему сам придумал) для робота чтоб моторчиком управлять но...
Я в первые взял в руки ОУ, и наверное что-то не так поключил.. а все схемы которые я выдел и собрал не работают и прошлос поекспериментировать и придумать самому, да и на эту микруху (LM1458M) схем не видел!
Поскажите пожалуйста в чём дело.
Сам светодиод загорается когда я подношу к датчику руку или когда направляю на него пульт от ТВ! Но как заставить... тоесто как усилить сигнал? Ведь он даже транзистор не открывает:( транзистор я использовал МП38, но ни тразюк ни МК не реагируют! плиз помогите, посмотрите на схему и посоветуйте что делать!
Спасибо !
Желаю всем удачи и не здаватся на достигнутом!


Вложения:
IR sensor.gif [3.84 KiB]
Скачиваний: 1334

_________________
"The only thing necessary for the triumph of evil is for good men to do nothing" Ebmund Bruke(1729-97)


Последний раз редактировалось DLL32 Пн окт 30, 2006 00:03:54, всего редактировалось 1 раз.
Вернуться наверх
 
 Заголовок сообщения: Re: Датчик на LM1458M ОУ
СообщениеДобавлено: Вс окт 29, 2006 22:36:48 
Вечно гонимый
Аватар пользователя

Карма: 1
Рейтинг сообщений: 0
Зарегистрирован: Пн сен 04, 2006 20:25:28
Сообщений: 331
Откуда: самоучитель по микроконтроллерам
Рейтинг сообщения: 0
DLL32 писал(а):
да и на эту микруху (LM1458M) схем не видел


а в ДатаШите нет схем ? там еще апноуты есть у производителя.


Вернуться наверх
 
 Заголовок сообщения:
СообщениеДобавлено: Вс окт 29, 2006 22:39:01 
Вечно гонимый
Аватар пользователя

Карма: 1
Рейтинг сообщений: 0
Зарегистрирован: Пн сен 04, 2006 20:25:28
Сообщений: 331
Откуда: самоучитель по микроконтроллерам
Рейтинг сообщения: 0
http://www.national.com/pf/LM/LM1458.html

например апноут:

AN-116: Application Note 116 Use the LM158/LM258/LM358 Dual, Single Supply Op Amp


Вернуться наверх
 
 Заголовок сообщения:
СообщениеДобавлено: Пн окт 30, 2006 00:02:18 
Прорезались зубы
Аватар пользователя

Карма: 1
Рейтинг сообщений: 4
Зарегистрирован: Пт июн 16, 2006 21:39:36
Сообщений: 225
Рейтинг сообщения: 0
я схему не правильно нарисовал ша исправлю!
а юзать lm358 я не могу потому-что не продается здесь! я и эту 1458 с платы выпаял от факса:) так что....
а что такое апноут?

_________________
"The only thing necessary for the triumph of evil is for good men to do nothing" Ebmund Bruke(1729-97)


Вернуться наверх
 
Эиком - электронные компоненты и радиодетали
 Заголовок сообщения:
СообщениеДобавлено: Пн окт 30, 2006 01:33:00 
Вечно гонимый
Аватар пользователя

Карма: 1
Рейтинг сообщений: 0
Зарегистрирован: Пн сен 04, 2006 20:25:28
Сообщений: 331
Откуда: самоучитель по микроконтроллерам
Рейтинг сообщения: 0
DLL32 писал(а):
а что такое апноут?


выше я дал ссылку и название апноута.

подробно что таоке апноут и почему их нужно читать написано на одноименном сайте - apnout.narod.ru

цитата:

"Апноут - это сокращение от "апликейшн ноут"
или по англ. Application Note

Означает - комментарии по применению компонента.

Это документ не менее важный чем ДатаШит !

Апноуты издают производители компонентов - в них рассказывается как правильно применять компонент, приводятся схемы включения компонента в конкретных устройствах, указаны номиналы деталей стыкуемых с компонентом, если компонент программируемый то обычно прикладывается исходный код программы и прошивка.

Апноут содержит краткие теоретические сведения по работе
устройства и литература которую стоит посмотреть."


Вернуться наверх
 
 Заголовок сообщения:
СообщениеДобавлено: Пн окт 30, 2006 02:04:18 
Прорезались зубы
Аватар пользователя

Карма: 1
Рейтинг сообщений: 4
Зарегистрирован: Пт июн 16, 2006 21:39:36
Сообщений: 225
Рейтинг сообщения: 0
coooll!!!!!!!!
спасибо за инфу! очень полезно! а я думал только даташит самое главное, а тут апноут! вов!

_________________
"The only thing necessary for the triumph of evil is for good men to do nothing" Ebmund Bruke(1729-97)


Вернуться наверх
 
 Заголовок сообщения:
СообщениеДобавлено: Пн окт 30, 2006 02:31:07 
Вечно гонимый
Аватар пользователя

Карма: 1
Рейтинг сообщений: 0
Зарегистрирован: Пн сен 04, 2006 20:25:28
Сообщений: 331
Откуда: самоучитель по микроконтроллерам
Рейтинг сообщения: 0
DLL32 писал(а):
coooll!!!!!!!!
спасибо за инфу! очень полезно! а я думал только даташит самое главное, а тут апноут! вов!


к сожалению администрация форума не разделяет моего усердия по информированию начинающих про апноуты.

а жаль ...


Вернуться наверх
 
 Заголовок сообщения:
СообщениеДобавлено: Пн окт 30, 2006 08:12:32 
Админ
Аватар пользователя

Карма: 109
Рейтинг сообщений: 458
Зарегистрирован: Вт авг 23, 2005 15:23:25
Сообщений: 10815
Откуда: Москва
Рейтинг сообщения: 0
Медали: 1
Получил миской по аватаре (1)
Не говорите чушь очередную, я Вас очень прошу.
Разделяет, когда это усердие к месту.

_________________
А вот футболки кому? Кружки, значки!
Мысли Пачкают Мозги


Вернуться наверх
 
 Заголовок сообщения:
СообщениеДобавлено: Пн окт 30, 2006 14:57:26 
Модератор
Аватар пользователя

Карма: 10
Рейтинг сообщений: 7
Зарегистрирован: Пт июл 21, 2006 03:08:05
Сообщений: 3174
Откуда: Пенза
Рейтинг сообщения: 0
Да, вас одергивали только после назойливой рекламы.

_________________
Если долго мучиться, что-нибудь... сломается.


Вернуться наверх
 
 Заголовок сообщения:
СообщениеДобавлено: Пн окт 30, 2006 20:11:01 
Прорезались зубы
Аватар пользователя

Карма: 1
Рейтинг сообщений: 4
Зарегистрирован: Пт июн 16, 2006 21:39:36
Сообщений: 225
Рейтинг сообщения: 0
Это всё хорошо, но кто мне поможет, почему светодиодик зсгорается а открыть мп38 он не может? я измерил и там на выходе с включенным светодиодом 2,8 вольт, неужели этого мало? плиз просмтрите схему и помогите:(

_________________
"The only thing necessary for the triumph of evil is for good men to do nothing" Ebmund Bruke(1729-97)


Вернуться наверх
 
 Заголовок сообщения:
СообщениеДобавлено: Пн окт 30, 2006 20:24:33 
Модератор
Аватар пользователя

Карма: 46
Рейтинг сообщений: 236
Зарегистрирован: Чт окт 27, 2005 18:50:07
Сообщений: 11169
Откуда: из мест не столь отдалённых
Рейтинг сообщения: 0
Медали: 2
Получил миской по аватаре (1) Мявтор 3-й степени (1)
Начнём с начала. Перерисуем схему с обозначениями- где какой элемент стоит. Я что-то с налёту не могу понять: то ли два излучающих и один принимаюший,резистор как-то странно включён,то ли совсем глаза ничего не видят. Далее- куда прицепляем транзистор- тоже на этой схеме. Тогда и разберёмся. Опять флуд целую страницу вместо ответа :evil:


Вернуться наверх
 
 Заголовок сообщения:
СообщениеДобавлено: Пн окт 30, 2006 21:29:05 
Прорезались зубы
Аватар пользователя

Карма: 1
Рейтинг сообщений: 4
Зарегистрирован: Пт июн 16, 2006 21:39:36
Сообщений: 225
Рейтинг сообщения: 0
Я не флудил:(
вот схема с транистором в место светодиода! хотя я подключал транзистор не снимая светодиод, это как то влияет на откривание транзистора? может убрать светодиод как на схеме?
Завтра нарисую Вам схему так, как она должна выглядеть по моему разумению.В вашей схеме переменный резистор подключен параллельно приёмному диоду, а индикаторный с\диод- не к выходу усилителя, а опять не туда. Сэр мурр


Вложения:
ir sensor 1.gif [7.69 KiB]
Скачиваний: 1180

_________________
"The only thing necessary for the triumph of evil is for good men to do nothing" Ebmund Bruke(1729-97)
Вернуться наверх
 
 Заголовок сообщения:
СообщениеДобавлено: Пн окт 30, 2006 23:09:30 
Модератор
Аватар пользователя

Карма: 27
Рейтинг сообщений: 58
Зарегистрирован: Пн апр 03, 2006 11:43:25
Сообщений: 4517
Откуда: Санкт - Петербург
Рейтинг сообщения: 0
Медали: 3
Получил миской по аватаре (1) Мявтор 2-й степени (1) Мявтор 3-й степени (1)
Не ЖУТЬ, а классика...
Че схема делать-то должна? Какова цель?


Вернуться наверх
 
 Заголовок сообщения:
СообщениеДобавлено: Вт окт 31, 2006 02:37:55 
Прорезались зубы
Аватар пользователя

Карма: 1
Рейтинг сообщений: 4
Зарегистрирован: Пт июн 16, 2006 21:39:36
Сообщений: 225
Рейтинг сообщения: 0
[quote="Aheir"]
Блин вы что прикалываетесь???:(
Ведь я всё написал! прочтите плиз сначала и всё поймете! неужели так трудно прочитать всё? :(
Полегче, друг, полегче.. Вам хотят помочь- и помогут. А у меня, например, иногда просто времени нет, чтоб внимательно просмотреть всю ветку. Да и вопросы надо формулировать более чётко, но без эмоций. Ваша схема изобилует ошибками, поэтому вышлю свою. На некоторые Ваши ошибки я уже указал. Сэр Мурр

_________________
"The only thing necessary for the triumph of evil is for good men to do nothing" Ebmund Bruke(1729-97)


Вернуться наверх
 
 Заголовок сообщения:
СообщениеДобавлено: Вт окт 31, 2006 18:44:41 
Модератор
Аватар пользователя

Карма: 46
Рейтинг сообщений: 236
Зарегистрирован: Чт окт 27, 2005 18:50:07
Сообщений: 11169
Откуда: из мест не столь отдалённых
Рейтинг сообщения: 0
Медали: 2
Получил миской по аватаре (1) Мявтор 3-й степени (1)
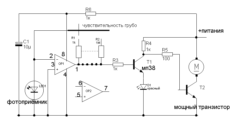
Посылаю схему со своими комментариями. Транзистор МП38 используем как усилитель индикации.
Коммутировать им электромотор не советую- допустимый ток через него всего 20 мА, достаточно
для светодиода, а для моторчика надо что-то мощнее.Не знаю, что у Вас есть, поэтому пока не советую.Можно регулировать чувствительность схемы, переключая постоянные резисторы Р1 и Р2, или поставить переменный до 100ком.Микросхема работоспособна до напряжения 30 вольт при однополярном питании. Рекомендую эксперименты проводить при питании не более12 вольт, дабы не спалить элементы. Р6 и С1-фильтруют питание для удаления помех от работы двигателя.На первое время- добейтесь "загорания" светодиода, потом переходите к моторчику.
Успехов в реализации! Вопросы- в эту ветку.


Вложения:
фотоприёмник.GIF [7.3 KiB]
Скачиваний: 961
Вернуться наверх
 
 Заголовок сообщения:
СообщениеДобавлено: Вт окт 31, 2006 21:19:45 
Прорезались зубы
Аватар пользователя

Карма: 1
Рейтинг сообщений: 4
Зарегистрирован: Пт июн 16, 2006 21:39:36
Сообщений: 225
Рейтинг сообщения: 0
Сэр Мурр спасибо что откликнулись!
Дело в том что моя схема работает, которая со светодиодом. И плату я уже вытровил и поставил микруху, а снять уже будет трудно потому-что там ножки еле держатся:( Так что...
Дело в том что по моей схеме светодиод загорается и если вы смотрели его то там он прямо подключен к выходу ОУ. Но проблема в том что когда светодиод загорается то транзистор не откриваетсяб а как я подключил транзистор видно на втором рисунке, посоветуйте как же сделать так чтоб МП38 откривался по моей схеме может я не так прицепил?
Да кстате я на мп38 и 42-ом Н-мост делал и он через LPT порт работал и работает, так что для моих моторчиков и мп38 потянет :)


Вложения:
ir sensor 1.gif [7.69 KiB]
Скачиваний: 840
IR sensor.gif [3.84 KiB]
Скачиваний: 891

_________________
"The only thing necessary for the triumph of evil is for good men to do nothing" Ebmund Bruke(1729-97)
Вернуться наверх
 
 Заголовок сообщения:
СообщениеДобавлено: Вт окт 31, 2006 21:34:44 
Модератор
Аватар пользователя

Карма: 46
Рейтинг сообщений: 236
Зарегистрирован: Чт окт 27, 2005 18:50:07
Сообщений: 11169
Откуда: из мест не столь отдалённых
Рейтинг сообщения: 0
Медали: 2
Получил миской по аватаре (1) Мявтор 3-й степени (1)
Ну никак не пойму, почему у Вас схема без мотора- работает. Ну ладно, слаб умом стал. В отношении схемы с мотором- нужно приделать индикацию, когда мотор включится? Тогда попробуйте светодиод включить в цепь базы транзистора, мобыть, придётся немного уменьшить сопротивление 470 ом.


Вернуться наверх
 
 Заголовок сообщения:
СообщениеДобавлено: Вт окт 31, 2006 22:10:39 
этот ОУ по моему не предназначен для однополярного питания.


Вернуться наверх
   
 
 Заголовок сообщения:
СообщениеДобавлено: Вт окт 31, 2006 22:30:58 
Прорезались зубы
Аватар пользователя

Карма: 1
Рейтинг сообщений: 4
Зарегистрирован: Пт июн 16, 2006 21:39:36
Сообщений: 225
Рейтинг сообщения: 0
Сэр Мурр писал(а):
Ну никак не пойму, почему у Вас схема без мотора- работает. Ну ладно, слаб умом стал. В отношении схемы с мотором- нужно приделать индикацию, когда мотор включится? Тогда попробуйте светодиод включить в цепь базы транзистора, мобыть, придётся немного уменьшить сопротивление 470 ом.

Я сам не поиму почему не работает! кстате я пробовал подключать не випаивая светодиод, рямо базу транзистора вещал на выход, и тогда светодиод гаснет а транзистор до конца не открывается:( А вольтметром йифровым мерил без транзистора и когда светодиод горит то на выходе (паралелно светододу тестер подключал) 2,9волть, при питании 12волть. Это нормально?

_________________
"The only thing necessary for the triumph of evil is for good men to do nothing" Ebmund Bruke(1729-97)


Вернуться наверх
 
 Заголовок сообщения:
СообщениеДобавлено: Вт окт 31, 2006 22:35:00 
Прорезались зубы
Аватар пользователя

Карма: 1
Рейтинг сообщений: 4
Зарегистрирован: Пт июн 16, 2006 21:39:36
Сообщений: 225
Рейтинг сообщения: 0
Anonymous писал(а):
этот ОУ по моему не предназначен для однополярного питания.

Но в даташите не написано ничего таково, посмотрите на рисунок.
там ведь всего один + для питания


Вложения:
LM1458M.GIF [4.36 KiB]
Скачиваний: 1148

_________________
"The only thing necessary for the triumph of evil is for good men to do nothing" Ebmund Bruke(1729-97)
Вернуться наверх
 
Показать сообщения за:  Сортировать по:  Вернуться наверх
Начать новую тему Ответить на тему  [ Сообщений: 40 ]  1,  

Часовой пояс: UTC + 3 часа


Вы не можете начинать темы
Вы не можете отвечать на сообщения
Вы не можете редактировать свои сообщения
Вы не можете удалять свои сообщения
Вы не можете добавлять вложения

Найти:
Перейти:  


Powered by phpBB © 2000, 2002, 2005, 2007 phpBB Group
Русская поддержка phpBB
Extended by Karma MOD © 2007—2012 m157y
Extended by Topic Tags MOD © 2012 m157y