Например TDA7294

Форум РадиоКот • Просмотр темы - как делит 561ИЕ16 ?
Форум РадиоКот
Здесь можно немножко помяукать :)

Текущее время: Вт мар 17, 2026 03:04:47

Часовой пояс: UTC + 3 часа


ПРЯМО СЕЙЧАС:



Начать новую тему Ответить на тему  [ Сообщений: 45 ]  1, ,  
Автор Сообщение
 Заголовок сообщения: как делит 561ИЕ16 ?
СообщениеДобавлено: Сб янв 03, 2026 17:20:08 
Друг Кота
Аватар пользователя

Карма: 48
Рейтинг сообщений: 110
Зарегистрирован: Пн мар 22, 2010 11:01:14
Сообщений: 7552
Откуда: СССР, г. Москва.
Рейтинг сообщения: 0
Привет. Я совсем запутался :facepalm:
Если с выхода первого счётчика подать сигнал на вход второго счётчика, то на выходе второго будет значение произведения обоих выходов счётчиков?
15 вывод 1024, 7 вывод 8. 1024*8 = 8192 коэффициент деления? А почему на рисунке в 2 раза выше? Как правильно считать?

_________________
Я рожден при социализме, и я этим горжусь!


Последний раз редактировалось Соник Сб янв 03, 2026 20:38:20, всего редактировалось 1 раз.

Вернуться наверх
 
 Заголовок сообщения: Re: как делит 561ИЕ16 ?
СообщениеДобавлено: Сб янв 03, 2026 17:30:36 
Друг Кота
Аватар пользователя

Карма: 59
Рейтинг сообщений: 2255
Зарегистрирован: Чт янв 26, 2012 16:44:29
Сообщений: 20066
Откуда: Таксимо
Рейтинг сообщения: 0
А даташиты что говорят?

_________________
Мои поставщики запчастей с отличной репутацией
texnomag.ru
radioremont.com
pl-1.org
4ip.info
elitan.ru


Вернуться наверх
 
 Заголовок сообщения: Re: как делит 561ИЕ16 ?
СообщениеДобавлено: Сб янв 03, 2026 18:29:49 
Друг Кота
Аватар пользователя

Карма: 50
Рейтинг сообщений: 1400
Зарегистрирован: Пт авг 28, 2009 21:34:30
Сообщений: 7347
Откуда: 845-й км.
Рейтинг сообщения: 0
Медали: 1
Получил миской по аватаре (1)
А откуда вы взяли, что 15 вывод это 1024. Кстати, ЧЕГО 1024?

А чтобы не путаться - считайте триггеры. 15 вывод это выход одиннадцатого триггера. И триггеры просто суммируются. А возвести двойку в степень числа граггеров, чтобы получить коэффциент деления - это можно потом


Вернуться наверх
 
 Заголовок сообщения: Re: как делит 561ИЕ16 ?
СообщениеДобавлено: Сб янв 03, 2026 18:53:47 
Друг Кота
Аватар пользователя

Карма: 48
Рейтинг сообщений: 110
Зарегистрирован: Пн мар 22, 2010 11:01:14
Сообщений: 7552
Откуда: СССР, г. Москва.
Рейтинг сообщения: 0
СпойлерИзображение


ААА! Я понял! Счётчик четырнадцатиразрядный, но не со всех разрядов сделаны выходы наружу корпуса микросхемы! :))
Значит её максимальный коэффициент деления равен 16384 ?
А если я на вход левого счётчика подам 32768 Гц, то на его выходе (ножке 2) будет 4 Гц ?
А на выводе 2 правого счётчика будет 2 Гц?

:dont_know:


Вложения:
16.jpg [100.65 KiB]
Скачиваний: 417

_________________
Я рожден при социализме, и я этим горжусь!
Вернуться наверх
 
Эиком - электронные компоненты и радиодетали
 Заголовок сообщения: Re: как делит 561ИЕ16 ?
СообщениеДобавлено: Сб янв 03, 2026 22:15:30 
Друг Кота
Аватар пользователя

Карма: 59
Рейтинг сообщений: 2255
Зарегистрирован: Чт янв 26, 2012 16:44:29
Сообщений: 20066
Откуда: Таксимо
Рейтинг сообщения: 0
Насчет 4 герц да, насчет 2х герц вроде тоже да. А смысл тогда во втором корпусе бери сразу с выхода q14 первого корпуса

_________________
Мои поставщики запчастей с отличной репутацией
texnomag.ru
radioremont.com
pl-1.org
4ip.info
elitan.ru


Вернуться наверх
 
 Заголовок сообщения: Re: как делит 561ИЕ16 ?
СообщениеДобавлено: Сб янв 03, 2026 22:42:32 
Друг Кота
Аватар пользователя

Карма: 197
Рейтинг сообщений: 8652
Зарегистрирован: Пн ноя 30, 2009 03:00:01
Сообщений: 43597
Откуда: Нерезиновая
Рейтинг сообщения: 2
У двух последовательно соединённых счётчиков CD4020 будут вот такие коэффициенты деления, и, далее написаны длительности периодов в секундах и(или) минутах:
Если на вход первого счётчика подать 32768 Гц, то, на выходах счётчиков входная частота будет делиться вот так:
СпойлерИзображение
Вложение:
Коэффициенты деления CD4020.PNG [76.93 KiB]
Скачиваний: 383

Максимальный коэффициент деления- 268 435 456, или длительность 8192 сек. или примерно 2,27 часа.
Чисто двоичным счётом, из частоты 32 768 Гц, получить период ровно 24 часа - не получится.

зы.. Я надеюсь, что нигде не ошибся.. :facepalm: :)))


Вернуться наверх
 
 Заголовок сообщения: Re: как делит 561ИЕ16 ?
СообщениеДобавлено: Сб фев 07, 2026 19:12:37 
Друг Кота
Аватар пользователя

Карма: 48
Рейтинг сообщений: 110
Зарегистрирован: Пн мар 22, 2010 11:01:14
Сообщений: 7552
Откуда: СССР, г. Москва.
Рейтинг сообщения: 0
СпойлерИзображение

Когда счётчик работает делителем импульсов, как принудительно его обнулить (например нажатием кнопки без фиксации)? Вход R уже занят, и диод на него поставить нельзя :dont_know:


Вложения:
rk0320-21.png [30.81 KiB]
Скачиваний: 637

_________________
Я рожден при социализме, и я этим горжусь!
Вернуться наверх
 
 Заголовок сообщения: Re: как делит 561ИЕ16 ?
СообщениеДобавлено: Сб фев 07, 2026 19:38:15 
Друг Кота
Аватар пользователя

Карма: 50
Рейтинг сообщений: 1400
Зарегистрирован: Пт авг 28, 2009 21:34:30
Сообщений: 7347
Откуда: 845-й км.
Рейтинг сообщения: 0
Медали: 1
Получил миской по аватаре (1)
можно поставить два диода (и резистор), если не хочется поставить еще один логический элемент


Вернуться наверх
 
 Заголовок сообщения: Re: как делит 561ИЕ16 ?
СообщениеДобавлено: Сб фев 07, 2026 19:49:30 
Друг Кота
Аватар пользователя

Карма: 48
Рейтинг сообщений: 110
Зарегистрирован: Пн мар 22, 2010 11:01:14
Сообщений: 7552
Откуда: СССР, г. Москва.
Рейтинг сообщения: 0
А резистор с вывода R на землю, или как?

_________________
Я рожден при социализме, и я этим горжусь!


Вернуться наверх
 
 Заголовок сообщения: Re: как делит 561ИЕ16 ?
СообщениеДобавлено: Сб фев 07, 2026 20:15:37 
Друг Кота
Аватар пользователя

Карма: 50
Рейтинг сообщений: 1400
Зарегистрирован: Пт авг 28, 2009 21:34:30
Сообщений: 7347
Откуда: 845-й км.
Рейтинг сообщения: 0
Медали: 1
Получил миской по аватаре (1)
Ну да. Ведь, если диоды закрыты, надо как-то обеспечить неактивный уровень на входе R.

Изображение
О, я обошелся одним диодом...


Вернуться наверх
 
 Заголовок сообщения: Re: как делит 561ИЕ16 ?
СообщениеДобавлено: Сб фев 07, 2026 21:42:47 
Электрический кот

Карма: 2
Рейтинг сообщений: 127
Зарегистрирован: Пт ноя 22, 2024 14:08:43
Сообщений: 1074
Рейтинг сообщения: 0
гарантированный сброс (>350 нс) надо обеспечивать каким-то одновибратором.....или можно "и так сойдёт"...)))
на этой схеме порядка 200 мкс (в связи с большими временами - не мешает)...
Изображение


Вернуться наверх
 
 Заголовок сообщения: Re: как делит 561ИЕ16 ?
СообщениеДобавлено: Вс фев 08, 2026 13:47:05 
Друг Кота
Аватар пользователя

Карма: 48
Рейтинг сообщений: 110
Зарегистрирован: Пн мар 22, 2010 11:01:14
Сообщений: 7552
Откуда: СССР, г. Москва.
Рейтинг сообщения: 0
Изображение
О, я обошелся одним диодом...


Я по этой схеме и собирал, и она не работала, пока я не поменял 1N4148 на 1N4007.
Оказалось что 17 диодов 4148, в этой схеме нормально работают только 5 шт, а остальные 12 почему-то не работают, хотя звонятся мультиметром как диоды, и через резистор 1к к +12 Вольт тоже ведут себя как диоды :o :o :o У кого-нибудь было такое? :dont_know:

_________________
Я рожден при социализме, и я этим горжусь!


Вернуться наверх
 
 Заголовок сообщения: Re: как делит 561ИЕ16 ?
СообщениеДобавлено: Вс фев 08, 2026 15:18:09 
Друг Кота
Аватар пользователя

Карма: 50
Рейтинг сообщений: 1400
Зарегистрирован: Пт авг 28, 2009 21:34:30
Сообщений: 7347
Откуда: 845-й км.
Рейтинг сообщения: 0
Медали: 1
Получил миской по аватаре (1)
А потому что не всё так просто как кажется. падение напряжения на диодах тоже надо учитывать.


Вернуться наверх
 
 Заголовок сообщения: Re: как делит 561ИЕ16 ?
СообщениеДобавлено: Вс фев 08, 2026 16:13:14 
Друг Кота
Аватар пользователя

Карма: 48
Рейтинг сообщений: 110
Зарегистрирован: Пн мар 22, 2010 11:01:14
Сообщений: 7552
Откуда: СССР, г. Москва.
Рейтинг сообщения: 0
Так диоды все ОДИНАКОВЫЕ!

_________________
Я рожден при социализме, и я этим горжусь!


Вернуться наверх
 
 Заголовок сообщения: Re: как делит 561ИЕ16 ?
СообщениеДобавлено: Вс фев 08, 2026 17:06:49 
Друг Кота
Аватар пользователя

Карма: 32
Рейтинг сообщений: 969
Зарегистрирован: Пт сен 10, 2021 15:19:36
Сообщений: 6548
Откуда: Протвино
Рейтинг сообщения: 0
схема с ресетом на самодельном диодном И на выходе __асинхронного__! счетчика это неслишком надежно, проблема в том что на выходе этого И-элемента будут неизбежно проскакивать короткие иголки, свяязанные с задержками распространения сигнала по цепочке счетных триггеров. это можно попростецки устранить интегрирующей цепочкой, подавляющей иголки, обязательно с усилителями-формирователями на выходе(скажем пара инвертирующих элементов последовательно) , а лучше - непрозрачным d-триггером, защелкивающим значение R, в моменты подальше от всех переходных процессов в счетчике (если счетчик не на пределе своей скорости работает то удобнее всего защелкивать R по не-активному для счетчика фронту Сin)


замена диодов на медленные скорее всего и давало эффект интегрирующей цепочки на выходе диодного элемента. но надежность и стабильность такого решения мягко говоря вызывает вопросы :)


Вернуться наверх
 
 Заголовок сообщения: Re: как делит 561ИЕ16 ?
СообщениеДобавлено: Вс фев 08, 2026 17:35:52 
Друг Кота
Аватар пользователя

Карма: 48
Рейтинг сообщений: 110
Зарегистрирован: Пн мар 22, 2010 11:01:14
Сообщений: 7552
Откуда: СССР, г. Москва.
Рейтинг сообщения: 0
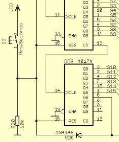
На плате DIP-переключателями выбираю нужный мне коэффициент деления, но не могу снять этот сигнал. Схема сброса работает, но поделенную частоту не знаю как снять. Помогите! :dont_know: Как сделать правильно? Я бы подал сигнал на триггер, но сигнала нету :facepalm:


Вложения:
сх1.JPG [44.45 KiB]
Скачиваний: 170

_________________
Я рожден при социализме, и я этим горжусь!
Вернуться наверх
 
 Заголовок сообщения: Re: как делит 561ИЕ16 ?
СообщениеДобавлено: Вс фев 08, 2026 17:56:07 
Электрический кот

Карма: 2
Рейтинг сообщений: 127
Зарегистрирован: Пт ноя 22, 2024 14:08:43
Сообщений: 1074
Рейтинг сообщения: 0
R2 поставь 22К


Последний раз редактировалось Krismi70 Вс фев 08, 2026 18:11:32, всего редактировалось 1 раз.

Вернуться наверх
 
 Заголовок сообщения: Re: как делит 561ИЕ16 ?
СообщениеДобавлено: Вс фев 08, 2026 17:59:42 
Друг Кота
Аватар пользователя

Карма: 197
Рейтинг сообщений: 8652
Зарегистрирован: Пн ноя 30, 2009 03:00:01
Сообщений: 43597
Откуда: Нерезиновая
Рейтинг сообщения: 0
"монтажное "И" на диодах- не самое лучшее решение, я, как-то столкнулся с тем, что "монтажное "И" очнь нечётко работало в часах на 176ИЕ3/ИЕ4.. :dont_know: :facepalm:

зы.. Что-то мне кажется, что вот на этой картинке
СпойлерИзображение

ошибка в нумерации выводов.. :dont_know:

Соник писал(а):
Схема сброса работает, но поделенную частоту не знаю как снять. Помогите! :dont_know: Как сделать правильно? Я бы подал сигнал на триггер, но сигнала нету :facepalm:

Сигнал "сброса" подайте на какой- нибудь триггер- раз микросхема сбрасывается, то и сигнал есть, но он очень короткий- его "светодиодом" не увидишь.

СпойлерИзображение

И, R1 и R3 по 10 кОм- это как-то неправильно- на входе "сброс" будет только половина напряжения питания. Нужно, либо R1 уменьшить, либо R3 увеличить.


Вернуться наверх
 
 Заголовок сообщения: Re: как делит 561ИЕ16 ?
СообщениеДобавлено: Вс фев 08, 2026 18:15:03 
Электрический кот

Карма: 2
Рейтинг сообщений: 127
Зарегистрирован: Пт ноя 22, 2024 14:08:43
Сообщений: 1074
Рейтинг сообщения: 0
да, R3 увеличить до 100К, R2 22К-47К...а, может, ещё и конденсатор 100 пФ на эту общую цепь повесить...


Вернуться наверх
 
 Заголовок сообщения: Re: как делит 561ИЕ16 ?
СообщениеДобавлено: Вс фев 08, 2026 18:54:52 
Друг Кота
Аватар пользователя

Карма: 48
Рейтинг сообщений: 110
Зарегистрирован: Пн мар 22, 2010 11:01:14
Сообщений: 7552
Откуда: СССР, г. Москва.
Рейтинг сообщения: 0
С триггером работает! Можно вместо него одновибратор поставить? Чтобы преобразовать этот короткий импульс сброса в ~5 секундный? :oops:

_________________
Я рожден при социализме, и я этим горжусь!


Вернуться наверх
 
Показать сообщения за:  Сортировать по:  Вернуться наверх
Начать новую тему Ответить на тему  [ Сообщений: 45 ]  1, ,  

Часовой пояс: UTC + 3 часа


Вы не можете начинать темы
Вы не можете отвечать на сообщения
Вы не можете редактировать свои сообщения
Вы не можете удалять свои сообщения
Вы не можете добавлять вложения

Найти:
Перейти:  


Powered by phpBB © 2000, 2002, 2005, 2007 phpBB Group
Русская поддержка phpBB
Extended by Karma MOD © 2007—2012 m157y
Extended by Topic Tags MOD © 2012 m157y