Например TDA7294

Форум РадиоКот • Просмотр темы - Мигалка на NE555
Форум РадиоКот
Здесь можно немножко помяукать :)

Текущее время: Чт мар 12, 2026 22:19:28

Часовой пояс: UTC + 3 часа


ПРЯМО СЕЙЧАС:



Начать новую тему Ответить на тему  [ Сообщений: 35 ]  1,  
Автор Сообщение
 Заголовок сообщения: Мигалка на NE555
СообщениеДобавлено: Вс ноя 16, 2025 04:51:12 
Нашел транзистор. Понюхал.

Зарегистрирован: Ср окт 24, 2018 09:11:02
Сообщений: 171
Рейтинг сообщения: 0
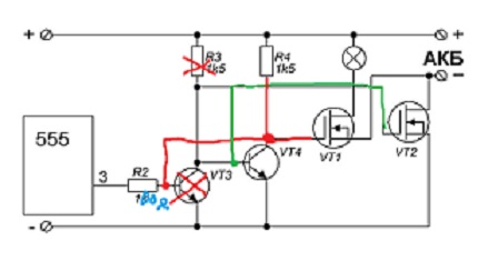
Приветствую всех. Прошу подсказать, решил собрать моргалку на NE555.
Вложение:
Мигалка1.jpg [59.25 KiB]
Скачиваний: 508
По факту - не заработала. Пояснения по фото:
Вложение:
20251115_205922.jpg [200.15 KiB]
Скачиваний: 107
1) сигнал на выходе (-) АКБ,
Вложение:
20251116_034223.jpg [180.18 KiB]
Скачиваний: 90
2) сигнал на коллекторе VT3,
Вложение:
20251116_034106.jpg [191.22 KiB]
Скачиваний: 94
3) сигнал на коллекторе VT4,
Вложение:
20251116_035430.jpg [180.95 KiB]
Скачиваний: 89
4) Сборная картинка, выход "3" NE555, после R2, коллектор VT3, коллектор VT4.
Что в схеме неправильно?


Вернуться наверх
 
 Заголовок сообщения: Re: Мигалка на NE555
СообщениеДобавлено: Вс ноя 16, 2025 05:42:54 
Друг Кота
Аватар пользователя

Карма: 197
Рейтинг сообщений: 8643
Зарегистрирован: Пн ноя 30, 2009 03:00:01
Сообщений: 43579
Откуда: Нерезиновая
Рейтинг сообщения: 0
А питание этой схемы:
СпойлерИзображение

откуда подаётся?
А куда вы эту "моргалку" запиховывать :))) будете?


Вернуться наверх
 
 Заголовок сообщения: Re: Мигалка на NE555
СообщениеДобавлено: Вс ноя 16, 2025 06:01:12 
Нашел транзистор. Понюхал.

Зарегистрирован: Ср окт 24, 2018 09:11:02
Сообщений: 171
Рейтинг сообщения: 0
Питание 14-15 VDC. Эта моргалка должна работать следующим образом: 7 сек. идет напряжение на клемму АКБ, 7 сек - переключается на питание лампы. Так циклично. Не пойму, почему напряжение на коллекторе VT3 почти равно напряжению на базе. Тестер транзисторов показывает исправный транзистор. Транзисторы 2N2222. Полевые для проверки отключил.


Вернуться наверх
 
 Заголовок сообщения: Re: Мигалка на NE555
СообщениеДобавлено: Вс ноя 16, 2025 07:31:28 
Друг Кота
Аватар пользователя

Карма: 23
Рейтинг сообщений: 406
Зарегистрирован: Вс окт 24, 2010 16:02:46
Сообщений: 3521
Откуда: Ижевск
Рейтинг сообщения: 0
В этой схеме напряжение на затворе Т2 не может превысить примерно 0,7 вольт, потому как он подключен к базе Т4, вот он и не открывается.
Думаю Т4 можно убрать вовсе, подключив затвор Т1 непосредственно в выходу микросхемы. Могу ошибаться, подождите пока кто ни будь еще подскажет.


Вернуться наверх
 
Эиком - электронные компоненты и радиодетали
 Заголовок сообщения: Re: Мигалка на NE555
СообщениеДобавлено: Вс ноя 16, 2025 08:37:54 
Друг Кота
Аватар пользователя

Карма: 197
Рейтинг сообщений: 8643
Зарегистрирован: Пн ноя 30, 2009 03:00:01
Сообщений: 43579
Откуда: Нерезиновая
Рейтинг сообщения: 0
nobilia7 писал(а):
Питание 14-15 VDC. Эта моргалка должна работать следующим образом: 7 сек. идет напряжение на клемму АКБ, 7 сек - переключается на питание лампы. Так циклично.

Как я понял, вы "изобрели" десульфататор?
7 секунд аккумулятор заряжается, потом 7 секунд он должен разряжаться через лампу.
nobilia7 писал(а):
Не пойму, почему напряжение на коллекторе VT3 почти равно напряжению на базе.

А какое у вас напряжение на базе?
У вас напряжение на коллекторе VT3 ограничено напряжением на открытом переходе база-эмиттер VT4 (примерно 0,7 вольта)
При высоком уровне сигнала с выхода 555 таймера, напряжение на базе должно быть в районе 0,7 вольта, а на коллекторе- чуть больше (транзистор открыт)

Как минимум, у вас нужно резистор R2 увеличить, например, до 10 кОм, а, между коллектором VT3 и базой VT4 тоже поставить резистор- те же 10 кОм.
СпойлерИзображение
Вложение:
схема с 555 таймером.PNG [34.66 KiB]
Скачиваний: 392


Не знаю, почему вы решили поставить VT1 N-канальный мосфет, в эту цепочку просится P-канальный мосфет, а транзисторы VT3 и VT4, в принципе, не нужны.
СпойлерИзображение
Вложение:
схема с 555 таймером-2.PNG [64.27 KiB]
Скачиваний: 644


Вернуться наверх
 
 Заголовок сообщения: Re: Мигалка на NE555
СообщениеДобавлено: Вс ноя 16, 2025 12:01:47 
Нашел транзистор. Понюхал.

Зарегистрирован: Ср окт 24, 2018 09:11:02
Сообщений: 171
Рейтинг сообщения: 0
"sstvov", дело в том, что я откинул полевики и измеряю сигналы только на участке NE555 - коллекторы VT3=VT4.


Вернуться наверх
 
 Заголовок сообщения: Re: Мигалка на NE555
СообщениеДобавлено: Вс ноя 16, 2025 12:38:31 
Электрический кот

Карма: 2
Рейтинг сообщений: 127
Зарегистрирован: Пт ноя 22, 2024 14:08:43
Сообщений: 1062
Рейтинг сообщения: 0
Так зарядный полевик может включаться, а разрядный - всё равно нет, у него исток становится оторванным от своего питания затвора
Изображение


Последний раз редактировалось Krismi70 Вс ноя 16, 2025 12:51:56, всего редактировалось 1 раз.

Вернуться наверх
 
 Заголовок сообщения: Re: Мигалка на NE555
СообщениеДобавлено: Вс ноя 16, 2025 12:49:58 
Нашел транзистор. Понюхал.

Зарегистрирован: Ср окт 24, 2018 09:11:02
Сообщений: 171
Рейтинг сообщения: 0
"АлександрЛ", напряжение на базе VT3 - 740 mV , на базе VT4 - 740 mV , коллектор VT4 - (+ -) напряжение питания.


Вернуться наверх
 
 Заголовок сообщения: Re: Мигалка на NE555
СообщениеДобавлено: Вс ноя 16, 2025 12:53:00 
Электрический кот

Карма: 2
Рейтинг сообщений: 127
Зарегистрирован: Пт ноя 22, 2024 14:08:43
Сообщений: 1062
Рейтинг сообщения: 0
АлександрЛ и без вас знает про базу....)))


Вернуться наверх
 
 Заголовок сообщения: Re: Мигалка на NE555
СообщениеДобавлено: Вс ноя 16, 2025 12:56:32 
Нашел транзистор. Понюхал.

Зарегистрирован: Ср окт 24, 2018 09:11:02
Сообщений: 171
Рейтинг сообщения: 0
"Krismi70", Вы имели ввиду увеличить сопротивление R2 до 10К и Дополнительно соединить VT3 и VT4 через сопротивление R= 10К ? А что насчет открытия VT1 ?


Вернуться наверх
 
 Заголовок сообщения: Re: Мигалка на NE555
СообщениеДобавлено: Вс ноя 16, 2025 13:06:40 
Электрический кот

Карма: 2
Рейтинг сообщений: 127
Зарегистрирован: Пт ноя 22, 2024 14:08:43
Сообщений: 1062
Рейтинг сообщения: 0
VT1 по вашей задумке НЕ РАБОТАЕТ....)))


Вернуться наверх
 
 Заголовок сообщения: Re: Мигалка на NE555
СообщениеДобавлено: Вс ноя 16, 2025 13:11:39 
Нашел транзистор. Понюхал.

Зарегистрирован: Ср окт 24, 2018 09:11:02
Сообщений: 171
Рейтинг сообщения: 0
"Krismi70", а как возможно исправить ситуацию? Да, было мнение , что VT3 и R3 вообще не нужны. Хочется понять, как наладить работу схемы. Есл, например так:
Вложение:
Мигалка2.jpg [21.38 KiB]
Скачиваний: 84


Последний раз редактировалось nobilia7 Вс ноя 16, 2025 13:24:02, всего редактировалось 1 раз.

Вернуться наверх
 
 Заголовок сообщения: Re: Мигалка на NE555
СообщениеДобавлено: Вс ноя 16, 2025 13:21:22 
Электрический кот

Карма: 2
Рейтинг сообщений: 127
Зарегистрирован: Пт ноя 22, 2024 14:08:43
Сообщений: 1062
Рейтинг сообщения: 0
nobilia7 писал(а):
как возможно исправить ситуацию?

...))))...можно не создавать ситуацию...))
817й оптопарой, например, включать (или выключать) затвор...


Вернуться наверх
 
 Заголовок сообщения: Re: Мигалка на NE555
СообщениеДобавлено: Вс ноя 16, 2025 13:27:30 
Нашел транзистор. Понюхал.

Зарегистрирован: Ср окт 24, 2018 09:11:02
Сообщений: 171
Рейтинг сообщения: 0
"Krismi70", 817й оптопарой, например, включать (или выключать) затвор... Вы имеете ввиду убрать VT3, VT4, VT1, R3, R4, после R2 поставить ОП-817 и выход подать на VT2 ?
Вложение:
М-3.jpg [97.73 KiB]
Скачиваний: 84
. А лампу нагрузочную куда подключать?


Вернуться наверх
 
 Заголовок сообщения: Re: Мигалка на NE555
СообщениеДобавлено: Вс ноя 16, 2025 15:08:56 
Друг Кота
Аватар пользователя

Карма: 197
Рейтинг сообщений: 8643
Зарегистрирован: Пн ноя 30, 2009 03:00:01
Сообщений: 43579
Откуда: Нерезиновая
Рейтинг сообщения: 0
nobilia7 писал(а):
. А лампу нагрузочную куда подключать?

Вы на вопросы ответите, или опять гадать придётся?
1- какой аккумулятор вы будете мучить своим устройством?
2- по какой причине вы отказываетесь рассмотреть применение в цепи разряда P- канального мосфета?
3- какой именно мосфет вы запланировали применить в своей схеме?


Вернуться наверх
 
 Заголовок сообщения: Re: Мигалка на NE555
СообщениеДобавлено: Вс ноя 16, 2025 16:33:43 
Нашел транзистор. Понюхал.

Зарегистрирован: Ср окт 24, 2018 09:11:02
Сообщений: 171
Рейтинг сообщения: 0
"АлександрЛ", 1) издеваться хочу над автомобильным аккумулятором, зарядное напряжение около 18 В, 2) р-канальный пока не рассматривал, поскольку нет ни схемы ни транзистора, 3) я собрал вышеуказанную схему (которая не заработала) на 2-х транзисторах 2N2222 + 2 х IRF1405.


Вернуться наверх
 
 Заголовок сообщения: Re: Мигалка на NE555
СообщениеДобавлено: Вс ноя 16, 2025 16:47:08 
Друг Кота
Аватар пользователя

Карма: 197
Рейтинг сообщений: 8643
Зарегистрирован: Пн ноя 30, 2009 03:00:01
Сообщений: 43579
Откуда: Нерезиновая
Рейтинг сообщения: 0
С аккумулятором- понятно.
Ток заряда- порядка 10 ампер, разряд- 5~10 ампер.. Наверное.. :)))

Примерную схему я нарисовал. Примерно подходящий Р-канальный мосфет даже в чипдипе стоит 38 рублей-
https://www.chipdip.ru/product/fqp47p06 ... 9001633745
или 55 рублей-
https://www.chipdip.ru/product/irf4905p ... 9001679682
или 56 рублей-
https://www.chipdip.ru/product/irf4905- ... 9001634771
Ну, там ещё много вариантов.. :dont_know:


Вернуться наверх
 
 Заголовок сообщения: Re: Мигалка на NE555
СообщениеДобавлено: Вс ноя 16, 2025 16:52:00 
Электрический кот

Карма: 2
Рейтинг сообщений: 127
Зарегистрирован: Пт ноя 22, 2024 14:08:43
Сообщений: 1062
Рейтинг сообщения: 0
nobilia7 писал(а):
А лампу нагрузочную куда подключать?

да лампа на месте и остаётся
Изображение


Вернуться наверх
 
 Заголовок сообщения: Re: Мигалка на NE555
СообщениеДобавлено: Вс ноя 16, 2025 18:13:53 
Нашел транзистор. Понюхал.

Зарегистрирован: Ср окт 24, 2018 09:11:02
Сообщений: 171
Рейтинг сообщения: 0
"Krismi70", Спасибо. Попробую проверить.

Добавлено after 10 minutes 18 seconds:
"АлександрЛ", ОК. Пара вопросов по схемам. 1) по (схема с 555 таймером.PNG) выходы "1" и "0" далее соединяются с п-канальными транзисторами?
2) схема с 555 таймером 2.PNG . Не понял куда идут выводы "Cont" и "CAP". Попробую осмыслить и собрать схему.


Вернуться наверх
 
 Заголовок сообщения: Re: Мигалка на NE555
СообщениеДобавлено: Вс ноя 16, 2025 18:33:17 
Сверлит текстолит когтями

Карма: 5
Рейтинг сообщений: 182
Зарегистрирован: Пн май 01, 2017 20:01:45
Сообщений: 1157
Рейтинг сообщения: 0
Напряжение закрывания для VT2 будет порядка 1.8-2В. Для IRF1405 это допускается, но все равно грубейшая ошибка. Заменят на 25-35 вольтовый транзистор и всё станет совсем иным.
Применение оптопары здесь излишне, точно то-же можно сделать на pnp транзисторе, подключив БЭ между + и:
- R3
или
- выход NE555 через резистор
И добавить резистор БЭ и резистор в коллектор к затвору VT1.
Альтернативный вариант - лампу можно вообще не отключать. По логике работы, лампа должна брать самую часть тока заряда, а потому дополнительная мощность из зарядника будет не-существенна. Кроме того, постоянное вкл-выкл вредно и для лампы и для аккумулятора (ток холодной лампы помните?).


Вернуться наверх
 
Показать сообщения за:  Сортировать по:  Вернуться наверх
Начать новую тему Ответить на тему  [ Сообщений: 35 ]  1,  

Часовой пояс: UTC + 3 часа


Вы не можете начинать темы
Вы не можете отвечать на сообщения
Вы не можете редактировать свои сообщения
Вы не можете удалять свои сообщения
Вы не можете добавлять вложения

Найти:
Перейти:  


Powered by phpBB © 2000, 2002, 2005, 2007 phpBB Group
Русская поддержка phpBB
Extended by Karma MOD © 2007—2012 m157y
Extended by Topic Tags MOD © 2012 m157y