Например TDA7294

Форум РадиоКот • Просмотр темы - часы на АЛС324 ,1 или 490ИП2
Форум РадиоКот
Здесь можно немножко помяукать :)

Текущее время: Пт янв 30, 2026 16:32:24

Часовой пояс: UTC + 3 часа


ПРЯМО СЕЙЧАС:



Начать новую тему Ответить на тему  [ Сообщений: 6 ] 
Автор Сообщение
Не в сети
 Заголовок сообщения: часы на АЛС324 ,1 или 490ИП2
СообщениеДобавлено: Чт ноя 07, 2024 14:25:40 
Открыл глаза

Зарегистрирован: Пт мар 22, 2024 11:18:26
Сообщений: 44
Рейтинг сообщения: 0
часы на АЛС324 Б1 или 490ИП2, ЕСТЬ ШТУКИ 4 КАЖДОГО, подаёте пожалуйста схемку часов (найти не смог) на 155 логике, есть много разной и этих индикаторах :solder:

Добавлено after 2 minutes 2 seconds:
извините если вопрос н неправильно задал как-то, схемку просто срочно нужно


Вернуться наверх
 
Не в сети
 Заголовок сообщения: Re: часы на АЛС324 ,1 или 490ИП2
СообщениеДобавлено: Чт ноя 07, 2024 16:00:55 
Держит паяльник хвостом

Карма: -13
Рейтинг сообщений: 60
Зарегистрирован: Пн май 27, 2024 14:45:54
Сообщений: 974
Рейтинг сообщения: 0
vovakolobok писал(а):
схемку просто срочно нужно

смешно, можно подумать, что ты её завтра спаяешь....срочно - так и ищи, твоё "срочно" никого не интересует
Изображение
с дешифраторами - тоже где-то схемка была на диодах...или что сам сообразишь...питание, наверное, будет от "квадратной" батарейки....)))))

_________________
с минусами в моей карме список тех, кого народная мудрость рекомендует обходить стороной...)))


Вернуться наверх
 
Не в сети
 Заголовок сообщения: Re: часы на АЛС324 ,1 или 490ИП2
СообщениеДобавлено: Чт ноя 07, 2024 16:22:01 
Открыл глаза

Зарегистрирован: Пт мар 22, 2024 11:18:26
Сообщений: 44
Рейтинг сообщения: 0
спасибо :)))


Вернуться наверх
 
Не в сети
 Заголовок сообщения: Re: часы на АЛС324 ,1 или 490ИП2
СообщениеДобавлено: Чт ноя 07, 2024 16:22:29 
Друг Кота

Карма: 67
Рейтинг сообщений: 1964
Зарегистрирован: Сб дек 18, 2021 19:25:32
Сообщений: 12867
Рейтинг сообщения: 0
Ох... 26 микросхем. 155-ая ещё и жрёт нехило.
Повод изучать хотя бы Ардуино


Вернуться наверх
 
Эиком - электронные компоненты и радиодетали
Не в сети
 Заголовок сообщения: Re: часы на АЛС324 ,1 или 490ИП2
СообщениеДобавлено: Чт ноя 07, 2024 16:34:28 
Друг Кота
Аватар пользователя

Карма: 197
Рейтинг сообщений: 8618
Зарегистрирован: Пн ноя 30, 2009 03:00:01
Сообщений: 43339
Откуда: Нерезиновая
Рейтинг сообщения: 4
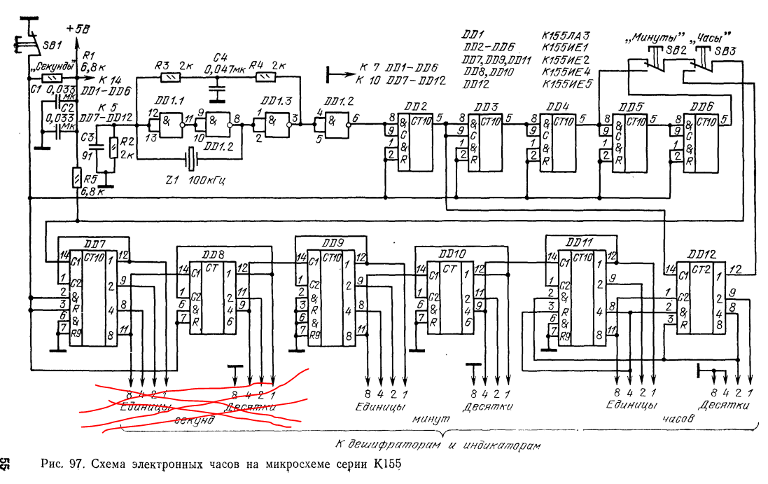
Бирюков С. А. Цифровые устройства на интегральных микросхемах
ссылка: https://sunduk.radiokot.ru/download/?id=1287652306
Схема из этой книги:
СпойлерИзображение

Выход на индикацию секунд просто не используете, а выход на индикацию часов и минут- подаёте на вход 490ИП2-
https://eandc.ru/pdf/opto/490ip2.pdf
Только на вход питания индикации нужно подавать 3 вольта, которые придётся получать из 5 вольт.

Если хотите использовать АЛС324, то, тогда ещё нужно будет найти К(Р)514ИД1 - дешифратор для семисегментных индикаторов с общим катодом или К(Р)514ИД2 для индикаторов с общим анодом-
https://radio-komplekt.ru/im/labels2/51 ... D0%942.pdf
Какой именно у вас индикатор- :dont_know: АЛС324 бывают и ОА и ОК, всё зависит от буквы:
https://www.kontest.ru/datasheet/unkn0wn/3ls324a1.pdf
А это ОК, Б это ОА, В это индикатор "+1"

Добавлено after 3 minutes 40 seconds:
Ох... 26 микросхем. 155-ая ещё и жрёт нехило.

В предложенной мной схеме 12 микросхем, или 16, если использовать АЛС324 и 524ИД1(2)

зы.. А можно и ещё меньше сделать.. :)))


Вложения:
Бирюков Часы на 155 серии.PNG [185.49 KiB]
Скачиваний: 1972
Вернуться наверх
 
Не в сети
 Заголовок сообщения: Re: часы на АЛС324 ,1 или 490ИП2
СообщениеДобавлено: Чт дек 05, 2024 04:05:08 
Друг Кота

Карма: -8
Рейтинг сообщений: 15
Зарегистрирован: Вс июл 24, 2011 11:38:09
Сообщений: 7632
Рейтинг сообщения: 0
Смотря что в наличии, если есть микросхемы то можно и на макетке.
Если нифига нет, то и лепить на ардуине и сзади её чтоб никто не видел.
Но микросхемы жрут много так что надо ключи навешивать.

514ИД1 со встроенными резисторами их напрямую подключают, но они маломощные поэтому такие индикаторы может не раскачать. В ИД2 резисторы ставить отдельно, поэтому макеткой проще такую горсть лепить.
Помнится под 324Б как раз надо ИД2 но она капризные, перегрев не любят, убиваются легко, лучше в панельку.
И ещё они медленные и много жрут, фактически как индикатор.
Так что лучше подумать о какомто КПОМ дешифраторе с отдельными ключами. Чтото вроде ULN2003, больше ничего не вспомню из ключей. Сами жешифраторы вероятно не вывезут нормальную яркость.

Есть аналоги у 324 это 321 зелёные, они ещё тусклее, хотя по выводам и корпусу похожие.
там точно ключ надо.

Такое подозрение что эти часики в розетке будут жрать 1 рубль в день.
А если пропадёт электричество то капут.
Поэтому наверно ходилку лучше делать экономичную


Вернуться наверх
 
Показать сообщения за:  Сортировать по:  Вернуться наверх
Начать новую тему Ответить на тему  [ Сообщений: 6 ] 

Часовой пояс: UTC + 3 часа


Кто сейчас на форуме

Сейчас этот форум просматривают: нет зарегистрированных пользователей и гости: 19


Вы не можете начинать темы
Вы не можете отвечать на сообщения
Вы не можете редактировать свои сообщения
Вы не можете удалять свои сообщения
Вы не можете добавлять вложения

Найти:
Перейти:  


Powered by phpBB © 2000, 2002, 2005, 2007 phpBB Group
Русская поддержка phpBB
Extended by Karma MOD © 2007—2012 m157y
Extended by Topic Tags MOD © 2012 m157y