Например TDA7294

Форум РадиоКот • Просмотр темы - тактовый генератор на 74ls93(к155лн1)
Форум РадиоКот
Здесь можно немножко помяукать :)

Текущее время: Пт янв 30, 2026 10:48:27

Часовой пояс: UTC + 3 часа


ПРЯМО СЕЙЧАС:



Начать новую тему Ответить на тему  [ Сообщений: 15 ] 
Автор Сообщение
Не в сети
 Заголовок сообщения: тактовый генератор на 74ls93(к155лн1)
СообщениеДобавлено: Вт апр 02, 2024 17:57:32 
Открыл глаза

Зарегистрирован: Ср апр 14, 2010 20:42:24
Сообщений: 40
Откуда: Молдова г,Кишинев
Рейтинг сообщения: 0
Доброго время суток .Пытаюсь заставить работать тактовый генератор для ЭВМ. Сталкнулся с проблемой полной не работы генератора .Место советской микросхемы применил 74ls93. Все элементы проверил и поставлял другие не помогло.


Вложения:
Безымянный.png [24.72 KiB]
Скачиваний: 154
Вернуться наверх
 
Не в сети
 Заголовок сообщения: Re: тактовый генератор на 74ls93(к155лн1)
СообщениеДобавлено: Вт апр 02, 2024 18:13:06 
Друг Кота
Аватар пользователя

Карма: 59
Рейтинг сообщений: 686
Зарегистрирован: Вт сен 25, 2012 23:13:41
Сообщений: 5584
Откуда: г.Дзержинск Нижегородской обл.
Рейтинг сообщения: 0
Место советской микросхемы применил 74ls93.

А можно полюбопытствовать: с чего Вы взяли, что 74LS93 (четырёхбитный бинарный счетчик) является аналогом советской 155ЛН1 (6 элементов НЕ)? Или брали из того, что было под рукой?

_________________
Спасение утопающих дело рук самих утопающих.


Вернуться наверх
 
Не в сети
 Заголовок сообщения: Re: тактовый генератор на 74ls93(к155лн1)
СообщениеДобавлено: Вт апр 02, 2024 18:57:49 
Открыл глаза

Зарегистрирован: Ср апр 14, 2010 20:42:24
Сообщений: 40
Откуда: Молдова г,Кишинев
Рейтинг сообщения: 0
ошибся 74ls04 использую
Сигнал 50мгц показывает хотя кварц на 20
74ls93 используется у меня для деления частоты чтоб получить тактовую 2.5 мгц
Изображение Изображение


Вернуться наверх
 
Не в сети
 Заголовок сообщения: Re: тактовый генератор на 74ls93(к155лн1)
СообщениеДобавлено: Вт апр 02, 2024 19:14:57 
Вымогатель припоя

Карма: -12
Рейтинг сообщений: 18
Зарегистрирован: Вс дек 17, 2023 10:19:52
Сообщений: 640
Рейтинг сообщения: 0
кварц 20MHz вполне может быть на 3ю гармонику (может, оно генерит просто на ёмкости кварца)....лучше бы кварц на 10 попробовать в этой схеме (или искать другую схему для 20)

_________________
и все теперь знают, кто чмо


Вернуться наверх
 
Эиком - электронные компоненты и радиодетали
Не в сети
 Заголовок сообщения: Re: тактовый генератор на 74ls04(к155лн1)
СообщениеДобавлено: Вт апр 02, 2024 19:28:24 
Открыл глаза

Зарегистрирован: Ср апр 14, 2010 20:42:24
Сообщений: 40
Откуда: Молдова г,Кишинев
Рейтинг сообщения: 0
Я менял кварцы на меньше частоту ,иногра работает на 4мгц но когда касаюсь вывода кварца. мне от любопытсва интересно почему другие собирают у них работает а мой не как не хочет.
Собрал другой все хорошо ,но хочется как в оригинале компьютера Микро 80. узнать причину.


Вложения:
crystal-oscillator.png [81.62 KiB]
Скачиваний: 89
Вернуться наверх
 
Не в сети
 Заголовок сообщения: Re: тактовый генератор на 74ls93(к155лн1)
СообщениеДобавлено: Вт апр 02, 2024 19:33:16 
Вымогатель припоя

Карма: -12
Рейтинг сообщений: 18
Зарегистрирован: Вс дек 17, 2023 10:19:52
Сообщений: 640
Рейтинг сообщения: 0
кварцевые генераторы и кварцы - тема не всегда однозначная без опыта....и то, что работает в одной серии логики, не работает в другой...а с учётом ошибок рисовальщиков схем вариантов ещё больше...
возможно, если бы кварц был 20 на 1й гармонике, то и работало бы...

_________________
и все теперь знают, кто чмо


Вернуться наверх
 
Не в сети
 Заголовок сообщения: Re: тактовый генератор на 74ls04(к155лн1)
СообщениеДобавлено: Вт апр 02, 2024 19:47:00 
Друг Кота
Аватар пользователя

Карма: 59
Рейтинг сообщений: 686
Зарегистрирован: Вт сен 25, 2012 23:13:41
Сообщений: 5584
Откуда: г.Дзержинск Нижегородской обл.
Рейтинг сообщения: 0
мне от любопытсва интересно почему другие собирают у них работает а мой не как не хочет.

Причина в самой конструкции. Проводники макетки и длинные выводы радиоэлементов на высоких частотах имеют вполне ощутимые паразитные ёмкости и индуктивности. Именно они и влияют на работу схемы, возбуждая кварц на верхних гармониках. Проводники печатной платы делают как можно тоньше и короче. В некоторых случаях приходится корректировать их трассировку. Блокировочные конденсаторы присоединяются непосредственно на ноги ИМС, только тогда от них будет толк. У Вас же их просто нет.

_________________
Спасение утопающих дело рук самих утопающих.


Вернуться наверх
 
Не в сети
 Заголовок сообщения: Re: тактовый генератор на 74ls04(к155лн1)
СообщениеДобавлено: Вт апр 02, 2024 20:01:53 
Открыл глаза

Зарегистрирован: Ср апр 14, 2010 20:42:24
Сообщений: 40
Откуда: Молдова г,Кишинев
Рейтинг сообщения: 0
Я собирал и на печатной плате и на макетной. Толко никакого
Изображение
https://zxbyte.ru/micro80.htm по схеме Prusak собирал только на зарубежных микросхемах только генератор не хочет заводится как на зло со схемы авторов


Вернуться наверх
 
Не в сети
 Заголовок сообщения: Re: тактовый генератор на 74ls04(к155лн1)
СообщениеДобавлено: Вт апр 02, 2024 20:30:49 
Друг Кота
Аватар пользователя

Карма: 59
Рейтинг сообщений: 686
Зарегистрирован: Вт сен 25, 2012 23:13:41
Сообщений: 5584
Откуда: г.Дзержинск Нижегородской обл.
Рейтинг сообщения: 0
Изображение

А что за паутина из тонких медных проводов идёт между белыми изоляторами? Какого конструкторского решения по трассировке ПП я ещё нигде не встречал.

_________________
Спасение утопающих дело рук самих утопающих.


Вернуться наверх
 
Не в сети
 Заголовок сообщения: Re: тактовый генератор на 74ls04(к155лн1)
СообщениеДобавлено: Вт апр 02, 2024 21:12:54 
Открыл глаза

Зарегистрирован: Ср апр 14, 2010 20:42:24
Сообщений: 40
Откуда: Молдова г,Кишинев
Рейтинг сообщения: 0
Разве такая трассировка не имеет права на жизнь ?


Вернуться наверх
 
Не в сети
 Заголовок сообщения: Re: тактовый генератор на 74ls93(к155лн1)
СообщениеДобавлено: Вт апр 02, 2024 22:02:56 
Вымогатель припоя

Карма: 6
Рейтинг сообщений: 183
Зарегистрирован: Ср янв 06, 2010 10:01:46
Сообщений: 592
Рейтинг сообщения: 0
Не исключено, что нужно подбирать номиналы резисторов, чтобы использовать серию 74LS (555) вместо 74 (155), там другие входные токи
А так попробуйте поставить чип, который указан в схеме. У меня вот эта вот вся микра80 заработала с полпинка из микросхем с помойки, причем с заменой шинных формирователей на 155ЛП8, если мне память не изменяет


Вернуться наверх
 
Не в сети
 Заголовок сообщения: Re: тактовый генератор на 74ls93(к155лн1)
СообщениеДобавлено: Вт апр 02, 2024 22:14:42 
Открыл глаза

Зарегистрирован: Ср апр 14, 2010 20:42:24
Сообщений: 40
Откуда: Молдова г,Кишинев
Рейтинг сообщения: 0
мне сложно найти микросхему серии к155 попробую номинал менять на 74ls


Вернуться наверх
 
Не в сети
 Заголовок сообщения: Re: тактовый генератор на 74ls93(к155лн1)
СообщениеДобавлено: Чт апр 04, 2024 07:27:34 
Друг Кота

Карма: -8
Рейтинг сообщений: 15
Зарегистрирован: Вс июл 24, 2011 11:38:09
Сообщений: 7632
Рейтинг сообщения: 0
Конденсатор можно выкинуть, не знаю зачем он. Без одного резистора тоже работает, но обычно оба стоят.
Для 155 многовато 16мгц, ей 14 потолок, или 12. Для 16мгц надо 555.
Для 20мгц надо может и побыстрее чтото, не видел чтоб такие кварцы ктото вешал на логику, обычно их сразу на МК ставят.
74HC надо или что то подобное.

Всегда было интересно как заставить кварц работать на гармониках, а у вас какие то чудеса.

По питанию кондёр поставьте как положено и висящие входы надо подключить. Может она помехи удваивает, токи то огромные на таких частотах. Тем более она ещё хромать может не успевая за кварцем, потому и работает ниже 60мгц.


Вернуться наверх
 
Не в сети
 Заголовок сообщения: Re: тактовый генератор на 74ls04(к155лн1)
СообщениеДобавлено: Чт апр 04, 2024 09:24:24 
Друг Кота
Аватар пользователя

Карма: 59
Рейтинг сообщений: 686
Зарегистрирован: Вт сен 25, 2012 23:13:41
Сообщений: 5584
Откуда: г.Дзержинск Нижегородской обл.
Рейтинг сообщения: 0
Разве такая трассировка не имеет права на жизнь ?

Имеет, конечно, но только в рамках макетирования низкочастотных цифровых устройств. Для серийного производства это слишком трудозатратно и ненадёжно. Помехозащищённость такого монтажа сомнительна - проводники идут в непосредственной близости друг от друга, создавая наводки. Из положительного можно отметить быструю перекоммутацию проводов при ремонте и доработке конструкции.

_________________
Спасение утопающих дело рук самих утопающих.


Вернуться наверх
 
Не в сети
 Заголовок сообщения: Re: тактовый генератор на 74ls93(к155лн1)
СообщениеДобавлено: Чт апр 04, 2024 11:01:31 
Вымогатель припоя

Карма: 6
Рейтинг сообщений: 183
Зарегистрирован: Ср янв 06, 2010 10:01:46
Сообщений: 592
Рейтинг сообщения: 0
74LS00 писал(а):
Конденсатор можно выкинуть, не знаю зачем он
Более чем странная рекомендация
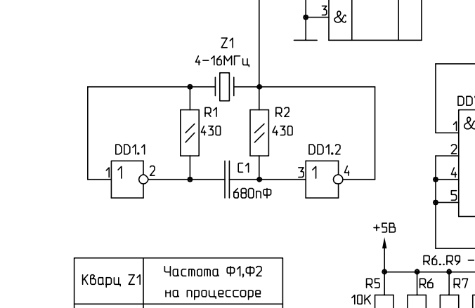
Я ранее писал, что нужно просто адаптировать схему для работы с другим типом чипа, например так, как на картинке (C1 = 100 pF, конечно)

74LS00 писал(а):
токи то огромные на таких частотах
тоже странная мысль, т.к. для рассматриваемых типов логики (74 и 74LS) ток потребления крайне слабо зависит от частоты


Вложения:
Снимок.JPG [106.68 KiB]
Скачиваний: 87
Вернуться наверх
 
Показать сообщения за:  Сортировать по:  Вернуться наверх
Начать новую тему Ответить на тему  [ Сообщений: 15 ] 

Часовой пояс: UTC + 3 часа


Кто сейчас на форуме

Сейчас этот форум просматривают: нет зарегистрированных пользователей и гости: 18


Вы не можете начинать темы
Вы не можете отвечать на сообщения
Вы не можете редактировать свои сообщения
Вы не можете удалять свои сообщения
Вы не можете добавлять вложения

Найти:
Перейти:  


Powered by phpBB © 2000, 2002, 2005, 2007 phpBB Group
Русская поддержка phpBB
Extended by Karma MOD © 2007—2012 m157y
Extended by Topic Tags MOD © 2012 m157y