Например TDA7294

Форум РадиоКот • Просмотр темы - генератор на К155ЛА3 или 7400, помогите
Форум РадиоКот
Здесь можно немножко помяукать :)

Текущее время: Пт янв 02, 2026 23:26:16

Часовой пояс: UTC + 3 часа


ПРЯМО СЕЙЧАС:



Начать новую тему Ответить на тему  [ Сообщений: 16 ] 
Автор Сообщение
Не в сети
 Заголовок сообщения: генератор на К155ЛА3 или 7400, помогите
СообщениеДобавлено: Ср окт 22, 2008 15:29:38 
Встал на лапы
Аватар пользователя

Зарегистрирован: Ср июн 04, 2008 01:20:54
Сообщений: 89
Откуда: Украина, Винница
Рейтинг сообщения: 0
Здраствуйде уважаемые товарищи.
помогите пожалуйста разчитать и зделать 4 вхыходовый генератор
на нескольких 7400
выходы такие
вых1 0000000011111111
вых2 0000111100001111
вых3 0011001100110011
вых4 0101010101010101

длани таких пачек 1 сикунда, тоесть длина одного знака 1/16 сикунды.
вых лог 1 = 5 вольтам

_________________
Мяу-у-у-у-у


Вернуться наверх
 
Не в сети
 Заголовок сообщения:
СообщениеДобавлено: Ср окт 22, 2008 15:33:19 
Э...
Аватар пользователя

Карма: 1
Рейтинг сообщений: 9
Зарегистрирован: Ср апр 04, 2007 08:39:14
Сообщений: 2792
Откуда: Москва
Рейтинг сообщения: 0
А дальше что происходит ? Все нули чтоль ? Или это 4 состояния одного выхода такой ширины ?

в сост. 2 3 4 вроде два байта одинаковы.

Может в MAX plus загрузить задание и пусть он синтезирует схемку.

_________________
Думайте сами, решайте сами ... а вот он-лайн перевод на корявый русский http://translate.ru


Вернуться наверх
 
Не в сети
 Заголовок сообщения:
СообщениеДобавлено: Ср окт 22, 2008 15:47:33 
Встал на лапы
Аватар пользователя

Зарегистрирован: Ср июн 04, 2008 01:20:54
Сообщений: 89
Откуда: Украина, Винница
Рейтинг сообщения: 0
дальше когда 4 еденицы он перегружаеться

вот рисунок на котором примерная его робота


Вложения:
123.GIF [40.88 KiB]
Скачиваний: 1213

_________________
Мяу-у-у-у-у
Вернуться наверх
 
Не в сети
 Заголовок сообщения:
СообщениеДобавлено: Ср окт 22, 2008 15:53:33 
Э...
Аватар пользователя

Карма: 1
Рейтинг сообщений: 9
Зарегистрирован: Ср апр 04, 2007 08:39:14
Сообщений: 2792
Откуда: Москва
Рейтинг сообщения: 0
подлучается от 4 к 1 это просто счетчики - делители на 2.
а вам надо обратно.

========

БЛИН ! наконец до меня дошло что сигналы чередуются слева на право. Ну это счетчик простой - в номенклатуре 7400 надо посмотреть какой конкретно.

_________________
Думайте сами, решайте сами ... а вот он-лайн перевод на корявый русский http://translate.ru


Вернуться наверх
 
Эиком - электронные компоненты и радиодетали
Не в сети
 Заголовок сообщения:
СообщениеДобавлено: Ср окт 22, 2008 16:07:28 
Встал на лапы
Аватар пользователя

Зарегистрирован: Ср июн 04, 2008 01:20:54
Сообщений: 89
Откуда: Украина, Винница
Рейтинг сообщения: 0
буду очень благодарен

_________________
Мяу-у-у-у-у


Вернуться наверх
 
Не в сети
 Заголовок сообщения:
СообщениеДобавлено: Ср окт 22, 2008 16:22:51 
Э...
Аватар пользователя

Карма: 1
Рейтинг сообщений: 9
Зарегистрирован: Ср апр 04, 2007 08:39:14
Сообщений: 2792
Откуда: Москва
Рейтинг сообщения: 0
Качайте PROTEUS - ваш пример похоже в папке
SAMPLES\Graph Based Simulation\7493.DSN

Изображение

только сброс наверно добавить из резистора конденсатора и инвертора (лог элемент или транзистор) чтоб "по кругу" колбасился.

На рисунке РЕСЕТ подали "1" раньше на 1 такт сигнала "А" - вам надо ресет делать по спаду сигнала самого низкочастотного

_________________
Думайте сами, решайте сами ... а вот он-лайн перевод на корявый русский http://translate.ru


Последний раз редактировалось tych Ср окт 22, 2008 16:30:03, всего редактировалось 1 раз.

Вернуться наверх
 
Не в сети
 Заголовок сообщения: )))
СообщениеДобавлено: Ср окт 22, 2008 16:29:26 
Встал на лапы
Аватар пользователя

Зарегистрирован: Ср июн 04, 2008 01:20:54
Сообщений: 89
Откуда: Украина, Винница
Рейтинг сообщения: 0
Спасибо.
но это немножко не то что я хотел.
7400 это аналог К155ЛА3 (И-НЕТ), а делать внешний гениратор это немного непрактично можно както упрстить схему я думаю что можно использовать 4 отдельных 7400 и чтобы они дыли на каждый выход,

например вот нашел такую схемку както бы по ее аналогии


Вложения:
Комментарий к файлу: генератор на К155ЛА3
mig_2.gif [1013 байт]
Скачиваний: 1968

_________________
Мяу-у-у-у-у
Вернуться наверх
 
Не в сети
 Заголовок сообщения:
СообщениеДобавлено: Ср окт 22, 2008 16:51:05 
Э...
Аватар пользователя

Карма: 1
Рейтинг сообщений: 9
Зарегистрирован: Ср апр 04, 2007 08:39:14
Сообщений: 2792
Откуда: Москва
Рейтинг сообщения: 0
Вот классно работает примерчик доделаный

Изображение

А схема простейшего генератора есть у меня на стр. 7 в домашней - там и формулы для расчета частоты приведены.

Проект PROTEUS в прицепе.


Вложения:
проект работает а PROTEUS.zip [45.99 KiB]
Скачиваний: 390

_________________
Думайте сами, решайте сами ... а вот он-лайн перевод на корявый русский http://translate.ru
Вернуться наверх
 
Не в сети
 Заголовок сообщения:
СообщениеДобавлено: Ср окт 22, 2008 17:04:22 
Модератор
Аватар пользователя

Карма: 158
Рейтинг сообщений: 1600
Зарегистрирован: Пт апр 28, 2006 15:26:07
Сообщений: 11940
Откуда: Россия.
Рейтинг сообщения: 0
Медали: 2
Мявтор 3-й степени (1) Лучший человек Форума 2017 (1)
Изображение


Вернуться наверх
 
Не в сети
 Заголовок сообщения:
СообщениеДобавлено: Ср окт 22, 2008 17:47:15 
Э...
Аватар пользователя

Карма: 1
Рейтинг сообщений: 9
Зарегистрирован: Ср апр 04, 2007 08:39:14
Сообщений: 2792
Откуда: Москва
Рейтинг сообщения: 0
В PROTEUS :
1. Запускай - "дебаг" - "екзекут фо спес тайм" - 2 сек - ГОУ
2. нажми "СТОП" квадратик
3. щелкни мышкой по зеленому заголовку окна графиков и оно развернется - зырь результат !

_________________
Думайте сами, решайте сами ... а вот он-лайн перевод на корявый русский http://translate.ru


Вернуться наверх
 
Не в сети
 Заголовок сообщения:
СообщениеДобавлено: Ср окт 22, 2008 19:15:59 
Встал на лапы
Аватар пользователя

Зарегистрирован: Ср июн 04, 2008 01:20:54
Сообщений: 89
Откуда: Украина, Винница
Рейтинг сообщения: 0
Спасибо за схемку)) работает все супер,
а как схемотичиски зделать генератор и там еще я видел нужно импульс ресет подавать раз в 16 тактов, как это зделатиь можно?

_________________
Мяу-у-у-у-у


Вернуться наверх
 
Не в сети
 Заголовок сообщения:
СообщениеДобавлено: Ср окт 22, 2008 19:24:05 
Э...
Аватар пользователя

Карма: 1
Рейтинг сообщений: 9
Зарегистрирован: Ср апр 04, 2007 08:39:14
Сообщений: 2792
Откуда: Москва
Рейтинг сообщения: 0
Тарас писал(а):
Спасибо за схемку)) работает все супер,

Рад что вам понравилось !
Тарас писал(а):
как схемотичиски зделать генератор

выше я написал - СХЕМА ГЕНЕРАТОРА - на стр. 7 у меня в домашней страничке.
Тарас писал(а):
там еще я видел нужно импульс ресет подавать раз в 16 тактов, как это зделатиь можно?

Выше вам показали что можно просто заземлить РЕСЕТ.

_________________
Думайте сами, решайте сами ... а вот он-лайн перевод на корявый русский http://translate.ru


Вернуться наверх
 
Не в сети
 Заголовок сообщения:
СообщениеДобавлено: Вт окт 28, 2008 23:18:36 
Мучитель микросхем
Аватар пользователя

Зарегистрирован: Вс окт 26, 2008 17:28:57
Сообщений: 426
Откуда: Украина г.Ровно
Рейтинг сообщения: 0
Читаю и не могу понять - импульсы после двоичного счетчика. А если нужно на 155ЛА3 - на ЛАшке делаеш генератор и четыре D-триггера (стандартная схема) с делением на 2. Получаешь свою схему потратив много ЛАшек!


Вернуться наверх
 
Не в сети
 Заголовок сообщения:
СообщениеДобавлено: Чт окт 30, 2008 09:30:42 
Это не хвост, это антенна
Аватар пользователя

Карма: 7
Рейтинг сообщений: 72
Зарегистрирован: Вт окт 28, 2008 09:00:18
Сообщений: 1438
Откуда: Украина, Харьков
Рейтинг сообщения: 0
anatol22 писал(а):
Читаю и не могу понять - импульсы после двоичного счетчика. А если нужно на 155ЛА3 - на ЛАшке делаеш генератор и четыре D-триггера (стандартная схема) с делением на 2. Получаешь свою схему потратив много ЛАшек!

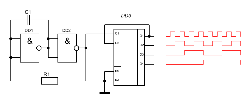
Или вместо тригеров поставить один шифратор 155ИЕ2, например. Подал на вход сигнал с генератора, а на выходах получил результат.
Что-то вроде этого...


Вложения:
Комментарий к файлу: Номиналы дальше сам
Делитель.GIF [6.13 KiB]
Скачиваний: 914

_________________
Порой мне кажется, что я делаю какое-то дерьмо, но когда я вижу, что делают другие, то я чувствую себя гением...
Вернуться наверх
 
Не в сети
 Заголовок сообщения:
СообщениеДобавлено: Чт окт 30, 2008 10:02:27 
Мучитель микросхем
Аватар пользователя

Зарегистрирован: Вс окт 26, 2008 17:28:57
Сообщений: 426
Откуда: Украина г.Ровно
Рейтинг сообщения: 0
8) Товарищ не ищет легких путей.Насколько я понял, ему надо сделать работу именно на ЛАшках? А на Лашках можно собрать и счетные триггера и счетчики. Триггера проще. :)))


Вернуться наверх
 
Не в сети
 Заголовок сообщения:
СообщениеДобавлено: Чт окт 30, 2008 23:06:51 
Это не хвост, это антенна
Аватар пользователя

Карма: 7
Рейтинг сообщений: 72
Зарегистрирован: Вт окт 28, 2008 09:00:18
Сообщений: 1438
Откуда: Украина, Харьков
Рейтинг сообщения: 0
Тогда лучше вообще собирать на транзисторных тригерах. Тогда получтся "низкоуровневая радиотехника". :)

_________________
Порой мне кажется, что я делаю какое-то дерьмо, но когда я вижу, что делают другие, то я чувствую себя гением...


Вернуться наверх
 
Показать сообщения за:  Сортировать по:  Вернуться наверх
Начать новую тему Ответить на тему  [ Сообщений: 16 ] 

Часовой пояс: UTC + 3 часа


Кто сейчас на форуме

Сейчас этот форум просматривают: нет зарегистрированных пользователей и гости: 25


Вы не можете начинать темы
Вы не можете отвечать на сообщения
Вы не можете редактировать свои сообщения
Вы не можете удалять свои сообщения
Вы не можете добавлять вложения

Найти:
Перейти:  


Powered by phpBB © 2000, 2002, 2005, 2007 phpBB Group
Русская поддержка phpBB
Extended by Karma MOD © 2007—2012 m157y
Extended by Topic Tags MOD © 2012 m157y