Например TDA7294

Форум РадиоКот • Просмотр темы - Контроллер паяльника Hakko FM-2028 с энкодером
Форум РадиоКот
Здесь можно немножко помяукать :)

Текущее время: Пн фев 02, 2026 05:54:43

Часовой пояс: UTC + 3 часа


ПРЯМО СЕЙЧАС:



Начать новую тему Ответить на тему  [ Сообщений: 2498 ]    , , , , 5, , , ...  
Автор Сообщение
Не в сети
 Заголовок сообщения: Re: Контроллер паяльника Hakko FM-2028 с энкодером
СообщениеДобавлено: Ср июл 23, 2014 17:02:19 
Первый раз сказал Мяу!
Аватар пользователя

Карма: 1
Рейтинг сообщений: 0
Зарегистрирован: Вс дек 12, 2010 00:02:52
Сообщений: 35
Откуда: Киев
Рейтинг сообщения: 0
Добрый день.
Сейчас как раз в процессе настройки контролера.
И есть пару вопросов:при первом включении запитывал от аккумулятора 12 вольт, все нормально работало, показывало, паяльник грелся.
Запитал от 26 вольт, NCP3063 выгорела, да еще мегу за собой потащила.
Может это быть из за того что я запитал от 26 вольт?


Вернуться наверх
 
Не в сети
 Заголовок сообщения: Re: Контроллер паяльника Hakko FM-2028 с энкодером
СообщениеДобавлено: Ср июл 23, 2014 20:54:37 
Опытный кот
Аватар пользователя

Карма: 19
Рейтинг сообщений: 217
Зарегистрирован: Вт дек 09, 2008 13:41:05
Сообщений: 798
Откуда: Череповец.
Рейтинг сообщения: 0
NCP3063 это обновленная версия МС34063,входное напряжение у нее до 40 V.Отличия только в емкости конденсатора на 3 ноге. Так что если у Вас не фейковая микросхема то дело не ней.БП какой у Вас?

_________________
Есть такие решения, после принятия которых, тараканы в голове аплодируют стоя.
.......Отругал своих тараканов, рассадил в голове по полочкам, запретил меняться местами.....
Притихли, не беспокоят, шёпотом обсуждают какой я плохой......


Вернуться наверх
 
Не в сети
 Заголовок сообщения: Re: Контроллер паяльника Hakko FM-2028 с энкодером
СообщениеДобавлено: Чт июл 24, 2014 00:05:35 
Первый раз сказал Мяу!
Аватар пользователя

Карма: 1
Рейтинг сообщений: 0
Зарегистрирован: Вс дек 12, 2010 00:02:52
Сообщений: 35
Откуда: Киев
Рейтинг сообщения: 0
BV-Dial писал(а):
NCP3063 это обновленная версия МС34063,входное напряжение у нее до 40 V.Отличия только в емкости конденсатора на 3 ноге. Так что если у Вас не фейковая микросхема то дело не ней.БП какой у Вас?

Блок питания трансформатор и диодный мост. Вот что еще забыл упомянуть, когда просто подключил контроллер к трансформатору, он включился запищал показал Err, а когда подключил паяльник то произошла такая оказия.


Вернуться наверх
 
Не в сети
 Заголовок сообщения: Re: Контроллер паяльника Hakko FM-2028 с энкодером
СообщениеДобавлено: Чт июл 24, 2014 10:49:43 
Опытный кот
Аватар пользователя

Карма: 19
Рейтинг сообщений: 217
Зарегистрирован: Вт дек 09, 2008 13:41:05
Сообщений: 798
Откуда: Череповец.
Рейтинг сообщения: 0
bootal давайте подробно.

-При питании 12 вольт у Вас паялка работала корректно?
-ПИД настроен?
-На холостом ходу без подключения какое U выдает трансформатор?
-NCP3063 какую имет маркировку?
-Дросель какой имеет номинал и типоразмер?

NCP3063 или МС34063 очень боятся переполюсовки.То что без паяльника горит ошибка и пищит зумер - так и должно быть.Давайте фото будем совместно разбираться.

_________________
Есть такие решения, после принятия которых, тараканы в голове аплодируют стоя.
.......Отругал своих тараканов, рассадил в голове по полочкам, запретил меняться местами.....
Притихли, не беспокоят, шёпотом обсуждают какой я плохой......


Вернуться наверх
 
Эиком - электронные компоненты и радиодетали
Не в сети
 Заголовок сообщения: Re: Контроллер паяльника Hakko FM-2028 с энкодером
СообщениеДобавлено: Пт июл 25, 2014 16:47:09 
Первый раз сказал Мяу!
Аватар пользователя

Карма: 1
Рейтинг сообщений: 0
Зарегистрирован: Вс дек 12, 2010 00:02:52
Сообщений: 35
Откуда: Киев
Рейтинг сообщения: 0
Добрый день.
Ездил на базар купил новую NCPпишку новый операционик, хорошо меги еще с запасом есть.
Сравнил маркировку, так свеже купленные это NCP3063, а тот раз мне гады MC34063 подсунули .
Поставил NCP завелся, температуру стабилизирует. Только гад скорей всего еще и энкодер сгорел.
Есть какой то способ проверить его без осциллографа?


Вернуться наверх
 
Не в сети
 Заголовок сообщения: Re: Контроллер паяльника Hakko FM-2028 с энкодером
СообщениеДобавлено: Пт июл 25, 2014 20:38:28 
Опытный кот
Аватар пользователя

Карма: 19
Рейтинг сообщений: 217
Зарегистрирован: Вт дек 09, 2008 13:41:05
Сообщений: 798
Откуда: Череповец.
Рейтинг сообщения: 0
Энкодер сгореть при таких токах не может.Может у Вас энкодер имее другую цоколевку?
Проверить можно тестером в режиме прозвонки ,один щуп ставите на центральную ногу а второй на крайние - при врашениии будет пищать или не пищать.

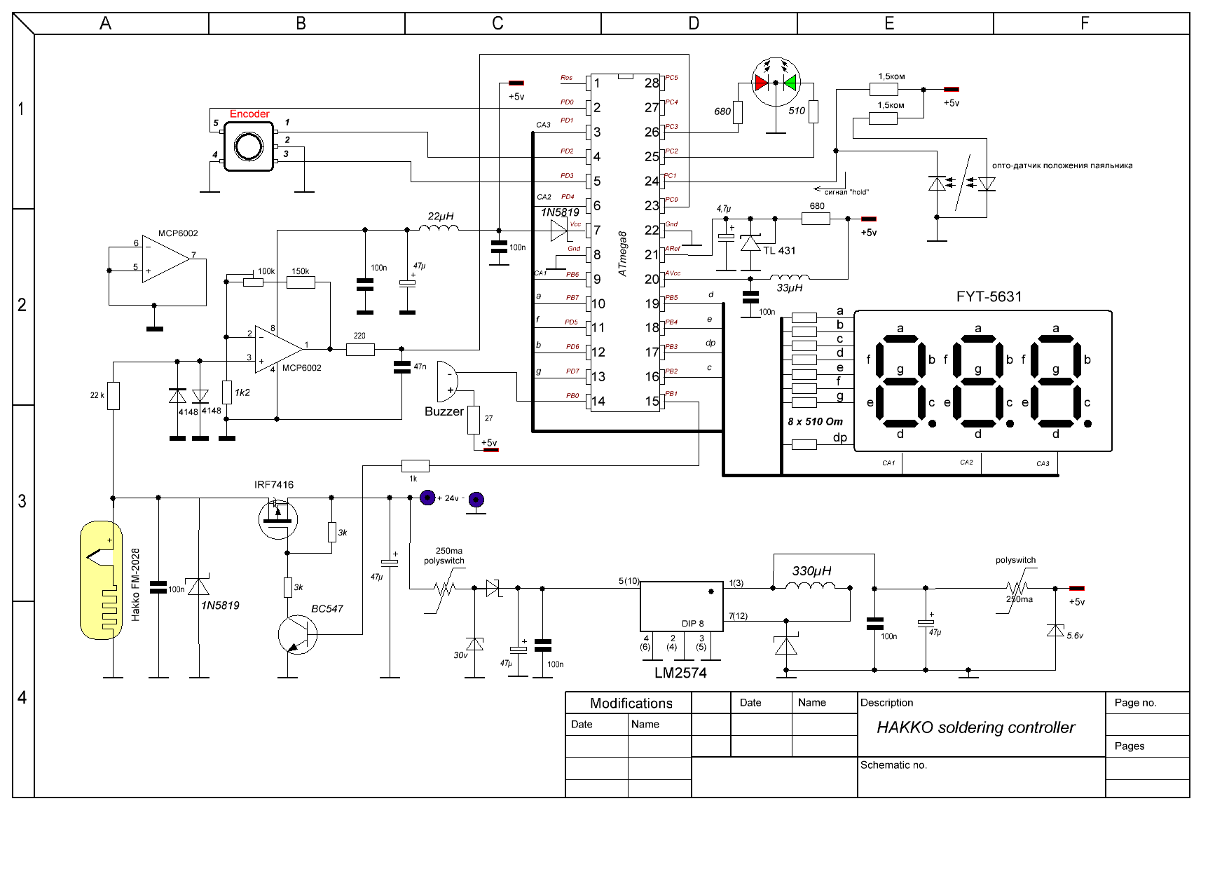
UPD. По просьбе одного из радиокотов уменьшил размер платы для его корпуса , но так как он сейчас плотно занят сейчас на даче и пока еще не воплотил свою задумку , я решил еще уменьшить размер платы под свой маленький корпус. Выкладываю пока плату - в воскресенье выложу фото . Спаял ,завелось все с пол-оборота. Плата БП пока не проверена.


Вложения:
Комментарий к файлу: ПП
DSS_DX9109.rar [72.41 KiB]
Скачиваний: 2268

_________________
Есть такие решения, после принятия которых, тараканы в голове аплодируют стоя.
.......Отругал своих тараканов, рассадил в голове по полочкам, запретил меняться местами.....
Притихли, не беспокоят, шёпотом обсуждают какой я плохой......
Вернуться наверх
 
Не в сети
 Заголовок сообщения: Re: Контроллер паяльника Hakko FM-2028 с энкодером
СообщениеДобавлено: Вс июл 27, 2014 17:44:52 
Опытный кот
Аватар пользователя

Карма: 19
Рейтинг сообщений: 217
Зарегистрирован: Вт дек 09, 2008 13:41:05
Сообщений: 798
Откуда: Череповец.
Рейтинг сообщения: 0
Новая плата. Корпус и ИИП в процессе.
Изображение
Изображение
Изображение

_________________
Есть такие решения, после принятия которых, тараканы в голове аплодируют стоя.
.......Отругал своих тараканов, рассадил в голове по полочкам, запретил меняться местами.....
Притихли, не беспокоят, шёпотом обсуждают какой я плохой......


Вернуться наверх
 
Не в сети
 Заголовок сообщения: Re: Контроллер паяльника Hakko FM-2028 с энкодером
СообщениеДобавлено: Вс июл 27, 2014 21:35:12 
Встал на лапы

Зарегистрирован: Ср окт 27, 2010 08:10:49
Сообщений: 145
Откуда: Горячий Ключ - Краснодар
Рейтинг сообщения: 0
Хорошо получилось. А я получил оригинальное жало на пробу. Что могу сказать за два дня пайки, да практически не какой разницы, но вот сам кончик жала как-то лучше залудился и олово по другому на нем держится. По внешнему виду отличить можно только в районе контактов, пластмасса у оригинала равней отлита без заусенцев и пришлось на оригинале пройтись нулевкой по контактам (на них была какая то пленка белого цвета, соответственно контакта не было). Но цена в 2.5 раза больше чем китай. Ну как-то так, но я думаю что время покажет что лучше. :)

_________________
Изображение


Вернуться наверх
 
Не в сети
 Заголовок сообщения: Re: Контроллер паяльника Hakko FM-2028 с энкодером
СообщениеДобавлено: Вт июл 29, 2014 08:08:25 
Опытный кот
Аватар пользователя

Карма: 19
Рейтинг сообщений: 217
Зарегистрирован: Вт дек 09, 2008 13:41:05
Сообщений: 798
Откуда: Череповец.
Рейтинг сообщения: 0
В Дальинкоме появились ручки HAKKO FX-9501 по 325руб (дешевле чем в китае :)) )

_________________
Есть такие решения, после принятия которых, тараканы в голове аплодируют стоя.
.......Отругал своих тараканов, рассадил в голове по полочкам, запретил меняться местами.....
Притихли, не беспокоят, шёпотом обсуждают какой я плохой......


Последний раз редактировалось BV-Dial Вт июл 29, 2014 08:16:17, всего редактировалось 1 раз.

Вернуться наверх
 
Не в сети
 Заголовок сообщения: Re: Контроллер паяльника Hakko FM-2028 с энкодером
СообщениеДобавлено: Вт июл 29, 2014 08:16:12 
Собутыльник Кота
Аватар пользователя

Карма: 21
Рейтинг сообщений: 252
Зарегистрирован: Ср янв 16, 2008 08:34:04
Сообщений: 2560
Откуда: KMV
Рейтинг сообщения: 0
Цена же без учета стоимости доставки? Так что, думаю, то на то выйдет

_________________
"Чтобы правильно задать вопрос, нужно знать бо́льшую часть ответа." Ро́берт Ше́кли
Я правильных ответов знаю мало, поэтому не стесняюсь и много спрашиваю.


Вернуться наверх
 
Не в сети
 Заголовок сообщения: Re: Контроллер паяльника Hakko FM-2028 с энкодером
СообщениеДобавлено: Вт июл 29, 2014 08:18:38 
Опытный кот
Аватар пользователя

Карма: 19
Рейтинг сообщений: 217
Зарегистрирован: Вт дек 09, 2008 13:41:05
Сообщений: 798
Откуда: Череповец.
Рейтинг сообщения: 0
Из китая ждать 1...2 месяца - да ни у всех есть опыт там приобретать, а из дальинкома неделю идет посылка.У них на сайте много вкусного есть.

_________________
Есть такие решения, после принятия которых, тараканы в голове аплодируют стоя.
.......Отругал своих тараканов, рассадил в голове по полочкам, запретил меняться местами.....
Притихли, не беспокоят, шёпотом обсуждают какой я плохой......


Вернуться наверх
 
Не в сети
 Заголовок сообщения: Re: Контроллер паяльника Hakko FM-2028 с энкодером
СообщениеДобавлено: Вт июл 29, 2014 14:32:14 
Поставщик валерьянки для Кота
Аватар пользователя

Карма: 24
Рейтинг сообщений: 596
Зарегистрирован: Сб окт 10, 2009 10:34:07
Сообщений: 2168
Откуда: Україна, Хорол
Рейтинг сообщения: 0
BV-Dial писал(а):
...появились ручки HAKKO FX-9501 ... дешевле чем в китае :)) )
Фигасе дешевле :shock: Почти в 2 раза дороже
http://www.mistertao.com/beta/pages/ite ... 99725.html
http://www.mistertao.com/beta/pages/ite ... 00095.html
У этих китайцев, правда за доставку и обработку еще нужно накинуть пару баксов, но все равно у них дешевле выйдет.

_________________
Мои паяльные станции: первая, вторая, фен.


Вернуться наверх
 
Не в сети
 Заголовок сообщения: Re: Контроллер паяльника Hakko FM-2028 с энкодером
СообщениеДобавлено: Вт июл 29, 2014 14:54:53 
Первый раз сказал Мяу!
Аватар пользователя

Карма: 1
Рейтинг сообщений: 0
Зарегистрирован: Вс дек 12, 2010 00:02:52
Сообщений: 35
Откуда: Киев
Рейтинг сообщения: 0
Победил энкодер, был мелкий непротрав, только под увеличительным стеклом увидил.
Вот что получилось.
Изображение
Осталось в корпус это все дело определить.


Вернуться наверх
 
Не в сети
 Заголовок сообщения: Re: Контроллер паяльника Hakko FM-2028 с энкодером
СообщениеДобавлено: Вт июл 29, 2014 15:37:33 
Опытный кот
Аватар пользователя

Карма: 19
Рейтинг сообщений: 217
Зарегистрирован: Вт дек 09, 2008 13:41:05
Сообщений: 798
Откуда: Череповец.
Рейтинг сообщения: 0
Victor_P. Да на Тао дествительно дешевле,но там не раз не покупал.Цены сравнивал с Алиэкпресом - там 500...600 с жалом.
У меня к Вам вопрос - будет ли в дальнейших Ваших прошивках поддержка термопары?

bootal А у Вас что после диодного моста нет конденсатора фильтрующего или его не видно?

_________________
Есть такие решения, после принятия которых, тараканы в голове аплодируют стоя.
.......Отругал своих тараканов, рассадил в голове по полочкам, запретил меняться местами.....
Притихли, не беспокоят, шёпотом обсуждают какой я плохой......


Вернуться наверх
 
Не в сети
 Заголовок сообщения: Re: Контроллер паяльника Hakko FM-2028 с энкодером
СообщениеДобавлено: Вт июл 29, 2014 16:12:36 
Первый раз сказал Мяу!
Аватар пользователя

Карма: 1
Рейтинг сообщений: 0
Зарегистрирован: Вс дек 12, 2010 00:02:52
Сообщений: 35
Откуда: Киев
Рейтинг сообщения: 0
BV-Dial писал(а):
bootal А у Вас что после диодного моста нет конденсатора фильтрующего или его не видно?

Его не видно


Вернуться наверх
 
Не в сети
 Заголовок сообщения: Re: Контроллер паяльника Hakko FM-2028 с энкодером
СообщениеДобавлено: Вт июл 29, 2014 16:37:38 
Поставщик валерьянки для Кота
Аватар пользователя

Карма: 24
Рейтинг сообщений: 596
Зарегистрирован: Сб окт 10, 2009 10:34:07
Сообщений: 2168
Откуда: Україна, Хорол
Рейтинг сообщения: 1
BV-Dial, давайте пока не будем о моих планах. Я их сам не знаю. Если что-то появится, я выложу.

_________________
Мои паяльные станции: первая, вторая, фен.


Вернуться наверх
 
Не в сети
 Заголовок сообщения: Re: Контроллер паяльника Hakko FM-2028 с энкодером
СообщениеДобавлено: Вс авг 03, 2014 08:39:33 
Держит паяльник хвостом
Аватар пользователя

Карма: 15
Рейтинг сообщений: 98
Зарегистрирован: Вс авг 05, 2012 12:46:33
Сообщений: 980
Откуда: Сделан в СССР
Рейтинг сообщения: 0
Для тех кто ищет лёгких путей, на таобабе есть неплохие БП. Флайбэк на OB2269, сделан качественно.


Вернуться наверх
 
Не в сети
 Заголовок сообщения: Re: Контроллер паяльника Hakko FM-2028 с энкодером
СообщениеДобавлено: Вс авг 03, 2014 17:49:19 
Опытный кот
Аватар пользователя

Карма: 19
Рейтинг сообщений: 217
Зарегистрирован: Вт дек 09, 2008 13:41:05
Сообщений: 798
Откуда: Череповец.
Рейтинг сообщения: 2
Легких путей мы не ищем,делаем сами - ждать месяц очень лень.ИИП запустил, доделываю корпус.
Изображение


Вложения:
Комментарий к файлу: Рабочий вариант.
DSS2028_ver2.rar [78.19 KiB]
Скачиваний: 2378

_________________
Есть такие решения, после принятия которых, тараканы в голове аплодируют стоя.
.......Отругал своих тараканов, рассадил в голове по полочкам, запретил меняться местами.....
Притихли, не беспокоят, шёпотом обсуждают какой я плохой......
Вернуться наверх
 
Не в сети
 Заголовок сообщения: Re: Контроллер паяльника Hakko FM-2028 с энкодером
СообщениеДобавлено: Вт авг 05, 2014 21:06:48 
Встал на лапы
Аватар пользователя

Карма: -2
Рейтинг сообщений: -2
Зарегистрирован: Вс ноя 29, 2009 18:21:05
Сообщений: 82
Откуда: lt kaunas
Рейтинг сообщения: 0
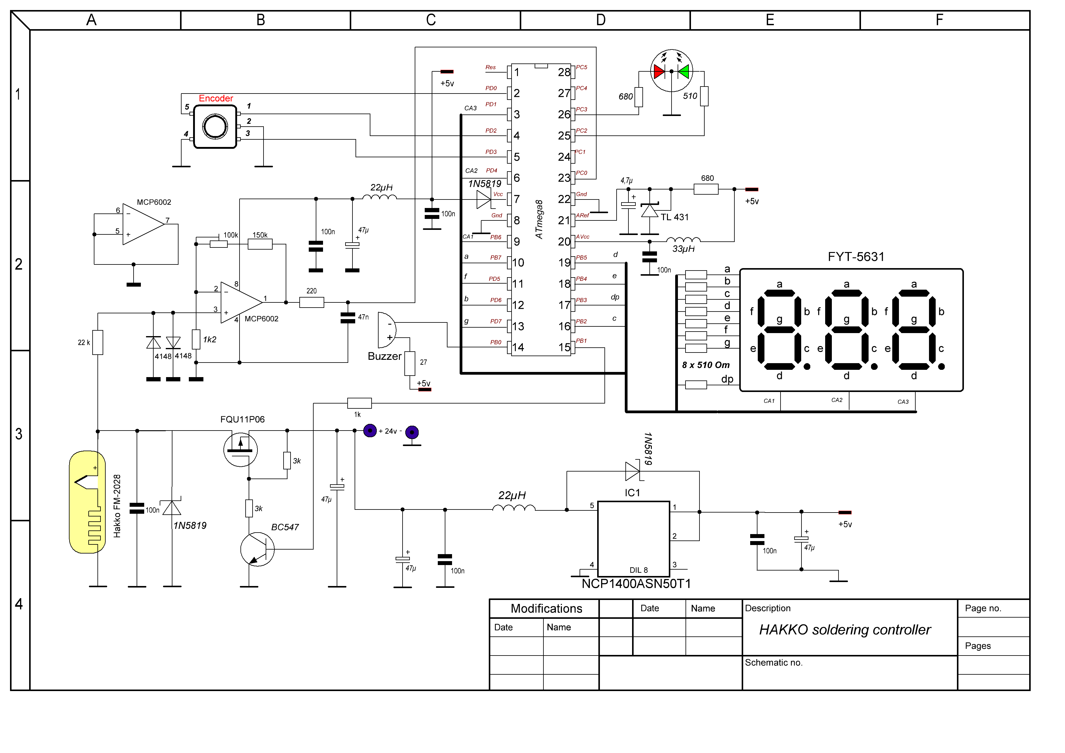
Огромное спасибо за конструкцию. Повторил но уже с изменениями:
download/file.php?mode=view&id=189686
Можно Вас попросить: сделайте прошивку с вариантом "hold" по схемке:
download/file.php?mode=view&id=189687
что-бы при "0" на 25 (pc1) входе был режим нагрева, а при "1" режим "hold".
Если Вас сильно не затруднит.
Ибо хочу реализовать похожее как на самой Hakko станции.
Выкладываю свои наработки плат:


Вложения:
v2.6-v2.7+lm2574.7z [31.81 KiB]
Скачиваний: 1805
FM-202-v4.1(LM2574)+hold.GIF [61.37 KiB]
Скачиваний: 5138
FM-202-v2-NCP1400A.GIF [145.3 KiB]
Скачиваний: 5368

_________________
страшно экономный trafukas
Вернуться наверх
 
Не в сети
 Заголовок сообщения: Re: Контроллер паяльника Hakko FM-2028 с энкодером
СообщениеДобавлено: Ср авг 06, 2014 07:20:59 
Опытный кот
Аватар пользователя

Карма: 19
Рейтинг сообщений: 217
Зарегистрирован: Вт дек 09, 2008 13:41:05
Сообщений: 798
Откуда: Череповец.
Рейтинг сообщения: 0
trafukas69 обратитесь к автору прошивки Victor_P. возможно он Вам поможет.
Кстати а как у Вас работает NCP1400A? Это же повышающий регулятор ,входное напряжение у нее 6 вольт.

_________________
Есть такие решения, после принятия которых, тараканы в голове аплодируют стоя.
.......Отругал своих тараканов, рассадил в голове по полочкам, запретил меняться местами.....
Притихли, не беспокоят, шёпотом обсуждают какой я плохой......


Вернуться наверх
 
Показать сообщения за:  Сортировать по:  Вернуться наверх
Начать новую тему Ответить на тему  [ Сообщений: 2498 ]    , , , , 5, , , ...  

Часовой пояс: UTC + 3 часа


Кто сейчас на форуме

Сейчас этот форум просматривают: нет зарегистрированных пользователей и гости: 11


Вы не можете начинать темы
Вы не можете отвечать на сообщения
Вы не можете редактировать свои сообщения
Вы не можете удалять свои сообщения
Вы не можете добавлять вложения

Найти:
Перейти:  


Powered by phpBB © 2000, 2002, 2005, 2007 phpBB Group
Русская поддержка phpBB
Extended by Karma MOD © 2007—2012 m157y
Extended by Topic Tags MOD © 2012 m157y