Например TDA7294

Форум РадиоКот • Просмотр темы - ЭМИ на логике.
Форум РадиоКот
Здесь можно немножко помяукать :)

Текущее время: Сб фев 14, 2026 10:33:32

Часовой пояс: UTC + 3 часа


ПРЯМО СЕЙЧАС:



Начать новую тему Ответить на тему  [ Сообщений: 666 ]     ... , , , 31, , ,  
Автор Сообщение
Не в сети
 Заголовок сообщения: Re: ЭМИ на логике.
СообщениеДобавлено: Вт ноя 20, 2018 13:26:56 
Держит паяльник хвостом
Аватар пользователя

Карма: 16
Рейтинг сообщений: 211
Зарегистрирован: Вс дек 02, 2012 16:58:33
Сообщений: 943
Откуда: от туда
Рейтинг сообщения: 2
Для аналогии посмотрите в ютубе Wintergatan. С чего он начинал, и что сейчас у него получается. Тоже очень интересно.


Вернуться наверх
 
Не в сети
 Заголовок сообщения: Re: ЭМИ на логике.
СообщениеДобавлено: Вт янв 29, 2019 14:13:02 
Грызет канифоль

Карма: 8
Рейтинг сообщений: 90
Зарегистрирован: Вс фев 14, 2010 23:10:08
Сообщений: 256
Откуда: Псков
Рейтинг сообщения: 3
Немножко оживлю тему. Наступили морозы, и работа замедлилась. Летом не успели сделать отопление в сталярной мастерской, а в слесарке хоть и есть отопление, там сыро.
Развесив клавиши и установив талкатели молотков, я понял, что использовать стандартные фетровые молотки не получается, так как они высокие, и место для задвижной крышки не остается. Вес молотков от 5 до 9г . Так как молоток нужен и он должен по чему то бить, он должен быть войлочным. Я решил использовать "головки фенгера" так как их у меня много.
Изображение
вес молоточка будит добиваться установкой груза на фенгер, временно у меня намотано олово для утежеления молотка. (на фото видно) Но молоточек должен о что-то биться имитируя отскок от струны, металлическая труба или алюминевый прут дают сильный стук, так же я долго думал о том как осуществить перевод механики клавиатуры с режима "Пиано" подвешенная клавиатура, в режим "Орган" "подпружиненные" клавиши. Решение пришло при наведении порядка в запчастях от пианино. Решил использовать демпфера (те что глушат струну)
Изображение
это решало вопрос громкого стука молотка о металл. быстрый отскок молотка и "подпружиненность" калавиш.

(стук на видео который слышен, это клавиша сзади бьет о рычаг, который будит двигать магнит в катушки ЭДС.)
Из дубы изготовил два кранштейна для установки планки (ее я взял готовый из механики пианино "подвижный рулейстик"), куда будут установлены демпфера.
Изображение Изображение Изображение Изображение Изображение
движение рулейстика будит осуществлятся при помощи шестеренки с червячной передачей, на обоих концах планки, и датчики положений. Так как демпфера в режиме "Орган" едва будут касаться молоточков, рулейстик не будет нагружен, а во время игры максимум будит нажато 20 клавиш (при игре в 4 руки) этой нагрузки будит не достаточно для большой нагрузки на шестерни и червяк.


Вернуться наверх
 
Не в сети
 Заголовок сообщения: Re: ЭМИ на логике.
СообщениеДобавлено: Сб фев 02, 2019 15:51:40 
Друг Кота
Аватар пользователя

Карма: 43
Рейтинг сообщений: 167
Зарегистрирован: Вс янв 25, 2009 21:16:04
Сообщений: 35639
Откуда: Москва
Рейтинг сообщения: 0
Валера, а куда ты будешь запихивать два ведра печатных плат??? :)))
https://youtu.be/vsWGYaXQdGQ
Нашел самодельщика. Может кому то интересно...

_________________
А поболтать?


Вернуться наверх
 
Не в сети
 Заголовок сообщения: Re: ЭМИ на логике.
СообщениеДобавлено: Вс фев 10, 2019 00:36:20 
Грызет канифоль

Карма: 8
Рейтинг сообщений: 90
Зарегистрирован: Вс фев 14, 2010 23:10:08
Сообщений: 256
Откуда: Псков
Рейтинг сообщения: 5
Проводя опыты со схемой, я искал "идеальный" модулятор сигнала. Для этого собрал 4 разных схемы.
Изображение
Первая, это схема предложенная автором КУ (клавишного устройства) это обычный диодный модулятор. Второй это часть схемы модулятора с КУ где динамика игры зависит от глубины погружения клавиши. Третья, это модулятор на к56лн2 как в ЭМИ Юность-21. Четвертая, это модулятор на к555ла3, схему нашел в старом журнале Радио http://archive.radio.ru/web/1978/09/060/. И вот что показали тесты.
Все модуляторы работают. Первый вариант, это обычный диодный модулятор, он очень линеен, сигнал проходит без искажений, но в нем очень громкий "фон паузы" подборкой разных диодов убрать фон полностью не смог. (несколько страниц назад были записи с этим модулятором)
Третий вариант, фон ниже чем у диодного. Но линейности никакой, очень быстро затухает (хотя диодный еще продолжает линейно затухать) и динамика КУ мало ощущается.
Четвертый вариант, фона почти нет. В журнале написано, что он линейный, но в итоге звучит так: при нажатии на клавишу, появляется тихий искаженный звук, затем он сильно возрастает в чистый и быстро затухает.
Самым нормальный оказался Второй вариант. Фона нет совсем, Линейность как у диодного, очень простой и надежный.
Изображение

И сегодня решил записать как обычный аналоговый Хорус меняет восприятие обычного меандра с частотой 432Гц (модулятор по схеме второго варианта)
Первый вариант записи. Прослушивать в стерео режиме, так как Хорус стерео. С начала идет чистый меандр 3 раза, затем с Хорусом, эффект слегка добавлен, модуляция в несколько центов, так же слышна динамика удара https://cloud.mail.ru/public/L8WZ/4TXTEiRD4 Если увеличить осциллограмму, то видно как обычный меандр сменяется на кривую уже не похожую на него при включении эффекта, и также видно как обертоны меандра начинают "плавать" медленно затухая.
Вложение:
Комментарий к файлу: без эффекта, с эффектом
Снимок экрана 2019-02-09 в 12.50.44.png [52.66 KiB]
Скачиваний: 580

Второй вариант, то включал то выключал в момент звука https://cloud.mail.ru/public/Bm7p/epaJQ8Jy6
Вложение:
Комментарий к файлу: переключение эффекта
Снимок экрана 2019-02-09 в 12.51.37.png [50.68 KiB]
Скачиваний: 607

Третий, это оба регулятора Хоруса выкручены на полную (жесть) https://cloud.mail.ru/public/9QeB/z9BwMgqMk частота меняется в пределах 20Гц
Вложение:
Комментарий к файлу: все на всю
Снимок экрана 2019-02-09 в 12.51.18.png [59.88 KiB]
Скачиваний: 622


Вернуться наверх
 
Эиком - электронные компоненты и радиодетали
Не в сети
 Заголовок сообщения: Re: ЭМИ на логике.
СообщениеДобавлено: Пн фев 25, 2019 20:51:21 
Грызет канифоль

Карма: 8
Рейтинг сообщений: 90
Зарегистрирован: Вс фев 14, 2010 23:10:08
Сообщений: 256
Откуда: Псков
Рейтинг сообщения: 0
На этих выходных выровнял толкатели молоточков и установил демпфера для них, что бы молоток не висел на толкателе, а ложился на демпфер. Таким образом уходит нагрузка на гаммербанк (балка к которой прикручены молоточки и коромысла) и на сами молотки при падении в свободное состояние.
После выравнивание молоточков, вид преобразился...
Изображение Изображение Изображение


Вернуться наверх
 
Не в сети
 Заголовок сообщения: Re: ЭМИ на логике.
СообщениеДобавлено: Вт мар 19, 2019 00:45:03 
Родился

Зарегистрирован: Вс ноя 04, 2012 13:36:17
Сообщений: 19
Рейтинг сообщения: 0
Ну вот, сегодня поработал тоже хорошо. На прошлых выходных высверлил отверстия у белых клавиш под опорные штифты, благодаря своим кондукторам.
Изображение
А сегодня начал делать раму для клавиш и механизмов.
Основу сделал из сосны, а вот места для штифтов и направляющих будут вставки из дуба. Друг мне предлагал сделать всю раму из дуба, но это через чур, будит не подъемная))
Изображение Изображение Изображение
А вот еще немног переработал внешний вид)))
Изображение
Тепер высушу дубовую доску дома у печке и продолжу изготовление рамы)))

Продолжение следует...

Wersi Pianostar по-радиолюбительски. Интересно. А я все не могу взяться за свой "А-ля Wurlitzer". ГДБ в набросках есть, органные манипуляторы тоже. А вот с темброблоком, перкуссией и тремулянтом - засада. Тремулянт планирую типа односкоростного "Лесли" с двумя доп. каналами для перкуссионных голосов. А темброблок нихрена не клеится. Сейчас все упирается в клавиатуры и темброблок. Перкуссию, кстати, попытаюсь вынести в миди (а он будет в обязательном порядке) Еще есть мыслишка сделать арпеджиатор, но не автоматический а ручной. Похожая штучка была в Hammond X-66


Вернуться наверх
 
Не в сети
 Заголовок сообщения: Re: ЭМИ на логике.
СообщениеДобавлено: Вт мар 19, 2019 11:20:05 
Грызет канифоль

Карма: 8
Рейтинг сообщений: 90
Зарегистрирован: Вс фев 14, 2010 23:10:08
Сообщений: 256
Откуда: Псков
Рейтинг сообщения: 0
Цитата:
Сейчас все упирается в клавиатуры и темброблок.

Клавиатуру можно собрать по моему чертежу, только вместо груза на конце клавиш поставить пружину (можно использовать эти https://ru.aliexpress.com/item/90pcs-Pi ... 33edqOpLAk )
Так же можно сделать по проекту ЭМИ "Редакорд" Там конечно место баланса короче чем у моей схемы клавиш, но больше чем в современных клавиатурах. И манипуляторы лучше сделать без контактными, например опто. По поводу темброблока, звук какого инструмента вы хотите сделать?


Я тут сделал тестовый образец клавиши, чтобы настраивать схему
Изображение Изображение
также приобрел маску для плат
Изображение
И приобрел два динамика широкополосника ГД3030-1. У меня есть наш гитарный комбик 90-х годов в рабочем состоянии ИН-2155 на 60 Российских ватт, чистый и мощный звук выдает... На выходных буду вырезать отверстия на панелях и устанавливать их.


Вернуться наверх
 
Не в сети
 Заголовок сообщения: Re: ЭМИ на логике.
СообщениеДобавлено: Вт мар 19, 2019 19:02:16 
Родился

Зарегистрирован: Вс ноя 04, 2012 13:36:17
Сообщений: 19
Рейтинг сообщения: 0
По поводу звуков, вернее, регистров. Я ориентируюсь на электроорганы в театральном стиле, например: https://www.youtube.com/watch?v=2tUP2H00p4M и https://www.youtube.com/watch?v=UWhL_dSojno или https://www.youtube.com/watch?v=G378_8T1dRc . По клавиатуре: можно попробовать достать клавиатуры (2шт) от пианино. С педалью (на немецкий манер, 32 ноты, или 25 нот на электроорганный манер) сложнее: придется вспоминать столярное дело.


Вернуться наверх
 
Не в сети
 Заголовок сообщения: Re: ЭМИ на логике.
СообщениеДобавлено: Вт мар 19, 2019 20:40:42 
Грызет канифоль

Карма: 8
Рейтинг сообщений: 90
Зарегистрирован: Вс фев 14, 2010 23:10:08
Сообщений: 256
Откуда: Псков
Рейтинг сообщения: 1
Электроорган Ритм-1 выдавал очень похожий тембр, у меня был такой ЭМИ. Где то в просторах интернета, я находил чертеж ножной клавиатура органа. http://www.forumklassika.ru/attachment. ... 1216294006 вот может пригодиться.


Вернуться наверх
 
Не в сети
 Заголовок сообщения: Re: ЭМИ на логике.
СообщениеДобавлено: Ср мар 20, 2019 14:34:06 
Родился

Зарегистрирован: Вс ноя 04, 2012 13:36:17
Сообщений: 19
Рейтинг сообщения: 0
Электроорган Ритм-1 выдавал очень похожий тембр, у меня был такой ЭМИ.

Не совсем то, что хотелось бы. А вот в Вермоне (Formation2) фильтры дают тот самый нежный флейтово-тибийный тембр. Теперь дело за тембрами струнных и язычковых регистров. С перкуссионными тембрами я для себя уже определился. Колокола, глокеншпиль, ксилофон, "органная арфа". С использованием "гармонического" синтеза, т.е. подбирая частоты нот близкие к гармоникам :idea:
Где то в просторах интернета, я находил чертеж ножной клавиатура органа. http://www.forumklassika.ru/attachment. ... 1216294006 вот может пригодиться.

А вот за этот файлик - огромное спасибо!!! :beer:


Вернуться наверх
 
Не в сети
 Заголовок сообщения: Re: ЭМИ на логике.
СообщениеДобавлено: Ср мар 20, 2019 15:53:52 
Грызет канифоль

Карма: 8
Рейтинг сообщений: 90
Зарегистрирован: Вс фев 14, 2010 23:10:08
Сообщений: 256
Откуда: Псков
Рейтинг сообщения: 0
Была у меня Вермона Formation 1 (мой самый первый муз. инструмент) , по сравнению с Ритм-1 не звучит вообще, отсутствовало затухание, звук был сухим. Может Formation2 это совсем другой по структуре инструмент, его я в живую не слышал. Очень хороший тембр Органа и Колоколов у Электроники Вента ЭМ-141 ( Орган https://www.youtube.com/watch?v=trZAqR_ARzI тут на 1:27 колокола https://www.youtube.com/watch?v=qRDsCvh ... OFeCZoqQ7k ) Но у нее сложная схема и микросхемы синтеза тембра уже не найти будит. Качественный звук был у Электроники 003, у нее был гармонический синтез тембра, но найти схему мне не удалось.
А какие манипуляторы и модуляторы планируете делать?


Вернуться наверх
 
Не в сети
 Заголовок сообщения: Re: ЭМИ на логике.
СообщениеДобавлено: Ср мар 20, 2019 16:56:35 
Родился

Зарегистрирован: Вс ноя 04, 2012 13:36:17
Сообщений: 19
Рейтинг сообщения: 0
Была у меня Вермона Formation 1 (мой самый первый муз. инструмент) ,по сравнению с Ритм-1 не звучит вообще, отсутствовало затухание, звук был сухим. Может Formation2 это совсем другой по структуре инструмент, его я в живую не слышал.

У Formation всех моделей был недостаток - прямое включение нот. Затухания нет, щелчки (не Key Click, а именно щелчки, из-за "противокликового смещения"), сложная контактура. Formation2 двухмануальный, но без педали. Мне попадалось видео с Form2, пропущенным через "симулятор Лесли" Neo Ventilator. Звук был довольно таки неплохим. (https://www.youtube.com/watch?v=gftro0l5BbI)

А какие манипуляторы и модуляторы планируете делать?

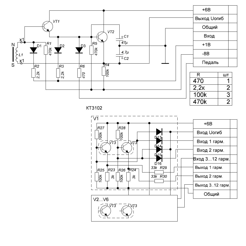
Манипуляторы на транзисторах, по схеме с общей базой. http://img.radiokot.ru/files/81458/medi ... cjeu3b.GIF Не самое корректное решение, но все же... Похожая схема была в "пищалках" "Фаэми-М" и "Мануал"... Модуляторы... Это вопрос непростой, но ответить можно. Модулятор частотный, модулирует главный генератор. Планируется задержка вибрато и портаменто.


Вернуться наверх
 
Не в сети
 Заголовок сообщения: Re: ЭМИ на логике.
СообщениеДобавлено: Ср мар 20, 2019 19:32:56 
Грызет канифоль

Карма: 8
Рейтинг сообщений: 90
Зарегистрирован: Вс фев 14, 2010 23:10:08
Сообщений: 256
Откуда: Псков
Рейтинг сообщения: 1
Немножко перепутали вы, Манипуляторы (от слова манипуляция) У меня это клавишное устройство КУ с датчиками удара эдс. А Модуляторы это вот по ссылки, но это не суть. Вот какова линейность этого модулятора, я похожий собирал, но у меня был шум паузы слышен. Я в своей схеме планирую модулятор собрать таким образом, чтобы гармоники после атаки "гасли" поочередно (сравнимо светодиодному индикатору уровня сигнала) При исследование тембра фортепьяно, я выяснил, что при затухании сигнала, высшие гармоники не плавно затухают до "0", а не доходя до нуля общего звука, они словно выключаются, хотя при этом первая и вторая гармоники еще громкие. И только к концу звука, остаются первая и вторая гармоника и плавно затухает до "0". По этому попробую собрать модулятор (по своей схеме Варианта 2) так: Сигнал с КУ (максимально 6В) подается через диод на базу первого транзистора (первая гармоника) затем с базы первого транзистора через диод на базу второго транзистора и так далее (схему позже нарисую)


Вернуться наверх
 
Не в сети
 Заголовок сообщения: Re: ЭМИ на логике.
СообщениеДобавлено: Ср мар 20, 2019 20:37:24 
Родился

Зарегистрирован: Вс ноя 04, 2012 13:36:17
Сообщений: 19
Рейтинг сообщения: 0
Ничего страшного. Линейность у него, сказать по правде, не ахти. Но для моей задачи (смягченная 25-30мс атака и легкий спад) пойдет.


Вернуться наверх
 
Не в сети
 Заголовок сообщения: Re: ЭМИ на логике.
СообщениеДобавлено: Сб мар 23, 2019 21:14:37 
Друг Кота
Аватар пользователя

Карма: 43
Рейтинг сообщений: 167
Зарегистрирован: Вс янв 25, 2009 21:16:04
Сообщений: 35639
Откуда: Москва
Рейтинг сообщения: 0
Тема немного ожила и это радует.
Создание сложных тембров - не простая задача и требует огромного количества как генераторов, так и всего прочего.
Я как то давно советовал Валере простейшую схему манипуляторов и ключей для них, но он почему то уперся в катушки возбуждения.
Хозяин - барин, лишь бы хватило терпения наматывать под сотню таких катушек. Возможно придется бороться и с электромагнитными помехами.
Но я уже ничем помочь не смогу. Я как то предлагал изучить работу ЦАП и программирование, что намного легче и универсальние для создания самых сложных тембров. Но....его Величество = аналог... А после ЦАП - не аналог?
Даже сейчас из Вашего компьютера с ютуба именно ЦАП поет из звуковой карты. Делайте выводы, нежели тратить несколько сотен микросхем, транзисторов, диодов и прочей рассыпухи и ломать мозг и убивая всё свободное время на создание сложнейших схем.

_________________
А поболтать?


Вернуться наверх
 
Не в сети
 Заголовок сообщения: Re: ЭМИ на логике.
СообщениеДобавлено: Вс мар 24, 2019 10:58:43 
Родился

Зарегистрирован: Вс ноя 04, 2012 13:36:17
Сообщений: 19
Рейтинг сообщения: 0
Тема немного ожила и это радует.
Создание сложных тембров - не простая задача и требует огромного количества как генераторов, так и всего прочего.
Я как то давно советовал Валере простейшую схему манипуляторов и ключей для них, но он почему то уперся в катушки возбуждения.
Хозяин - барин, лишь бы хватило терпения наматывать под сотню таких катушек. Возможно придется бороться и с электромагнитными помехами.
Но я уже ничем помочь не смогу. Я как то предлагал изучить работу ЦАП и программирование, что намного легче и универсальние для создания самых сложных тембров. Но....его Величество = аналог... А после ЦАП - не аналог?
Даже сейчас из Вашего компьютера с ютуба именно ЦАП поет из звуковой карты. Делайте выводы, нежели тратить несколько сотен микросхем, транзисторов, диодов и прочей рассыпухи и ломать мозг и убивая всё свободное время на создание сложнейших схем.

Оба варианта имеют законное право на существование. Если говорить о "цифровом" инструменте, т.е использующем для темброобразования элементы цифровой схемотехники, будь то логика, микропроцессоры и ОЗУ/ПЗУ, то меня останавливает от перехода на эту стезю отсутствие навыков программирования на чем-то более серьезном, чем Бейсик. Да и бейсиковые навыки весьма хреновые. "Аналоговые", т.е. ЭМИ использующие для темброобразования сугубо аналоговые цепи имеют свои недостатки. Однако, ничто не мешает их собрать вместе. Т.е. флейты, тибии, принципалы, струнные, формировать аналоговой схемотехникой, а сложные тембры (сольные, язычки, перкуссия) формировать уже цифровым методом. Похожая фишка была в японском органчике Technics SX-C600. Что же касается меня, то я просто адаптирую ГДР-овский гробик "Vermona Fromation3" что называется "под себя".


Вернуться наверх
 
Не в сети
 Заголовок сообщения: Re: ЭМИ на логике.
СообщениеДобавлено: Вс мар 24, 2019 20:32:45 
Друг Кота
Аватар пользователя

Карма: 43
Рейтинг сообщений: 167
Зарегистрирован: Вс янв 25, 2009 21:16:04
Сообщений: 35639
Откуда: Москва
Рейтинг сообщения: 0
Кот Алекс, так программировать под ЦАП я не вижу особой сложности, ибо ЦАП принимающий максимальное цифровое число FF например = максимальная аналоговая амплитуда импульса на выходе, а 00 - максимально отрицательная амплитуда импульса. (я где то ранее рисовал график).
Просто в программе рисуем нужную форму (сочиню её сам) периода частоты и пускай её по "кольцу". Будет пищать. Можно наложить несколько частот (сколь угодно). Но самое тут ценное: не придется делать новые платы, напаивать кучу всяких деталек, чтобы получить новый тембр. Просто на экране компьютера меняешь в программе данные и всё. Можно использовать и готовые , сделаны другими людьми. Можно ваще подключиться к компу с помошью МИДИ и не надо "изобретать" лисапед.
Я много экспериментривал со звуком, пытаясь выжать какие то свои, оригинальные тембры и окрасы звуков, используя несколько генераторов, формантные фильтры и просто RC фильтры, растягивая, переворачивая импульсы, использовал и задержку по фазе, но ничего интересного не получилось. Может и получалось, но сложно всё это и отнимает массу времени. Не способен мозг запомнить, какой звук получился неделю назад и что на сегодня и сравнить. Вроде бы и похоже на пианино (одиночный звук), а собрал на всю клавиатуру (сыграть аккордами) - не похоже. Чего то не хватает...не тот тембр. Этим и страдают все аналоговые синтезаторы: написано труба, а звучит мерзко. А вот флейта...вроде и похожа.
А вот у цифрового похожи и скрипки (особенно "хором" и саксофон, а рояль вполне натурально звучит. ( не у всех моделей, конечно). А колокола ваще нормалек!
В конце концов бросил я заниматься этим "анонизмом" - есть у меня Ямаха, звучит неплохо, да и ладно. Валере (Tihin) тоже когда нибудь надоест и купит он себе цифровую пианину со взвещенной клавой и экспрессией при резком ударе по клавишам... (этот эффект есть в некоторых недешевых синтезаторах).
Второе: то, что некоторые называли "жирный аналоговый звук" не что иное, как грязный звук. Он по своему хорош, как у скрипучей гитары на грани самовозбуждения. Каждому своё.
Но всё одно: желаю Вам удачи , экспериментируйте, может что толковое и получится.

_________________
А поболтать?


Вернуться наверх
 
Не в сети
 Заголовок сообщения: Re: ЭМИ на логике.
СообщениеДобавлено: Вс мар 24, 2019 22:01:56 
Грызет канифоль

Карма: 8
Рейтинг сообщений: 90
Зарегистрирован: Вс фев 14, 2010 23:10:08
Сообщений: 256
Откуда: Псков
Рейтинг сообщения: 0
Цитата:
Валере (Tihin) тоже когда нибудь надоест и купит он себе цифровую пианину со взвещенной клавой
Не купит, а соберет. Мульёна у меня нет на хорошую цифру с хорошо подвешенной клавиатурой)))
Сегодня вырезал отверстия под динамики
Изображение Изображение


Вернуться наверх
 
Не в сети
 Заголовок сообщения: Re: ЭМИ на логике.
СообщениеДобавлено: Вт мар 26, 2019 18:05:44 
Друг Кота
Аватар пользователя

Карма: 43
Рейтинг сообщений: 167
Зарегистрирован: Вс янв 25, 2009 21:16:04
Сообщений: 35639
Откуда: Москва
Рейтинг сообщения: 0
Валера, как столяр - ты высший класс! Ждем продолжения = электронику...
Кстати, может и пригодится:
Изображение
Это рейсмусный строгальный из обычного большого электрорубанка.

_________________
А поболтать?


Вернуться наверх
 
Не в сети
 Заголовок сообщения: Re: ЭМИ на логике.
СообщениеДобавлено: Ср апр 17, 2019 12:42:08 
Грызет канифоль

Карма: 8
Рейтинг сообщений: 90
Зарегистрирован: Вс фев 14, 2010 23:10:08
Сообщений: 256
Откуда: Псков
Рейтинг сообщения: 0
Немножко оживлю тему, расскажу как двигается разработка. Доделал механику на тестовой клавиши. и начал делать крышку клавиатуры.
Изображение Изображение
В одном радио журнале я нашел схему генератора для настройки фортепьяно http://archive.radio.ru/web/1982/04/036/ чем мне она понравилось, там можно было делать поправки в настройке по шкале кривой Мейнеля и Рейлсбека. Схема собрана на программируемых счетчиках к155ие8. Естественно я понял что мне на этой схеме легко осуществить схему программируемого задающего генератора для схем гармонического делителя (о нем я уже писал, собран на КМОП к561ие8 и ие10). В ней легко реализовать быстрое переключение на два стандарта строя (для Ля 440Гц или 432Гц) корректировку по центам (до 50 центов) при помощи Ардуино. Кварцевая стабилизация. В схеме предполагалось 28 микросхем ие8, вот схема что я собрал. В ней я указал коэффициенты деления генератора и нотных делителей.
Изображение Изображение
Схема работает. Кварцевый резонатор я взял 2457600, расчет показал самое минимальное отклонение от математического равномерно-темперированного строя, не больше цента, для человеческого уха это еще не различимая частота. Вот фото с частотомера 1- частота резонатора, 2- частота для строя 440Гц, 3- частота для ноты До# (на схеме показана частота для всех нот)
Изображение Изображение Изображение
В данный момент в схеме у меня использовано 8 микросхем ИЕ8 и ток потребления 450мА, это писец как много, а все 28 ТТЛ будут брать почти 3А, меня это не устраивает. Я стал искать КМОП аналог этой микросхемы и не нашел... Микросхема К561ИЕ15 это тоже программируемый счетчик делитель, но делит он частоту по другому алгоритму нежели 155ие8. У ИЕ15 коэффициент деления и является числом на которое нужно делить частоту, а у ИЕ8 коэффициент деления, это программа которая программирует микросхемы. Для того чтобы мне получить частоту 1036800, нужно частоту 2457600 поделить на 2,36950231481481. в ИЕ15 такой коэффициент в бить нельзя, а в ТТЛ можно. И тут я задумался, а как же тогда работает 155ие8? как она делит частоту? Формула есть и там применяется переменная 4096, это максимальный коэффициент деления на двух ие8. Как мне последовательно просчитать деление частоты в ие8? И можно ли собрать их аналог на КМОП, например на нескольких ИЕ16 и ие10 чтобы коэффициент был программой, а не числом на которое делиться частота?


Вернуться наверх
 
Показать сообщения за:  Сортировать по:  Вернуться наверх
Начать новую тему Ответить на тему  [ Сообщений: 666 ]     ... , , , 31, , ,  

Часовой пояс: UTC + 3 часа


Кто сейчас на форуме

Сейчас этот форум просматривают: нет зарегистрированных пользователей и гости: 17


Вы не можете начинать темы
Вы не можете отвечать на сообщения
Вы не можете редактировать свои сообщения
Вы не можете удалять свои сообщения
Вы не можете добавлять вложения

Найти:
Перейти:  


Powered by phpBB © 2000, 2002, 2005, 2007 phpBB Group
Русская поддержка phpBB
Extended by Karma MOD © 2007—2012 m157y
Extended by Topic Tags MOD © 2012 m157y