Например TDA7294

Форум РадиоКот • Просмотр темы - Автоматический запуск двигателя на AT90S2313
Форум РадиоКот
Здесь можно немножко помяукать :)

Текущее время: Пн окт 13, 2025 06:17:57

Часовой пояс: UTC + 3 часа


ПРЯМО СЕЙЧАС:



Начать новую тему Ответить на тему  [ Сообщений: 218 ]    , , , 4, , , ...  
Автор Сообщение
Не в сети
 Заголовок сообщения:
СообщениеДобавлено: Вт сен 04, 2007 10:00:59 
Встал на лапы

Зарегистрирован: Пн авг 27, 2007 21:46:36
Сообщений: 101
Рейтинг сообщения: 0
Прошу прощения не было возможности заняться девайсом присутствовал на свадьбе и двух днях рождения. Думаю, сегодня вечером первую часть выложу


Вернуться наверх
 
Не в сети
 Заголовок сообщения:
СообщениеДобавлено: Вт сен 04, 2007 15:17:10 
Встал на лапы

Зарегистрирован: Пн авг 27, 2007 21:46:36
Сообщений: 101
Рейтинг сообщения: 0
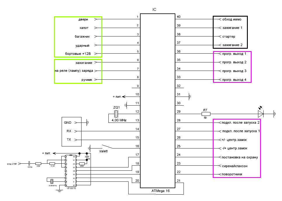
Вот, структурно.
Оставил два программируемых выхода и добавил два программируемых входа, на случай подключения штатной сигнализации, просто радиобрелока ЦЗ (такой на иномарках с завода) или отдельного модуля управления по радиоканалу. Согласитесь, GSM связь работает не всегда и не везде, поэтому надо предусмотреть возможность иного управления.
Кнопку сброса не стал вешать на сброс МК, т.к. теперь в дальнейшем можно увязать ее с отключением по коду.
Большинство входов буду гальванически развязывать через оптопары (где это необходимо). Сейчас думаю насчет управления силовыми нагрузками - надо посмотреть по автомобильной камасутре протекающие токи и выбрать тип(ы) реле.
По-прежнему предлагаю начать с автозапуска и пейджера.
По пейджерам есть отличная конструкция, из функциональных недостатков - не имеет "ждущего" режима, а при постановке/снятии надо включать/выключать питание находится: http://icdevelop.narod.ru/plusgsm/index.htm Исходников к сожалению нет.
И второй, со своими плюсами: gsmpager.spb.ru есть исходники. Посмотри описания, поймешь сам, что нужно.
Я пока дорисовываю.


Вложения:
alarm.GIF [19.43 KiB]
Скачиваний: 630
Вернуться наверх
 
Не в сети
 Заголовок сообщения:
СообщениеДобавлено: Вт сен 04, 2007 15:18:54 
Встал на лапы

Зарегистрирован: Пн авг 27, 2007 21:46:36
Сообщений: 101
Рейтинг сообщения: 0
И вот в сплане


Вложения:
Alarm.zip [6.17 KiB]
Скачиваний: 431
Вернуться наверх
 
Не в сети
 Заголовок сообщения:
СообщениеДобавлено: Вс сен 09, 2007 22:44:39 
Первый раз сказал Мяу!

Зарегистрирован: Чт май 31, 2007 16:08:24
Сообщений: 39
Рейтинг сообщения: 0
вот накидал программку. В принципе должно работать :))
принцип работы:
звоним на сотовый, вводим:
"11#" - Снятие охраны
"12#" - Постановка на охрану
"13#" - Автозапуск
пока всё..
работает принятие команд с сотового (пока без смс), автозапуск (во время охраны и при снятой охране), снятие с охраны (открытие дверей, моргание поворотниками, пикание сиреной), постановка на охрану, включение сирены при нарушении 6 входов (зажиг, двери,багаж,капот,питание,ударный), при включенной сирене ввод "11#" отключает сирену, но не открывает двери, вроде всё..
Потестируешь?? Желательно всякие случаи: снятие с охраны при заведенном двигателе (с автозапуска), нарушение 6 входов при заведенном двигателе и последующим отключение сирены с помощью "11#" и т.п.
Спрашивай если что.
По схеме: кварц - 11,059200 MHz
Цитата:
добавил два программируемых входа
а где они?? :) по схеме чето не видно.
Цитата:
предлагаю начать с автозапуска и пейджера
я думаю лучше делать вначале принятие команд, обработку и потом выполнение команд(автозапуск и т.д.)


Последний раз редактировалось PEHAT Чт сен 13, 2007 23:46:02, всего редактировалось 1 раз.

Вернуться наверх
 
Не в сети
 Заголовок сообщения:
СообщениеДобавлено: Пн сен 10, 2007 00:02:44 
Встал на лапы

Зарегистрирован: Пн авг 27, 2007 21:46:36
Сообщений: 101
Рейтинг сообщения: 0
Отлично! тестировать начну сразу как найду мегу, вообще они у нас в наличии были но сегодня спрашивал - раскупили, или на рынке завтра поищу или ждать буду. Если желающие есть, присоединяйтесь завтра - послезавтра дорисую схему и вперед. Кстати, программатор из 5 проводов шьет ее (мегу в смысле)?


Вернуться наверх
 
Не в сети
 Заголовок сообщения:
СообщениеДобавлено: Пн сен 10, 2007 06:14:41 
Э...
Аватар пользователя

Карма: 1
Рейтинг сообщений: 9
Зарегистрирован: Ср апр 04, 2007 08:39:14
Сообщений: 2792
Откуда: Москва
Рейтинг сообщения: 0
andr_s писал(а):
программатор из 5 проводов шьет ее (мегу в смысле)?


Да.

_________________
Думайте сами, решайте сами ... а вот он-лайн перевод на корявый русский http://translate.ru


Вернуться наверх
 
Не в сети
 Заголовок сообщения:
СообщениеДобавлено: Вт сен 11, 2007 22:13:10 
Первый раз сказал Мяу!

Зарегистрирован: Чт май 31, 2007 16:08:24
Сообщений: 39
Рейтинг сообщения: 0
кстати при наборе "11#" каждая цифра должна набираться с задержкой в 500мс, т.е. "1" подождать 0.5сек, "1" подождать 0.5секи и "#". Надеюсь поможет при неустойчивой связи от принятия двух одинаковых цифр при нажатии только одной. :)


Вернуться наверх
 
Не в сети
 Заголовок сообщения:
СообщениеДобавлено: Ср сен 12, 2007 23:16:56 
Встал на лапы

Зарегистрирован: Пн авг 27, 2007 21:46:36
Сообщений: 101
Рейтинг сообщения: 0
PEHAT писал(а):
кстати при наборе "11#" каждая цифра должна набираться с задержкой в 500мс, т.е. "1" подождать 0.5сек, "1" подождать 0.5секи и "#". Надеюсь поможет при неустойчивой связи от принятия двух одинаковых цифр при нажатии только одной. :)
Ренат, спасибо за комментарий, а кварц нельзя более приятный зашить? Нету у нас таких кварцев, на 10 мег прокатит, как считаешь?
запарка на работе, прихожу по ночам некогда заняться вплотную, мож к выходным закуплюсь начну сборку.


Вернуться наверх
 
Не в сети
 Заголовок сообщения:
СообщениеДобавлено: Чт сен 13, 2007 13:13:15 
Первый раз сказал Мяу!

Зарегистрирован: Чт май 31, 2007 16:08:24
Сообщений: 39
Рейтинг сообщения: 0
10 не прокатит =).
Может прокатить 4, 8, 12 и 16, но для этого надо будет подкорректировать исходники. Скажешь какой кварц у тебя есть, подкорректирую.


Вернуться наверх
 
Не в сети
 Заголовок сообщения:
СообщениеДобавлено: Чт сен 13, 2007 23:13:01 
Встал на лапы

Зарегистрирован: Пн авг 27, 2007 21:46:36
Сообщений: 101
Рейтинг сообщения: 0
PEHAT писал(а):
10 не прокатит =).
Может прокатить 4, 8, 12 и 16, но для этого надо будет подкорректировать исходники. Скажешь какой кварц у тебя есть, подкорректирую.
У меня разные есть, но для большинства не проблема найти на 4, у меня их полно и в каждом магазине имеются. Думаю, под 4 надо поправить


Вернуться наверх
 
Не в сети
 Заголовок сообщения:
СообщениеДобавлено: Вс сен 16, 2007 21:58:12 
Первый раз сказал Мяу!

Зарегистрирован: Чт май 31, 2007 16:08:24
Сообщений: 39
Рейтинг сообщения: 0
Вот на 4 МГц...
Убрал это:
Цитата:
при наборе "11#" каждая цифра должна набираться с задержкой в 500мс, т.е. "1" подождать 0.5сек, "1" подождать 0.5секи и "#". Надеюсь поможет при неустойчивой связи от принятия двух одинаковых цифр при нажатии только одной.
Теперь не нужно задержек, а если придут две одинаковые цифры при нажатии только одной, то значит третьим символом будет не "#" и команда не будет принята. Таким образом команду можно набирать как ты и хотел "+71234567890р11#" :)


Вложения:
mega16_gsm.rar [89.05 KiB]
Скачиваний: 489
Вернуться наверх
 
Не в сети
 Заголовок сообщения:
СообщениеДобавлено: Пн сен 17, 2007 13:52:11 
Потрогал лапой паяльник
Аватар пользователя

Зарегистрирован: Вт сен 11, 2007 10:27:08
Сообщений: 335
Откуда: Киев
Рейтинг сообщения: 0
Темка прикольная сама по себе, но у меня возникло пара вопросов:
1. Если у телефона на разъеме нет аудио выхода, то надо разбирать телефон и декодер к динамику подключать?
2. По даташиту резюки на этот декодер 1%. Если взять какие будут, не повлияет ли это сильно на качество приема, а то перезванивать по нескольку раз не охота.
Но городить такую схему я не буду, сигнализации у меня нет, иммо тоже, и лампа масла не светится (только заряд). И концевиков кучу городить тоже нет смысла. Поставлю один геркон или индуктивный датчик на ручку передач (где-то в недоступном месте) на проверку нейтрали, да и делов. Зачем проверять двери на открытие и глушить двигло? Один хрен не поедет, а залезть в авто, то он уже там.
И еще одно, температуру охл. жидкости как измеряем? Или просто по времени? Просто если АЦПировать, то как быть с подтяжкой по питанию, ведь датчик собой представляет резюк подключенный на массу. Не будет ли конфликта с ЭБУ?

И какова вероятность такой ситуации: дистанционно завел, пропала телефонная связь, пришел к авто, заглушить то заглушил, а далее надо контроллеру сообщить команду выключения, а то ж не уеду.
(кнопочку ставить надо, что влечет за собой сведения на нет всей безопасности).

Но надо думать, а то зима скоро.
С контроллером маяться не буду, мега128 и хватит весь авто подключить.


Вернуться наверх
 
Не в сети
 Заголовок сообщения:
СообщениеДобавлено: Пн сен 17, 2007 14:01:54 
Э...
Аватар пользователя

Карма: 1
Рейтинг сообщений: 9
Зарегистрирован: Ср апр 04, 2007 08:39:14
Сообщений: 2792
Откуда: Москва
Рейтинг сообщения: 0
__Alexander писал(а):
Если у телефона на разъеме нет аудио выхода


В музей его.

_________________
Думайте сами, решайте сами ... а вот он-лайн перевод на корявый русский http://translate.ru


Вернуться наверх
 
Не в сети
 Заголовок сообщения:
СообщениеДобавлено: Пн сен 17, 2007 14:08:34 
Потрогал лапой паяльник
Аватар пользователя

Зарегистрирован: Вт сен 11, 2007 10:27:08
Сообщений: 335
Откуда: Киев
Рейтинг сообщения: 0
я так и подумал.
Но не буду же я для этих целей применять супер пупер телефон.
И один хрен разбирать надо, т.к. разъем я тоже не буду преобретать, а подпаиваться к контактам не мой профиль.
Думаю фон более чем за 5$ безсмысленно.


Вернуться наверх
 
Не в сети
 Заголовок сообщения:
СообщениеДобавлено: Ср сен 26, 2007 23:29:07 
Первый раз сказал Мяу!

Зарегистрирован: Чт май 31, 2007 16:08:24
Сообщений: 39
Рейтинг сообщения: 0
andr_s, ну как? не тестировал ещё??


Вернуться наверх
 
Не в сети
 Заголовок сообщения:
СообщениеДобавлено: Вт окт 02, 2007 21:23:43 
Встал на лапы

Зарегистрирован: Пн авг 27, 2007 21:46:36
Сообщений: 101
Рейтинг сообщения: 0
Блин, парни, в больничку загремел завтра выписываюсь, сегодня уже домой отпустили. Мегу привезли звонил сегодня спрашивал, так что приступаю к работе. Вы тока сами не разбегайтесь а то боюсь заглохнет проект


Вернуться наверх
 
Не в сети
 Заголовок сообщения:
СообщениеДобавлено: Вт окт 02, 2007 21:38:11 
Встал на лапы

Зарегистрирован: Пн авг 27, 2007 21:46:36
Сообщений: 101
Рейтинг сообщения: 0
Вот еще чуть подрисовал


Вложения:
alarm2.GIF [28.86 KiB]
Скачиваний: 661
Вернуться наверх
 
Не в сети
 Заголовок сообщения:
СообщениеДобавлено: Вт окт 02, 2007 22:04:54 
Встал на лапы

Зарегистрирован: Пн авг 27, 2007 21:46:36
Сообщений: 101
Рейтинг сообщения: 0
to __Alexander
по даташиту к кодеру там все условно кроме кварца, поэтому номиналы могут существенно отличаться, например 5% на резисторы это несущественно. По измерению температуры ОЖ тоже нафиг оно надо - достаточно погреть 5 мин и вперед.

Кстати, пару раз слышал в сервисах, что на современных иномарках не рекомендуется длительный прогрев на холостых, а до рабочей температуры быстро не прогреешь. Лучше предусмотреть управление заслонкой карбюратора, вот это вещь нужная, но думаю здесь надо идти по пути выделения этого узла в самостоятельное аналоговое устройство, поскольку завязывать его на МК и прошивку бессмысленно - повторяемость будет низкая из-за индивидуальных особенностей двигателя.
Надо еще прилепить возможность программирования запуска например, через каждые три часа на 3-4 мин. Когда очень холодно бывает не заводится.
Секретную кнопку, кстати, мы предусмотрели, называется на схеме "Valett", затарив ее в нужном месте вы нисколько не увеличите риск отключения сигнализации, поскольку подобные кнопки в промышленных девайсах срабатывают после включения ключом зажигания и нажимаются в период не более нескольких секунд после открытия двери, иначе все блокируется намертво. Ну а об уязвимых местах надо думать в процессе отладки.


Вернуться наверх
 
Не в сети
 Заголовок сообщения:
СообщениеДобавлено: Ср окт 03, 2007 02:58:09 
Э...
Аватар пользователя

Карма: 1
Рейтинг сообщений: 9
Зарегистрирован: Ср апр 04, 2007 08:39:14
Сообщений: 2792
Откуда: Москва
Рейтинг сообщения: 0
Напряжение АКБ лучше на вход АЦП заводить серез резисторный делитель - чтоб сигнала сообщала о посадке акума или о ее близости.

А может и мотор включала для подзарядки
АКБ если бензина в достатке.

Сумлеваюсь что декодер ДТМФ будет работать.

_________________
Думайте сами, решайте сами ... а вот он-лайн перевод на корявый русский http://translate.ru


Вернуться наверх
 
Не в сети
 Заголовок сообщения:
СообщениеДобавлено: Ср окт 03, 2007 03:03:06 
Э...
Аватар пользователя

Карма: 1
Рейтинг сообщений: 9
Зарегистрирован: Ср апр 04, 2007 08:39:14
Сообщений: 2792
Откуда: Москва
Рейтинг сообщения: 0
andr_s писал(а):
Секретную кнопку, кстати, мы предусмотрели, называется на схеме "Valett", затарив ее в нужном месте


Сильно прятать ее не нужно, но я бы сделал ее с последовательным кодом - т.е. некоторую последовательность нажатий и пауз.

Очень советую продумать и встроить функции САМОДИАГНОСТИКИ ! чтоб можно было делать тесты системы без доп приборов.

Можно почитать инструкции к сигналкам со схемами на autoelectric.ru

_________________
Думайте сами, решайте сами ... а вот он-лайн перевод на корявый русский http://translate.ru


Вернуться наверх
 
Показать сообщения за:  Сортировать по:  Вернуться наверх
Начать новую тему Ответить на тему  [ Сообщений: 218 ]    , , , 4, , , ...  

Часовой пояс: UTC + 3 часа


Кто сейчас на форуме

Сейчас этот форум просматривают: нет зарегистрированных пользователей и гости: 18


Вы не можете начинать темы
Вы не можете отвечать на сообщения
Вы не можете редактировать свои сообщения
Вы не можете удалять свои сообщения
Вы не можете добавлять вложения

Найти:
Перейти:  


Powered by phpBB © 2000, 2002, 2005, 2007 phpBB Group
Русская поддержка phpBB
Extended by Karma MOD © 2007—2012 m157y
Extended by Topic Tags MOD © 2012 m157y