Например TDA7294

Форум РадиоКот • Просмотр темы - Проблема с 555 таймером
Форум РадиоКот
Здесь можно немножко помяукать :)

Текущее время: Пт фев 13, 2026 10:17:01

Часовой пояс: UTC + 3 часа


ПРЯМО СЕЙЧАС:



Начать новую тему Ответить на тему  [ Сообщений: 29 ]  1,  
Автор Сообщение
Не в сети
 Заголовок сообщения: Проблема с 555 таймером
СообщениеДобавлено: Пт ноя 27, 2009 16:44:19 
Родился

Зарегистрирован: Пн сен 28, 2009 22:54:16
Сообщений: 17
Рейтинг сообщения: 0
Здравствуйте!!!)))
собрал все по схеме, все работает как надо, ну только еще задействовал ногу - сброс.
Но возникла небольшая проблема, в режиме ожидания, потребляет много энергии (таймер стоит в схеме питающейся от батарейки 1,5 вольта, конечно же через преобразователь, питание на него - 15 вольт). За сутки батарейку убивает.
Есть ли какая - нибудь возможность включать питание кнопкой запуска таймера, а выключать кнопкой сброса? Пока эксперементирую с ключами на кт315 (просто были под рукой) по два - переход с колектора одного на базу другого через резистор. Работают, но при отпускании кнопки тоже выключаются. Если поставить перемычку между запуском (2 нога) и выходом (3 нога) - схема включается запуском и выключается сбросом, но как таймер уже не работает. Идеи кончаються))) Помогите!!!!

Заранее прошу прощения, если данная тема уже рассматривалась.


Вложения:
Комментарий к файлу: Ну все остальное здесь
http://www.radiokot.ru/articles/01/

555_monostable.gif [1.62 KiB]
Скачиваний: 719
Вернуться наверх
 
Не в сети
 Заголовок сообщения:
СообщениеДобавлено: Пт ноя 27, 2009 16:59:49 
Друг Кота
Аватар пользователя

Карма: 44
Рейтинг сообщений: 605
Зарегистрирован: Вс мар 04, 2007 11:39:00
Сообщений: 4470
Откуда: Ukraine, Kyiv
Рейтинг сообщения: 0
1. Использовать КМОП-таймер (ICL7555 или сдвоенный ICM7556). Та же конфигурация, что и у биполярного, но весьма экономичный.
2. Нижняя граница напряжения питания у него 3...5 В. Зачем 15 В?
3. Резистивная обвязка биполярных ключей может "съесть" всю экономию. Здесь видятся полевые транзисторы.

_________________
Выслушай и противную сторону, даже если она и противна


Вернуться наверх
 
Не в сети
 Заголовок сообщения:
СообщениеДобавлено: Пт ноя 27, 2009 17:15:39 
Родился

Зарегистрирован: Пн сен 28, 2009 22:54:16
Сообщений: 17
Рейтинг сообщения: 0
Просто раньше в схеме стоял кр142ен5а, для стабилизации выходного напряжения, да и речи о таймере тогда еще не шло, и к тому же, если на таймер подать от 3 до 5 вольт, то на выходе бедет буде от 1.5 до 3 вольт, а схеме необходимо 4.5 - 5. Просто собиралось все методом подбора необходимых параметров.
Спасибо за идею, если известно, можете подсказать какое потребление тока у ICL7555? А по поводу полевиков, без них по всей видимости никак нельзя, может есть какая нибудь альтернатива?


Вернуться наверх
 
Не в сети
 Заголовок сообщения:
СообщениеДобавлено: Пт ноя 27, 2009 17:32:19 
Родился

Зарегистрирован: Пн сен 28, 2009 22:54:16
Сообщений: 17
Рейтинг сообщения: 0
Да, еще забыл уточнить:
основная проблема которая появилась - это как мне сделать ключ на питание таймера чтобы он срабатывал при однократном нажатии и работал до тех пор, пока не истечет время, после возвращался к исходному уровню (желательно к нулевому уровню потребления энергии таймером в режиме ожидания). Уточню, что таймер, хоть и важный, но единственный потребитель энергии в схеме, и сколько бы он не потреблял, все равно это крайне плачевно для батарейки(((


Вернуться наверх
 
Эиком - электронные компоненты и радиодетали
Не в сети
 Заголовок сообщения:
СообщениеДобавлено: Пт ноя 27, 2009 17:37:33 
Друг Кота
Аватар пользователя

Карма: 44
Рейтинг сообщений: 605
Зарегистрирован: Вс мар 04, 2007 11:39:00
Сообщений: 4470
Откуда: Ukraine, Kyiv
Рейтинг сообщения: 0
S.I.T.D. писал(а):
можете подсказать какое потребление тока у ICL7555?
А что, даташиты уже разве отменили? Или запретили их скачивать?
S.I.T.D. писал(а):
А по поводу полевиков, без них по всей видимости никак нельзя, может есть какая нибудь альтернатива?
Геркон с самоподхватом. Можно намотать туеву хучу витков, потреблять будет очень мало (несколько мА). Второй кнопкой рвать цепь его питания. Кнопки сдвоенные. Это так, - навскидку.

_________________
Выслушай и противную сторону, даже если она и противна


Вернуться наверх
 
Не в сети
 Заголовок сообщения:
СообщениеДобавлено: Пт ноя 27, 2009 17:42:13 
Говорящий с текстолитом

Зарегистрирован: Чт авг 06, 2009 20:34:52
Сообщений: 1627
Откуда: Новосибирск
Рейтинг сообщения: 0
S.I.T.D. писал(а):
А по поводу полевиков, без них по всей видимости никак нельзя, может есть какая нибудь альтернатива?

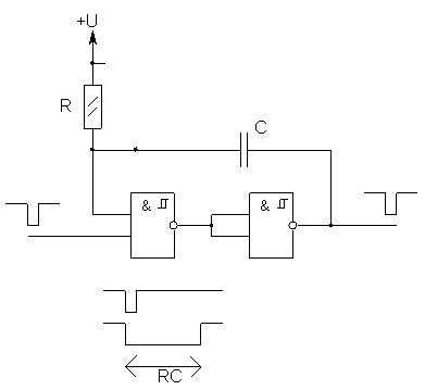
Можно собрать одновибратор на 1/2 КМОП микросхеме К561ТЛ1. Потребление - микроскопическое. Напряжение питания 3...15В (длительность будет зависеть от напряжения питания). Два элемента свободны - можно использовать, если нужна инверсия сигналов.


Вложения:
Комментарий к файлу: Одновибратор
1v1.gif [1.91 KiB]
Скачиваний: 703
Вернуться наверх
 
Не в сети
 Заголовок сообщения:
СообщениеДобавлено: Пт ноя 27, 2009 17:54:20 
Модератор
Аватар пользователя

Карма: 46
Рейтинг сообщений: 236
Зарегистрирован: Чт окт 27, 2005 18:50:07
Сообщений: 11169
Откуда: из мест не столь отдалённых
Рейтинг сообщения: 0
Медали: 2
Получил миской по аватаре (1) Мявтор 3-й степени (1)
Добавить RS- триггер на КМОП- микросхеме. Открывается от нажатия кнопки, сбрасывается сигналом с таймера.


Вернуться наверх
 
Не в сети
 Заголовок сообщения:
СообщениеДобавлено: Пт ноя 27, 2009 17:56:41 
Друг Кота
Аватар пользователя

Карма: 43
Рейтинг сообщений: 167
Зарегистрирован: Вс янв 25, 2009 21:16:04
Сообщений: 35639
Откуда: Москва
Рейтинг сообщения: 0
Реле двуобмоточное(поляризованое), работает от 5 вольт, на одну обмотку кратковременно дал питание(доли секунды) - включилось, на другую обмотку импульс питания - выключилось. Во всё остальное время ничего не потребляет. Марка: "FRT3H-S" Есть и от 12 вольт работают. Имеет две группы контактов на переключение. Габариты: 10х20х13мм. Если реле не сможешь найти - можно соорудить RS триггер на КМОП микросхеме к выходу приладить триод(реле) для отключения питания. Сама микра потребляет до того мало(в режиме ожидания), что можно спать спокойно. Серия 561(1561,564,1564 и т.п.)может питаться от 3 до 18 вольт(среднее значение 12 вольт). А вообще я реле времени делал так: Генератор на 2 Гц - пульсирующий светодиод(есть такие в продаже) - снимал с него сигнал и подавал на счетчик ИЕ8 (до 5 секунд считает) , либо по цепочке подключал каскад таких счетчиков(когда выдержка в минутах, часах). Нужная выдержка берется с выхода счетчика. Опять же - счетчики КМОП: работает - ест энергию, не работает - не ест.

_________________
А поболтать?


Вернуться наверх
 
Не в сети
 Заголовок сообщения:
СообщениеДобавлено: Пт ноя 27, 2009 18:00:18 
Друг Кота
Аватар пользователя

Карма: 44
Рейтинг сообщений: 605
Зарегистрирован: Вс мар 04, 2007 11:39:00
Сообщений: 4470
Откуда: Ukraine, Kyiv
Рейтинг сообщения: 0
Все та же проблема: напряжение питания. Если запитывать от 1,5 В - работоспособность не гарантируется. Если от преобразователя - тогда нафиг все эти триггеры/мультивибраторы нужны?

Потому кнопкой надо все-таки включать преобразователь и сбрасывать опять же преобразователь.

Вот и возникает мысля: а какая частота генерации таймера? Если - достаточно высокая, может быть, ее детектировать и она будет поддерживать ключ в открытом состоянии... А сбрасывать - замыканием детектора (прекращать поступление импульсов).

Схемку бы, более подробную, чем в первом посте: что чем управляет, куда идут импульсы от таймера и т.п.

_________________
Выслушай и противную сторону, даже если она и противна


Вернуться наверх
 
Не в сети
 Заголовок сообщения:
СообщениеДобавлено: Пт ноя 27, 2009 18:07:13 
Родился

Зарегистрирован: Пн сен 28, 2009 22:54:16
Сообщений: 17
Рейтинг сообщения: 0
Спасибо всем, попробую все)))
И уж совсем глупый вопрос хочу задать:

можно ли в качестве КМОП - микросхемы использовать ла3? просто завалялось парочка штук)))


Вернуться наверх
 
Не в сети
 Заголовок сообщения:
СообщениеДобавлено: Пт ноя 27, 2009 18:09:28 
Родился

Зарегистрирован: Пн сен 28, 2009 22:54:16
Сообщений: 17
Рейтинг сообщения: 0
Схемку скину чуть попозже, ее еще надо нарисовать)))))


Вернуться наверх
 
Не в сети
 Заголовок сообщения:
СообщениеДобавлено: Пт ноя 27, 2009 18:11:37 
Друг Кота
Аватар пользователя

Карма: 44
Рейтинг сообщений: 605
Зарегистрирован: Вс мар 04, 2007 11:39:00
Сообщений: 4470
Откуда: Ukraine, Kyiv
Рейтинг сообщения: 0
ЛА3 в составе КМОП нет как класса! Это ТТЛ!

_________________
Выслушай и противную сторону, даже если она и противна


Вернуться наверх
 
Не в сети
 Заголовок сообщения:
СообщениеДобавлено: Пт ноя 27, 2009 18:15:37 
Модератор
Аватар пользователя

Карма: 162
Рейтинг сообщений: 2445
Зарегистрирован: Пн июл 07, 2008 10:46:09
Сообщений: 10737
Откуда: Россия
Рейтинг сообщения: 0
falkonist писал(а):
ЛА3 в составе КМОП нет как класса! Это ТТЛ!

А 1554ЛА3? :))

_________________
Если хотите, чтобы жизнь улыбалась вам, подарите ей своё хорошее настроение


Вернуться наверх
 
Не в сети
 Заголовок сообщения:
СообщениеДобавлено: Пт ноя 27, 2009 19:05:28 
Друг Кота
Аватар пользователя

Карма: 43
Рейтинг сообщений: 167
Зарегистрирован: Вс янв 25, 2009 21:16:04
Сообщений: 35639
Откуда: Москва
Рейтинг сообщения: 0
Лови схемку таймера, которая в режиме ожидания ничего не потребляет. Включил питание - пошел отсчет. Всё остальное прикошачишь.
Со светодиода идет частота 2 Гц(0,5 сек), отсюда и шаг отсчета = 0,5 сек. Если нужен шаг в 1 сек., то надо поделить частоту с генератора на 2(триггером ТМ2). Если ещё грубее отсчет - делим входную частоту на счетчиках. Каждый выход ИЕ8 добавляет 0,5 секунд(по этой схеме). Питание от 5 до 15 вольт.

_________________
А поболтать?


Вернуться наверх
 
Не в сети
 Заголовок сообщения:
СообщениеДобавлено: Пт ноя 27, 2009 22:04:41 
Родился

Зарегистрирован: Пн сен 28, 2009 22:54:16
Сообщений: 17
Рейтинг сообщения: 0
Вот схемка генератор + таймер, вроде указал все)))) в таком состоянии она постоянно кушает энергию, а при запуске исправно работает где-то минут 10-11 и выключается.

все транзисторы кт 315
транс самодельный - катушка 125 мГн и сверху ~ витков 60 проволоки 0.5
R1 - 2 м
R2 - 1 к
R между 315 - 4к3
C1 - 220 мкф 16 в
C2 - 220 мкф 16 в
таймер 555 ))

с транса идет около 30 вольт, C2 снижает до ~ 20
преобразователь жрет 3ма/ч (замерял осцилографом)
питание аккум 1.5 вольт NiCd 1000 ма/ч
нижний предел 0.7-0.8 вольта (дальше аккумулятор резко разряжается в ноль)
снижение напряжения на входе практически пропорционально снижению напряжения выхода, когда вместо таймера стояла кренка , при 0.7 в на вход, на выходе было ~ 6-7в


Вернуться наверх
 
Не в сети
 Заголовок сообщения:
СообщениеДобавлено: Пт ноя 27, 2009 22:06:09 
Родился

Зарегистрирован: Пн сен 28, 2009 22:54:16
Сообщений: 17
Рейтинг сообщения: 0
схемка


Вложения:
sch7.jpg [12.75 KiB]
Скачиваний: 753
Вернуться наверх
 
Не в сети
 Заголовок сообщения:
СообщениеДобавлено: Сб ноя 28, 2009 11:27:00 
Друг Кота
Аватар пользователя

Карма: 44
Рейтинг сообщений: 605
Зарегистрирован: Вс мар 04, 2007 11:39:00
Сообщений: 4470
Откуда: Ukraine, Kyiv
Рейтинг сообщения: 0
Света писал(а):
falkonist писал(а):
ЛА3 в составе КМОП нет как класса! Это ТТЛ!

А 1554ЛА3? :))
Вынужден согласиться и исправиться. 1554ЛА3 = SN74АС00, т.е., действительно КМОП, но по цоколевке соответствует ТТЛ. Вот только большие сомнения, что 1554-я серия может "заваляться":
Цитата:
можно ли в качестве КМОП - микросхемы использовать ла3? просто завалялось парочка штук

_________________
Выслушай и противную сторону, даже если она и противна


Вернуться наверх
 
Не в сети
 Заголовок сообщения:
СообщениеДобавлено: Сб ноя 28, 2009 22:59:13 
Родился

Зарегистрирован: Пн сен 28, 2009 22:54:16
Сообщений: 17
Рейтинг сообщения: 0
Для тех, кто еще остался в теме))))
Мяу , здрасте))))
Попробовал идею с герконом, правда нашел только разомкнутый (сдвумя выводами) , намотал на нем двойным проводом много, много витков, на общий вывод катушки - минус , на остальные - на первый - вход таймера (выход с кнопки, на кнопку в свою очередь напряжение с преобразователя~30 вольт) , на второй - выход с таймера. Контакты геркона - на выход с преобразователя.

Работает частично, пока держу кнопку запуска - горит, отпускаю - гаснет, если одновременно с кнопкой пуска, нажать сброс - тоже гаснет. Если на геркон сверху положить мощный магнит, то при нажатии пуска горит, но раза в два слабее , и не работает таймер.

В итоге у меня возникает ощущение, что я сделал что-то не так)))))
Подскажите кто знает!!!!


Вернуться наверх
 
Не в сети
 Заголовок сообщения:
СообщениеДобавлено: Вс ноя 29, 2009 00:26:44 
Друг Кота
Аватар пользователя

Карма: 44
Рейтинг сообщений: 605
Зарегистрирован: Вс мар 04, 2007 11:39:00
Сообщений: 4470
Откуда: Ukraine, Kyiv
Рейтинг сообщения: 0
Вот эти 2 вывода разомкнутого и поставить параллельно кнопке пуска! А обмотка - после кнопки на "землю". Тогда при замыкания кнопки через обмотку пойдет ток и кнопка будет блокирована контактами геркона. Ее можно отпускать - питание все равно подается. Это и называется "с самоподхватом" (как я выразился) или "с самоблокировкой".

_________________
Выслушай и противную сторону, даже если она и противна


Вернуться наверх
 
Не в сети
 Заголовок сообщения:
СообщениеДобавлено: Вс ноя 29, 2009 01:26:49 
Родился

Зарегистрирован: Пн сен 28, 2009 22:54:16
Сообщений: 17
Рейтинг сообщения: 0
А как добиться, того, чтобы геркон размыкался выключением таймера, а то с самоподхватом получится бесконечный цикл работы...


Вернуться наверх
 
Показать сообщения за:  Сортировать по:  Вернуться наверх
Начать новую тему Ответить на тему  [ Сообщений: 29 ]  1,  

Часовой пояс: UTC + 3 часа


Кто сейчас на форуме

Сейчас этот форум просматривают: нет зарегистрированных пользователей и гости: 18


Вы не можете начинать темы
Вы не можете отвечать на сообщения
Вы не можете редактировать свои сообщения
Вы не можете удалять свои сообщения
Вы не можете добавлять вложения

Найти:
Перейти:  


Powered by phpBB © 2000, 2002, 2005, 2007 phpBB Group
Русская поддержка phpBB
Extended by Karma MOD © 2007—2012 m157y
Extended by Topic Tags MOD © 2012 m157y