Например TDA7294

Форум РадиоКот • Просмотр темы - Есть ли такое устройство?
Форум РадиоКот
Здесь можно немножко помяукать :)

Текущее время: Чт фев 12, 2026 13:57:30

Часовой пояс: UTC + 3 часа


ПРЯМО СЕЙЧАС:



Начать новую тему Ответить на тему  [ Сообщений: 19 ] 
Автор Сообщение
Не в сети
 Заголовок сообщения: Есть ли такое устройство?
СообщениеДобавлено: Вс окт 15, 2006 13:06:33 
Родился

Зарегистрирован: Ср авг 02, 2006 14:39:25
Сообщений: 15
Рейтинг сообщения: 0
Добрый день.
Поскольку я не силен в элементной базе - спрашиваю у вас.
Есть ли такой элемент, который переключает циклически ноги при поступлении на вход импульса? Желательно 16ти выходной. 1,2,3...,15,16,1,2...


Вернуться наверх
 
Не в сети
 Заголовок сообщения:
СообщениеДобавлено: Вс окт 15, 2006 13:36:34 
Друг Кота
Аватар пользователя

Карма: 28
Рейтинг сообщений: 267
Зарегистрирован: Ср сен 27, 2006 16:18:57
Сообщений: 3459
Рейтинг сообщения: 0
Конечно, есть! Это счётчик импульсов и дешифратор. Бывают в одном корпусе. Но на 16 выходов скорее всего понадобится два или три корпуса.
А что в вашем случае означает "переключает ноги"?


Вернуться наверх
 
Не в сети
 Заголовок сообщения:
СообщениеДобавлено: Вс окт 15, 2006 13:44:53 
Родился

Зарегистрирован: Ср авг 02, 2006 14:39:25
Сообщений: 15
Рейтинг сообщения: 0
Барсик писал(а):
Конечно, есть! Это счётчик импульсов и дешифратор. Бывают в одном корпусе. Но на 16 выходов скорее всего понадобится два или три корпуса.
А что в вашем случае означает "переключает ноги"?

Ну т.е. единовременно активен только один выход элемента. Сначала 1й, потом 2й, потом 3й и т.д.
Необходимо для поочередной коммутации сигнала на 16 линий схемы )
А если можно - как этот элемент называется? Номенклатурно )


Вернуться наверх
 
Не в сети
 Заголовок сообщения:
СообщениеДобавлено: Вс окт 15, 2006 13:48:40 
Говорящий с текстолитом
Аватар пользователя

Карма: 4
Рейтинг сообщений: 15
Зарегистрирован: Чт дек 15, 2005 17:34:48
Сообщений: 1507
Откуда: Петрозаводск
Рейтинг сообщения: 0
561ие8 или ие9... это счетчик с дешифратором в одном корпусе. но они на 10 выходов.
а так - бери счетчик 555ие7 + дешифратор 1533ид3, будет тебе щасте - 16 выходов с возможностью реверсирования

_________________
путь наименьшего сопротивления проходит по пути наитолстого провода (с) Сергей Соболь


Вернуться наверх
 
Эиком - электронные компоненты и радиодетали
Не в сети
 Заголовок сообщения:
СообщениеДобавлено: Вс окт 15, 2006 14:28:15 
Друг Кота
Аватар пользователя

Карма: 28
Рейтинг сообщений: 267
Зарегистрирован: Ср сен 27, 2006 16:18:57
Сообщений: 3459
Рейтинг сообщения: 0
Цитата:
Необходимо для поочередной коммутации сигнала на 16 линий схемы

А что Вы собрались коммутировать и чем? Не лучше ли сразу использовать коммутатор, который понимает двоичный код? Тогда дешифратор не нужен. Дешифратор ИД3 - страааашный зверь. Большой очень. Мы, кошаки, его не любим.


Вернуться наверх
 
Не в сети
 Заголовок сообщения:
СообщениеДобавлено: Вс окт 15, 2006 14:51:15 
Говорящий с текстолитом
Аватар пользователя

Карма: 4
Рейтинг сообщений: 15
Зарегистрирован: Чт дек 15, 2005 17:34:48
Сообщений: 1507
Откуда: Петрозаводск
Рейтинг сообщения: 0
Барсик писал(а):
Дешифратор ИД3 - страааашный зверь. Большой очень. Мы, кошаки, его не любим.

ну и зря. 1533ид3 маленький. хотите - верьте, хотите - нет :) но корпус все равно DIP

_________________
путь наименьшего сопротивления проходит по пути наитолстого провода (с) Сергей Соболь


Вернуться наверх
 
Не в сети
 Заголовок сообщения:
СообщениеДобавлено: Вс окт 15, 2006 17:16:20 
Родился

Зарегистрирован: Ср авг 02, 2006 14:39:25
Сообщений: 15
Рейтинг сообщения: 0
Барсик писал(а):
Цитата:
Необходимо для поочередной коммутации сигнала на 16 линий схемы

А что Вы собрались коммутировать и чем? Не лучше ли сразу использовать коммутатор, который понимает двоичный код? Тогда дешифратор не нужен. Дешифратор ИД3 - страааашный зверь. Большой очень. Мы, кошаки, его не любим.

http://www.radiokot.ru/forum/viewtopic.php?t=2295


Вернуться наверх
 
Не в сети
 Заголовок сообщения:
СообщениеДобавлено: Вс окт 15, 2006 18:21:48 
Модератор
Аватар пользователя

Карма: 46
Рейтинг сообщений: 236
Зарегистрирован: Чт окт 27, 2005 18:50:07
Сообщений: 11169
Откуда: из мест не столь отдалённых
Рейтинг сообщения: 0
Медали: 2
Получил миской по аватаре (1) Мявтор 3-й степени (1)
для любопытных.
Надо сделать устройство для преобразования последовательного кода в параллельный. Выход -16 светодиодов. Устройство должно принять в последовательном коде 16 импульсов, а потом по команде выдать их на 16 выходов.


Вернуться наверх
 
Не в сети
 Заголовок сообщения:
СообщениеДобавлено: Вс окт 15, 2006 21:45:23 
Друг Кота
Аватар пользователя

Карма: 28
Рейтинг сообщений: 267
Зарегистрирован: Ср сен 27, 2006 16:18:57
Сообщений: 3459
Рейтинг сообщения: 0
А можно для особо любознательных котов? Я то думал грешным делом, что автору темы надо коммутировать аналоговые сигналы. А оказалось, что ему надо управлять матрицей светодиодов в условиях резкой нехватки посуды на кухне (не хватает числа линий ввода/вывода для конкретного микроконтроллера).
Ну что же. И для такого случая уже всё придумали. Есть такая штука - сдвиговый регистр. Можно загружать его последовательно - теми самыми импульсами, а потом - бац! - выдать всё куда надо в параллельном коде. Регистра достаточно четырёхразрядного, а после него - дешифратор. Хотя бы и тот самый страшный ИД3. (впрочем, его можно заменить на два ИД7, кажется).
Но не знаю, есть ли смысл это городить, может быть найти микроконтроллер с достаточным количеством выводов?


Вернуться наверх
 
Не в сети
 Заголовок сообщения:
СообщениеДобавлено: Пн окт 16, 2006 14:45:47 
Родился

Зарегистрирован: Ср авг 02, 2006 14:39:25
Сообщений: 15
Рейтинг сообщения: 0
Барсик писал(а):
Я то думал грешным делом, что автору темы надо коммутировать аналоговые сигналы.

Нет. Не зря ж я написал в Цифровую технику.. Хотя может криво сказал..
Если у меня все заработает - это будет чудо ))

Сэр Мурр писал(а):
для любопытных.
Надо сделать устройство для преобразования последовательного кода в параллельный. Выход -16 светодиодов. Устройство должно принять в последовательном коде 16 импульсов, а потом по команде выдать их на 16 выходов.

Ой-ой! )) Какие то страшные слова.. Последовательный.. параллельный..
Мне никак не надо чтоб несколько выходов было активными одновременно. По одному поочередно.
Я все никак до дома не доберусь. Сейчас вот прийду и попробую нарисовать примерную схемку того чего я хочу.. Выложу. Только чур сразу не убивать ))


Вернуться наверх
 
Не в сети
 Заголовок сообщения:
СообщениеДобавлено: Пн окт 16, 2006 19:24:47 
Модератор
Аватар пользователя

Карма: 46
Рейтинг сообщений: 236
Зарегистрирован: Чт окт 27, 2005 18:50:07
Сообщений: 11169
Откуда: из мест не столь отдалённых
Рейтинг сообщения: 0
Медали: 2
Получил миской по аватаре (1) Мявтор 3-й степени (1)
Антошка, не надо бояться человека с ружьём! ( в смысле меня и моих слов.) Я говорю то, что у вас должно работать. Знаете, что такое динамическая индикация? Вот это она и будет. Не лезу со своими советами, пусть и другие принимают участие в мыслительном процессе. :wink:


Вернуться наверх
 
Не в сети
 Заголовок сообщения:
СообщениеДобавлено: Пн окт 16, 2006 22:51:54 
Потрогал лапой паяльник
Аватар пользователя

Карма: 2
Рейтинг сообщений: 1
Зарегистрирован: Чт июн 29, 2006 21:17:41
Сообщений: 336
Откуда: Мариуполь
Рейтинг сообщения: 0
А частота переключений какая нужна - может можно на релюхах замастырить.
НИЗЗЯ! уже говорили об этом. модератор


Вернуться наверх
 
Не в сети
 Заголовок сообщения:
СообщениеДобавлено: Ср окт 18, 2006 11:38:55 
Друг Кота

Карма: 17
Рейтинг сообщений: 166
Зарегистрирован: Пт авг 25, 2006 09:26:19
Сообщений: 5232
Откуда: Москва
Рейтинг сообщения: 0
Барсик писал(а):
... А оказалось, что ему надо управлять матрицей светодиодов в условиях резкой нехватки посуды на кухне (не хватает числа линий ввода/вывода для конкретного микроконтроллера).
Ну что же. И для такого случая уже всё придумали. Есть такая штука - сдвиговый регистр. Можно загружать его последовательно - теми самыми импульсами, а потом - бац! - выдать всё куда надо в параллельном коде. Регистра достаточно четырёхразрядного, а после него - дешифратор. Хотя бы и тот самый страшный ИД3. (впрочем, его можно заменить на два ИД7, кажется).
Но не знаю, есть ли смысл это городить, может быть найти микроконтроллер с достаточным количеством выводов?


Регистром...БАЦ...не получится, т.к. в момент сдвига сигналы присутствуют на выходах регистра и дешифратор вместо прошлого состояния "БАЦ" будет мельтишить по матрице сдвигаемыми кодами!!!
И вообще ерунда какая то...у пика PIC16F84 имеется 2 порта. На один 8 разрядный порт в параллель сажаем кучу(в нашем случае 4, а я бы посадил 8 и взял бы 2х цветные светодиоды) К580ИР82, а второй порт использовал бы, как дешифратор выбора шинного формирователя(К580ИР82)и один бит этого же порта в качестве строба записи. ВУАЛЯ!!!)))))))А сказал я про 8 регистров и двух цветные светодиоды потому, что минимальными средствами можно сделать изображение на матрице разноцветным!!! Кстати, ни какой динамической индикации у моего варианта ... все ярко, все статично!!!...Но вообще то это неверно в корне...нужно просто брать контроллер с 4 портами типа МК51...и не заниматься пристраиванием к ослу...заячих ушей и хвоста!!!)))))))
P.S. Однако с регистрами я был неправ, максимум, что можно сделать с ними, это уменьшить скваженость с 1/16 до 1/8 (при 4 регистрах), если к ним добавить еще пару дешифраторов ИД8.


Последний раз редактировалось Rokl Чт окт 19, 2006 09:26:52, всего редактировалось 1 раз.

Вернуться наверх
 
Не в сети
 Заголовок сообщения:
СообщениеДобавлено: Ср окт 18, 2006 19:20:28 
Модератор
Аватар пользователя

Карма: 46
Рейтинг сообщений: 236
Зарегистрирован: Чт окт 27, 2005 18:50:07
Сообщений: 11169
Откуда: из мест не столь отдалённых
Рейтинг сообщения: 0
Медали: 2
Получил миской по аватаре (1) Мявтор 3-й степени (1)
Ну пожалейте кто-нибудь Антошку- изложите принцип действия схемы. Опять всё должны модераторы делать, а эрудиты (не будем тыкать лапой) молчат.. Ну, если ТАК молчите, придётся мне...но надо колотить около страницы текста и риснков. :evil:


Вернуться наверх
 
 Заголовок сообщения:
СообщениеДобавлено: Чт окт 19, 2006 10:09:47 
Схемы давайте, уважаемый Сэр Мурр. Сканированые и или в другом черновом варианте, помогу. Текст пусть кто другой возьмёт


Вернуться наверх
   
 
Не в сети
 Заголовок сообщения:
СообщениеДобавлено: Пт окт 20, 2006 23:51:00 
Друг Кота

Карма: 17
Рейтинг сообщений: 166
Зарегистрирован: Пт авг 25, 2006 09:26:19
Сообщений: 5232
Откуда: Москва
Рейтинг сообщения: 0
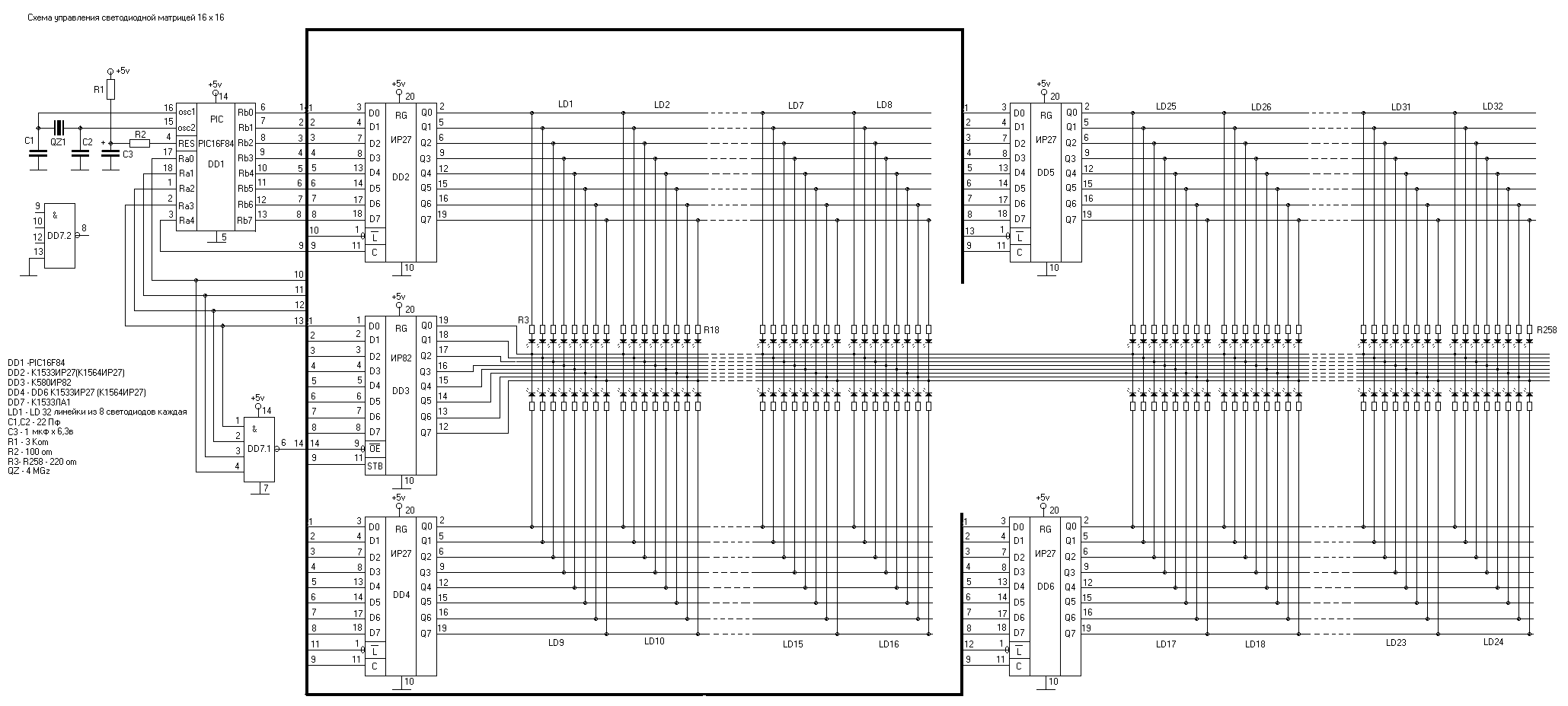
One писал(а):
Схемы давайте, уважаемый Сэр Мурр. Сканированые и или в другом черновом варианте, помогу. Текст пусть кто другой возьмёт


Вот сваял простенькую схемку управления матрицей светодиодов 16х16 пиком PIC16F84. Перед просмотром, замените расширение doc на bmp. Может кому пригодится)).
Молодец! Спасибо! Потом посмотрю подробнее.
Антошка, не перевелись добрые коты на свете! Модератор


Вложения:
Комментарий к файлу: расширение doc изменитьна bmp
Matrix16x16 Led.doc [235.69 KiB]
Скачиваний: 979
Вернуться наверх
 
Не в сети
 Заголовок сообщения:
СообщениеДобавлено: Пт окт 20, 2006 23:55:39 
Вечно гонимый
Аватар пользователя

Карма: 1
Рейтинг сообщений: 0
Зарегистрирован: Пн сен 04, 2006 20:25:28
Сообщений: 331
Откуда: самоучитель по микроконтроллерам
Рейтинг сообщения: 0
спасибо! а не мог бы на pic16f628 переделать?


Вернуться наверх
 
 Заголовок сообщения:
СообщениеДобавлено: Вс окт 22, 2006 17:43:08 
avr123.nm.ru писал(а):
спасибо! а не мог бы на pic16f628 переделать?

...а что вопросов нет??????
...а то я на форум "Паяльник ру" по просьбе, схему бегущих огней на 2х микрухах К155ЛА3 И К 155ИР17 (14 светодиодов бегают...)отправил, а через полгода, случайно заглянув,.... обнаружил грубую ошибку,...а народ уже ...51 раз схему скачал...я от стыда даже схему с форума удалил....
...про PIC16F68...ну, там портов куча...и на матрицу светодиодов 16х16 хватит и на связь с РС еще останется. Сам чего-нибудь сваяй, глядя на образец, а мы посмотрим...поправим, если что, может что предложим))...от моего кота Лепкина, всем привет!!! :wink:


Вернуться наверх
   
 
Не в сети
 Заголовок сообщения:
СообщениеДобавлено: Вс окт 22, 2006 19:05:02 
Друг Кота

Карма: 17
Рейтинг сообщений: 166
Зарегистрирован: Пт авг 25, 2006 09:26:19
Сообщений: 5232
Откуда: Москва
Рейтинг сообщения: 0
Anonymous писал(а):
avr123.nm.ru писал(а):
спасибо! а не мог бы на pic16f628 переделать?

...а что вопросов нет??????
...а то я на форум "Паяльник ру" по просьбе, схему бегущих огней на 2х микрухах К155ЛА3 И К 155ИР17 (14 светодиодов бегают...)отправил, а через полгода, случайно заглянув,.... обнаружил грубую ошибку,...а народ уже ...51 раз схему скачал...я от стыда даже схему с форума удалил....
...про PIC16F68...ну, там портов куча...и на матрицу светодиодов 16х16 хватит и на связь с РС еще останется. Сам чего-нибудь сваяй, глядя на образец, а мы посмотрим...поправим, если что, может что предложим))...от моего кота Лепкина, всем привет!!! :wink:

сорри, это был я.))) Могу предложить схемку для автостопа на 3 микросхемах с бегущими огнями на 28 светодиодах. Все проверено, все работает, сам себе установил.


Вернуться наверх
 
Показать сообщения за:  Сортировать по:  Вернуться наверх
Начать новую тему Ответить на тему  [ Сообщений: 19 ] 

Часовой пояс: UTC + 3 часа


Кто сейчас на форуме

Сейчас этот форум просматривают: нет зарегистрированных пользователей и гости: 28


Вы не можете начинать темы
Вы не можете отвечать на сообщения
Вы не можете редактировать свои сообщения
Вы не можете удалять свои сообщения
Вы не можете добавлять вложения

Найти:
Перейти:  


Powered by phpBB © 2000, 2002, 2005, 2007 phpBB Group
Русская поддержка phpBB
Extended by Karma MOD © 2007—2012 m157y
Extended by Topic Tags MOD © 2012 m157y