Например TDA7294

Форум РадиоКот • Просмотр темы - Регулятор оборотов коллекторного двигателя 220В
Форум РадиоКот
Здесь можно немножко помяукать :)

Текущее время: Ср мар 25, 2026 01:56:05

Часовой пояс: UTC + 3 часа


ПРЯМО СЕЙЧАС:



Начать новую тему Ответить на тему  [ Сообщений: 29 ]  1,  
Автор Сообщение
 Заголовок сообщения: Регулятор оборотов коллекторного двигателя 220В
СообщениеДобавлено: Сб май 25, 2013 21:42:27 
Открыл глаза

Карма: 5
Рейтинг сообщений: 3
Зарегистрирован: Сб ноя 10, 2012 17:23:48
Сообщений: 55
Откуда: Серпухов
Рейтинг сообщения: 0
Здравствуйте. Доброго времени суток.

Дело вот в чём. Сделал я простую насосную станцию в сарае, чтобы не бегать с лейкой по теплице, а со шлангом. Надыбал насос
АЗТ-5 и мотор от постирайки Indesit. Обороты запредельные, поливать не реально, всё размывает.
Подскажите, пожалуйста метод регулировать обороты движка.
Принимаю любые простые, рациональные и надёжные методы.
Заранее благодарен.

_________________
Прошу сильно не ругать. Всему учился сам и на кружках.


Вернуться наверх
 
 Заголовок сообщения: Re: Регулятор оборотов коллекторного двигателя 220В
СообщениеДобавлено: Сб май 25, 2013 22:09:50 
Вымогатель припоя
Аватар пользователя

Карма: 10
Рейтинг сообщений: 64
Зарегистрирован: Вс ноя 04, 2012 20:20:13
Сообщений: 573
Откуда: Рязань
Рейтинг сообщения: 0
Если включаете в однофазную сеть ~220В, то можно попробовать фазовый регулятор.

_________________
Выше нос! жизнь прекрасна! :))


Вернуться наверх
 
 Заголовок сообщения: Re: Регулятор оборотов коллекторного двигателя 220В
СообщениеДобавлено: Вс май 26, 2013 07:41:55 
Собутыльник Кота
Аватар пользователя

Карма: 8
Рейтинг сообщений: 126
Зарегистрирован: Ср сен 28, 2011 22:18:14
Сообщений: 2981
Откуда: Москва
Рейтинг сообщения: 0
Александр96
Посмотри в сторону регуляторов от пылесосов.
Двигатели похожи.

_________________
Люди могут жить без мозгов.


Вернуться наверх
 
 Заголовок сообщения: Re: Регулятор оборотов коллекторного двигателя 220В
СообщениеДобавлено: Вс май 26, 2013 09:16:41 
Друг Кота
Аватар пользователя

Карма: 4
Рейтинг сообщений: 342
Зарегистрирован: Ср мар 31, 2010 09:33:22
Сообщений: 4974
Откуда: Владивосток
Рейтинг сообщения: 0
Вчера на помойку выкинули стиралку Bosh , почти новая :)) , я выкрутил коллекторный движок на 380 вт и плату регулятора . Так на двигателе стоит встроенный датчик оборотов , на плате микросхема .
Надо плату внимательно изучить и сдесь выложить схему . :) Регулируется по числу оборотов на валу движка .
У вас если нет этого тахометра , придется приделать .
Вот схема и плата от машинки постарше , собрана на TDA1085C

СпойлерИзображение


СпойлерИзображение

_________________
«Когда у общества нет цветовой дифференциации штанов, то нет цели!»

- Позвольте-с вас спросить, почему от вас так отвратительно пахнет?
- Ну, что ж, пахнет... известно. По специальности. Вчера котов душили, душили. (с)


Вернуться наверх
 
Эиком - электронные компоненты и радиодетали
 Заголовок сообщения: Re: Регулятор оборотов коллекторного двигателя 220В
СообщениеДобавлено: Вс май 26, 2013 09:56:52 
Открыл глаза

Карма: 5
Рейтинг сообщений: 3
Зарегистрирован: Сб ноя 10, 2012 17:23:48
Сообщений: 55
Откуда: Серпухов
Рейтинг сообщения: 0
Сделал вчера вечером простой диммер. Сегодня испытал.
С лампочками работает отлично, но обороты двигателя не меняет.
Вложение:
диммер.GIF [5.28 KiB]
Скачиваний: 3538

Оборотов нет или изменяются в малых пределах(на звук слышно, а по напору не заметно).
Похожую схему делал года 3 назад, в 8 классе, на кружке. Это была мигалка.
Цепь R4 C2 моя переделка. Без неё мигалка не работала.

_________________
Прошу сильно не ругать. Всему учился сам и на кружках.


Вернуться наверх
 
 Заголовок сообщения: Re: Регулятор оборотов коллекторного двигателя 220В
СообщениеДобавлено: Вс май 26, 2013 10:10:06 
Друг Кота
Аватар пользователя

Карма: 50
Рейтинг сообщений: 769
Зарегистрирован: Чт дек 29, 2005 00:18:30
Сообщений: 6613
Откуда: Москва
Рейтинг сообщения: 0
Оставьте Вы эти извращения с регулировкой оборотов двигателя. Насос имеет квадратичную характеристику производительности и нелинейную по мощности. Ставьте байпас (два крана и тройник) и регулируйте, это единственное правильное решение для насоса. Схему найдёте (сообразите) или написать? На всякий случай..часть воды с выхода подаётся на вход, выход поддавливается вторым краном как дросселем. Можно в принципе и просто выход дросселировать, но если насос высокого давления то может подводка потечь.

_________________
Ничто так не укрепляет взаимное доверие, как 100% предоплата! Дмитрий, ex-RK3AOR.


Вернуться наверх
 
 Заголовок сообщения: Re: Регулятор оборотов коллекторного двигателя 220В
СообщениеДобавлено: Вс май 26, 2013 10:59:01 
Друг Кота
Аватар пользователя

Карма: 4
Рейтинг сообщений: 342
Зарегистрирован: Ср мар 31, 2010 09:33:22
Сообщений: 4974
Откуда: Владивосток
Рейтинг сообщения: 0
Как раз давление на выходе у роторно-пластинчатого насоса зависить от оборотов шкива . Номинал 20 кг\см2 при 470 об.мин.
Но АЗТ-5 используют для топлива а не для воды . От нее он быстро испортится . Он ведь не из титана . :)


Вложения:
2013-05-26_191904.jpg [67.17 KiB]
Скачиваний: 3371

_________________
«Когда у общества нет цветовой дифференциации штанов, то нет цели!»

- Позвольте-с вас спросить, почему от вас так отвратительно пахнет?
- Ну, что ж, пахнет... известно. По специальности. Вчера котов душили, душили. (с)
Вернуться наверх
 
 Заголовок сообщения: Re: Регулятор оборотов коллекторного двигателя 220В
СообщениеДобавлено: Вс май 26, 2013 11:21:34 
Друг Кота
Аватар пользователя

Карма: 50
Рейтинг сообщений: 769
Зарегистрирован: Чт дек 29, 2005 00:18:30
Сообщений: 6613
Откуда: Москва
Рейтинг сообщения: 0
Всё равно регулировать обороты двигла в связке с насосом не самая удачная идея. ТС может или подобрать редуктор для заданного расхода (ступенчато) и/или довести производительность байпасом для нужной, что можно сделать плавно. Ресурс насоса... ну это уже ему никак не изменить, сколько протянет столько и протянет. Для большого ресурса ему надо огород маслом :) поливать, тогда там будут жить Железные Дровосеки :) .

_________________
Ничто так не укрепляет взаимное доверие, как 100% предоплата! Дмитрий, ex-RK3AOR.


Вернуться наверх
 
 Заголовок сообщения: Re: Регулятор оборотов коллекторного двигателя 220В
СообщениеДобавлено: Вс май 26, 2013 11:29:41 
Друг Кота
Аватар пользователя

Карма: 4
Рейтинг сообщений: 342
Зарегистрирован: Ср мар 31, 2010 09:33:22
Сообщений: 4974
Откуда: Владивосток
Рейтинг сообщения: 0
Тут я не вижу альтернатив - или менять эксентриситет ротора или число оборотов в минуту . Не зря я картинку приаттачил :) .
Ресурс определяется конструкцией и перекачиваемой жидкостью . От воды лопатки быстро корродируют ,она вам не бензин и солярка и перестанут вылазить . А еще не дай бог - грязью забьются :facepalm: .
Дмитрий М писал(а):
подобрать редуктор для заданного расхода (ступенчато) и/или довести производительность байпасом для нужной, что можно сделать плавно.

А зачем так усложнять . Регулировать обороты - это правильно - и кпд не уменьшается и почва не размывается.
Особенностьи АЗТ-5 - встроен перепускной клапан , скорее от превышения давления . 470 об.\мин это немного .

_________________
«Когда у общества нет цветовой дифференциации штанов, то нет цели!»

- Позвольте-с вас спросить, почему от вас так отвратительно пахнет?
- Ну, что ж, пахнет... известно. По специальности. Вчера котов душили, душили. (с)


Вернуться наверх
 
 Заголовок сообщения: Re: Регулятор оборотов коллекторного двигателя 220В
СообщениеДобавлено: Вс май 26, 2013 16:09:40 
Открыл глаза

Карма: 5
Рейтинг сообщений: 3
Зарегистрирован: Сб ноя 10, 2012 17:23:48
Сообщений: 55
Откуда: Серпухов
Рейтинг сообщения: 0
Насос стоял в деревне, воду качал 10 лет, пролежал на печке ещё 5 лет. Я разбирал его кувалдой. И снимал ржавчину напильником.
Но насос живучий, и поле таких издевательств только сальники текут. И все 8 лопаток ходят, и задняя крышка почти не стёрлась.
Насос ОТЛИЧНЫЙ.
Но а обороты ,мне кажется, менять эффективней.
Обороты меньше => Трение меньше => Износ меньше => Я дольше забываю про реуку
Вот такая железная логика :))
Живучий насос, не зря мой дед его с завода вынес(через забор по частям перекинул)!

Мой диммер работает от 50 до 210 вольт. Ниже пропадает ток. Ну а 210 вольт у нас в сети.

_________________
Прошу сильно не ругать. Всему учился сам и на кружках.


Вернуться наверх
 
 Заголовок сообщения: Re: Регулятор оборотов коллекторного двигателя 220В
СообщениеДобавлено: Вс май 26, 2013 21:47:55 
Вымогатель припоя

Карма: 1
Рейтинг сообщений: 11
Зарегистрирован: Сб май 22, 2010 12:26:56
Сообщений: 653
Откуда: Днепропетровск
Рейтинг сообщения: 0
поставте кнопку от дрели с регулятором и будет счастье - я так на бетономешалку сделал...


Вернуться наверх
 
 Заголовок сообщения: Re: Регулятор оборотов коллекторного двигателя 220В
СообщениеДобавлено: Вс май 26, 2013 22:47:42 
Открыл глаза

Карма: 5
Рейтинг сообщений: 3
Зарегистрирован: Сб ноя 10, 2012 17:23:48
Сообщений: 55
Откуда: Серпухов
Рейтинг сообщения: 0
Такого богатства нет. Стипендия маленькая, а ходить пешком не хочу.

Есть такое предложение: У мотора есть датчик оборотов-генератор. Выпрямить напряжение с генератора, и сравнить его с образцовым.
Если больше, прекратить подачу напряжения.
Если меньше, включить мотор.
Вот структурная схема:
Вложение:
Рег.GIF [10.14 KiB]
Скачиваний: 3123


Г - датчик-генератор; ГОН - генератор опорного напряжения: К - компаратор(ОУ): ну а ключ и мотор надеюсь будет понятно.
Более точную схему составлю завтра. А пока прошу критиковать, ругать и предлогать.

_________________
Прошу сильно не ругать. Всему учился сам и на кружках.


Вернуться наверх
 
 Заголовок сообщения: Re: Регулятор оборотов коллекторного двигателя 220В
СообщениеДобавлено: Пн май 27, 2013 06:12:10 
Модератор
Аватар пользователя

Карма: 153
Рейтинг сообщений: 2942
Зарегистрирован: Сб авг 14, 2010 15:05:51
Сообщений: 19026
Откуда: г. Озерск, Челябинская обл.
Рейтинг сообщения: 0
Медали: 1
Лучший человек Форума 2017 (1)
это точно, что с генератора идет переменное напряжение? обычно все тахогенераторы выдают постоянное.

_________________
Мудрость приходит вместе с импотенцией...
Когда на русском форуме переходят на Вы, в реальной жизни начинают бить морду.


Вернуться наверх
 
 Заголовок сообщения: Re: Регулятор оборотов коллекторного двигателя 220В
СообщениеДобавлено: Пн май 27, 2013 07:02:58 
Открыл глаза

Карма: 5
Рейтинг сообщений: 3
Зарегистрирован: Сб ноя 10, 2012 17:23:48
Сообщений: 55
Откуда: Серпухов
Рейтинг сообщения: 0
Я на переменном мерял, попробую на постоянном токе. Точность не обещаю. Мой Ц-20 чисто для статистов.
Сделай 5 измерений, найди правильное. :)
Ну а блок-схема это пока набросок. Блоком больше-меньше. Фигня война, главное стратегия :)) .
Хотя, диодный мост пропускает как переменное, так и постоянное напряжение, и его можно оставить. На работу сильно не повлияет если пойдёт постоянка.

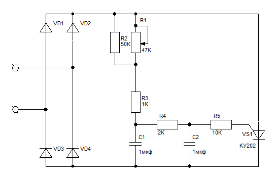
Вот, выкладываю схему регулятора на суд общественности.
Вложение:
Регулятор.GIF [19.02 KiB]
Скачиваний: 3812

Работает так: с тахогенератора напряжение, через диодный vост выпрямляется, сглаживается(C1 R1 C2) и поступает на делитель R2 R3., после чего сравнивается с образцовым напряжением. Если больше, то на выходе ОУ появляется положительное напряжение, транзистор открывается, тиристор закрывается, мотор отключается.Если меньше, то на выходе ОУ появляется отрицательное напряжение, транзистор закрывается, тиристор закрывается, мотор включается.

Должно работать.

_________________
Прошу сильно не ругать. Всему учился сам и на кружках.


Вернуться наверх
 
 Заголовок сообщения: Re: Регулятор оборотов коллекторного двигателя 220В
СообщениеДобавлено: Пн май 27, 2013 14:29:39 
Друг Кота
Аватар пользователя

Карма: 4
Рейтинг сообщений: 342
Зарегистрирован: Ср мар 31, 2010 09:33:22
Сообщений: 4974
Откуда: Владивосток
Рейтинг сообщения: 0
Скорее от этой схемы двигун не сможет нормально обороты регулировать . Не зря же используют специализированную микросхему .
Вот последняя плата регулировки от Bosh , тоже на TDA1085C
СпойлерИзображение

Таходатчик выдает переменное напряжение , от оборотов меняется частота и амплитуда . Померял осцилом :)
Александр96 И вашу схему стоит попробовать . А в микросхеме TDA1085C используется зависимость частоты тахогенератора от оборотов (стоит преобразователь частота-напряжение) .

_________________
«Когда у общества нет цветовой дифференциации штанов, то нет цели!»

- Позвольте-с вас спросить, почему от вас так отвратительно пахнет?
- Ну, что ж, пахнет... известно. По специальности. Вчера котов душили, душили. (с)


Вернуться наверх
 
 Заголовок сообщения: Re: Регулятор оборотов коллекторного двигателя 220В
СообщениеДобавлено: Пн май 27, 2013 17:13:51 
Открыл глаза

Карма: 5
Рейтинг сообщений: 3
Зарегистрирован: Сб ноя 10, 2012 17:23:48
Сообщений: 55
Откуда: Серпухов
Рейтинг сообщения: 0
А мотор у меня такой же.
Пойду соберу схему и испытаю :solder: .И сразу доложу о работоспособности.
И ещё один тупой вопрос: jonpim, как выложить картинку, чтобы она открывалась нормально а не в отдельном окне?

_________________
Прошу сильно не ругать. Всему учился сам и на кружках.


Вернуться наверх
 
 Заголовок сообщения: Re: Регулятор оборотов коллекторного двигателя 220В
СообщениеДобавлено: Пн май 27, 2013 17:31:46 
Друг Кота
Аватар пользователя

Карма: 4
Рейтинг сообщений: 342
Зарегистрирован: Ср мар 31, 2010 09:33:22
Сообщений: 4974
Откуда: Владивосток
Рейтинг сообщения: 0
Ну тогда с мотором нужно снимать плату регулировки оборотов со стиралки . Я сейчас попробую запустить с этой платой , потом к ней припаяю потенциометр линейного регулиррования ( без ускорения)
А фото цепляю по ссылкам из сохраненного на радикал-фото . Пользуйтесь тегами в окне сообщения (Img,spoiler,URL и другие) . :)

_________________
«Когда у общества нет цветовой дифференциации штанов, то нет цели!»

- Позвольте-с вас спросить, почему от вас так отвратительно пахнет?
- Ну, что ж, пахнет... известно. По специальности. Вчера котов душили, душили. (с)


Вернуться наверх
 
 Заголовок сообщения: Re: Регулятор оборотов коллекторного двигателя 220В
СообщениеДобавлено: Вс июн 02, 2013 06:58:51 
Вымогатель припоя

Карма: 5
Рейтинг сообщений: 30
Зарегистрирован: Пт фев 18, 2011 19:13:03
Сообщений: 670
Откуда: М.О. 40 км на восток
Рейтинг сообщения: 0
По поводу надежности насоса, у меня на таком стояли самодельные лопатки из бронзы и работал насос черт те знает сколько лет , пока не продал его за ненадобностью.


Вернуться наверх
 
 Заголовок сообщения: Re: Регулятор оборотов коллекторного двигателя 220В
СообщениеДобавлено: Вс июн 09, 2013 16:58:16 
Друг Кота
Аватар пользователя

Карма: 4
Рейтинг сообщений: 342
Зарегистрирован: Ср мар 31, 2010 09:33:22
Сообщений: 4974
Откуда: Владивосток
Рейтинг сообщения: 0
Поставил плату регулировки на TDA1085 , меняя потенциометром напряжение на 7 ноге , регулируем от 0 до максимума . Отличный регулятор , главное на любых оборотах мощность приличная выдается .
Короче - импульсный тиристорный регулятор скорости с частотной обратной связью . :))

_________________
«Когда у общества нет цветовой дифференциации штанов, то нет цели!»

- Позвольте-с вас спросить, почему от вас так отвратительно пахнет?
- Ну, что ж, пахнет... известно. По специальности. Вчера котов душили, душили. (с)


Вернуться наверх
 
 Заголовок сообщения: Re: Регулятор оборотов коллекторного двигателя 220В
СообщениеДобавлено: Ср июл 03, 2013 23:14:15 
Потрогал лапой паяльник

Зарегистрирован: Пт мар 22, 2013 16:05:05
Сообщений: 321
Откуда: Саратов
Рейтинг сообщения: 0
Можите сказать как плату управлления подключить к двигателю?


Вернуться наверх
 
Показать сообщения за:  Сортировать по:  Вернуться наверх
Начать новую тему Ответить на тему  [ Сообщений: 29 ]  1,  

Часовой пояс: UTC + 3 часа


Вы не можете начинать темы
Вы не можете отвечать на сообщения
Вы не можете редактировать свои сообщения
Вы не можете удалять свои сообщения
Вы не можете добавлять вложения

Найти:
Перейти:  


Powered by phpBB © 2000, 2002, 2005, 2007 phpBB Group
Русская поддержка phpBB
Extended by Karma MOD © 2007—2012 m157y
Extended by Topic Tags MOD © 2012 m157y