Например TDA7294

Форум РадиоКот • Просмотр темы - Проблема с использованием BMS на основе DW01
Форум РадиоКот
Здесь можно немножко помяукать :)

Текущее время: Пт янв 02, 2026 13:45:34

Часовой пояс: UTC + 3 часа


ПРЯМО СЕЙЧАС:



Начать новую тему Ответить на тему  [ Сообщений: 9 ] 
Автор Сообщение
Не в сети
 Заголовок сообщения: Проблема с использованием BMS на основе DW01
СообщениеДобавлено: Пн ноя 06, 2023 15:12:40 
Родился

Зарегистрирован: Вс янв 22, 2023 20:42:31
Сообщений: 19
Рейтинг сообщения: 0
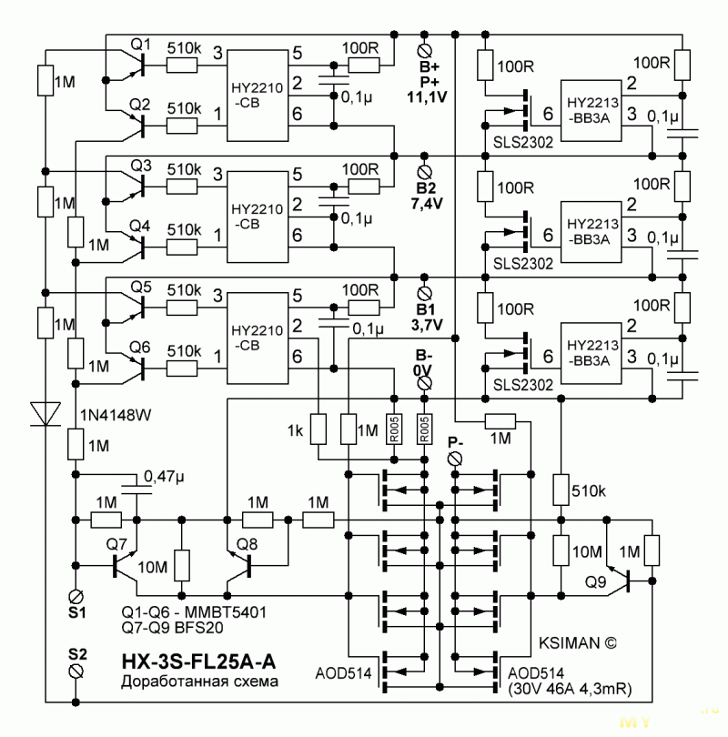
Добрый день. Для зарядки батареи Li-ion использую ЗУ с стабилизацией тока и напряжения.Ток зарядки - 1 А,ток балансировки - 250 мА.Батарея - 4 элемента Li-ion емкостью 5 А час типоразмера 21700.BMS на основе DW01 с балансиром на BB3A,Плата BMS самодельная, собрана по перерисованной плате китайского BMS.Проблема вот в чем: аккумуляторы хоть и новые,но все же не совсем одинаковые по параметрам.После разрядки батареи при последующей зарядке вылетают DW01 на последнем этапе зарядки.Я понимаю или по крайней мере догадываюсь, что проблема в разности параметров аккумуляторов, но почему из-за этого летят DW01?Балансиры отрабатывают четко. Если кто сталкивался с подобной проблемой и решил ее, прошу отозваться. Схему смотрите по ссылке, я добавил к ней еще один канал и отрегулировал ток балансировки.


Вложения:
Схема.gif [77.36 KiB]
Скачиваний: 155
Вернуться наверх
 
Не в сети
 Заголовок сообщения: Re: Проблема с использованием BMS на основе DW01
СообщениеДобавлено: Пн ноя 06, 2023 18:54:25 
Говорящий с текстолитом

Карма: 18
Рейтинг сообщений: 498
Зарегистрирован: Сб дек 14, 2013 16:11:55
Сообщений: 1698
Рейтинг сообщения: 0
"на последнем этапе зарядки" - значит включается балансир. значит проблема связана с ним.
RC-цепочки на 2-5 / 2-3 ноги микросхем стоят? 100ом 0,1мкф.
имхо, ток балансира слишком велик, просадка напряжения на контролирующих линиях выходит за пределы заданного гистерезиса и балансир впадает в возбуд. от чего и сходит с ума DW01, и вероятно тоже впадает в возбуд/дохнет.
попробуй уменьшить ток балансировки до 50мА, и усилить проводники от аккумов до балансира. всё равно такой большой ток там не нужен.


Вернуться наверх
 
Не в сети
 Заголовок сообщения: Re: Проблема с использованием BMS на основе DW01
СообщениеДобавлено: Пн ноя 06, 2023 20:15:50 
Электрический кот

Карма: 5
Рейтинг сообщений: 170
Зарегистрирован: Пн май 01, 2017 20:01:45
Сообщений: 1070
Рейтинг сообщения: 0
Ток балансировки это величина разброса параметров банок. 1/4 для разброса явно "из мусора". Не стоит так делать.
Дополню сказанное выше - если батарея используется в буферном режиме (а-ля UPS), то балансировку можно делать не по уровню, а по разности. Для этого можно взять несколько ICL7660 (например 3) и собрать постоянно действующую систему выравнивания напряжений на банках. Т.е. балансироваться будут даже севшие банки.
Т.к. у представленной схемы балансоровки ключевым негативным элементом является триггерный режим (дефект описан ранее), то его можно лечить или сменой типа балансировки (см. мое сообщение) или сменой типа регулирования - отказ от релейного переключателя. Например, это можно реализовать установкой TL431 в режиме шунта с резистором с порогом 4.25В, на каждую банку. Т.к. схема линейная, то уровень на банке не будет скакать и генерации не возникнет. К сожалению, у TL431 ограничена максимальная рассеиваемая мощность, не превышайте ее.

Remark.
Вообще, сгорание DW01 не должно происходить, даже при генерации. Надо аккуратно посмотреть осциллографом, что там происходит. Скорее всего, причина в том цирке с конями, что ниже середины схемы в виде массы транзистором. Там явно нехватает конденсатора, где-то. Где именно, даже не хочется дуумать, не люблю тараканьи бега. Проще купить за $2 плату с микросхемой, которая всё это делает в себе самой, без танцев с бубном.


Вернуться наверх
 
Не в сети
 Заголовок сообщения: Re: Проблема с использованием BMS на основе DW01
СообщениеДобавлено: Пн ноя 06, 2023 21:13:13 
Родился

Зарегистрирован: Вс янв 22, 2023 20:42:31
Сообщений: 19
Рейтинг сообщения: 0
"на последнем этапе зарядки" - значит включается балансир. значит проблема связана с ним.
RC-цепочки на 2-5 / 2-3 ноги микросхем стоят? 100ом 0,1мкф.
имхо, ток балансира слишком велик, просадка напряжения на контролирующих линиях выходит за пределы заданного гистерезиса и балансир впадает в возбуд. от чего и сходит с ума DW01, и вероятно тоже впадает в возбуд/дохнет.
попробуй уменьшить ток балансировки до 50мА, и усилить проводники от аккумов до балансира. всё равно такой большой ток там не нужен.

А будет ли работать балансировка при столь маленьком токе? Элементы все стоят согласно схемы. Питающие шины достаточно широкие, я на этом не экономлю. Осциллографом смотрел сигналы на шинах питания ,все чисто. Может для избежания просадки есть смысл перецепить питающие провода от левой части схемы с DW01 напрямую к аккумуляторам? Еще хочу попробовать уменьшить ток зарядки до 0,5 ампера. Гистерезис DW01 действительно небольшой, может быть дребезг.

Добавлено after 21 minute 18 seconds:
U37 по пунктам, изначально по схеме резисторы балансировки 100 Ом, что явно мало для таких мощных аккумов. Аккумы стоят в шуруповерте. Использовать для постоянной балансировки ICL7660 по моему не имеет смысла, слишком маленькие токи перетекания, да и наверняка увеличится ток саморазряда,что нежелательно. Использовать балансир на TL431 и соответственно транзисторах с нагрузкой конечно можно, но также значительно увеличится саморазряд или балансир нужно встраивать в зарядное.Заказать готовый BMS с балансиром конечно можно, но и в них ток балансировки также небольшой, теряется всякий смысл, да и честно говоря, для меня интересно сделать самому, а не купить готовое.


Вернуться наверх
 
Эиком - электронные компоненты и радиодетали
Не в сети
 Заголовок сообщения: Re: Проблема с использованием BMS на основе DW01
СообщениеДобавлено: Пн ноя 06, 2023 21:28:02 
Друг Кота
Аватар пользователя

Карма: 59
Рейтинг сообщений: 2218
Зарегистрирован: Чт янв 26, 2012 16:44:29
Сообщений: 19581
Откуда: Таксимо
Рейтинг сообщения: 0
Не вижу на твоей схеме dw01. Да и по сути защита и не нужна, сам шурик перестанет крутить. Достаточно балансиров на аккумах. Зарядное же умеет отключатся

_________________
Мои поставщики запчастей с отличной репутацией
texnomag.ru
radioremont.com
pl-1.org
4ip.info
elitan.ru


Вернуться наверх
 
Не в сети
 Заголовок сообщения: Re: Проблема с использованием BMS на основе DW01
СообщениеДобавлено: Пн ноя 06, 2023 22:11:57 
Родился

Зарегистрирован: Вс янв 22, 2023 20:42:31
Сообщений: 19
Рейтинг сообщения: 0
Не вижу на твоей схеме dw01. Да и по сути защита и не нужна, сам шурик перестанет крутить. Достаточно балансиров на аккумах. Зарядное же умеет отключатся

HY2210 это и есть DW01,зарядное у меня самодельное, обратноходовый преобразователь со стабилизацией тока и напряжения на выходе.Защита нужна в случае заклинивания,это фактически короткое и такой режим может не выдержать аккумулятор.


Вернуться наверх
 
Не в сети
 Заголовок сообщения: Re: Проблема с использованием BMS на основе DW01
СообщениеДобавлено: Пн ноя 06, 2023 22:29:35 
Друг Кота
Аватар пользователя

Карма: 59
Рейтинг сообщений: 2218
Зарегистрирован: Чт янв 26, 2012 16:44:29
Сообщений: 19581
Откуда: Таксимо
Рейтинг сообщения: 0
По току оставить защиту например

_________________
Мои поставщики запчастей с отличной репутацией
texnomag.ru
radioremont.com
pl-1.org
4ip.info
elitan.ru


Вернуться наверх
 
Не в сети
 Заголовок сообщения: Re: Проблема с использованием BMS на основе DW01
СообщениеДобавлено: Вт ноя 07, 2023 19:59:25 
Родился

Зарегистрирован: Вс янв 22, 2023 20:42:31
Сообщений: 19
Рейтинг сообщения: 0
По току оставить защиту например

Тогда все равно придется ставить DW01 в нижний канал и как она себя поведет?


Вернуться наверх
 
Не в сети
 Заголовок сообщения: Re: Проблема с использованием BMS на основе DW01
СообщениеДобавлено: Вт ноя 07, 2023 20:19:41 
Друг Кота
Аватар пользователя

Карма: 59
Рейтинг сообщений: 2218
Зарегистрирован: Чт янв 26, 2012 16:44:29
Сообщений: 19581
Откуда: Таксимо
Рейтинг сообщения: 0
Ну блин ну термоавтомат тогда поставь. Типа как на пилотах китайских или на уазике на свет

_________________
Мои поставщики запчастей с отличной репутацией
texnomag.ru
radioremont.com
pl-1.org
4ip.info
elitan.ru


Вернуться наверх
 
Показать сообщения за:  Сортировать по:  Вернуться наверх
Начать новую тему Ответить на тему  [ Сообщений: 9 ] 

Часовой пояс: UTC + 3 часа


Кто сейчас на форуме

Сейчас этот форум просматривают: нет зарегистрированных пользователей и гости: 31


Вы не можете начинать темы
Вы не можете отвечать на сообщения
Вы не можете редактировать свои сообщения
Вы не можете удалять свои сообщения
Вы не можете добавлять вложения

Найти:
Перейти:  


Powered by phpBB © 2000, 2002, 2005, 2007 phpBB Group
Русская поддержка phpBB
Extended by Karma MOD © 2007—2012 m157y
Extended by Topic Tags MOD © 2012 m157y