Например TDA7294

Форум РадиоКот • Просмотр темы - Электронная нагрузка
Форум РадиоКот
Здесь можно немножко помяукать :)

Текущее время: Сб фев 21, 2026 06:31:29

Часовой пояс: UTC + 3 часа


ПРЯМО СЕЙЧАС:



Начать новую тему Ответить на тему  [ Сообщений: 745 ]  1, , , , ...  
Автор Сообщение
Не в сети
 Заголовок сообщения: Электронная нагрузка
СообщениеДобавлено: Вт мар 16, 2010 16:48:52 
Открыл глаза

Зарегистрирован: Пн фев 15, 2010 19:52:13
Сообщений: 73
Откуда: СПб
Рейтинг сообщения: 0
Конкретная задача - разряд аккумулятора заданным током.

Измерение задаваемого тока - мультиметром (через напряжение на токоизмерительном резисторе), снятие разрядной кривой Uакк от времени - другим мультиметром, с логгером.
Контроль температуры аккумулятора и конечного напряжения разряда - отдельным устройством.

Параметры:
- напряжение аккумулятора от 0.8В (конечное для NiMH) до 30В (для батарей),
- ток разряда - от 0.1 до ампер 30-ти, а лучше до 50-ти, уж такие теперь LiPo...


Поделитесь соображениями :)


Вернуться наверх
 
Не в сети
 Заголовок сообщения: Re: Электронная нагрузка
СообщениеДобавлено: Вт мар 16, 2010 17:36:14 
Опытный кот

Зарегистрирован: Чт фев 18, 2010 13:51:56
Сообщений: 877
Рейтинг сообщения: 0
Вот например
Изображение
Питание ОУ - от отдельного блока питания.
http://www.fcenter.ru/online.shtml?arti ... ower/23077


Вернуться наверх
 
Не в сети
 Заголовок сообщения: Re: Электронная нагрузка
СообщениеДобавлено: Вт мар 16, 2010 21:26:05 
Открыл глаза

Зарегистрирован: Пн фев 15, 2010 19:52:13
Сообщений: 73
Откуда: СПб
Рейтинг сообщения: 0
Murav писал(а):
Вот например


Спасибо!
А какие типы полевых транзисторов смотреть, на "мои" токи?


Вернуться наверх
 
Не в сети
 Заголовок сообщения: Re: Электронная нагрузка
СообщениеДобавлено: Ср мар 27, 2013 16:02:59 
Модератор
Аватар пользователя

Карма: 153
Рейтинг сообщений: 2939
Зарегистрирован: Сб авг 14, 2010 15:05:51
Сообщений: 18955
Откуда: г. Озерск, Челябинская обл.
Рейтинг сообщения: 7
Медали: 1
Лучший человек Форума 2017 (1)
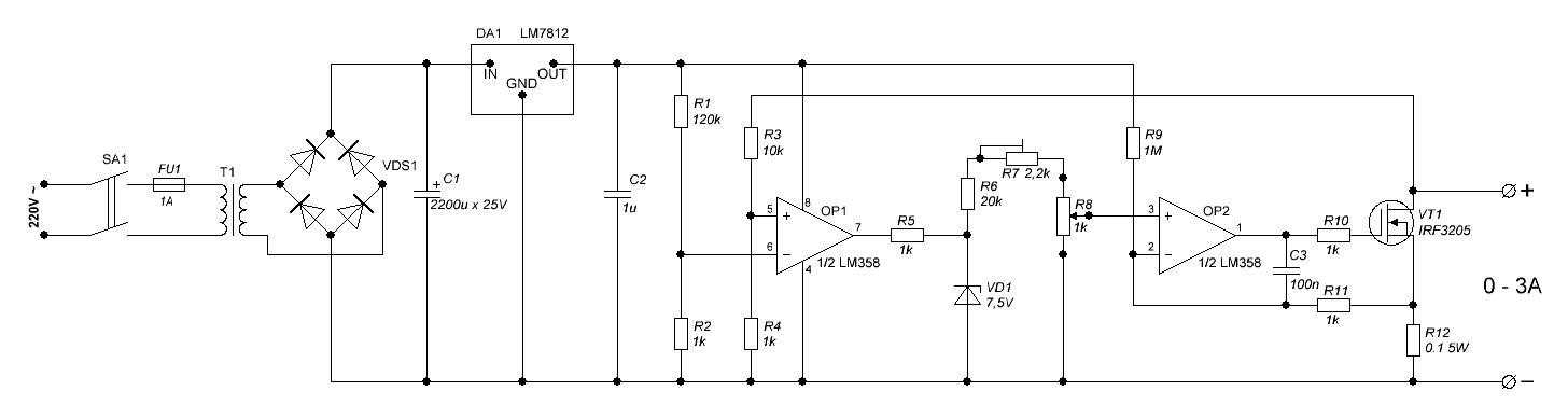
разработал свою электронную нагрузку. надоело с нихромовыми спиральками играть...
для моих текущих изделий больших мощностей не надо. сделал расчет до 3 Ампер. изготовил, уже работает.
для мосфета применил интеловский процессорный радиатор с кулером.
сейчас гоняю около на 15 Ватт, радиатор чуть теплый.
при желании можно пересчитать номиналы для другого тока.
все таки переменный резистор не дает желаемой плавности регулировки, напрашивается установка двух резисторов - Грубо и Точно. для точной настройки тока сейчас пользуюсь подстроечным резистором R9 на плате.

по схеме.
первый ОУ предназначен для автоматического включения-отключения регулятора при появлении-исчезновении напряжения на стоке.
без этой примочки при установленном задании будет максимальное напряжение на затворе, и при подключении проверяемого источника полностью открытый мосфет создаст кз.
резистор R9 создает маленькое смещение на входе ОУ, для компенсации собственного напряжения смещения ОУ и для более быстрого запирания мосфета после отключения проверяемого источника.
у меня стабилитрон нашелся только на 6,8 Вольта. и номинал R6 я записал, который установил с этим стабилитроном.


Вложения:
Электронная нагрузка.GIF [13.65 KiB]
Скачиваний: 13396
Электронная нагрузка.lay [20.2 KiB]
Скачиваний: 2956

_________________
Мудрость приходит вместе с импотенцией...
Когда на русском форуме переходят на Вы, в реальной жизни начинают бить морду.
Вернуться наверх
 
Эиком - электронные компоненты и радиодетали
Не в сети
 Заголовок сообщения: Re: Электронная нагрузка
СообщениеДобавлено: Ср мар 27, 2013 16:48:44 
Друг Кота
Аватар пользователя

Карма: 146
Рейтинг сообщений: 6067
Зарегистрирован: Чт июн 04, 2009 21:06:49
Сообщений: 36290
Откуда: г.Мариинск
Рейтинг сообщения: 0
Медали: 1
Лучший человек Форума 2017 (1)
vmspb писал(а):
- напряжение аккумулятора от 0.8В (конечное для NiMH) до 30В (для батарей),
- ток разряда - от 0.1 до ампер 30-ти, а лучше до 50-ти, уж такие теперь LiPo...

30в 30а это 900вт.
Здесь нужен импульсный регулятор, с перекачкой энергии в мощный нихромовый резистор. Так габариты устройства будут довольно большие, а резистор можно разогреть до большой температуры и рассеять много тепла в малом объёме.

_________________
Тем кого не устаревает наличия ошибок в моем тексте, оставляю права не пользоваться моими советами или просто не читать мои сообщения.


Вернуться наверх
 
Не в сети
 Заголовок сообщения: Re: Электронная нагрузка
СообщениеДобавлено: Ср май 15, 2013 14:56:04 
Родился

Зарегистрирован: Пн апр 22, 2013 06:37:52
Сообщений: 13
Откуда: г. Томск
Рейтинг сообщения: 0
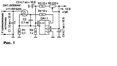
Ну и я свою наработку выложу.
Нагрузка разрабатывалась из принципа "как можно проще", и по идеологии "необходимо и достаточно".
Прикладное применение данного блока: Управление нагрузкой с МК или постоянным напряжением 0..5В, где 5В = 10А, 1В = 2А.

Изображение
В качестве нагрузки использован транзистор IRF1404, т.к. имеет очень низкое тепловое сопротивление кристалл-корпус при низкой цене,
а так же выдерживающий большие токи и большую мощность.
Для увеличения возможной токовой нагрузки необходимо изменить сопротивление R9(зависимость обратная).



Starichok51 писал(а):
разработал свою электронную нагрузку. надоело с нихромовыми спиральками играть...

Не могли бы Вы рассказать о прикладной нагрузке элементов R10, C3, R11.
Логически понятно что это какой то фильтр, который предотвращает автоколебания, но вот принцип работы и его расчета не понятен.
Отдалено напоминает обвязку для работы на емкостную нагрузку или еще более отдаленно режим интегратора, но все равно не он.
Если не затруднит, не могли бы по детальней рассказать, или дать ссылку, где почитать.


Вложения:
disch.GIF [20.42 KiB]
Скачиваний: 27770


Последний раз редактировалось HiddenPilot Ср май 15, 2013 17:23:17, всего редактировалось 1 раз.
Вернуться наверх
 
Не в сети
 Заголовок сообщения: Re: Электронная нагрузка
СообщениеДобавлено: Ср май 15, 2013 15:44:54 
Друг Кота
Аватар пользователя

Карма: 31
Рейтинг сообщений: 129
Зарегистрирован: Вт мар 02, 2010 17:05:19
Сообщений: 4446
Откуда: Белоруссия, Минск
Рейтинг сообщения: 0
Цитата:
разработал свою электронную нагрузку. надоело с нихромовыми спиральками играть...

В этом что то есть. Надо попробовать.
Пока обхожусь реостатом, в качестве нагрузки.

_________________
Всё можно наладить,если вертеть в руках достаточно долго!


Вернуться наверх
 
Не в сети
 Заголовок сообщения: Re: Электронная нагрузка
СообщениеДобавлено: Ср май 15, 2013 16:02:12 
Собутыльник Кота
Аватар пользователя

Карма: 40
Рейтинг сообщений: 372
Зарегистрирован: Вс июл 17, 2011 11:51:52
Сообщений: 2623
Рейтинг сообщения: 0
Телекот писал(а):
30в 30а это 900вт.
Здесь нужен импульсный регулятор, с перекачкой энергии в мощный нихромовый резистор

Мощные зарядно-разрядные устройства для аккумуляторов делают не пассивными с "перекачкой в резистор", а с рекуперацией обратно в сеть. Такие устройства довольно сложны, даже ремонт или повторение готового требует опыта, не говоря уже о разработке.
Но обычно они делаются для вполне определённого типа батарей, никто не делает "от 0,8 до 30В" таких устройств с рекуперацией.

Отвод 900Вт тепла при пассивном разряде потребует принудительного охлаждения


Вернуться наверх
 
Не в сети
 Заголовок сообщения: Re: Электронная нагрузка
СообщениеДобавлено: Ср май 15, 2013 17:25:32 
Друг Кота
Аватар пользователя

Карма: 146
Рейтинг сообщений: 6067
Зарегистрирован: Чт июн 04, 2009 21:06:49
Сообщений: 36290
Откуда: г.Мариинск
Рейтинг сообщения: 0
Медали: 1
Лучший человек Форума 2017 (1)
В том то и дело что сложны. А для перекачки в мощные нихромовые резисторы большой сложности не надо. А рассеять киловат тепла на нихроме не составляет труда и без принудиловки. Комнатные обогреватели и больше рассеивают.

_________________
Тем кого не устаревает наличия ошибок в моем тексте, оставляю права не пользоваться моими советами или просто не читать мои сообщения.


Вернуться наверх
 
Не в сети
 Заголовок сообщения: Re: Электронная нагрузка
СообщениеДобавлено: Ср май 15, 2013 17:38:12 
Это не хвост, это антенна
Аватар пользователя

Зарегистрирован: Ср июн 09, 2010 16:44:54
Сообщений: 1335
Откуда: Пермь
Рейтинг сообщения: 0
Телекот писал(а):
vmspb писал(а):
- напряжение аккумулятора от 0.8В (конечное для NiMH) до 30В (для батарей),
- ток разряда - от 0.1 до ампер 30-ти, а лучше до 50-ти, уж такие теперь LiPo...

30в 30а это 900вт.
Здесь нужен импульсный регулятор, с перекачкой энергии в мощный нихромовый резистор. Так габариты устройства будут довольно большие, а резистор можно разогреть до большой температуры и рассеять много тепла в малом объёме.

Моя схема не подходит ?
Законченная и имеет много повторов: http://ingineer.ru/vaz/image/zu/new/zu_30a_14_14_5.zip
Перспективная http://ingineer.ru/vaz/image/zu/new/zu_50a_15_1_1.jpg
(тема viewtopic.php?p=1133054#p1133054 )

А так, до 15А, тоже предпочитаю греть транзюки viewtopic.php?p=1439570#p1439570

_________________
Фото постройки прототипов


Вернуться наверх
 
Не в сети
 Заголовок сообщения: Re: Электронная нагрузка
СообщениеДобавлено: Ср май 15, 2013 21:20:17 
Модератор
Аватар пользователя

Карма: 153
Рейтинг сообщений: 2939
Зарегистрирован: Сб авг 14, 2010 15:05:51
Сообщений: 18955
Откуда: г. Озерск, Челябинская обл.
Рейтинг сообщения: 0
Медали: 1
Лучший человек Форума 2017 (1)
R10 - это ограничение затворного тока (чтобы не перегружать выход ОУ).
C3, R11 - это и есть интегратор, без всякого отдаленного напоминания...

_________________
Мудрость приходит вместе с импотенцией...
Когда на русском форуме переходят на Вы, в реальной жизни начинают бить морду.


Вернуться наверх
 
Не в сети
 Заголовок сообщения: Re: Электронная нагрузка
СообщениеДобавлено: Ср мар 04, 2015 18:35:04 
Открыл глаза

Зарегистрирован: Пн июн 08, 2009 17:59:21
Сообщений: 55
Откуда: Канск
Рейтинг сообщения: 0
Собрал электронную нагрузку Starichok51 заработала сразу без ошибок большое спасибо автору этой конструкции.

_________________
Бобрик


Вернуться наверх
 
Не в сети
 Заголовок сообщения: Re: Электронная нагрузка
СообщениеДобавлено: Ср мар 11, 2015 13:07:09 
Открыл глаза

Зарегистрирован: Сб авг 16, 2014 15:48:37
Сообщений: 45
Рейтинг сообщения: 0
Уважаемый "Старичок" ответьте пожалуйста. Собрал электронную нагрузку по схеме:
Питание самой нагрузки стабилизированные 12В. Для теста подаю напряжение с лабораторного блока питания, до 27 вольт все нормально, нагрузка работает, ток нагрузки регулируется. Но как только напряжение превышает 27 вольт начинает скакать напряжение и увеличивается ток в цепи: блок питания-нагрузка, причем без каких либо манипуляций с регуляторами тока. Причем чем больше добавляешь напряжения тем больше растет ток.
P.S. электролиты все на напряжение 100 вольт
транзисторы IRF840 4шт в параллель


Вложения:
Нагрузка.jpg [14.99 KiB]
Скачиваний: 3617
Вернуться наверх
 
Не в сети
 Заголовок сообщения: Re: Электронная нагрузка
СообщениеДобавлено: Ср мар 11, 2015 15:31:14 
Держит паяльник хвостом

Карма: 5
Рейтинг сообщений: 250
Зарегистрирован: Пн май 10, 2010 22:54:05
Сообщений: 960
Откуда: Киев
Рейтинг сообщения: 0
Можно 10-100 нФ добавить между первой и второй ножкой ОУ DA1.1.
А сам лабораторный БП точно нормально себя ведет, сам по себе?


Вернуться наверх
 
Не в сети
 Заголовок сообщения: Re: Электронная нагрузка
СообщениеДобавлено: Ср мар 11, 2015 17:25:51 
Открыл глаза

Зарегистрирован: Сб авг 16, 2014 15:48:37
Сообщений: 45
Рейтинг сообщения: 0
Изначально конденсатор на 0.1мкф я вообще не ставил, после установки кондера на 0.22мкф предел по напряжению снизился до 23 вольт.


Вернуться наверх
 
Не в сети
 Заголовок сообщения: Re: Электронная нагрузка
СообщениеДобавлено: Ср мар 11, 2015 17:50:53 
Сверлит текстолит когтями
Аватар пользователя

Карма: 19
Рейтинг сообщений: 215
Зарегистрирован: Пн окт 07, 2013 18:38:17
Сообщений: 1166
Откуда: Новосибирск
Рейтинг сообщения: 0
Цитата:
превышает 27 вольт начинает скакать напряжение и увеличивается ток в цепи:


И такая картина наблюдается при любом токе нагрузки?


Вернуться наверх
 
Не в сети
 Заголовок сообщения: Re: Электронная нагрузка
СообщениеДобавлено: Ср мар 11, 2015 17:57:46 
Открыл глаза

Зарегистрирован: Сб авг 16, 2014 15:48:37
Сообщений: 45
Рейтинг сообщения: 0
Да такая картина при любом токе.


Вернуться наверх
 
Не в сети
 Заголовок сообщения: Re: Электронная нагрузка
СообщениеДобавлено: Ср мар 11, 2015 18:07:34 
Держит паяльник хвостом

Карма: 5
Рейтинг сообщений: 250
Зарегистрирован: Пн май 10, 2010 22:54:05
Сообщений: 960
Откуда: Киев
Рейтинг сообщения: 0
elektron855568 писал(а):
Изначально конденсатор на 0.1мкф я вообще не ставил, после установки кондера на 0.22мкф предел по напряжению снизился до 23 вольт.

А как, все таки, насчет конденсатора между ножками 1 и 2?
Или вам нужен совет именно от Starichok51?


Вернуться наверх
 
Не в сети
 Заголовок сообщения: Re: Электронная нагрузка
СообщениеДобавлено: Ср мар 11, 2015 18:10:09 
Поставщик валерьянки для Кота
Аватар пользователя

Карма: 81
Рейтинг сообщений: 444
Зарегистрирован: Чт дек 27, 2012 20:46:09
Сообщений: 2029
Откуда: Болгария, г. Лом
Рейтинг сообщения: 0
Как описъваеш - возбуждение. Я бъ для начала убрал бъ С2. Проверь работъ

2. Начни по одному отключать IRF840. (Может кто-то уже не является транзистором - параметръ никудъшнъе) Проверь

Извини. Если надо толко от Старичка - пожалуй.

_________________
Лом - ето город в Болгарии, а не инструмент юстировки електроники.


Вернуться наверх
 
Не в сети
 Заголовок сообщения: Re: Электронная нагрузка
СообщениеДобавлено: Ср мар 11, 2015 18:29:39 
Держит паяльник хвостом

Карма: 5
Рейтинг сообщений: 250
Зарегистрирован: Пн май 10, 2010 22:54:05
Сообщений: 960
Откуда: Киев
Рейтинг сообщения: 0
botchin писал(а):
2. Начни по одному отключать IRF840. (Может кто-то уже не является транзистором - параметръ никудъшнъе) Проверь

Вот кстати, еще подкинули мыслю - т.к. IRF840 несколько шт параллельно, то затворы IRF840 нужно подключать на выход ОУ отдельными резисторами (например, 1 кОм, или 10 кОм, как в схеме).


Вернуться наверх
 
Показать сообщения за:  Сортировать по:  Вернуться наверх
Начать новую тему Ответить на тему  [ Сообщений: 745 ]  1, , , , ...  

Часовой пояс: UTC + 3 часа


Кто сейчас на форуме

Сейчас этот форум просматривают: нет зарегистрированных пользователей и гости: 66


Вы не можете начинать темы
Вы не можете отвечать на сообщения
Вы не можете редактировать свои сообщения
Вы не можете удалять свои сообщения
Вы не можете добавлять вложения

Найти:
Перейти:  


Powered by phpBB © 2000, 2002, 2005, 2007 phpBB Group
Русская поддержка phpBB
Extended by Karma MOD © 2007—2012 m157y
Extended by Topic Tags MOD © 2012 m157y