Например TDA7294

Форум РадиоКот • Просмотр темы - Изменение выходного няпряжения БП от ноутбука Sony
Форум РадиоКот
Здесь можно немножко помяукать :)

Текущее время: Пн мар 16, 2026 05:01:49

Часовой пояс: UTC + 3 часа


ПРЯМО СЕЙЧАС:



Начать новую тему Ответить на тему  [ Сообщений: 21 ]  1,  
Автор Сообщение
 Заголовок сообщения: Изменение выходного няпряжения БП от ноутбука Sony
СообщениеДобавлено: Чт ноя 19, 2015 22:40:57 
Родился

Зарегистрирован: Чт ноя 19, 2015 21:44:03
Сообщений: 5
Рейтинг сообщения: 0
Всем доброго дня. Недавно у меня сгорел ноутбук Sony Vaio от него осталось 2 блока питания на 19,5 v 4.7 A.
Модель блока питания VGP-AC19V24 , плата E177671.
Есть задача переделать их выходное напряжение на 12v и 15v, для питания других устройств используемых в быту.

В интернете нашел несколько похожих переделок но везде другие блоки питания, хотя судя по всему схема у них однотипная:
http://forum.easyelectronics.ru/viewtopic.php?p=149158
http://www.radioscanner.ru/forum/topic46974.html

Однако опыта в подобных вещах нет, поэтому прошу совета, правильно ли я определил резистор, которым можно управлять выходным напряжением?
Может быть у кого то есть Даташит по микросхеме управления питанием EZ721, которая находится рядом с резистором.

Фото прилагаю:
СпойлерИзображение

СпойлерИзображение


Вернуться наверх
 
 Заголовок сообщения: Re: Изменение выходного няпряжения БП от ноутбука Sony
СообщениеДобавлено: Пт ноя 20, 2015 09:24:31 
Первый раз сказал Мяу!

Карма: 1
Рейтинг сообщений: 13
Зарегистрирован: Ср ноя 06, 2013 10:12:22
Сообщений: 25
Рейтинг сообщения: 0
IC 131 это DAS001, если я все верно рассмотрел. Аналог TSM103.


Вложения:
TSM103.pdf [109.38 KiB]
Скачиваний: 1638
Вернуться наверх
 
 Заголовок сообщения: Re: Изменение выходного няпряжения БП от ноутбука Sony
СообщениеДобавлено: Пт ноя 20, 2015 12:01:14 
Родился

Зарегистрирован: Чт ноя 19, 2015 21:44:03
Сообщений: 5
Рейтинг сообщения: 0
Спасибо, но что то понятней не стало, похоже придется пытаться по плате рисовать принципиальную схему ...


Вернуться наверх
 
 Заголовок сообщения: Re: Изменение выходного няпряжения БП от ноутбука Sony
СообщениеДобавлено: Пт ноя 27, 2015 22:41:32 
Родился

Зарегистрирован: Чт ноя 19, 2015 21:44:03
Сообщений: 5
Рейтинг сообщения: 0
Насколько я смог рассмотреть микросхема эта DAS0017
Изменение сопротивления которое я указал на плате не меняет выходное напряжение ...
Может буду у кого еще какие предположения ?


Вернуться наверх
 
Эиком - электронные компоненты и радиодетали
 Заголовок сообщения: Re: Изменение выходного няпряжения БП от ноутбука Sony
СообщениеДобавлено: Пт ноя 27, 2015 22:47:09 
Модератор
Аватар пользователя

Карма: 120
Рейтинг сообщений: 1088
Зарегистрирован: Пн дек 08, 2008 19:28:04
Сообщений: 22891
Откуда: 10км от Москвы на Север
Рейтинг сообщения: 0
Наверняка на плате имеются регулируемые стабилитроны tl431.
Если это так, то надо подобрать резисторы в их обвязке и уменьшить выходное напряжение ...


Вернуться наверх
 
 Заголовок сообщения: Re: Изменение выходного няпряжения БП от ноутбука Sony
СообщениеДобавлено: Пт ноя 27, 2015 22:52:09 
Друг Кота
Аватар пользователя

Карма: 182
Рейтинг сообщений: 8343
Зарегистрирован: Пт фев 04, 2011 17:57:51
Сообщений: 20133
Откуда: Рыбинск
Рейтинг сообщения: 0
Медали: 1
Лучший человек Форума 2017 (1)
DAS имеет и источник опорного напряжения 2,5В, и осуществляет стабилизацию напряжения и ограничение тока посредством оптрона.


Вернуться наверх
 
 Заголовок сообщения: Re: Изменение выходного няпряжения БП от ноутбука Sony
СообщениеДобавлено: Пт ноя 27, 2015 23:00:45 
Модератор
Аватар пользователя

Карма: 120
Рейтинг сообщений: 1088
Зарегистрирован: Пн дек 08, 2008 19:28:04
Сообщений: 22891
Откуда: 10км от Москвы на Север
Рейтинг сообщения: 0
Опорник там для других целей.


Вернуться наверх
 
 Заголовок сообщения: Re: Изменение выходного няпряжения БП от ноутбука Sony
СообщениеДобавлено: Пт ноя 27, 2015 23:09:40 
Друг Кота
Аватар пользователя

Карма: 182
Рейтинг сообщений: 8343
Зарегистрирован: Пт фев 04, 2011 17:57:51
Сообщений: 20133
Откуда: Рыбинск
Рейтинг сообщения: 0
Медали: 1
Лучший человек Форума 2017 (1)
DAS/ TSM - фактически это LM358 c источником опорного между 3м и 4м выводом. На неинвертирующем опора 2,5В, на инвертирующий подается напряжение с делителя цепи ОС по напряжению. Я на подобных микросхемах (NCS1002) кучку LED драйверов сделал, там принцип абсолютно такой же, как в этих БП от ноутов.


Вернуться наверх
 
 Заголовок сообщения: Re: Изменение выходного няпряжения БП от ноутбука Sony
СообщениеДобавлено: Сб ноя 28, 2015 05:20:28 
Друг Кота
Аватар пользователя

Карма: 4
Рейтинг сообщений: 342
Зарегистрирован: Ср мар 31, 2010 09:33:22
Сообщений: 4956
Откуда: Владивосток
Рейтинг сообщения: 0
На 12в такие блоки не перекрутить простым резистором , нужно переделывать самопитание шимки или перематывать транс .
На 15 в скорее всего так-же .

_________________
«Когда у общества нет цветовой дифференциации штанов, то нет цели!»

- Позвольте-с вас спросить, почему от вас так отвратительно пахнет?
- Ну, что ж, пахнет... известно. По специальности. Вчера котов душили, душили. (с)


Вернуться наверх
 
 Заголовок сообщения: Re: Изменение выходного няпряжения БП от ноутбука Sony
СообщениеДобавлено: Сб ноя 28, 2015 06:09:11 
Друг Кота
Аватар пользователя

Карма: 20
Рейтинг сообщений: 488
Зарегистрирован: Сб ноя 20, 2010 21:54:31
Сообщений: 3953
Рейтинг сообщения: 0
А не проще будет собрать отдельно внешний стабилизатор, возможно, регулируемый? Быстрее получится, да и блоки могут и в "родном" виде понадобится


Вернуться наверх
 
 Заголовок сообщения: Re: Изменение выходного няпряжения БП от ноутбука Sony
СообщениеДобавлено: Сб ноя 28, 2015 11:58:19 
Родился

Зарегистрирован: Чт ноя 19, 2015 21:44:03
Сообщений: 5
Рейтинг сообщения: 0
Спасибо всем за участие, я хотя бы стал представлять где "стороны света на этой плате"

Вот накидал этот блок как я понимаю управления ШИМ.

Изображение

И вот еще нашел похожую схему блока питания в интеренете.
Изображение

И даже нашел как переделать подобную схему, но вот ни задача, на моей плате стоят лишние детали, видимо какая то схема стабилизации дополнительно, не могу понять зачем она нужна? Я имею ввиду деталь IC31 и деталь с маркировкой 431H.


Вернуться наверх
 
 Заголовок сообщения: Re: Изменение выходного няпряжения БП от ноутбука Sony
СообщениеДобавлено: Вс ноя 29, 2015 18:49:04 
Родился

Зарегистрирован: Чт ноя 19, 2015 21:44:03
Сообщений: 5
Рейтинг сообщения: 0
УРА!!! получилось.... !!!!

И так изучая тему уже в течение недели мне стало понятно, что я каким либо образом должен на схему обратной связи которая работает на микросхеме DAS001. В результате испробовав несколько вариантов выяснилось что напряжение можно изменить поменяв обще сопротивление пары резисторов R135 и R136. В оригинале их суммарное сопротивление = 15,35 К. Я зменил один из резисторов таким образом чтобы суммарное сопротивление составило 11,8 К. В результате выходное напряжение уменьшилось с 19,5в до 15.4 в что меня очень даже устраивает!

Вот таким образом я делал подбор резисторов. Скажу сразу что при изменений сопротивления при работающем блок питания, он начинал сбрасывать постепенно напряжение до 0. Лечилось передергиванием его в розетку. Если блок питания запускать уже с именным постоянным сопротивлением то работает стабильно.

Изображение

Ну а вот я уже впаял подобранный номинал сопротивления, у меня получилось 20 К.

Изображение

P.S. Единственное я так и не понял зачем нужна вот эта развязка сделанная из элементов отмеченных знаком вопроса!?
В базовых схемах все и так работает через оптопару, зачем тут еще намудрили какую то связь с цепью высокого напряжения я не смог понять и информации тоже не нашел... Но как оказалось именно через нее можно понизить выходное напряжение.


Вернуться наверх
 
 Заголовок сообщения: Re: Изменение выходного няпряжения БП от ноутбука Sony
СообщениеДобавлено: Ср сен 04, 2024 20:23:46 
Родился

Зарегистрирован: Ср сен 04, 2024 19:18:16
Сообщений: 1
Рейтинг сообщения: 0
Благодаря drozd57, получилось уменьшить напряжение блока питания sony vaio до 11,4 вольта(именно такое было нужно). Резистор впаял сопротивлением 19 кОм.


Вернуться наверх
 
 Заголовок сообщения: Re: Изменение выходного няпряжения БП от ноутбука Sony
СообщениеДобавлено: Ср сен 04, 2024 21:25:34 
Друг Кота
Аватар пользователя

Карма: 4
Рейтинг сообщений: 342
Зарегистрирован: Ср мар 31, 2010 09:33:22
Сообщений: 4956
Откуда: Владивосток
Рейтинг сообщения: 0
уменьшить напряжение блока питания sony vaio до 11,4 вольта

В таких бп нельзя уменьшить до 12 в напряжение выхода без переделки в горячей части или перемотки транса .
И 11,4 в у вас скорее прыгает , если посмотреть осцилом . Значит долго так не проработает.
Если и удастся резисторами , то только около 16 в , да и в только к выходу надо паять нагрузочные резисторы 1 - 2 вт

_________________
«Когда у общества нет цветовой дифференциации штанов, то нет цели!»

- Позвольте-с вас спросить, почему от вас так отвратительно пахнет?
- Ну, что ж, пахнет... известно. По специальности. Вчера котов душили, душили. (с)


Вернуться наверх
 
 Заголовок сообщения: Re: Изменение выходного няпряжения БП от ноутбука Sony
СообщениеДобавлено: Ср мар 05, 2025 18:26:10 
Первый раз сказал Мяу!

Зарегистрирован: Пт июл 12, 2024 07:46:37
Сообщений: 26
Рейтинг сообщения: 0
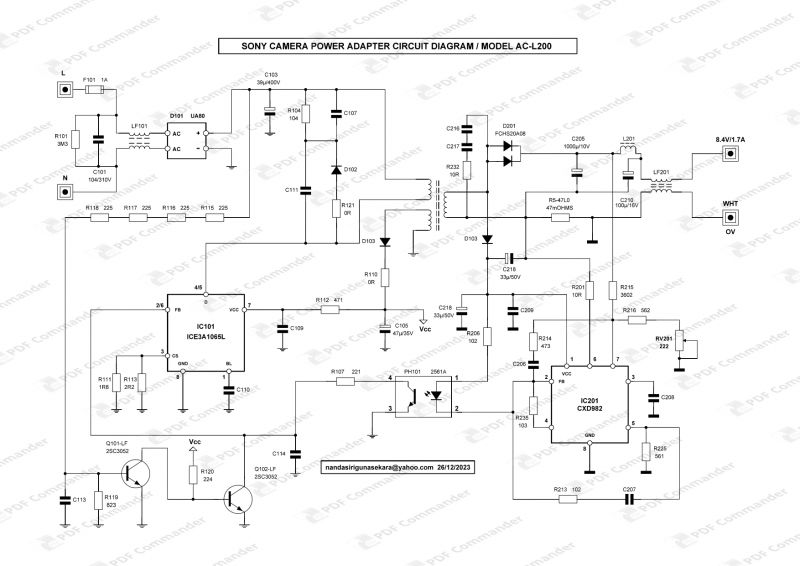
Всем привет! А можно ли увеличить напряжение с 8.4 В до 12 В (желательно с регулировкой) в БП AC-L200 от видеокамеры? Схема есть.

Добавлено after 4 minutes 12 seconds:
О, не та схема, извиняюсь. Вот другая.


Вложения:
sony_ac-l200_power_adapter_schematic.pdf_1.png [27.77 KiB]
Скачиваний: 108
24_AC_Adapter_AC-L20A_Circuit.gif [109.28 KiB]
Скачиваний: 96
Вернуться наверх
 
 Заголовок сообщения: Re: Изменение выходного няпряжения БП от ноутбука Sony
СообщениеДобавлено: Ср мар 05, 2025 18:56:05 
Друг Кота
Аватар пользователя

Карма: 59
Рейтинг сообщений: 2255
Зарегистрирован: Чт янв 26, 2012 16:44:29
Сообщений: 20067
Откуда: Таксимо
Рейтинг сообщения: 0
R215,R216,RV201
R9,R10

_________________
Мои поставщики запчастей с отличной репутацией
texnomag.ru
radioremont.com
pl-1.org
4ip.info
elitan.ru


Вернуться наверх
 
 Заголовок сообщения: Re: Изменение выходного няпряжения БП от ноутбука Sony
СообщениеДобавлено: Ср мар 05, 2025 19:13:22 
Первый раз сказал Мяу!

Зарегистрирован: Пт июл 12, 2024 07:46:37
Сообщений: 26
Рейтинг сообщения: 0
vlasovzloy, эти резисторы подбирать, что ли?


Вернуться наверх
 
 Заголовок сообщения: Re: Изменение выходного няпряжения БП от ноутбука Sony
СообщениеДобавлено: Ср мар 05, 2025 19:29:16 
Друг Кота
Аватар пользователя

Карма: 4
Рейтинг сообщений: 342
Зарегистрирован: Ср мар 31, 2010 09:33:22
Сообщений: 4956
Откуда: Владивосток
Рейтинг сообщения: 0
На самозапит нужно ставить стабилитрон или стабилизатор иначе шимке будет много , да и выходные диоды с конденсаторами нужно заменить .
А потом уменьшить в 2 раза R216 .
Уменьшить ток на защиту , увеличив шунт до 0,1 Ом

_________________
«Когда у общества нет цветовой дифференциации штанов, то нет цели!»

- Позвольте-с вас спросить, почему от вас так отвратительно пахнет?
- Ну, что ж, пахнет... известно. По специальности. Вчера котов душили, душили. (с)


Вернуться наверх
 
 Заголовок сообщения: Re: Изменение выходного няпряжения БП от ноутбука Sony
СообщениеДобавлено: Чт мар 06, 2025 09:56:12 
Первый раз сказал Мяу!

Зарегистрирован: Пт июл 12, 2024 07:46:37
Сообщений: 26
Рейтинг сообщения: 0
jonpim, спасибо за ответ, но "самозапит" - это где? И шунт R5-47L0?Изображение


Вернуться наверх
 
 Заголовок сообщения: Re: Изменение выходного няпряжения БП от ноутбука Sony
СообщениеДобавлено: Чт мар 06, 2025 10:28:50 
Друг Кота
Аватар пользователя

Карма: 59
Рейтинг сообщений: 2255
Зарегистрирован: Чт янв 26, 2012 16:44:29
Сообщений: 20067
Откуда: Таксимо
Рейтинг сообщения: 0
Стабилитрон параллельно С109 , смотреть в даташите на шимку сколько у нее максимум и отнять 3-5 вольт, а шунт R5 да

_________________
Мои поставщики запчастей с отличной репутацией
texnomag.ru
radioremont.com
pl-1.org
4ip.info
elitan.ru


Вернуться наверх
 
Показать сообщения за:  Сортировать по:  Вернуться наверх
Начать новую тему Ответить на тему  [ Сообщений: 21 ]  1,  

Часовой пояс: UTC + 3 часа


Вы не можете начинать темы
Вы не можете отвечать на сообщения
Вы не можете редактировать свои сообщения
Вы не можете удалять свои сообщения
Вы не можете добавлять вложения

Найти:
Перейти:  


Powered by phpBB © 2000, 2002, 2005, 2007 phpBB Group
Русская поддержка phpBB
Extended by Karma MOD © 2007—2012 m157y
Extended by Topic Tags MOD © 2012 m157y